TOP
|
特許
|
意匠
|
商標
特許ウォッチ
Twitter
他の特許を見る
10個以上の画像は省略されています。
公開番号
2025178121
公報種別
公開特許公報(A)
公開日
2025-12-05
出願番号
2025043203
出願日
2025-03-18
発明の名称
冷凍冷蔵庫
出願人
三菱電機株式会社
代理人
弁理士法人深見特許事務所
主分類
F25D
11/02 20060101AFI20251128BHJP(冷凍または冷却;加熱と冷凍との組み合わせシステム;ヒートポンプシステム;氷の製造または貯蔵;気体の液化または固体化)
要約
【課題】冷凍冷蔵庫の消費電力を低減する。
【解決手段】冷凍冷蔵庫100は、冷媒回路2と、複数の貯蔵室と、第1ダクト80と、第2ダクト90と、第1ダンパ14と、第2ダンパ16と、制御装置50とを備える。冷媒回路は、冷媒が圧縮機20、凝縮器30、減圧装置40、および、冷却器10の順に循環する。第1ダクトは、第1グループに含まれる第1貯蔵室60と冷却器が配置される冷却室12とを接続する。第2ダクトは、第2グループに含まれる第2貯蔵室70と冷却室とを接続する。第1ダンパは、第1ダクト内に設置され、冷却室から第1グループへの冷風の送風および遮断を切り替えるように構成される。第2ダンパは、第2ダクト内に設置され、冷却室から第2グループへの冷風の送風および遮断を切り替えるように構成される。制御装置は、第1貯蔵室および第2貯蔵室の状態に基づいて、第1ダンパおよび第2ダンパならびに圧縮機の周波数を制御する。
【選択図】図1
特許請求の範囲
【請求項1】
冷媒が圧縮機、凝縮器、減圧装置、および、冷却器の順に循環する冷媒回路と、
目標温度範囲に基づいて第1グループおよび第2グループを含む複数のグループに分けられた複数の貯蔵室と、
前記第1グループに含まれる第1貯蔵室と前記冷却器が配置される冷却室とを接続する第1ダクトと、
前記第2グループに含まれる第2貯蔵室と前記冷却室とを接続する第2ダクトと、
前記第1ダクト内に設置され、前記冷却室から前記第1グループへの冷風の送風および遮断を切り替えるように構成された第1ダンパと、
前記第2ダクト内に設置され、前記冷却室から前記第2グループへの冷風の送風および遮断を切り替えるように構成された第2ダンパと、
前記第1貯蔵室および前記第2貯蔵室の状態に基づいて、前記第1ダンパおよび前記第2ダンパならびに前記圧縮機の周波数を制御する制御装置とを備える、冷凍冷蔵庫。
続きを表示(約 1,600 文字)
【請求項2】
前記冷凍冷蔵庫は、
前記第1貯蔵室の庫内温度を測定する第1温度センサと、
前記第2貯蔵室の庫内温度を測定する第2温度センサとを備え、
前記制御装置は、
前記第1温度センサの測定値と前記第1貯蔵室の目標温度範囲との比較に基づいて、前記第1ダンパの開放または閉鎖を決定し、
前記第2温度センサの測定値と前記第2貯蔵室の目標温度範囲との比較に基づいて、前記第2ダンパの開放または閉鎖を決定する、請求項1に記載の冷凍冷蔵庫。
【請求項3】
前記制御装置は、
前記第1温度センサの測定値が前記第1貯蔵室の目標温度範囲より高い場合、前記第1ダンパを開放状態にし、
前記第1温度センサの測定値が前記第1貯蔵室の目標温度範囲より低い場合、前記第1ダンパを閉鎖状態にし、
前記第2温度センサの測定値が前記第2貯蔵室の目標温度範囲より高い場合、前記第2ダンパを開放状態にし、
前記第2温度センサの測定値が前記第2貯蔵室の目標温度範囲より低い場合、前記第2ダンパを閉鎖状態にする、請求項2に記載の冷凍冷蔵庫。
【請求項4】
前記冷凍冷蔵庫は、
前記第1貯蔵室の庫内温度を測定する第1温度センサと、
前記第2貯蔵室の庫内温度を測定する第2温度センサとを備え、
前記制御装置は、
前記第1温度センサの測定値と前記第1貯蔵室の目標温度範囲との比較、および前記第2温度センサの測定値と前記第2貯蔵室の目標温度範囲との比較に基づいて、前記圧縮機の周波数を決定する、請求項1に記載の冷凍冷蔵庫。
【請求項5】
前記第1貯蔵室の目標温度範囲の下限が、前記第2貯蔵室の目標温度範囲の下限よりも小さいとき、前記制御装置は、
前記第1温度センサの測定値が前記第1貯蔵室の目標温度範囲より高い場合、前記第1温度センサの測定値が前記第1貯蔵室の目標温度範囲の下限になるように前記圧縮機の周波数を決定し、
前記第1温度センサの測定値が前記第1貯蔵室の目標温度範囲より低い場合、かつ前記第2温度センサの測定値が前記第2貯蔵室の目標温度範囲より高い場合、前記第2温度センサの測定値が前記第2貯蔵室の目標温度範囲の下限になるように前記圧縮機の周波数を決定する、請求項4に記載の冷凍冷蔵庫。
【請求項6】
前記第1グループには、2つ以上の貯蔵室が含まれており、
前記第1グループに含まれる貯蔵室は直列に接続される、請求項1~5のいずれか1項に記載の冷凍冷蔵庫。
【請求項7】
前記第1貯蔵室の目標温度範囲の下限は、前記第1グループに含まれる各貯蔵室の目標温度のなかで最も低い、請求項6に記載の冷凍冷蔵庫。
【請求項8】
前記第2グループには、2つ以上の貯蔵室が含まれており、
前記第2グループに含まれる貯蔵室は直列に接続される、請求項1~5のいずれか1項に記載の冷凍冷蔵庫。
【請求項9】
前記第2貯蔵室の目標温度範囲の下限は、前記第2グループに含まれる各貯蔵室の目標温度のなかで最も低い、請求項8に記載の冷凍冷蔵庫。
【請求項10】
前記冷凍冷蔵庫は、
前記第1貯蔵室の庫内温度を測定する第1温度センサと、
前記第2貯蔵室の庫内温度を測定する第2温度センサとを備え、
前記制御装置は、前記圧縮機の運転が所定回数停止したとき、
前記第1温度センサの測定値と前記第1貯蔵室の目標温度との差に基づいて、前記圧縮機の周波数を補正し、
前記第2温度センサの測定値と前記第2貯蔵室の目標温度との差に基づいて、前記圧縮機の周波数を補正する、請求項1に記載の冷凍冷蔵庫。
(【請求項11】以降は省略されています)
発明の詳細な説明
【技術分野】
【0001】
本開示は、冷凍冷蔵庫に関する。より特定的には、冷凍冷蔵庫の消費電力を低減する技術に関する。
続きを表示(約 1,900 文字)
【背景技術】
【0002】
冷凍冷蔵庫において、一般的に、冷却器の温度を上げることで、消費電力の低減が図られる。しかし、冷却器の温度より低い冷気を生成することはできない。そのため、一般的な冷凍冷蔵庫においては、冷却器の温度を、冷凍冷蔵庫の貯蔵室のなかで最も目標温度の低い冷凍室の目標温度以下に設定せざるを得ない。
【0003】
このような冷凍冷蔵庫の消費電力を低減するための方策として、たとえば、特開平8-296942号公報(特許文献1)には、減圧装置、庫内冷却ファン、およびダンパなどを制御することにより、冷凍冷蔵庫の消費電力の低減が可能な冷凍冷蔵庫が開示されている。
【先行技術文献】
【特許文献】
【0004】
特開平8-296942号公報
【発明の概要】
【発明が解決しようとする課題】
【0005】
しかし、近年、二酸化炭素排出量の削減およびユーザにおける運転コスト削減などの観点から、さらなる消費電力の低減が求められている。本開示は、上述の課題を解決するためになされたものであり、その目的は、冷凍冷蔵庫の消費電力を低減することである。
【課題を解決するための手段】
【0006】
本発明に係る冷凍冷蔵庫は、冷媒回路と、複数の貯蔵室と、第1ダクトと、第2ダクトと、第1ダンパと、第2ダンパと、制御装置とを備える。冷媒回路は、冷媒が圧縮機、凝縮器、減圧装置、および、冷却器の順に循環する。複数の貯蔵室は、目標温度範囲に基づいて第1グループおよび第2グループを含む複数のグループに分けられる。第1ダクトは、第1グループに含まれる第1貯蔵室と冷却器が配置される冷却室とを接続する。第2ダクトは、第2グループに含まれる第2貯蔵室と冷却室とを接続する。第1ダンパは、第1ダクト内に設置され、冷却室から第1グループへの冷風の送風および遮断を切り替えるように構成される。第2ダンパは、第2ダクト内に設置され、冷却室から第2グループへの冷風の送風および遮断を切り替えるように構成される。制御装置は、第1貯蔵室および第2貯蔵室の状態に基づいて、第1ダンパおよび第2ダンパならびに圧縮機の周波数を制御する。
【発明の効果】
【0007】
本開示の冷凍冷蔵庫によれば、第1貯蔵室(冷凍室)よりも目標温度が高い第2貯蔵室(冷蔵室)に適するように、圧縮機の周波数を制御することもできる。したがって、常に第1貯蔵室(冷凍室)に適するように圧縮機の周波数を制御していた従来の冷凍冷蔵庫より、圧縮機の周波数を下げることができ、冷凍冷蔵庫の消費電力を低減することができる。
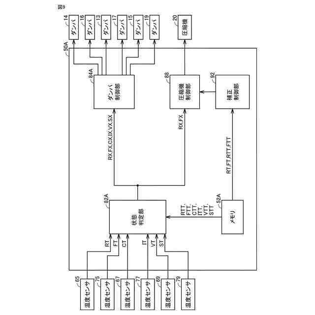
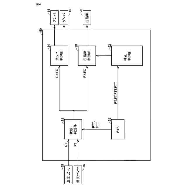
【図面の簡単な説明】
【0008】
冷凍冷蔵庫の全体構成の一例を模式的に示す図である。
冷凍冷蔵庫における制御装置のハードウェア構成の一例を示す図である。
冷凍冷蔵庫の圧縮機の入口における冷媒の温度変化による消費電力の変化を示すp-h線図である。
冷凍冷蔵庫における制御装置の機能ブロック図である。
実施の形態1に係る冷凍冷蔵庫の制御装置において実行される処理を示すフローチャートである。
各貯蔵室の目標温度範囲を示す図である。
冷蔵室の状態および冷凍室の状態に基づく、ダンパおよび圧縮機の制御方法を示す図である。
実施の形態2に係る冷凍冷蔵庫の全体構成の一例を模式的に示す図である。
実施の形態2に係る冷凍冷蔵庫における制御装置の機能ブロック図である。
実施の形態2に係る冷凍冷蔵庫の制御装置において実行される処理を示すフローチャートである。
チルド室、野菜室、製氷室、および、切り替え室の目標温度範囲を示す図である。
【発明を実施するための形態】
【0009】
以下、図面を参照しつつ、本実施の形態について説明する。以下の説明では、同一の部品には同一の符号を付してある。それらの名称および機能も同じである。したがって、それらについての詳細な説明は繰り返さない。
【0010】
実施の形態1.
図1は、冷凍冷蔵庫100の全体構成の一例を模式的に示す図である。図1に示されるように、冷凍冷蔵庫100は、冷媒回路2と、複数の貯蔵室と、ダクト80,90と、ダンパ14,16と、温度センサ65,75と、制御装置50とを備える。
(【0011】以降は省略されています)
この特許をJ-PlatPat(特許庁公式サイト)で参照する
関連特許
三菱電機株式会社
冷蔵庫
1か月前
三菱電機株式会社
冷蔵庫
16日前
三菱電機株式会社
換気扇
9日前
三菱電機株式会社
換気扇
1か月前
三菱電機株式会社
扇風機
1か月前
三菱電機株式会社
換気扇
1か月前
三菱電機株式会社
換気扇
1か月前
三菱電機株式会社
増幅器
1か月前
三菱電機株式会社
電子機器
1か月前
三菱電機株式会社
電気機器
16日前
三菱電機株式会社
収集装置
1か月前
三菱電機株式会社
換気装置
8日前
三菱電機株式会社
照明器具
10日前
三菱電機株式会社
照明装置
1か月前
三菱電機株式会社
保護リレー
1か月前
三菱電機株式会社
半導体装置
1か月前
三菱電機株式会社
空気調和機
1か月前
三菱電機株式会社
回路遮断器
24日前
三菱電機株式会社
半導体装置
3日前
三菱電機株式会社
冷凍冷蔵庫
1日前
三菱電機株式会社
半導体装置
3日前
三菱電機株式会社
電動送風機
8日前
三菱電機株式会社
半導体装置
1日前
三菱電機株式会社
半導体装置
16日前
三菱電機株式会社
加熱調理器
24日前
三菱電機株式会社
半導体装置
1か月前
三菱電機株式会社
空調システム
1か月前
三菱電機株式会社
位置算出装置
9日前
三菱電機株式会社
光源デバイス
1か月前
三菱電機株式会社
点検管理装置
1か月前
三菱電機株式会社
車両制御装置
8日前
三菱電機株式会社
貯湯式給湯機
1か月前
三菱電機株式会社
炊飯システム
1か月前
三菱電機株式会社
調理システム
1か月前
三菱電機株式会社
制御システム
1か月前
三菱電機株式会社
貯湯式給湯機
1か月前
続きを見る
他の特許を見る