TOP
|
特許
|
意匠
|
商標
特許ウォッチ
Twitter
他の特許を見る
公開番号
2025163448
公報種別
公開特許公報(A)
公開日
2025-10-29
出願番号
2024066709
出願日
2024-04-17
発明の名称
保護リレー
出願人
三菱電機株式会社
代理人
弁理士法人深見特許事務所
主分類
H02H
3/05 20060101AFI20251022BHJP(電力の発電,変換,配電)
要約
【課題】電力系統の故障発生時などに生じる比較的振幅の大きい信号が入力される場合でも、入力信号のダイナミックレンジを確保しながら、監視用信号が重畳された合成信号の範囲をアナログ入力回路のフルスケールの範囲内に収める。
【解決手段】保護リレーにおいて、アナログ入力回路30は、複数のアナログ入力信号Ax(x=a,b,c,n)の各々に監視用信号Bを加算することにより複数のアナログ合成信号を生成し、生成された複数のアナログ合成信号の各々に対してアナログデジタル変換を行うことにより複数のデジタル合成信号Cxを生成する。演算処理部40は、アナログ入力回路30のフルスケール範囲に応じて定められた制限範囲内に複数のデジタル合成信号Cxの少なくとも1つが入っていない場合に、監視用信号源58からの監視用信号Bの出力を停止させる信号範囲判定部70を含む。
【選択図】図2
特許請求の範囲
【請求項1】
監視用信号を生成する監視用信号源と、
電力系統の電圧値または電流値をそれぞれ表す複数のチャンネルのアナログ入力信号を受け、前記複数のアナログ入力信号の各々に前記監視用信号を加算することにより複数のアナログ合成信号を生成し、前記生成された複数のアナログ合成信号の各々に対して対応するアナログフィルタを通過させた後にアナログデジタル変換器によってアナログデジタル変換を行うことにより複数のデジタル合成信号を生成するアナログ入力回路と、
前記複数のデジタル合成信号に対して演算処理を行う演算処理部とを備え、
前記演算処理部は、
前記アナログ入力回路のフルスケール範囲に応じて定められた制限範囲内に前記複数のデジタル合成信号の少なくとも1つが入っていない場合に、前記監視用信号源からの前記監視用信号の出力を停止させる信号範囲判定部を含む、保護リレー。
続きを表示(約 1,700 文字)
【請求項2】
前記監視用信号は直流信号である、請求項1に記載の保護リレー。
【請求項3】
前記演算処理部は、
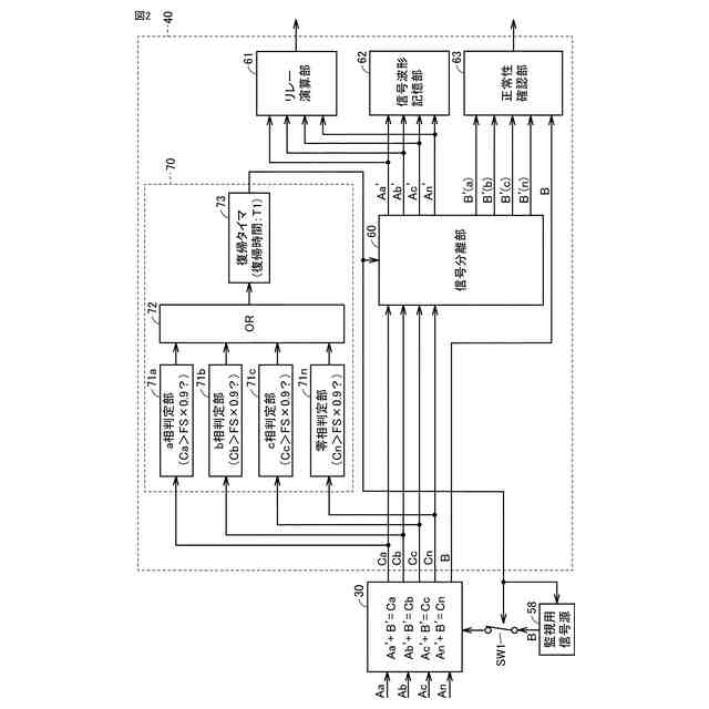
前記監視用信号の出力中に前記複数のデジタル合成信号の各々を、対応するアナログ入力信号を表す入力信号成分と前記監視用信号に対応する監視用信号成分とに分離する信号分離部と、
前記入力信号成分に基づいてリレー演算を実行するリレー演算部と、
前記監視用信号成分と、前記アナログフィルタを通過せずにアナログデジタル変換された前記監視用信号とを比較することにより、前記アナログフィルタの正常性を確認する正常性確認部とを含む、請求項2に記載の保護リレー。
【請求項4】
前記信号分離部は、前記監視用信号の出力が停止された直後において、前記監視用信号の出力変化に起因した前記アナログフィルタの過渡応答による信号を前記複数のデジタル合成信号の各々から除去し、
前記リレー演算部は、前記監視用信号の出力停止中に、前記過渡応答による信号が除去された前記複数のデジタル合成信号を用いてリレー演算を実行する、請求項3に記載の保護リレー。
【請求項5】
前記信号分離部は、前記監視用信号の出力が停止状態から復帰した直後において、前記監視用信号の出力変化に起因した前記アナログフィルタの過渡応答による前記監視用信号成分の変形を補正する、請求項4に記載の保護リレー。
【請求項6】
前記正常性確認部は、前記アナログフィルタを通過せずにアナログデジタル変換された前記監視用信号を用いて、前記監視用信号源および前記アナログデジタル変換器の正常性を確認する、請求項3~5のいずれか1項に記載の保護リレー。
【請求項7】
前記信号分離部は、
前記複数のデジタル合成信号のうちの対応するデジタル合成信号に対して、デジタルフィルタによって直流成分を取り出すことによって前記監視用信号成分を計算する監視用信号計算部と、
前記複数のデジタル合成信号のうちの対応するデジタル合成信号から、算出した前記監視用信号成分を減算することによって前記入力信号成分を計算する入力信号計算部とを含み、
前記入力信号計算部は、前記電力系統の故障中には、故障発生直前に算出された前記監視用信号成分を用いて前記入力信号成分を計算する、請求項3~5のいずれか1項に記載の保護リレー。
【請求項8】
前記電力系統は三相電力系統であり、
前記複数のアナログ入力信号は、
第1相の電流変成器から取得した第1の電流信号に対応する第1のアナログ入力信号と、
第2相の電流変成器から取得した第2の電流信号に対応する第2のアナログ入力信号と、
第3相の電流変成器から取得した第3の電流信号に対応する第3のアナログ入力信号と、
前記第1の電流信号、前記第2の電流信号、および前記第3の電流信号を加算した信号に対応する第4のアナログ入力信号とを含み、
前記アナログ入力回路は、前記第1のアナログ入力信号、前記第2のアナログ入力信号、前記第3のアナログ入力信号、および前記第4のアナログ入力信号に前記監視用信号を加算した信号に対して、アナログフィルタを通過させた後にアナログデジタル変換を行うことにより、それぞれ対応する第1のデジタル合成信号、第2のデジタル合成信号、第3のデジタル合成信号、および第4のデジタル合成信号を生成し、
前記信号分離部は、
前記第1のデジタル合成信号、前記第2のデジタル合成信号、および前記第3のデジタル合成信号を加算した信号から前記第4のデジタル合成信号を減算した信号を2分の1倍することにより、前記監視用信号成分を生成する監視用信号計算部と、
前記複数のデジタル合成信号のうちの対応するデジタル合成信号から、算出した前記監視用信号成分を減算することによって前記入力信号成分を計算する入力信号計算部とを含む、請求項3~5のいずれか1項に記載の保護リレー。
発明の詳細な説明
【技術分野】
【0001】
本開示は、保護リレーに関する。
続きを表示(約 2,000 文字)
【背景技術】
【0002】
保護リレーでは電力系統から入力された信号に対してアナログデジタル変換を行うためにアナログ入力回路が設けられる。アナログ入力回路の不良判定を行うために電力系統からの入力信号に監視用信号を重畳させ、監視用信号の変化を検出する方法が知られている。監視用信号として種々の周波数の信号を用いることができる。
【0003】
たとえば、特開平9-168226号公報(特許文献1)は、監視用信号として電力系統の基本波の高調波信号(たとえば、4倍高調波)を用いる方法、および基本波と同一周波数の信号を用いる方法を開示する。また、特開平2-285920号公報(特許文献2)は、監視用信号として直流信号を用いる方法を開示する。
【先行技術文献】
【特許文献】
【0004】
特開平9-168226号公報
特開平2-285920号公報
【発明の概要】
【発明が解決しようとする課題】
【0005】
監視用信号を利用して不良判定を行う場合、電力系統からの入力信号に監視用信号を加算することによって得られる合成信号の大きさは、アナログ入力回路の入力範囲のフルスケール範囲内でなければならない。特に、電力系統の故障発生時に生じる故障電流に基づく信号が保護リレーに入力される場合に、この制約が問題となり得る。しかしながら、アナログ入力回路のフルスケール範囲に収めるために入力変換器によって入力信号の信号レベルを必要以上に低減させると、電力系統の故障時の波形解析に必要なダイナミックレンジが確保できないという別の問題が生じる。従来の保護リレーではこれらの問題が考慮されてこなかった。
【0006】
本開示は、上記の問題点を考慮してなされたものであり、その目的は、監視用信号を用いてアナログ入力回路の不良判定を行う保護リレーにおいて、電力系統の故障発生時などに生じる比較的振幅の大きい信号が入力される場合でも、入力信号のダイナミックレンジを確保しながら、監視用信号が重畳された合成信号の範囲をアナログ入力回路のフルスケールの範囲内に収めることである。
【課題を解決するための手段】
【0007】
一実施形態の保護リレーは、監視用信号源と、アナログ入力回路と、演算処理部とを備える。監視用信号源は、監視用信号を生成する。アナログ入力回路は、電力系統の電圧値または電流値をそれぞれ表す複数のチャンネルのアナログ入力信号を受け、複数のアナログ入力信号の各々に監視用信号を加算することにより複数のアナログ合成信号を生成し、生成された複数のアナログ合成信号の各々に対して対応するアナログフィルタを通過させた後にアナログデジタル変換器によってアナログデジタル変換を行うことにより複数のデジタル合成信号を生成する。演算処理部は、複数のデジタル合成信号に対して演算処理を行う。演算処理部は、アナログ入力回路のフルスケール範囲に応じて定められた制限範囲内に複数のデジタル合成信号の少なくとも1つが入っていない場合に、監視用信号源からの監視用信号の出力を停止させる信号範囲判定部を含む。
【発明の効果】
【0008】
上記の保護リレーによれば、制限範囲内に複数のデジタル合成信号の少なくとも1つが入っていない場合に、監視用信号源からの監視用信号の出力を停止させることにより、入力信号のダイナミックレンジを確保しながら、監視用信号が重畳された合成信号の範囲をアナログ入力回路のフルスケールの範囲内に収めることができる。
【図面の簡単な説明】
【0009】
保護リレーの全体構成の一例を示すブロック図である。
図1の演算処理部の機能的構成を示すブロック図である。
監視用信号が出力されている場合における図2の信号分離部の第1の動作例を示すブロック図である。
監視用信号が出力されている場合における図2の信号分離部の第2の動作例を示すブロック図である。
監視用信号の停止期間を含む時間帯における各種の信号波形を示す図である。
図5のアナログフィルタの通過した監視用信号の波形において、停止指令直後の部分を拡大して示す図である。
図5のアナログフィルタの通過した監視用信号の波形において、復帰指令直後の部分を拡大して示す図である。
保護リレーのアナログ入力回路および演算処理部の動作を示すフローチャートである。
【発明を実施するための形態】
【0010】
以下、実施の形態について図面を参照して詳しく説明する。なお、同一または相当する部分には同一の参照符号を付して、その説明を繰り返さない。
(【0011】以降は省略されています)
この特許をJ-PlatPat(特許庁公式サイト)で参照する
関連特許
三菱電機株式会社
換気扇
14日前
三菱電機株式会社
冷蔵庫
1日前
三菱電機株式会社
換気扇
14日前
三菱電機株式会社
換気扇
14日前
三菱電機株式会社
増幅器
5日前
三菱電機株式会社
電子機器
15日前
三菱電機株式会社
収集装置
12日前
三菱電機株式会社
空気調和機
7日前
三菱電機株式会社
半導体装置
今日
三菱電機株式会社
半導体装置
20日前
三菱電機株式会社
保護リレー
今日
三菱電機株式会社
貯湯式給湯機
2日前
三菱電機株式会社
ねじ締め装置
5日前
三菱電機株式会社
照明システム
20日前
三菱電機株式会社
調理システム
1日前
三菱電機株式会社
貯湯式給湯機
1日前
三菱電機株式会社
炊飯システム
1日前
三菱電機株式会社
空調システム
5日前
三菱電機株式会社
樹脂成形用金型
5日前
三菱電機株式会社
電動機制御装置
26日前
三菱電機株式会社
誘導加熱調理器
14日前
三菱電機株式会社
ヒートポンプ装置
8日前
三菱電機株式会社
道路情報補正装置
7日前
三菱電機株式会社
レンズモジュール
12日前
三菱電機株式会社
電流切替型DAC
20日前
三菱電機株式会社
照明制御システム
27日前
三菱電機株式会社
全館空調システム
12日前
三菱電機株式会社
電池パック及び電池
7日前
三菱電機株式会社
保護継電器及び配電盤
14日前
三菱電機株式会社
人流情報取得システム
1日前
三菱電機株式会社
高周波増幅器モジュール
2日前
三菱電機株式会社
点灯装置および照明器具
12日前
三菱電機株式会社
測位システムおよび固定局
13日前
三菱電機株式会社
車両空調機用診断システム
15日前
三菱電機株式会社
プロペラファン、及び送風機
1日前
三菱電機株式会社
半導体ウェハの外観検査装置
13日前
続きを見る
他の特許を見る