TOP
|
特許
|
意匠
|
商標
特許ウォッチ
Twitter
他の特許を見る
公開番号
2025174041
公報種別
公開特許公報(A)
公開日
2025-11-28
出願番号
2024080032
出願日
2024-05-16
発明の名称
伝送速度選択システム
出願人
三菱電機株式会社
代理人
個人
,
個人
主分類
H04W
72/0457 20230101AFI20251120BHJP(電気通信技術)
要約
【課題】回線品質を都度推定することなく最適な伝送速度を選択可能であり、かつ、既存の通信回線の利用効率を向上させることで保守コストの増加を抑えることが可能な伝送速度選択システムを提供することを目的とする。
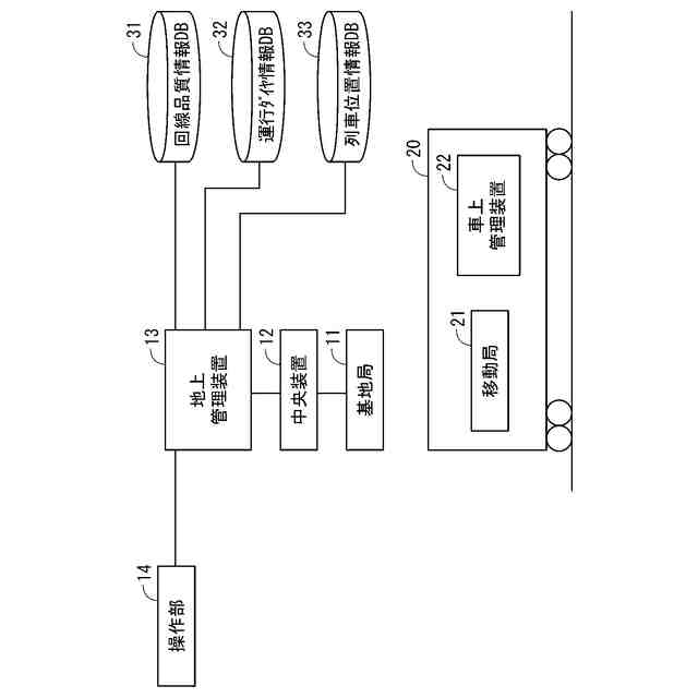
【解決手段】伝送速度選択システムは、基地局11と、移動範囲が固定化された移動局21と、基地局11と移動局21との間で通信回線を介してデータを伝送するための複数の伝送速度のうちから最適な伝送速度を選択する地上管理装置13とを備える。地上管理装置13は、移動範囲内の各地点における通信回線の回線品質を基に各地点に適用可能な伝送速度が定められた回線品質情報と、移動局21の移動計画を示す運行ダイヤ情報と、移動局21の現在位置を示す列車位置情報とを取得し、回線品質情報、運行ダイヤ情報、および列車位置情報に基づいて最も速くデータを伝送できる地点と伝送速度とを選択する。
【選択図】図1
特許請求の範囲
【請求項1】
地上に設置された基地局と、
移動範囲が固定化された移動局と、
前記基地局と前記移動局との間で通信回線を介してデータを伝送するための複数の伝送速度のうちから最適な伝送速度を選択する地上管理装置と、を備え、
前記地上管理装置は、前記移動範囲内の各地点における前記通信回線の回線品質を基に各前記地点に適用可能な伝送速度が定められた回線品質情報と、前記移動局の移動計画を示す移動計画情報と、前記移動局の現在位置を示す位置情報とを取得し、前記回線品質情報、前記移動計画情報、および前記位置情報に基づいて最も速く前記データを伝送できる地点と伝送速度とを選択する、伝送速度選択システム。
続きを表示(約 340 文字)
【請求項2】
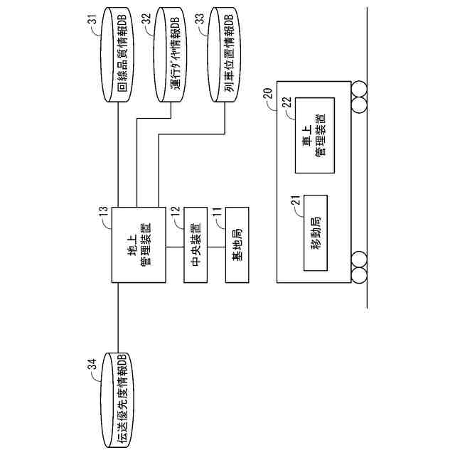
前記地上管理装置は、前記データの伝送優先度を定めた伝送優先度情報をさらに取得し、前記伝送優先度情報、前記回線品質情報、前記移動計画情報、および前記位置情報に基づいて前記伝送優先度の高いデータについて最も速く前記データを伝送できる前記地点と前記伝送速度とを選択する、請求項1に記載の伝送速度選択システム。
【請求項3】
前記データの伝送優先度をユーザ操作により入力可能な操作部をさらに備え、
前記地上管理装置は、前記伝送優先度、前記回線品質情報、前記移動計画情報、および前記位置情報に基づいて前記伝送優先度の高いデータについて最も速く前記データを伝送できる前記地点と前記伝送速度とを選択する、請求項1に記載の伝送速度選択システム。
発明の詳細な説明
【技術分野】
【0001】
本開示は、伝送速度選択システムに関するものである。
続きを表示(約 1,600 文字)
【背景技術】
【0002】
無線通信では、伝搬路の回線品質によってビット誤りの起こりやすさが変動する。無線伝送路である通信回線の回線品質は周辺の構造物、および送受信装置間の位置関係などの変化の影響を受ける。一般に、伝送速度とビット誤りの起こりやすさはトレードオフの関係にあり、速い伝送速度ではビット誤りが起こりやすく、遅い伝送速度ではビット誤りは起きにくい。通信回線の回線品質が劣化した場合を考慮して、ビット誤りが一定範囲内に収まるように伝送速度を固定すると、回線品質が良い場合でも遅い伝送速度を適用することとなり、通信回線の利用効率が低下してしまう。
【0003】
そこで、近年の無線通信には、回線品質が良いときには速い伝送速度を適用し、回線品質が劣化したときには遅い伝送速度を適用する伝送速度選択システムが設けられる。例えば、特許文献1には、誤り検出信号に基づいて推定した回線品質に応じて複数の伝送速度を切り替える通信方式が開示されている。
【先行技術文献】
【特許文献】
【0004】
特開2002-199033号公報
【発明の概要】
【発明が解決しようとする課題】
【0005】
上述のような回線品質に応じて伝送速度を切り替える伝送速度選択システムにおいては、通信回線の回線品質が周辺の構造物、および送受信装置間の位置関係などにより変動するため、伝送速度を切り替えるための回線品質を都度推定する必要があった。
【0006】
また、5Gなどの高速大容量通信環境が整備される中にあって、列車無線システムにおいても通信量の増加が予想されている。従来の列車無線システムでは、アプリケーションごとに専用の回線を使用しているため、通信量の増加に伴う設備数、および保守コストの増加を抑えることが課題となっている。このため、新たな設備を増やさずに既存の通信回線の利用効率を向上させることが求められている。
【0007】
そこで、本開示は、回線品質を都度推定することなく最適な伝送速度を選択可能であり、かつ、既存の通信回線の利用効率を向上させることで保守コストの増加を抑えることが可能な伝送速度選択システムを提供することを目的とする。
【課題を解決するための手段】
【0008】
本開示に係る伝送速度選択システムは、地上に設置された基地局と、移動範囲が固定化された移動局と、前記基地局と前記移動局との間で通信回線を介してデータを伝送するための複数の伝送速度のうちから最適な伝送速度を選択する地上管理装置と、を備え、前記地上管理装置は、前記移動範囲内の各地点における前記通信回線の回線品質を基に各前記地点に適用可能な伝送速度が定められた回線品質情報と、前記移動局の移動計画を示す移動計画情報と、前記移動局の現在位置を示す位置情報とを取得し、前記回線品質情報、前記移動計画情報、および前記位置情報に基づいて最も速く前記データを伝送できる地点と伝送速度とを選択する。
【発明の効果】
【0009】
本開示によれば、回線品質を都度推定することなく最適な伝送速度を選択することができ、かつ、既存の通信回線の利用効率を向上させることで保守コストの増加を抑えることができる。
【図面の簡単な説明】
【0010】
実施の形態1に係る伝送速度選択システムを備える列車無線システムの構成図である。
実施の形態1に係る伝送速度選択システムを備える列車無線システムにおける伝送速度選択を説明するための構成図である。
実施の形態2に係る伝送速度選択システムを備える列車無線システムの構成図である。
実施の形態3に係る伝送速度選択システムを備える列車無線システムの構成図である。
【発明を実施するための形態】
(【0011】以降は省略されています)
この特許をJ-PlatPat(特許庁公式サイト)で参照する
関連特許
三菱電機株式会社
冷蔵庫
9日前
三菱電機株式会社
扇風機
1か月前
三菱電機株式会社
増幅器
1か月前
三菱電機株式会社
換気扇
1か月前
三菱電機株式会社
換気扇
1か月前
三菱電機株式会社
換気扇
2日前
三菱電機株式会社
換気扇
1か月前
三菱電機株式会社
冷蔵庫
1か月前
三菱電機株式会社
電子機器
1か月前
三菱電機株式会社
照明器具
3日前
三菱電機株式会社
収集装置
1か月前
三菱電機株式会社
電気機器
9日前
三菱電機株式会社
換気装置
1日前
三菱電機株式会社
照明装置
23日前
三菱電機株式会社
加熱調理器
17日前
三菱電機株式会社
空気調和機
1か月前
三菱電機株式会社
回路遮断器
17日前
三菱電機株式会社
保護リレー
1か月前
三菱電機株式会社
半導体装置
1か月前
三菱電機株式会社
半導体装置
9日前
三菱電機株式会社
電動送風機
1日前
三菱電機株式会社
半導体装置
1か月前
三菱電機株式会社
空調システム
25日前
三菱電機株式会社
光源デバイス
23日前
三菱電機株式会社
制御システム
23日前
三菱電機株式会社
貯湯式給湯機
23日前
三菱電機株式会社
空調システム
1か月前
三菱電機株式会社
点検管理装置
1か月前
三菱電機株式会社
調理システム
1か月前
三菱電機株式会社
貯湯式給湯機
1か月前
三菱電機株式会社
炊飯システム
1か月前
三菱電機株式会社
貯湯式給湯機
1か月前
三菱電機株式会社
空気清浄装置
17日前
三菱電機株式会社
ねじ締め装置
1か月前
三菱電機株式会社
照明システム
1か月前
三菱電機株式会社
貯湯式給湯機
2か月前
続きを見る
他の特許を見る