TOP
|
特許
|
意匠
|
商標
特許ウォッチ
Twitter
他の特許を見る
10個以上の画像は省略されています。
公開番号
2025178689
公報種別
公開特許公報(A)
公開日
2025-12-09
出願番号
2024085445
出願日
2024-05-27
発明の名称
半導体装置
出願人
三菱電機株式会社
代理人
個人
,
個人
主分類
H10D
30/66 20250101AFI20251202BHJP()
要約
【課題】本開示は、絶縁膜の信頼性向上とチップ反りの抑制との両立が可能な半導体装置を提供することを目的とする。
【解決手段】本開示による半導体装置は、エミッタ電極と、ゲート電極と、ドリフト層と、ソース層と、ベース層と、コレクタ電極と、半導体基板のトレンチの内部において、上段にゲート電極もしくはエミッタ電極に接続され、またはフローティング電位である上段電極、および下段にゲート電極もしくはエミッタ電極に接続され、またはフローティング電位である下段電極を有するダミーアクティブトレンチとを備え、ダミーアクティブトレンチは、上段電極の側面に形成された上段絶縁膜と、下段電極の側面に形成された下段絶縁膜と、上段電極および下段電極の間に形成された境界絶縁膜とを有し、上段絶縁膜の左右方向の膜厚は下段絶縁膜の左右方向の膜厚よりも厚く、断面視において上段電極の面積は下段電極の面積よりも小さい。
【選択図】図1
特許請求の範囲
【請求項1】
半導体基板と、
前記半導体基板の上に形成されたエミッタ電極と、
前記半導体基板の上に形成されたゲート電極と、
前記半導体基板の中に形成された第1導電型のドリフト層と、
前記半導体基板の上面側に形成された第1導電型のソース層と、
前記半導体基板の上面側に形成された第2導電型のベース層と、
前記半導体基板の下に形成されたコレクタ電極と、
前記半導体基板のトレンチの内部において、上段に前記ゲート電極もしくは前記エミッタ電極に接続され、またはフローティング電位である上段電極、および下段に前記ゲート電極もしくは前記エミッタ電極に接続され、またはフローティング電位である下段電極を有するダミーアクティブトレンチと、
を備え、
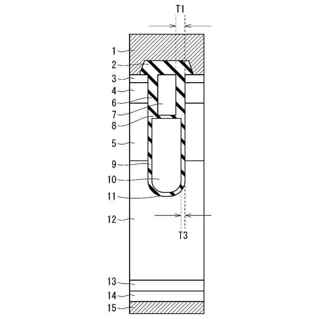
前記ダミーアクティブトレンチは、前記上段電極の側面に形成された上段絶縁膜と、前記下段電極の側面に形成された下段絶縁膜と、前記上段電極および前記下段電極の間に形成された境界絶縁膜とを有し、
前記上段絶縁膜の左右方向の膜厚は、前記下段絶縁膜の左右方向の膜厚よりも厚く、
断面視において、前記上段電極の面積は、前記下段電極の面積よりも小さい、半導体装置。
続きを表示(約 1,200 文字)
【請求項2】
半導体基板と、
前記半導体基板の上に形成されたエミッタ電極と、
前記半導体基板の上に形成されたゲート電極と、
前記半導体基板の中に形成された第1導電型のドリフト層と、
前記半導体基板の上面側に形成された第1導電型のソース層と、
前記半導体基板の上面側に形成された第2導電型のベース層と、
前記半導体基板の下に形成されたコレクタ電極と、
前記半導体基板のトレンチの内部において、上段に前記ゲート電極もしくは前記エミッタ電極に接続され、またはフローティング電位である上段電極、および下段に前記ゲート電極もしくは前記エミッタ電極に接続され、またはフローティング電位である下段電極を有するダミーアクティブトレンチと、
を備え、
前記ダミーアクティブトレンチは、前記上段電極の側面に形成された上段絶縁膜と、前記下段電極の側面に形成された下段絶縁膜と、前記上段電極および前記下段電極の間に形成された境界絶縁膜とを有し、
前記境界絶縁膜の上下方向の膜厚は、前記下段絶縁膜の左右方向の膜厚よりも厚く、
断面視において、前記上段電極の面積は、前記下段電極の面積よりも小さい、半導体装置。
【請求項3】
前記上段絶縁膜の左右方向の膜厚、前記境界絶縁膜の上下方向の膜厚、および前記下段絶縁膜の左右方向の膜厚の関係は、前記境界絶縁膜の上下方向の膜厚>前記上段絶縁膜の左右方向の膜厚>前記下段絶縁膜の左右方向の膜厚である、請求項1または2に記載の半導体装置。
【請求項4】
前記境界絶縁膜は、前記ダミーアクティブトレンチの上下方向の中心よりも上側に位置する、請求項1または2に記載の半導体装置。
【請求項5】
前記半導体基板の上面から前記下段電極の上端までの長さは、前記ベース層の上下方向の長さよりも長い、請求項1または2に記載の半導体装置。
【請求項6】
前記ベース層と前記ドリフト層との間に第1導電型のキャリア蓄積層をさらに備える、請求項1または2に記載の半導体装置。
【請求項7】
前記境界絶縁膜は、前記キャリア蓄積層の下端よりも上側に位置する、請求項6に記載の半導体装置。
【請求項8】
前記境界絶縁膜は、前記キャリア蓄積層の中心よりも上側に位置する、請求項6に記載の半導体装置。
【請求項9】
前記境界絶縁膜は、前記キャリア蓄積層の不純物濃度のピーク位置よりも上側に位置する、請求項6に記載の半導体装置。
【請求項10】
前記下段電極の上下方向の長さは、前記上段電極の上下方向の長さよりも長い、請求項1または2に記載の半導体装置。
(【請求項11】以降は省略されています)
発明の詳細な説明
【技術分野】
【0001】
本開示は、ゲート信号によって導通が制御される半導体装置に関する。
続きを表示(約 2,300 文字)
【背景技術】
【0002】
IGBT(Insulated Gate Bipolar Transistor)では、ノイズとの相関関係があるリカバリーdv/dtの低減と、ターンオン損失の低減との両立が求められており、その実現にはゲート容量比であるCgc/Cgeの増加が有効である。ここで、Cgcはゲート電極-コレクタ電極間容量であり、Cgeはゲート電極-エミッタ電極間容量である。
【0003】
従来、2段ダミーアクティブトレンチの構造を備えることによってCgc/Cgeの増加を図る半導体装置が開示されている(例えば、特許文献1参照)。
【先行技術文献】
【特許文献】
【0004】
特開2022-78755号公報
【発明の概要】
【発明が解決しようとする課題】
【0005】
特許文献1では、2段ダミーアクティブトレンチにおける上段ダミー部と下段アクティブ部との間で電位差が生じて、上段ダミー部と下段アクティブ部との間に形成された境界絶縁膜が破壊されることがあり、絶縁膜の信頼性に課題がある。絶縁膜の信頼性を向上させるために、下段アクティブ部の側面に形成された下段絶縁膜の膜厚を厚くすることが考えられる。しかし、下段絶縁膜の膜厚を厚くすると、セル部に加わる応力が増加してチップ反りが大きくなる。従って、絶縁膜の信頼性向上とチップ反りの抑制との両立が課題となる。
【0006】
本開示は、このような問題を解決するためになされたものであり、絶縁膜の信頼性向上とチップ反りの抑制との両立が可能な半導体装置を提供することを目的とする。
【課題を解決するための手段】
【0007】
上記の課題を解決するために、本開示による半導体装置は、半導体基板と、半導体基板の上に形成されたエミッタ電極と、半導体基板の上に形成されたゲート電極と、半導体基板の中に形成された第1導電型のドリフト層と、半導体基板の上面側に形成された第1導電型のソース層と、半導体基板の上面側に形成された第2導電型のベース層と、半導体基板の下に形成されたコレクタ電極と、半導体基板のトレンチの内部において、上段にゲート電極もしくはエミッタ電極に接続され、またはフローティング電位である上段電極、および下段にゲート電極もしくはエミッタ電極に接続され、またはフローティング電位である下段電極を有するダミーアクティブトレンチとを備え、ダミーアクティブトレンチは、上段電極の側面に形成された上段絶縁膜と、下段電極の側面に形成された下段絶縁膜と、上段電極および下段電極の間に形成された境界絶縁膜とを有し、上段絶縁膜の左右方向の膜厚は、下段絶縁膜の左右方向の膜厚よりも厚く、断面視において、上段電極の面積は、下段電極の面積よりも小さい。
【発明の効果】
【0008】
本開示によれば、絶縁膜の信頼性向上とチップ反りの抑制との両立が可能となる。
【図面の簡単な説明】
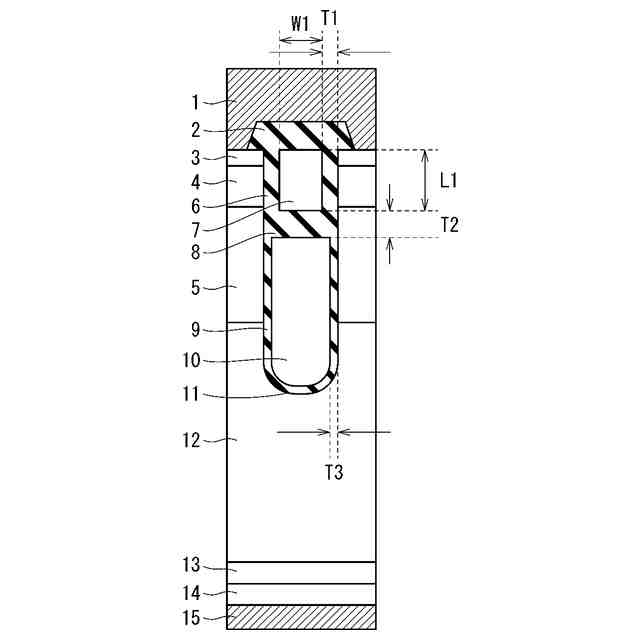
【0009】
実施の形態1に係る半導体装置の断面図である。
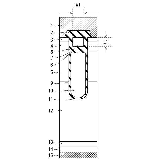
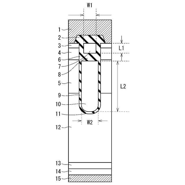
実施の形態1の変形例1に係る半導体装置の断面図である。
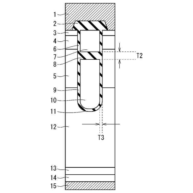
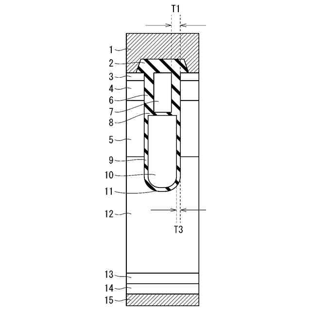
実施の形態1の変形例2に係る半導体装置の断面図である。
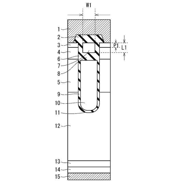
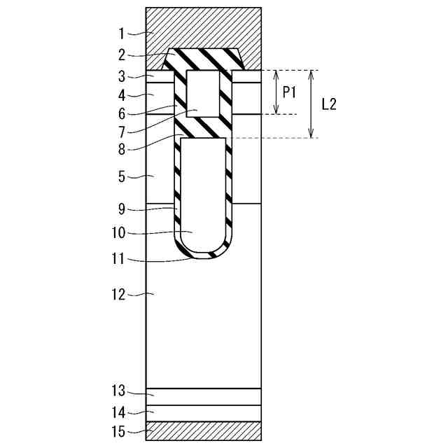
実施の形態1の変形例4に係る半導体装置の断面図である。
実施の形態1の変形例7に係る半導体装置の断面図である。
実施の形態1の変形例8に係る半導体装置の断面図である。
実施の形態1の変形例9に係る半導体装置の断面図である。
実施の形態1の変形例10に係る半導体装置の断面図である。
実施の形態1の変形例12に係る半導体装置の断面図である。
実施の形態1の変形例13に係る半導体装置の断面図である。
実施の形態1の変形例14に係る半導体装置の断面図である。
実施の形態1の変形例14に係る半導体装置の平面図である。
実施の形態1の変形例15に係る半導体装置の断面図である。
実施の形態1の変形例16に係る半導体装置の断面図である。
実施の形態1の変形例17に係る半導体装置の断面図である。
実施の形態2に係る半導体装置の断面図である。
実施の形態2の変形例1に係る半導体装置の断面図である。
実施の形態2の変形例2に係る半導体装置の断面図である。
実施の形態2の変形例3に係る半導体装置の断面図である。
実施の形態2の変形例4に係る半導体装置の断面図である。
実施の形態2の変形例5に係る半導体装置の断面図である。
実施の形態2の変形例6に係る半導体装置の平面図である。
実施の形態2の変形例6に係る半導体装置のY1-Y2断面図である。
実施の形態2の変形例7に係る半導体装置の平面図である。
実施の形態2の変形例7に係る半導体装置のY3-Y4断面図である。
実施の形態2の変形例8に係る半導体装置の断面図である。
実施の形態2の変形例9に係る他の例の半導体装置の断面図である。
【発明を実施するための形態】
【0010】
以下では、実施の形態に係る半導体装置について図面を参照して説明する。なお、同じまたは対応する構成要素には同じ符号を付し、説明の繰り返しを省略する場合がある。以下の説明において、nおよびpは半導体の導電型を示し、本開示においては、第1導電型をn型とし、第2導電型をp型として説明する。これらの導電型は逆転させてもよい。
(【0011】以降は省略されています)
この特許をJ-PlatPat(特許庁公式サイト)で参照する
関連特許
個人
積和演算用集積回路
1か月前
サンケン電気株式会社
半導体装置
1か月前
旭化成株式会社
発光素子
1か月前
日機装株式会社
半導体発光装置
27日前
ローム株式会社
抵抗チップ
1か月前
ローム株式会社
半導体装置
11日前
株式会社東芝
半導体装置
19日前
三菱電機株式会社
半導体装置
19日前
株式会社半導体エネルギー研究所
表示装置
11日前
富士電機株式会社
半導体装置
1か月前
三菱電機株式会社
半導体装置
1か月前
三菱電機株式会社
半導体装置
6日前
三菱電機株式会社
半導体装置
今日
ローム株式会社
半導体集積回路
1か月前
日亜化学工業株式会社
発光装置
1か月前
サンケン電気株式会社
半導体装置
19日前
ローム株式会社
半導体装置
1か月前
ローム株式会社
窒化物半導体装置
1か月前
ローム株式会社
半導体装置
4日前
株式会社半導体エネルギー研究所
発光デバイス
1か月前
ローム株式会社
半導体装置
1か月前
株式会社半導体エネルギー研究所
発光デバイス
27日前
ローム株式会社
半導体装置
1か月前
大日本印刷株式会社
太陽電池
1か月前
日亜化学工業株式会社
発光素子
1か月前
新電元工業株式会社
半導体素子
4日前
新電元工業株式会社
半導体素子
4日前
新電元工業株式会社
半導体素子
4日前
今泉工業株式会社
光発電装置及びその製造方法
1か月前
日亜化学工業株式会社
発光装置
1か月前
日本ゼオン株式会社
構造体
1か月前
日亜化学工業株式会社
発光装置
1か月前
ローム株式会社
半導体装置
19日前
日亜化学工業株式会社
発光装置
4日前
日亜化学工業株式会社
発光素子
1か月前
ローム株式会社
光センサ
1か月前
続きを見る
他の特許を見る