TOP
|
特許
|
意匠
|
商標
特許ウォッチ
Twitter
他の特許を見る
公開番号
2025147247
公報種別
公開特許公報(A)
公開日
2025-10-07
出願番号
2024047425
出願日
2024-03-25
発明の名称
充電装置
出願人
西部電機株式会社
代理人
個人
主分類
H02J
7/34 20060101AFI20250930BHJP(電力の発電,変換,配電)
要約
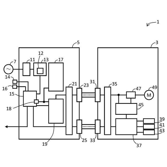
【課題】 動力電源がバルブ駆動装置に対して電力を供給することを支援することに適した充電装置を提供する。
【解決手段】 充電装置5は、動力電源7が供給する電力をバルブ駆動装置3に供給する。動力電源7が供給する電力は、スイッチング電源装置12、充電診断装置15及びインバータ19を経由してバルブ駆動装置3に供給される。蓄電池17は、充電診断装置15から供給される電力量とバルブ駆動装置3の動作電力量との違いに応じて充放電する。充電診断装置15は、スイッチング電源装置12から供給される電力を監視して、スイッチング電源装置12から供給される電力量が第1基準値未満であることを検出したならば、バルブ駆動装置3に対して制御信号を与える。
【選択図】 図1
特許請求の範囲
【請求項1】
動力電源が供給する電力をバルブ駆動装置に供給する充電装置であって、
充電診断装置と、交流/直流変換装置と、蓄電池と、インバータを備え、
前記交流/直流変換装置は、スイッチング電源装置を備え、
前記充電診断装置は、出力部を備え、
前記出力部は、前記蓄電池と電気的に接続するとともに前記インバータとも電気的に接続し、
前記インバータに供給された電力は、前記バルブ駆動装置に供給され、
前記スイッチング電源装置は、前記動力電源が供給する電力を変換して前記充電診断装置に供給し、
前記充電診断装置は、前記スイッチング電源装置が供給する電力を前記出力部に供給し、
前記蓄電池は、
前記出力部から供給される電力量と前記バルブ駆動装置の動作電力量が同じであれば電力の充電も供給もせず、
前記出力部から供給される電力量が前記バルブ駆動装置の動作電力量よりも多いならば、前記出力部から供給される電力を充電し、
前記出力部から供給される電力量が前記バルブ駆動装置の動作電力量よりも少ないならば、前記インバータに電力を供給し、
前記充電診断装置は、前記スイッチング電源装置から供給される電力を監視して、前記スイッチング電源装置から供給される電力量が第1基準値未満であることを検出したならば、前記バルブ駆動装置に対して制御信号を与える、充電装置。
続きを表示(約 180 文字)
【請求項2】
前記充電診断装置は、基準時刻以降に前記出力部から供給される電力量が第2基準値未満であることを基準時間継続して検出することにより前記インバータを停止し、
前記充電診断装置は、第2操作装置が操作されたことを検出すると、前記インバータを動作させて、前記インバータを経由して前記バルブ駆動装置に対して電力を供給する、請求項1記載の充電装置。
発明の詳細な説明
【技術分野】
【0001】
本発明は、充電装置に関し、特に、動力電源が供給する電力をバルブ駆動装置に供給する充電装置に関する。
続きを表示(約 1,800 文字)
【背景技術】
【0002】
特許文献1にあるように、出願人は、バルブ駆動装置を提案している。
【先行技術文献】
【特許文献】
【0003】
特開平08-114275号公報
【発明の概要】
【発明が解決しようとする課題】
【0004】
動力電源の停電対策のために、充電装置を無停電電源装置として使用することが考えられる。この場合、バルブ駆動装置にとって、充電装置は動力電源の側に位置する。
【0005】
しかしながら、バルブ駆動装置では、負荷がかかる時間は、負荷がかからない時間に比較して極めて短い。動力電源がバルブ駆動装置に対して供給する電力量は、短時間で増減することになる。充電装置は、バルブ駆動装置への電力供給を補助するための処理も行うことが望ましい。
【0006】
よって、本発明は、動力電源がバルブ駆動装置に対して電力を供給することを支援することに適した充電装置を提供することを目的とする。
【課題を解決するための手段】
【0007】
本願発明の第1の側面は、動力電源が供給する電力をバルブ駆動装置に供給する充電装置であって、充電診断装置と、交流/直流変換装置と、蓄電池と、インバータを備え、前記交流/直流変換装置は、スイッチング電源装置を備え、前記充電診断装置は、出力部を備え、前記出力部は、前記蓄電池と電気的に接続するとともに前記インバータとも電気的に接続し、前記インバータに供給された電力は、前記バルブ駆動装置に供給され、前記スイッチング電源装置は、前記動力電源が供給する電力を変換して前記充電診断装置に供給し、前記充電診断装置は、前記スイッチング電源装置が供給する電力を前記出力部に供給し、前記蓄電池は、前記出力部から供給される電力量と前記バルブ駆動装置の動作電力量が同じであれば電力の充電も供給もせず、前記出力部から供給される電力量が前記バルブ駆動装置の動作電力量よりも多いならば、前記出力部から供給される電力を充電し、前記出力部から供給される電力量が前記バルブ駆動装置の動作電力量よりも少ないならば、前記インバータに電力を供給し、前記充電診断装置は、前記スイッチング電源装置から供給される電力を監視して、前記スイッチング電源装置から供給される電力量が第1基準値未満であることを検出したならば、前記バルブ駆動装置に対して制御信号を与える。
【0008】
本願発明の第2の側面は、第1の側面の充電装置であって、前記充電診断装置は、基準時刻後に前記出力部から供給される電力量が第2基準値未満であることを基準時間継続して検出することにより前記インバータを停止し、前記充電診断装置は、第2操作装置が操作されたことを検出すると、前記インバータを動作させて、前記インバータを経由して前記バルブ駆動装置に対して電力を供給する。
【発明の効果】
【0009】
バルブ駆動装置では、負荷がかかると、動作に必要になる電力量が急増する。本願発明の各側面によれば、バルブ駆動装置に対して充電装置を追加して、蓄電池が充電診断装置から供給される電力とインバータに供給される電力の違いに応じて充放電することにより、無停電電源装置と同様に動作させることができるとともに、バルブ駆動装置に負荷がかかる時間などにおいて蓄電池からもバルブ駆動装置に電力を供給することによりバルブ駆動装置に対する電力供給を支援することもできる。充電診断装置がスイッチング電源装置から供給される電力量が第1基準値未満であることを検出した場合にバルブ駆動装置に対して与える制御信号は、例えば、動作を停止すること、バルブを閉じた状態にすること、バルブを開いた状態にすること、バルブを一定の割合で閉じた状態(開と閉の間の予め定められた位置にする状態)にすることのいずれかである。
【図面の簡単な説明】
【0010】
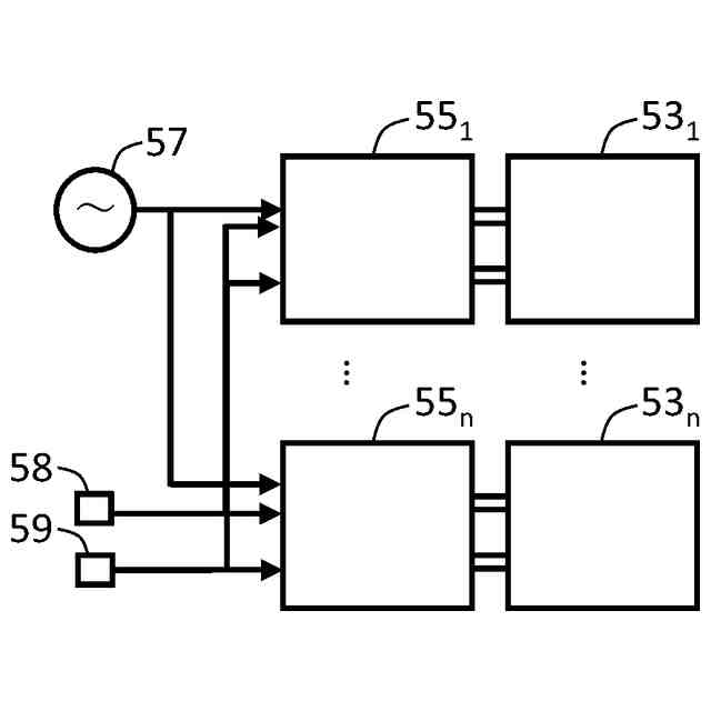
本願発明の実施の形態に係る充電システム1の構成の一例を示すブロック図である。
複数のバルブ駆動装置53
1
,…,53
n
が存在する場合の充電システムの構成の一例を示すブロック図である。
【発明を実施するための形態】
(【0011】以降は省略されています)
この特許をJ-PlatPat(特許庁公式サイト)で参照する
関連特許
西部電機株式会社
充電装置
今日
西部電機株式会社
充電装置
今日
西部電機株式会社
段積み装置
4日前
西部電機株式会社
ワイヤ放電加工機及び断線状態判断方法
3か月前
西部電機株式会社
補充単位調整システム及び補充単位調整方法
18日前
西部電機株式会社
過負荷検出装置及びそれを備える弁駆動設備
1か月前
西部電機株式会社
作業棚管理システム、作業棚管理方法及びパレット作業棚
12日前
個人
電源装置
19日前
個人
バッテリ内蔵直流電源
18日前
株式会社FUJI
制御盤
8日前
オムロン株式会社
電源回路
12日前
オムロン株式会社
電源回路
12日前
オムロン株式会社
電源回路
12日前
西部電機株式会社
充電装置
今日
西部電機株式会社
充電装置
今日
日本精機株式会社
サージ保護回路
今日
トヨタ自動車株式会社
回転子
4日前
トヨタ自動車株式会社
回転子
19日前
ニデック株式会社
モータの制御方法
26日前
大豊工業株式会社
モータ
18日前
東京応化工業株式会社
発電装置
12日前
個人
連続ガウス加速器形磁力増幅装置
今日
ミサワホーム株式会社
居住設備
8日前
株式会社リコー
拡張アンテナ装置
11日前
日産自動車株式会社
ステータ
5日前
富士電子工業株式会社
電力変換装置
20日前
ニチコン株式会社
AC入力検出回路
4日前
ユタカ電業株式会社
ケーブルダクト
8日前
トヨタ自動車株式会社
ロータ
6日前
株式会社ミツバ
巻線装置
11日前
株式会社正興電機製作所
地絡確認装置
11日前
株式会社ダイヘン
電力管理装置
27日前
株式会社ダイヘン
電力変換装置
今日
株式会社大林組
可搬式充電設備
5日前
株式会社ダイヘン
電力システム
今日
株式会社デンソー
電力変換装置
4日前
続きを見る
他の特許を見る