TOP
|
特許
|
意匠
|
商標
特許ウォッチ
Twitter
他の特許を見る
公開番号
2025147807
公報種別
公開特許公報(A)
公開日
2025-10-07
出願番号
2024048239
出願日
2024-03-25
発明の名称
電力変換装置
出願人
株式会社ダイヘン
代理人
個人
,
個人
主分類
H02M
3/155 20060101AFI20250930BHJP(電力の発電,変換,配電)
要約
【課題】スイッチング素子の短絡故障から、他の部品を保護することが可能な電力変換装置を提供する。
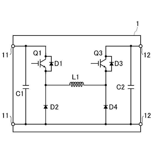
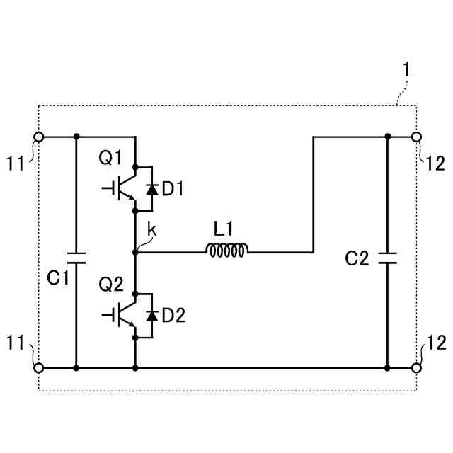
【解決手段】電力変換装置A1は、第1端子対としての端子対T1と、第2端子対としての端子対T2と、スイッチング素子Q1を含み、端子対T1から入力される入力電圧をスイッチング素子Q1によって変換して、端子対T2に出力電圧を出力する電圧変換回路1と、端子対T1から端子対T2に流れる電流を遮断可能な遮断器2と、スイッチング素子Q1のオン状態とオフ状態とを切り替えるスイッチング制御部41、および遮断器2の開路と閉路とを切り替える遮断制御部43を含む制御回路4と、を備える。制御回路4は、スイッチング素子Q1の短絡の発生を検出する短絡検出部42を含む。遮断制御部43は、短絡検出部42がスイッチング素子Q1の短絡を検出した場合に、遮断器2を開路にする。
【選択図】図1
特許請求の範囲
【請求項1】
第1端子対と、
第2端子対と、
スイッチング素子を含み、前記第1端子対から入力される入力電圧を前記スイッチング素子によって変換して、前記第2端子対に出力電圧を出力する電圧変換回路と、
前記第1端子対から前記第2端子対に流れる電流を遮断可能な遮断器と、
前記スイッチング素子のオン状態とオフ状態とを切り替えるスイッチング制御部、および前記遮断器の開路と閉路とを切り替える遮断制御部を含む制御回路と、
を備え、
前記制御回路は、前記スイッチング素子の短絡の発生を検出する短絡検出部を含み、
前記遮断制御部は、前記短絡検出部が前記スイッチング素子の短絡を検出した場合に、前記遮断器を開路にする、電力変換装置。
続きを表示(約 330 文字)
【請求項2】
前記電流を検出する電流センサをさらに備え、
前記短絡検出部は、前記スイッチング素子の前記オン状態と前記オフ状態との切り替えが停止している時に、前記電流センサの検出値が閾値以上である場合に、前記スイッチング素子の短絡が発生したと判断する、請求項1に記載の電力変換装置。
【請求項3】
前記電流センサは、前記電圧変換回路から前記第2端子対に出力される出力電流を検出しており、
前記遮断器は、前記第1端子対と前記電圧変換回路との間に接続される、請求項2に記載の電力変換装置。
【請求項4】
前記電圧変換回路は、前記入力電圧を前記出力電圧に降圧する、請求項1ないし請求項3のいずれかに記載の電力変換装置。
発明の詳細な説明
【技術分野】
【0001】
本開示は、電力変換装置に関する。
続きを表示(約 1,800 文字)
【背景技術】
【0002】
従来、入力と出力との電気的な変換を行う電力変換装置として、DCDCコンバータが知られている。例えば、特許文献1には、DCDCコンバータを用いた電力システム(太陽光発電装置)の一例が開示されている。特許文献1に記載の太陽光発電装置は、太陽電池と、蓄電池と、第1のDCDCコンバータと、制御部とを備える。第1のDCDCコンバータは、太陽電池と蓄電池との間に直列に設けられている。第1のDCDCコンバータは、太陽電池の出力電圧を昇降圧する。第1のDCDCコンバータは、昇降圧型ではなく、降圧型または昇圧型でもよい。蓄電池は、太陽電池で発電した電力を貯蔵(蓄電)し、必要に応じた放電することで、電力消費部に電力を供給する。
【先行技術文献】
【特許文献】
【0003】
特開2015-82198号公報
【発明の概要】
【発明が解決しようとする課題】
【0004】
DCDCコンバータには、例えばチョッパ回路がある。チョッパ回路(スイッチングレギュレータ)は、スイッチング素子を含み、当該スイッチング素子は、制御部からの駆動信号に応じてオン状態(導通状態)とオフ状態(遮断状態)とが切り替わる。チョッパ回路は、このスイッチング素子のオン状態とオフ状態との切り替わりにより入力電圧を出力電圧に昇圧または降圧する。スイッチング素子の故障には、短絡故障がある。短絡故障では、制御部からの駆動信号がスイッチング素子を遮断状態にするものであっても、スイッチング素子には電流が流れ続ける。このような短絡故障が発生している状態では、入力電圧と出力電圧との変換を適正に行えなくなる。よって、特許文献1に記載の太陽光発電装置において、DCDCコンバータにチョッパ回路を採用した場合、スイッチング素子に短絡が発生していると、制御部がDCDCコンバータの電圧変換を適正に制御できず、蓄電池が過充電状態となりうる。つまり、蓄電池の故障の原因となりうる。
【0005】
本開示は、上記事情に鑑みて考え出されたものであり、その目的は、スイッチング素子の短絡故障から、他の部品を保護することが可能な電力変換装置を提供することにある。
【課題を解決するための手段】
【0006】
本開示によって提供される電力変換装置は、第1端子対と、第2端子対と、スイッチング素子を含み、前記第1端子対から入力される入力電圧を前記スイッチング素子によって変換して、前記第2端子対に出力電圧を出力する電圧変換回路と、前記第1端子対から前記第2端子対に流れる電流を遮断可能な遮断器と、前記スイッチング素子のオン状態とオフ状態とを切り替えるスイッチング制御部、および前記遮断器の開路と閉路とを切り替える遮断制御部を含む制御回路と、を備え、前記制御回路は、前記スイッチング素子の短絡の発生を検出する短絡検出部を含み、前記遮断制御部は、前記短絡検出部が前記スイッチング素子の短絡を検出した場合に、前記遮断器を開路にする。
【0007】
前記電力変換装置の好ましい実施の形態において、前記電流を検出する電流センサをさらに備え、前記短絡検出部は、前記スイッチング素子の前記オン状態と前記オフ状態との切り替えが停止している時に、前記電流センサの検出値が閾値以上である場合に、前記スイッチング素子の短絡が発生したと判断する。
【0008】
前記電力変換装置の好ましい実施の形態において、前記電流センサは、前記電圧変換回路から前記第2端子対に出力される出力電流を検出しており、前記遮断器は、前記第1端子対と前記電圧変換回路との間に接続される。
【0009】
前記電力変換装置の好ましい実施の形態において、前記電圧変換回路は、前記入力電圧を前記出力電圧に降圧する。
【発明の効果】
【0010】
本開示の電力変換装置では、スイッチング素子の短絡発生時において、遮断器が開路となって、第1端子対から第2端子対への電流が遮断される。したがって、本開示の電力変換装置は、スイッチング素子の短絡時において、第1端子対と第2端子対との間で、意図せぬ電力伝送が行われることを抑制できる。つまり、本開示の電力変換装置によれば、スイッチング素子の短絡故障から、他の部品を保護できる。
【図面の簡単な説明】
(【0011】以降は省略されています)
この特許をJ-PlatPat(特許庁公式サイト)で参照する
関連特許
株式会社ダイヘン
搬送装置
22日前
株式会社ダイヘン
充電装置
22日前
株式会社ダイヘン
制御装置
22日前
株式会社ダイヘン
充電装置
22日前
株式会社ダイヘン
充電装置
22日前
株式会社ダイヘン
充電装置
22日前
株式会社ダイヘン
回生ユニット
23日前
株式会社ダイヘン
溶接電源装置
22日前
株式会社ダイヘン
電力変換装置
25日前
株式会社ダイヘン
電力システム
25日前
株式会社ダイヘン
インバータ装置
17日前
株式会社ダイヘン
パルス電源装置
22日前
株式会社ダイヘン
インバータ装置
22日前
株式会社ダイヘン
変圧器組立装置
22日前
株式会社ダイヘン
パワーモジュール
22日前
株式会社ダイヘン
パワーモジュール
22日前
株式会社ダイヘン
パワーモジュール
22日前
株式会社ダイヘン
熱加工用電源装置
9日前
株式会社ダイヘン
熱加工用電源装置
3日前
株式会社ダイヘン
積層造形システム
2日前
株式会社ダイヘン
積層造形システム
2日前
株式会社ダイヘン
積層造形システム
2日前
株式会社ダイヘン
アーク溶接システム
22日前
株式会社ダイヘン
直流パルス電源装置
23日前
株式会社ダイヘン
制御装置及び研削システム
22日前
株式会社ダイヘン
サブマージアーク溶接システム
22日前
株式会社ダイヘン
サブマージアーク溶接システム
22日前
株式会社ダイヘン
通信システム、および、通信方法
23日前
株式会社ダイヘン
充電装置、および、電力システム
15日前
株式会社ダイヘン
変圧器組立方法及び変圧器組立装置
22日前
株式会社ダイヘン
溶接検査装置、形状計測装置および外観検査装置
23日前
株式会社ダイヘン
ティーチングチップおよびこれを装着した溶接ロボット
2日前
株式会社ダイヘン
搬送ロボットの教示システム、および搬送ロボットの教示方法
22日前
株式会社ダイヘン
搬送ロボットの教示システム、および搬送ロボットの教示方法
22日前
株式会社ダイヘン
搬送ロボットの教示システム、および搬送ロボットの教示方法
5日前
株式会社ダイヘン
タップ切換台
2日前
続きを見る
他の特許を見る