TOP
|
特許
|
意匠
|
商標
特許ウォッチ
Twitter
他の特許を見る
10個以上の画像は省略されています。
公開番号
2025169088
公報種別
公開特許公報(A)
公開日
2025-11-12
出願番号
2024074094
出願日
2024-04-30
発明の名称
モータドライバ回路
出願人
ローム株式会社
代理人
個人
,
個人
主分類
H02M
1/08 20060101AFI20251105BHJP(電力の発電,変換,配電)
要約
【課題】幅広い電源電圧に対応可能なモータドライバ回路を提供する。
【解決手段】定電圧回路220は、電源電圧V
CC
を受け、定電圧V
REG
を発生する。第1チャージポンプ回路230は、電源電圧V
CC
が定電圧V
REG
より高いときにイネーブル状態となり、イネーブル状態において、電源電圧V
CC
を基準として、定電圧V
REG
を加算した第1電圧V
CP1
を生成する。第2チャージポンプ回路240は、電源電圧V
CC
が定電圧V
REG
より低いときにイネーブル状態、電源電圧V
CC
が定電圧V
REG
より高いときにディセーブル状態となり、イネーブル状態において、定電圧V
REG
を基準として、定電圧V
REG
を加算した第2電圧V
CP2
を生成する。電流源250は、第1電圧V
CP1
および第2電圧V
CP2
を受け、ブートストラップ端子BSに電流を供給する。
【選択図】図1
特許請求の範囲
【請求項1】
三相ブラシレスモータを駆動するモータドライバ回路であって、
電源電圧を受ける電源端子と、
ブートストラップ端子と、
前記電源電圧を受け、定電圧を発生する定電圧回路と、
前記電源電圧が前記定電圧より高いときにイネーブル状態となり、前記イネーブル状態において、前記電源電圧を基準として、前記定電圧を加算した第1電圧を生成する第1チャージポンプ回路と、
前記電源電圧が前記定電圧より低いときにイネーブル状態、前記電源電圧が前記定電圧より高いときにディセーブル状態となり、前記イネーブル状態において、前記定電圧を基準として、前記定電圧を加算した第2電圧を生成する第2チャージポンプ回路と、
前記第1電圧および前記第2電圧を受け、前記ブートストラップ端子に電流を供給する電流源と、
を備える、モータドライバ回路。
続きを表示(約 1,500 文字)
【請求項2】
前記第1チャージポンプ回路は、前記電源電圧が前記定電圧より低いときにもイネーブル状態である、請求項1に記載のモータドライバ回路。
【請求項3】
前記第1チャージポンプ回路は、前記電源電圧が前記定電圧より低いときにディセーブル状態となる、請求項1に記載のモータドライバ回路。
【請求項4】
前記第2チャージポンプ回路は、その出力経路に設けられたダイオードを含む、請求項1から3のいずれかに記載のモータドライバ回路。
【請求項5】
前記定電圧回路は、
前記電源端子と接続された入力ノードと、出力ノードと、を有し、前記定電圧が第1目標電圧に近づくように、前記出力ノードに生ずる中間電圧を調節するリニアレギュレータと、
前記中間電圧を受ける第1入力ノードと、前記電源電圧を受ける第2入力ノードと、前記定電圧が発生する出力ノードと、を有するディクソン型のチャージポンプ回路と、
を備え、
前記チャージポンプ回路は、前記定電圧が前記第1目標電圧より低く定められたしきい値電圧より高いときディセーブル状態となり、ディセーブル状態において、前記第1入力ノードの電圧を前記出力ノードに出力し、前記定電圧が前記しきい値電圧より低いときにイネーブル状態となり、前記イネーブル状態において、前記定電圧を、前記第1目標電圧より低く定められた第2目標電圧に安定化する、請求項1から3のいずれかに記載のモータドライバ回路。
【請求項6】
前記チャージポンプ回路は、前記定電圧に応じた監視電圧を、前記第2目標電圧に応じた上側しきい値および下側しきい値と比較するヒステリシスを有する第1コンパレータを含み、
前記チャージポンプ回路は、前記イネーブル状態において、前記第1コンパレータの出力に応じて、動作期間と休止期間を繰り返す、請求項5に記載のモータドライバ回路。
【請求項7】
前記チャージポンプ回路は、
フライングキャパシタと、
前記イネーブル状態において、前記フライングキャパシタの第1端に、前記電源電圧と接地電圧を交互に印加するドライバ回路と、
前記第1入力ノードと前記フライングキャパシタの第2端の間に設けられた第1整流素子と、
前記フライングキャパシタの第2端と前記出力ノードの間に設けられた第2整流素子と、
を含む、請求項5に記載のモータドライバ回路。
【請求項8】
前記チャージポンプ回路は、前記チャージポンプ回路が前記イネーブル状態の期間中、前記フライングキャパシタの前記第1端がローである区間に、前記定電圧を前記フライングキャパシタの前記第2端の電圧と比較し、前記定電圧の方が低いときに、停止信号をアサートする第2コンパレータをさらに含み、
前記チャージポンプ回路は、前記停止信号がアサートされると、前記ディセーブル状態となる、請求項7に記載のモータドライバ回路。
【請求項9】
前記第1整流素子は、前記イネーブル状態においてスイッチングし、前記ディセーブル状態において、オン状態である第1同期整流トランジスタであり、
前記第2整流素子は、前記イネーブル状態において前記第1同期整流トランジスタと相補的にスイッチングし、前記ディセーブル状態において、オン状態である第2同期整流トランジスタである、請求項7に記載のモータドライバ回路。
【請求項10】
前記第1整流素子および前記第2整流素子は、ダイオードである、請求項7に記載のモータドライバ回路。
(【請求項11】以降は省略されています)
発明の詳細な説明
【技術分野】
【0001】
本開示は、モータドライバ回路に関する。
続きを表示(約 2,000 文字)
【背景技術】
【0002】
三相ブラシレスモータの駆動に、三相インバータ回路が利用される。三相インバータ回路は、三相のコイルに対応する3相のレグを有し、各レグは、ハイサイドトランジスタとローサイドトランジスタを含む。ハイサイドトランジスタをN型のトランジスタで構成する場合、ブートストラップ回路が利用される。
【0003】
ブートストラップ回路は、インバータ回路のスイッチング動作を利用している。そのため、インバータ回路においてスイッチングが発生しないデューティサイクル100%の出力を生成したい場合、ブートストラップ回路とは別に、昇圧回路が必要となる。
【先行技術文献】
【特許文献】
【0004】
特開2023-120946号公報
【0005】
[概要]
本開示は係る状況においてなされたものであり、そのある態様の例示的な目的のひとつは、幅広い電源電圧に対応可能なモータドライバ回路の提供にある。
【0006】
本開示のある態様のモータドライバ回路は、三相ブラシレスモータを駆動する。モータドライバ回路は、電源電圧を受ける電源端子と、ブートストラップ端子と、電源電圧を受け、定電圧を発生する定電圧回路と、電源電圧が定電圧より高いときにイネーブル状態となり、イネーブル状態において、電源電圧を基準として、定電圧を加算した第1電圧を生成する第1チャージポンプ回路と、電源電圧が定電圧より低いときにイネーブル状態、電源電圧が定電圧より高いときにディセーブル状態となり、イネーブル状態において、定電圧を基準として、定電圧を加算した第2電圧を生成する第2チャージポンプ回路と、第1電圧および第2電圧を受け、ブートストラップ端子に電流を供給する電流源と、を備える。
【0007】
なお、以上の構成要素を任意に組み合わせたもの、構成要素や表現を、方法、装置、システムなどの間で相互に置換したものもまた、本発明あるいは本開示の態様として有効である。さらに、この項目(課題を解決するための手段)の記載は、本発明の欠くべからざるすべての特徴を説明するものではなく、したがって、記載されるこれらの特徴のサブコンビネーションも、本発明たり得る。
【図面の簡単な説明】
【0008】
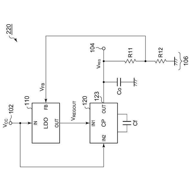
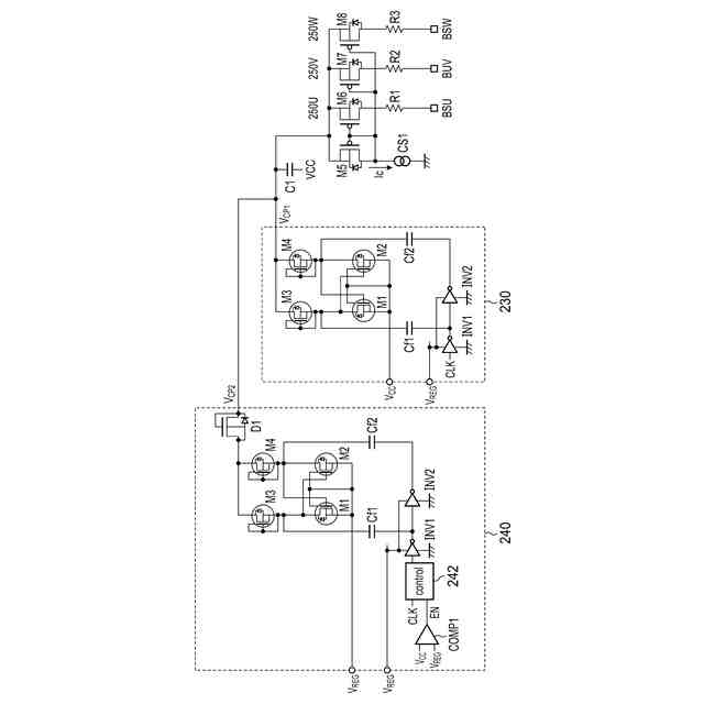
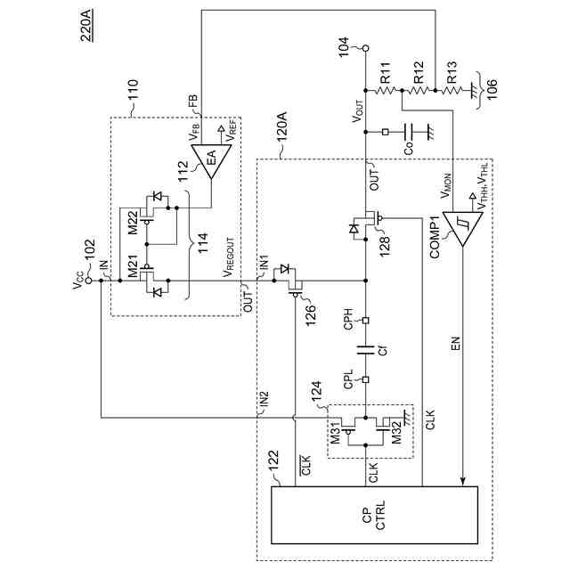
図1は、実施形態に係るモータ回路のブロック図である。
図2は、一実施例に係る第1チャージポンプ回路、第2チャージポンプ回路および電流源の回路図である。
図3は、定電圧回路の構成例の回路図である。
図4は、定電圧回路の入出力特性を示す図である。
図5は、モータドライバ回路の電圧特性を示す図である。
図6は、図3の定電圧回路の動作波形図である。
図7は、比較技術に係る定電圧回路の回路図である。
図8は、実施例1に係る定電圧回路の回路図である。
図9は、図8の定電圧回路の動作波形図である。
図10は、実施例2に係る定電圧回路の回路図である。
図11は、実施例3に係る定電圧回路の回路図である。
図12は、実施例4に係る定電圧回路の回路図である。
【0009】
[詳細な説明]
(実施形態の概要)
本開示のいくつかの例示的な実施形態の概要を説明する。この概要は、後述する詳細な説明の前置きとして、実施形態の基本的な理解を目的として、1つまたは複数の実施形態のいくつかの概念を簡略化して説明するものであり、発明あるいは開示の広さを限定するものではない。この概要は、考えられるすべての実施形態の包括的な概要ではなく、すべての実施形態の重要な要素を特定することも、一部またはすべての態様の範囲を線引きすることも意図していない。便宜上、「一実施形態」は、本明細書に開示するひとつの実施形態(実施例や変形例)または複数の実施形態(実施例や変形例)を指すものとして用いる場合がある。
【0010】
一実施形態に係るモータドライバ回路は、三相ブラシレスモータを駆動する。モータドライバ回路は、電源電圧を受ける電源端子と、ブートストラップ端子と、電源電圧を受け、定電圧を発生する定電圧回路と、電源電圧が定電圧より高いときにイネーブル状態となり、イネーブル状態において、電源電圧を基準として、定電圧を加算した第1電圧を生成する第1チャージポンプ回路と、電源電圧が定電圧より低いときにイネーブル状態、電源電圧が定電圧より高いときにディセーブル状態となり、イネーブル状態において、定電圧を基準として、定電圧を加算した第2電圧を生成する第2チャージポンプ回路と、第1電圧および第2電圧を受け、ブートストラップ端子に電流を供給する電流源と、を備える。
(【0011】以降は省略されています)
この特許をJ-PlatPat(特許庁公式サイト)で参照する
関連特許
ローム株式会社
半導体装置
4日前
ローム株式会社
半導体装置
4日前
ローム株式会社
半導体装置
4日前
ローム株式会社
定電圧生成回路
4日前
ローム株式会社
半導体集積回路
5日前
ローム株式会社
定電圧生成回路
4日前
ローム株式会社
半導体集積回路
4日前
ローム株式会社
比較回路、半導体装置
4日前
ローム株式会社
サーマルプリントヘッド
4日前
ローム株式会社
逐次比較型AD変換回路
12日前
ローム株式会社
監視回路及びレジスタ制御装置
4日前
ローム株式会社
昇圧型スイッチングレギュレータ
6日前
ローム株式会社
モータドライバ回路および駆動方法
5日前
ローム株式会社
電圧調整装置及び電荷蓄積システム
6日前
ローム株式会社
半導体装置および半導体装置の製造方法
5日前
ローム株式会社
半導体装置、および半導体装置の製造方法
4日前
ローム株式会社
サーマルプリントヘッド及びその製造方法
4日前
ローム株式会社
検出回路、信号伝達装置、電子機器、車両
4日前
ローム株式会社
コントローラ、ターゲット、及び通信システム
4日前
ローム株式会社
雨検出装置、雨検出システム、および、雨検出方法
6日前
ローム株式会社
窒化物半導体装置および窒化物半導体装置の製造方法
4日前
ローム株式会社
半導体装置
4日前
ローム株式会社
制御装置、力率改善回路、電子機器、およびオフセット設定方法
12日前
ローム株式会社
オーディオ回路、それを用いた電子機器および車載オーディオシステム
5日前
ローム株式会社
スイッチング装置、絶縁型DC/DCコンバータ及びAC/DCコンバータ
6日前
ローム株式会社
半導体装置および半導体モジュール
6日前
ローム株式会社
トランスデューサ、及びその駆動方法、並びにシステム
4日前
個人
高圧電気機器の開閉器
13日前
個人
電気を重力で発電装置
26日前
キヤノン電子株式会社
モータ
1か月前
キヤノン電子株式会社
モータ
25日前
コーセル株式会社
電源装置
1か月前
日星電気株式会社
ケーブル組立体
1か月前
トヨタ自動車株式会社
モータ
25日前
株式会社アイドゥス企画
減反モータ
13日前
株式会社デンソー
端子台
6日前
続きを見る
他の特許を見る