TOP
|
特許
|
意匠
|
商標
特許ウォッチ
Twitter
他の特許を見る
公開番号
2025165008
公報種別
公開特許公報(A)
公開日
2025-11-04
出願番号
2024068837
出願日
2024-04-22
発明の名称
溶接ワイヤ送給装置
出願人
株式会社ダイヘン
代理人
弁理士法人深見特許事務所
主分類
B23K
9/133 20060101AFI20251027BHJP(工作機械;他に分類されない金属加工)
要約
【課題】駆動ローラおよび加圧ローラの周辺の清掃、部品交換、その他のメンテナンス作業を容易にすることが可能な構成を備える溶接ワイヤ送給装置を提供する。
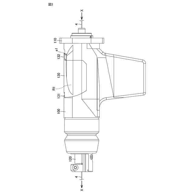
【解決手段】この溶接ワイヤ送給装置は、溶接ワイヤ4が挿通可能に設けられた本体部100と、溶接ワイヤ4に当接し、溶接ワイヤ4を被溶接箇所に送り出す溶接ワイヤ送給機構M1とを備え、本体部100は、溶接ワイヤ送給機構M1を収容する収容領域R1を含み、収容領域R1は、平坦な底面111を有し、溶接ワイヤ送給機構M1は、底面111に載置されている。
【選択図】図5
特許請求の範囲
【請求項1】
被溶接箇所に溶接ワイヤを送給する溶接ワイヤ送給装置であって、
前記溶接ワイヤが挿通可能に設けられた本体部と、
前記溶接ワイヤに当接し、前記溶接ワイヤを前記被溶接箇所に送り出す溶接ワイヤ送給機構と、を備え、
前記本体部は、前記溶接ワイヤ送給機構を収容する収容領域を含み、
前記収容領域は、平坦な底面を有し、
前記溶接ワイヤ送給機構は、前記底面に載置されている、
溶接ワイヤ送給装置。
続きを表示(約 630 文字)
【請求項2】
前記収容領域は、
前記溶接ワイヤが送給される方向において、前記底面に対して所定の間隔を隔てて配置され、前記溶接ワイヤが送給される方向の上流側に位置する第1壁および前記溶接ワイヤが送給される方向の下流側に位置する第2壁を含み、
前記溶接ワイヤが送給される方向に対して交差する方向において、前記底面は外部に開放している、
請求項1に記載の溶接ワイヤ送給装置。
【請求項3】
前記収容領域は、前記収容領域を覆う開閉カバーを含み、
前記開閉カバーは、前記第1壁の側に前記溶接ワイヤが送給される方向に対して交差する方向に延びる開閉中芯軸を有し、
前記開閉カバーは、前記開閉中芯軸を開閉中心として開閉可能である、
請求項2に記載の溶接ワイヤ送給装置。
【請求項4】
前記底面と前記第1壁との間には、前記溶接ワイヤが送給される方向に対して交差する方向に延びる傾斜壁が設けられ、
前記開閉カバーが前記収容領域を閉ざした状態において、前記開閉カバーには、前記傾斜壁に沿って位置する傾斜辺が設けられている、
請求項3に記載の溶接ワイヤ送給装置。
【請求項5】
前記溶接ワイヤ送給機構は、前記溶接ワイヤに当接する駆動ローラと、前記駆動ローラとともに、前記溶接ワイヤを挟み込む加圧ローラとを含む、
請求項1に記載の溶接ワイヤ送給装置。
発明の詳細な説明
【技術分野】
【0001】
本発明は、溶接ワイヤ送給装置に関する。
続きを表示(約 1,300 文字)
【背景技術】
【0002】
ロボットハンドを用いて溶接を行なう場合、溶接ワイヤを被溶接箇所に送給するため、先端側に溶接ノズルが装着された溶接ワイヤ送給装置が用いられる。
【0003】
このような溶接ワイヤ送給装置は、特開2023-093903号公報(特許文献1)、特開2023-093902号公報(特許文献2)、特開2023-093901号公報(特許文献3)等に開示されている。
【先行技術文献】
【特許文献】
【0004】
特開2023-093903号公報
特開2023-093902号公報
特開2023-093901号公報
【発明の概要】
【発明が解決しようとする課題】
【0005】
上述の溶接ワイヤ送給装置においては、溶接ワイヤを溶接ノズル側に送るために、溶接ワイヤを挟み込む駆動ローラおよび加圧ローラが設けられる。溶接ワイヤの送給時には、溶接ワイヤの表面が駆動ローラおよび加圧ローラの表面で削られ、溶接ワイヤ屑がローラおよび加圧ローラの周辺に蓄積する。蓄積した溶接ワイヤ屑は、定期的に排除/清掃する必要があるが、ローラおよび加圧ローラの周辺の構造が凹凸を含む複雑な形状となっているために、作業者の手や清掃工具が入り難い。
【0006】
他方、メンテナンスにより部品を交換する際にも、駆動ローラおよび加圧ローラの周辺の構造が複雑であると、交換用の工具の取扱いが困難となる。
【0007】
この開示は、上記課題を解決するためになされたものであり、駆動ローラおよび加圧ローラの周辺の清掃、部品交換、その他のメンテナンス作業を容易にすることが可能な構成を備える溶接ワイヤ送給装置を提供することを目的とする。
【課題を解決するための手段】
【0008】
[1]本開示の溶接ワイヤ送給装置においては、被溶接箇所に溶接ワイヤを送給する溶接ワイヤ送給装置であって、上記溶接ワイヤが挿通可能に設けられた本体部と、上記溶接ワイヤに当接し、上記溶接ワイヤを上記被溶接箇所に送り出す溶接ワイヤ送給機構と、を備え、上記本体部は、上記溶接ワイヤ送給機構を収容する収容領域を含み、上記収容領域は、平坦な底面を有し、上記溶接ワイヤ送給機構は、上記底面に載置されている。
【0009】
[2]:上記収容領域は、上記溶接ワイヤが送給される方向において、上記底面に対して所定の間隔を隔てて配置され、上記溶接ワイヤが送給される方向の上流側に位置する第1壁および上記溶接ワイヤが送給される方向の下流側に位置する第2壁を含み、上記溶接ワイヤが送給される方向に対して交差する方向において、上記底面は外部に開放している[1]に記載の溶接ワイヤ送給装置。
【0010】
[3]:上記収容領域は、上記収容領域を覆う開閉カバーを含み、上記開閉カバーは、上記第1壁の側に上記溶接ワイヤが送給される方向に対して交差する方向に延びる開閉中芯軸を有し、上記開閉カバーは、上記開閉中芯軸を開閉中心として開閉可能である、[2]に記載の溶接ワイヤ送給装置。
(【0011】以降は省略されています)
この特許をJ-PlatPat(特許庁公式サイト)で参照する
関連特許
株式会社ダイヘン
搬送装置
28日前
株式会社ダイヘン
制御装置
28日前
株式会社ダイヘン
充電装置
28日前
株式会社ダイヘン
充電装置
28日前
株式会社ダイヘン
充電装置
28日前
株式会社ダイヘン
充電装置
28日前
株式会社ダイヘン
溶接トーチ
3日前
株式会社ダイヘン
溶接電源装置
28日前
株式会社ダイヘン
電極交換装置
3日前
株式会社ダイヘン
回生ユニット
29日前
株式会社ダイヘン
研削システム
3日前
株式会社ダイヘン
パルス電源装置
28日前
株式会社ダイヘン
レーザ接合装置
3日前
株式会社ダイヘン
変圧器組立装置
28日前
株式会社ダイヘン
インバータ装置
28日前
株式会社ダイヘン
インバータ装置
23日前
株式会社ダイヘン
パワーモジュール
28日前
株式会社ダイヘン
パワーモジュール
28日前
株式会社ダイヘン
積層造形システム
8日前
株式会社ダイヘン
熱加工用電源装置
15日前
株式会社ダイヘン
熱加工用電源装置
9日前
株式会社ダイヘン
積層造形システム
8日前
株式会社ダイヘン
積層造形システム
8日前
株式会社ダイヘン
パワーモジュール
28日前
株式会社ダイヘン
アーク溶接システム
28日前
株式会社ダイヘン
直流パルス電源装置
29日前
株式会社ダイヘン
溶接ワイヤ送給機構
3日前
株式会社ダイヘン
溶接ワイヤ送給機構
3日前
株式会社ダイヘン
溶接ワイヤ送給装置
3日前
株式会社ダイヘン
制御装置及び研削システム
28日前
株式会社ダイヘン
サブマージアーク溶接システム
28日前
株式会社ダイヘン
サブマージアーク溶接システム
28日前
株式会社ダイヘン
充電装置、および、電力システム
21日前
株式会社ダイヘン
通信システム、および、通信方法
29日前
株式会社ダイヘン
変圧器組立方法及び変圧器組立装置
28日前
株式会社ダイヘン
溶接ワイヤ送給機構およびインレットガイド
3日前
続きを見る
他の特許を見る