TOP
|
特許
|
意匠
|
商標
特許ウォッチ
Twitter
他の特許を見る
10個以上の画像は省略されています。
公開番号
2025167175
公報種別
公開特許公報(A)
公開日
2025-11-07
出願番号
2024071551
出願日
2024-04-25
発明の名称
緩衝材
出願人
コニカミノルタ株式会社
代理人
IBC一番町弁理士法人
主分類
B65D
81/05 20060101AFI20251030BHJP(運搬;包装;貯蔵;薄板状または線条材料の取扱い)
要約
【課題】平面部と側面部の間の糊付け部に衝撃が加わったとしても、平面部および側面部における剥がれが生じることを抑制できる緩衝材を提供する。
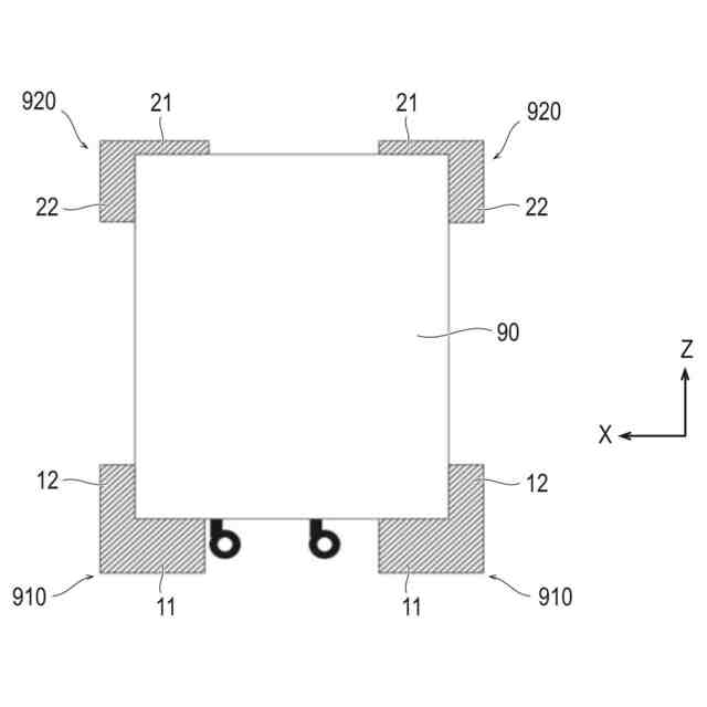
【解決手段】緩衝材10は、製品90の平面状に設けられる平面部11と、平面部の側面に設けられる側面部12と、平面部および側面部を離間した状態で連結する連結部13と、を有する。
【選択図】図5
特許請求の範囲
【請求項1】
製品の上面または下面に配置されて、前記製品を保護する緩衝材であって、
前記製品の平面状に設けられる平面部と、
前記平面部の側面に設けられる側面部と、
前記平面部および前記側面部を離間した状態で連結する連結部と、を有する緩衝材。
続きを表示(約 500 文字)
【請求項2】
前記連結部は、上面が開口するように設けられたコの字形状を備える、請求項1に記載の緩衝材。
【請求項3】
前記連結部は、前記平面部の面方向に沿って少なくとも2枚畳まれた重畳部を備える、請求項1に記載の緩衝材。
【請求項4】
前記連結部は、上下方向に立ち上がった台紙を備える、請求項1に記載の緩衝材。
【請求項5】
製品の上面または下面に配置されて、前記製品を保護する緩衝材であって、
前記製品の平面状に設けられる平面部と、
前記平面部の側面に設けられる側面部と、を有し、
前記平面部と前記側面部との境界の糊付け部は、前記製品のエッジ部が当接する当接部とずれた箇所に配置される、緩衝材。
【請求項6】
前記側面部に前記エッジ部が当接するように、前記平面部および前記側面部は糊付けされる、請求項5に記載の緩衝材。
【請求項7】
前記側面部は、空洞部を備えており、
前記空洞部に前記エッジ部が当接するように、前記平面部および前記側面部は糊付けされる、請求項5に記載の緩衝材。
発明の詳細な説明
【技術分野】
【0001】
本発明は、緩衝材に関する。
続きを表示(約 990 文字)
【背景技術】
【0002】
従来から、印刷機をはじめとして各種の製品が緩衝材によって保護された状態で梱包されている。輸送包装の緩衝材には様々な材料・種類が存在するが、環境対応等で段ボールクッションを用いられる場合がある(例えば、下記の特許文献1)。
【先行技術文献】
【特許文献】
【0003】
特開2003-137354号公報
【発明の概要】
【発明が解決しようとする課題】
【0004】
段ボールクッションは、一般的に、製品の上面または下面に平面状に設けられる平面部と、平面部の側面に設けられる側面部と、を有する。平面部および側面部は、糊付け部によって互いに固定されている。
【0005】
このような段ボールクッションでは、平面部と側面部の間の糊付け部に衝撃が加わることで、平面部および側面部の境界に剥がれが生じる可能性がある。仮に平面部および側面部の境界に剥がれが生じた場合、緩衝材が縮んだままの状態となり、製品と緩衝材の間に隙間が生じて、緩衝材が所定の位置からずれて緩衝材の機能を発揮しなくなる。
【0006】
本発明は上記の課題を解決するためになされたものであり、平面部と側面部の間の糊付け部に衝撃が加わったとしても、平面部および側面部の境界に剥がれが生じることを抑制できる緩衝材を提供することを目的とする。
【課題を解決するための手段】
【0007】
本発明の上記目的は、下記の手段によって達成される。
【0008】
(1)
製品の上面または下面に配置されて、前記製品を保護する緩衝材であって、
前記製品の平面状に設けられる平面部と、
前記平面部の側面に設けられる側面部と、
前記平面部および前記側面部を離間した状態で連結する連結部と、を有する緩衝材。
【0009】
(2)
前記連結部は、上面が開口するように設けられたコの字形状を備える、(1)に記載の緩衝材。
【0010】
(3)
前記連結部は、前記平面部の面方向に沿って少なくとも2枚畳まれた重畳部を備える、(1)または(2)に記載の緩衝材。
(【0011】以降は省略されています)
この特許をJ-PlatPat(特許庁公式サイト)で参照する
関連特許
コニカミノルタ株式会社
光計測装置
3日前
コニカミノルタ株式会社
画像形成装置
9日前
コニカミノルタ株式会社
液滴吐出装置
11日前
コニカミノルタ株式会社
放射線撮影システム
9日前
コニカミノルタ株式会社
放射線撮影システム
9日前
コニカミノルタ株式会社
抗菌剤塗布装置および画像形成装置
16日前
コニカミノルタ株式会社
画像読取装置及び画像形成システム
3日前
コニカミノルタ株式会社
トナー収容容器および画像形成装置
3日前
コニカミノルタ株式会社
開発システムおよび学習管理システム
16日前
コニカミノルタ株式会社
インクジェット記録装置及びプログラム
11日前
コニカミノルタ株式会社
画像形成装置、制御方法及びプログラム
3日前
コニカミノルタ株式会社
動態画像解析装置、方法、及びプログラム。
9日前
コニカミノルタ株式会社
動態画像解析装置、方法、及びプログラム。
9日前
コニカミノルタ株式会社
情報処理装置、情報表示システム及びプログラム
3日前
コニカミノルタ株式会社
プログラム、情報処理システム及び情報処理方法
9日前
コニカミノルタ株式会社
放射線画像処理装置及び放射線画像処理プログラム
9日前
コニカミノルタ株式会社
断裁装置、画像形成システム及び断裁位置決定方法
3日前
コニカミノルタ株式会社
色調整システム、色調整装置、色調整方法及びプログラム
9日前
コニカミノルタ株式会社
状態評価装置、状態評価方法、および状態評価プログラム
9日前
コニカミノルタ株式会社
中綴じ処理機構および中綴じ処理機構を備えた画像形成装置
9日前
コニカミノルタ株式会社
画像形成装置
3日前
コニカミノルタ株式会社
画像検査装置
9日前
コニカミノルタ株式会社
画像形成装置
16日前
コニカミノルタ株式会社
検査装置、画像形成システム、異常検出方法およびプログラム
9日前
コニカミノルタ株式会社
活性エネルギー線硬化型インクジェットインク及び画像形成方法
11日前
コニカミノルタ株式会社
介護支援システム、介護支援装置、制御方法、および制御プログラム
9日前
コニカミノルタ株式会社
プログラム、医用情報処理装置、医用情報処理システム及び医用情報処理方法
9日前
コニカミノルタ株式会社
画像形成方法、インクジェット捺染用インクセット及びインクジェット捺染装置
4日前
コニカミノルタ株式会社
波長測定装置及び波長測定方法
16日前
コニカミノルタ株式会社
放射線画像処理装置、放射線画像処理システム、放射線画像処理方法及びプログラム
16日前
コニカミノルタ株式会社
インクジェット記録装置のメンテナンス方法、インクジェット記録装置及びプログラム
11日前
コニカミノルタ株式会社
サービス提供システム、サービス提供サーバー、印刷設定支援方法およい印刷設定支援プログラム
3日前
コニカミノルタ株式会社
インクジェットインク、硬化物の形成方法および硬化物
9日前
コニカミノルタ株式会社
学習用データ生成支援装置、移動制御装置、物品取得配置システム、学習用データ生成支援方法及びプログラム
11日前
コニカミノルタ株式会社
インクジェット用インク、ソルダーレジスト、プリント配線基板、塗膜形成方法及び塗膜形成装置
3日前
個人
収容箱
4か月前
続きを見る
他の特許を見る