TOP
|
特許
|
意匠
|
商標
特許ウォッチ
Twitter
他の特許を見る
10個以上の画像は省略されています。
公開番号
2025171532
公報種別
公開特許公報(A)
公開日
2025-11-20
出願番号
2024076978
出願日
2024-05-10
発明の名称
断裁装置、画像形成システム及び断裁位置決定方法
出願人
コニカミノルタ株式会社
代理人
弁理士法人光陽国際特許事務所
,
弁理士法人信友国際特許事務所
主分類
B29C
63/02 20060101AFI20251113BHJP(プラスチックの加工;可塑状態の物質の加工一般)
要約
【課題】断裁されたラミネートフィルムの外形に対する、ラミネートフィルム内の記録媒体の姿勢のずれをなくす。
【解決手段】断裁装置4は、ラミネート加工された用紙の外形部分を検知する用紙端部検知部42と、用紙端部検知部42が検知した用紙の外形部分の位置を基準にして、断裁装置4による断裁位置を決定する断裁位置決定部43と、を備える。
【選択図】図8
特許請求の範囲
【請求項1】
ラミネートフィルムによって両面がラミネート加工された記録媒体に対して所定の余白量分外側の位置を断裁する断裁装置であって、
ラミネート加工された前記記録媒体の外形部分を検知する記録媒体外形検知部と、
前記記録媒体外形検知部が検知した前記記録媒体の外形部分の位置を基準にして、前記断裁装置による断裁位置を決定する断裁位置決定部と、を備える
断裁装置。
続きを表示(約 1,700 文字)
【請求項2】
前記断裁位置決定部は、前記断裁位置の補正を、前記ラミネート加工された記録媒体の搬送方向に平行に配置されたカッターの、前記搬送方向と直交する方向への移動量を変更することによって行う
請求項1に記載の断裁装置。
【請求項3】
前記断裁位置決定部は、前記記録媒体外形検知部が検知した前記外形部分の情報に基づいて、前記ラミネート加工された記録媒体の、前記搬送方向と交差する方向における中心線の位置を算出し、前記中心線の位置と、前記中心線が配置されるべき狙いの位置との差分の情報に基づいて、前記断裁位置を補正する
請求項2に記載の断裁装置。
【請求項4】
前記記録媒体外形検知部は、前記搬送方向と交差する方向における前記外形部分のサイズの情報を取得し、
前記断裁位置決定部は、前記記録媒体の規定サイズに基づいて予め設定された前記断裁位置を、前記外形部分のサイズの情報に基づいて補正する
請求項3に記載の断裁装置。
【請求項5】
前記断裁位置決定部は、前記搬送方向と略平行な方向における前記外形部分のサイズと、前記搬送方向と略平行な方向における前記記録媒体の規定サイズとの差分の情報に基づいて、前記余白量を補正する
請求項4に記載の断裁装置。
【請求項6】
前記断裁装置は、前記ラミネート加工された記録媒体の搬送方向と交差する方向に対して平行に配置されたカッターを有し、
前記断裁位置決定部は、前記断裁位置の補正を、前記ラミネート加工された記録媒体の搬送量を変更することによって行う
請求項1に記載の断裁装置。
【請求項7】
前記記録媒体外形検知部は、前記搬送方向と略平行な方向における前記外形部分の長さの情報を取得し、
前記断裁位置決定部は、前記記録媒体の規定サイズに基づいて予め設定された、前記搬送方向と略平行な方向における前記ラミネートフィルムの切り出し範囲の長さと、前記記録媒体外形検知部によって検知された、前記搬送方向と略平行な方向における前記外形部分の長さとの差分の情報に基づいて、前記搬送量を決定する
請求項6に記載の断裁装置。
【請求項8】
前記記録媒体外形検知部は、センサによるラミネート加工された前記記録媒体の読取画像に基づいて前記記録媒体の外形部分を検知し、
前記断裁位置決定部は、前記ラミネートフィルムの切り出し範囲の長さから、前記搬送方向と略平行な方向における前記外形部分の長さを減算した値を2で割って得られる値を算出し、該値を、前記センサによる前記記録媒体の読取終了位置から前記カッターの配置位置までの距離から減算することにより得られる値を、前記搬送量に設定する
請求項7に記載の断裁装置。
【請求項9】
ラミネートフィルムによって両面がラミネート加工された記録媒体に対して所定の余白量分外側の位置を断裁する断裁装置を含む画像形成システムであって、
前記記録媒体に画像を形成する画像形成装置と、
前記画像が形成された前記記録媒体に前記ラミネート加工を施すラミネート装置と、を備え、
前記断裁装置は、
ラミネート加工された前記記録媒体の外形部分を検知する記録媒体外形検知部と、
前記記録媒体外形検知部が検知した前記記録媒体の外形部分の位置を基準にして、前記断裁装置による断裁位置を決定する断裁位置決定部と、を備える
画像形成システム。
【請求項10】
ラミネートフィルムによって両面がラミネート加工された記録媒体に対して所定の余白量分外側の位置を断裁する断裁装置による断裁位置決定方法であって、
ラミネート加工された前記記録媒体の外形部分を記録媒体外形検知部が検知する手順と、
前記記録媒体外形検知部が検知した前記記録媒体の外形部分の位置を基準にして、前記断裁装置による断裁位置を断裁位置決定部が決定する手順と、を含む
断裁位置決定方法。
発明の詳細な説明
【技術分野】
【0001】
本発明は、断裁装置、画像形成システム及び断裁位置決定方法に関する。
続きを表示(約 1,900 文字)
【背景技術】
【0002】
従来、印刷物等のシート(用紙)に対して透明樹脂(ラミネート)フィルムを被覆するラミネート装置が利用されている。ラミネート装置は、接着層を有し長手方向に連続的に供給される長尺のラミネートフィルムと、上流側から順次搬送されてくる用紙を重ね合わせて搬送する。そして、ラミネート装置は、搬送されるラミネートフィルム及び用紙を連続的にラミネート加工する。
【0003】
このようなラミネート装置において、シートがわずかでも姿勢を崩して繰り出されると、シートは歪んだ姿勢のまま、ラミネートフィルムによって被覆されてしまう。例えば、特許文献1には、ガイド部材で押えた複数の枚葉シートを、最上部の枚葉シートの前端部分を2列以上の複数列で面配置された吸着パッドにより姿勢を保持しながら一枚ずつ搬送テーブルへ繰り出す繰り出し工程を有する、ラミネート手段が開示されている。
【先行技術文献】
【特許文献】
【0004】
特許第7158640号公報
【発明の概要】
【発明が解決しようとする課題】
【0005】
上述した特許文献1に記載の技術は、ラミネートされる前に用紙の姿勢を整えることによって、以降に実施される断裁処理の精度を上げることを目的としたものである。しかし、ラミネート加工される前に用紙の姿勢が矯正されても、ラミネートフィルムが搬送時に蛇行した場合等には、ラミネート後におけるラミネートフィルムに対する用紙の幅方向の位置は、ずれてしまう。この状態のまま断裁装置によって断裁が行われると、用紙が幅方向に偏ったヤレ(不良)の成果物が生成される。断裁装置は、通常、断裁対象の外形であるフィルム幅に応じた断裁位置で断裁を実行するためである。
【0006】
本発明は、上記課題を解決するためになされたものであり、その目的は、断裁されたラミネートフィルムの外形に対する、ラミネートフィルム内の記録媒体の姿勢のずれをなくすことにある。
【課題を解決するための手段】
【0007】
本発明の一態様に係る断裁装置は、ラミネートフィルムによって両面がラミネート加工された記録媒体に対して所定の余白量分外側の位置を断裁する断裁装置である。本発明の一態様に係る断裁装置は、ラミネート加工された記録媒体の外形部分を検知する記録媒体外形検知部と、記録媒体外形検知部が検知した記録媒体の外形部分の位置を基準にして、断裁装置による断裁位置を決定する断裁位置決定部と、を備える。
【発明の効果】
【0008】
本発明によれば、搬送用の装置等を設けることなく、断裁されたラミネートフィルムの外形に対する、ラミネートフィルム内の記録媒体の姿勢のずれをなくすことができる。
【図面の簡単な説明】
【0009】
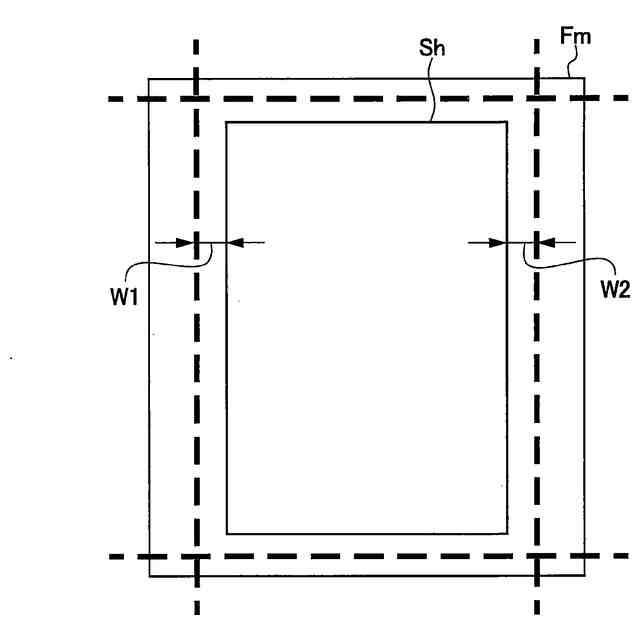
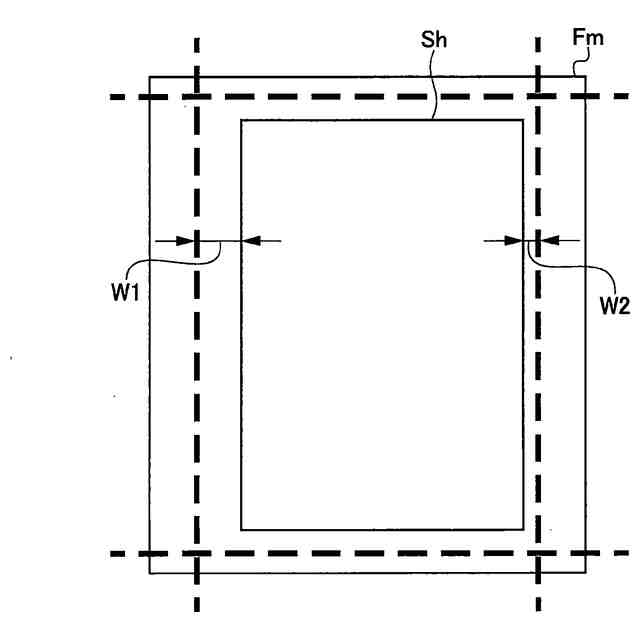
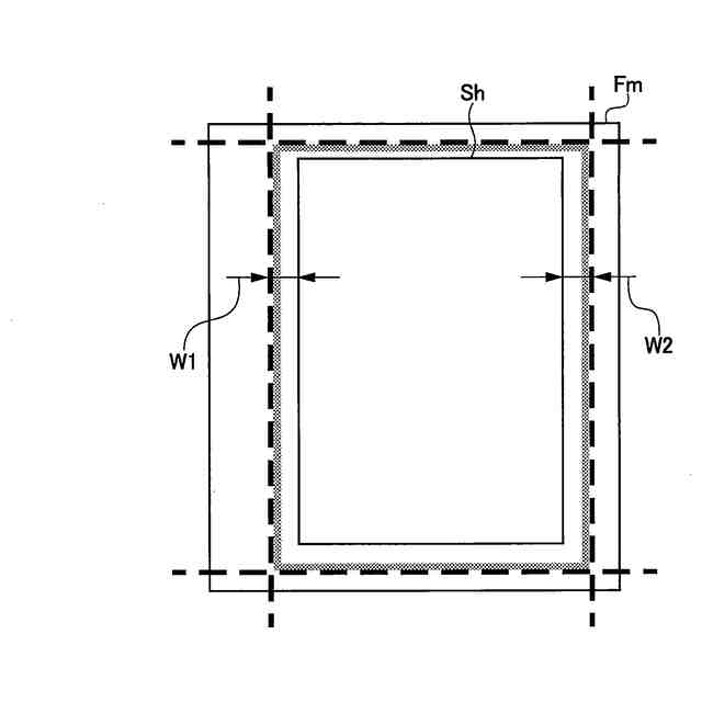
従来の用紙位置にずれがない場合における用紙位置と断裁位置との対応例を示す図である。
従来の用紙位置がずれた場合における用紙位置と断裁位置との対応例を示す図である。
従来の用紙のずれを補正した場合における用紙位置と断裁位置との対応例を示す図である。
従来用紙のサイズが誤差を含むものである場合における用紙位置と断裁位置との対応例を示す図である。
従来のラミネートフィルムが搬送方向における左側に蛇行した場合における用紙位置と断裁位置との対応例を示す図である。
図5に示した当初の断裁位置に沿って断裁が行われる場合における用紙位置と断裁位置との対応例を示す図である。
本発明の一実施形態に係る画像形成システムの全体構成を示す概略図である。
本発明の一実施形態に係る画像形成システムを構成する画像形成装置、ラミネート装置、断裁装置及び排紙装置の制御系の構成例を示すブロック図である。
本発明の一実施形態に係る用紙方向における断裁位置決定用パラメータの例を示す図である。
本発明の一実施形態に係る用紙搬送方向における断裁位置決定用パラメータの例を示す図である。
本発明の一実施形態に係る断裁位置決定処理の手順の例を示すフローチャートである。
本発明の一実施形態に係る用紙の外形検知処理の手順の例を示すフローチャートである。
【発明を実施するための形態】
【0010】
以下、本発明の実施形態について図面を参照して詳細に説明する。本明細書および図面において、実質的に同一の機能または構成を有する要素については、同一の符号を付し、重複する説明は省略する。
(【0011】以降は省略されています)
この特許をJ-PlatPat(特許庁公式サイト)で参照する
関連特許
コニカミノルタ株式会社
光計測装置
3日前
コニカミノルタ株式会社
画像形成装置
9日前
コニカミノルタ株式会社
放射線撮影システム
9日前
コニカミノルタ株式会社
放射線撮影システム
9日前
コニカミノルタ株式会社
トナー収容容器および画像形成装置
3日前
コニカミノルタ株式会社
画像読取装置及び画像形成システム
3日前
コニカミノルタ株式会社
画像形成装置、制御方法及びプログラム
3日前
コニカミノルタ株式会社
動態画像解析装置、方法、及びプログラム。
9日前
コニカミノルタ株式会社
情報処理装置、情報表示システム及びプログラム
3日前
コニカミノルタ株式会社
プログラム、情報処理システム及び情報処理方法
9日前
コニカミノルタ株式会社
断裁装置、画像形成システム及び断裁位置決定方法
3日前
コニカミノルタ株式会社
放射線画像処理装置及び放射線画像処理プログラム
9日前
コニカミノルタ株式会社
色調整システム、色調整装置、色調整方法及びプログラム
9日前
コニカミノルタ株式会社
状態評価装置、状態評価方法、および状態評価プログラム
9日前
コニカミノルタ株式会社
中綴じ処理機構および中綴じ処理機構を備えた画像形成装置
9日前
コニカミノルタ株式会社
画像形成装置
3日前
コニカミノルタ株式会社
画像検査装置
9日前
コニカミノルタ株式会社
プログラム、医用情報処理装置、医用情報処理システム及び医用情報処理方法
9日前
コニカミノルタ株式会社
画像形成方法、インクジェット捺染用インクセット及びインクジェット捺染装置
4日前
コニカミノルタ株式会社
サービス提供システム、サービス提供サーバー、印刷設定支援方法およい印刷設定支援プログラム
3日前
コニカミノルタ株式会社
インクジェットインク、硬化物の形成方法および硬化物
9日前
コニカミノルタ株式会社
インクジェット用インク、ソルダーレジスト、プリント配線基板、塗膜形成方法及び塗膜形成装置
3日前
個人
気泡緩衝材減容装置
2か月前
東レ株式会社
吹出しノズル
12か月前
豊田鉄工株式会社
金型
3か月前
CKD株式会社
型用台車
11か月前
シーメット株式会社
光造形装置
11か月前
東レ株式会社
フィルムの製造方法
8か月前
グンゼ株式会社
ピン
11か月前
東レ株式会社
フィルムの製造方法
4か月前
株式会社 型善
射出成形型
4日前
東レ株式会社
フィルムの製造方法
4か月前
東レ株式会社
複合成形体の製造方法
1か月前
株式会社カワタ
計量混合装置
6か月前
株式会社エフピコ
賦形シート
18日前
個人
樹脂可塑化方法及び装置
10か月前
続きを見る
他の特許を見る