TOP
|
特許
|
意匠
|
商標
特許ウォッチ
Twitter
他の特許を見る
公開番号
2025165174
公報種別
公開特許公報(A)
公開日
2025-11-04
出願番号
2024069122
出願日
2024-04-22
発明の名称
電気車制御装置
出願人
株式会社東芝
代理人
個人
,
個人
主分類
B60L
9/16 20060101AFI20251027BHJP(車両一般)
要約
【課題】 モータの連続定格動作点で、効果的にモータの損失を低減させる。
【解決手段】 電気車制御装置は、交流電圧を直流電圧に変換するコンバータと、モータに接続され直流電圧を三相交流電圧に変換するインバータと、コンバータおよびインバータを制御する制御装置とを有し、モータの連続定格点では、コンバータの出力電圧を第一の直流電圧に設定してコンバータを制御し、インバータの出力電圧を第一の直流電圧にて設定可能なインバータ最大電圧よりも低い第一のインバータ出力電圧に設定して点弧角指令による同期多パルス制御で前記インバータを制御する。
【選択図】 図1
特許請求の範囲
【請求項1】
交流電圧を直流電圧に変換するコンバータと、
モータに接続され前記直流電圧を三相交流電圧に変換するインバータと、
前記モータの連続定格点では、前記コンバータの出力電圧を第一の直流電圧に設定して前記コンバータを制御し、前記インバータの出力電圧を前記第一の直流電圧にて設定可能なインバータ最大電圧よりも低い第一のインバータ出力電圧に設定して点弧角指令による同期多パルス制御で前記インバータを制御する制御装置と、を有する電気車制御装置。
続きを表示(約 550 文字)
【請求項2】
直流電力を直流電圧に変換する直流変圧装置と、
モータに接続され前記直流電圧を三相交流電圧に変換するインバータと、
前記モータの連続定格点では、前記直流変圧装置の出力電圧を第一の直流電圧に設定して前記直流変圧装置を制御し、前記インバータの出力電圧を前記第一の直流電圧にて設定可能なインバータ最大電圧よりも低い第一のインバータ出力電圧に設定して点弧角指令による同期多パルス制御で前記インバータを制御する制御装置と、を有する電気車制御装置。
【請求項3】
連続定格動作点以下の速度域では,前記コンバータは第一の直流電圧を出力し、
連続定格動作点以上の速度領域では、前記インバータの出力電圧を第一のインバータ出力電圧から速度に応じて上昇させて同期1パルス制御で前記インバータを制御し、所定の速度に達すると前記コンバータの出力電圧を第一の直流電圧から速度に応じてコンバータ出力電圧を第二の直流電圧まで上昇させ第二の直流電圧で一定となるように前記コンバータを制御する請求項1または請求項2に記載の電気車制御装置。
【請求項4】
前記モータは、モータ鉄心部に温度監視センサを設けた請求項1または請求項2に記載の電気車制御装置。
発明の詳細な説明
【技術分野】
【0001】
本発明の実施形態は、鉄道車両を駆動する電気車制御装置に関する。
続きを表示(約 1,800 文字)
【背景技術】
【0002】
機関車のようにモータの連続定格動作点が規定されているシステムでは、連続定格動作点にて、モータの温度上昇がモータ仕様上の許容値以下となる必要がある。特に、機関車用モータはモータ出力が通常の電車用モータよりも一般的に大きい場合が多く、モータが大型化する傾向があるが、車両艤装上の制約もあり、モータ損失を低減することは機関車のようなシステムにとっては重要となる。
【0003】
一般的なモータ損失を低減する技術としては、特許文献1や特許文献2がある。
特許文献1は、モータの低速領域では、鉄損に比べて銅損が大きいのに対して、中速領域および高速領域では銅損に比べて鉄損の方が大きいことに着目して、鉄損と銅損の合計を最小化するように制御している。
特許文献2は、基本波損失と高調波損失を組み合わせた全体損失を低減するために、PWM制御によって生ずる電流高調波の程度を表す指標としてPWM電流歪率を用いて電圧振幅指令値を生成して、PWM電流歪率を低く維持し、かつ急激に変化しないようにパルスモードを遷移させることで、高調波損失を低減して、モータ損失を低減している。
【先行技術文献】
【特許文献】
【0004】
特開2018-166349号公報
国際公開2014/174597号
【発明の概要】
【発明が解決しようとする課題】
【0005】
しかしながら、鉄損と銅損とを合計したモータ損失や基本波損失と高調波損失を合計したモータ損失を低減するためには、モータの損失特性から鉄損と銅損を最小化する制御や、高調波分布から基本波損失と高調波損失を低減する制御を行うことになる。そのためには、モータを解析して、モータの損失特性や高調波分布の特性図を得る必要があり、簡易に導入することは困難でありモータ制御も複雑となる。
【0006】
また、一般的に機関車のようなシステムでは、連続定格動作点がモータの損失が最も厳しい領域になる。これは連続定格動作以下の速度領域ではモータの損失が連続定格点より大きくなる場合でも連続運転を保証する必要がなく、また、連続定格点以上の速度領域では定出力領域となるため、出力トルクおよびモータ電流が減少しモータ損失が低下するためである。
したがって、機関車のようなシステムでは、全速度域においてモータの損失を低減させるために細かい制御を実施する必要はなく、連続定格動作点にて、モータの損失を低減させることが実用上重要な技術となる。
【0007】
本発明は上記に鑑みてなされたものであり、モータの連続定格動作点で、効果的にモータの損失を低減させることを目的とする。
【課題を解決するための手段】
【0008】
実施形態の電気車制御装置は、交流電圧を直流電圧に変換するコンバータと、モータに接続され直流電圧を三相交流電圧に変換するインバータと、モータの連続定格点では、コンバータの出力電圧を第一の直流電圧に設定してコンバータを制御し、インバータの出力電圧を第一の直流電圧にて設定可能なインバータ最大電圧よりも低い第一のインバータ出力電圧に設定して点弧角指令による同期多パルス制御でインバータを制御する制御装置と、を有する。
【図面の簡単な説明】
【0009】
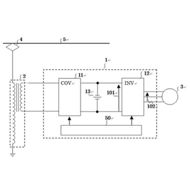
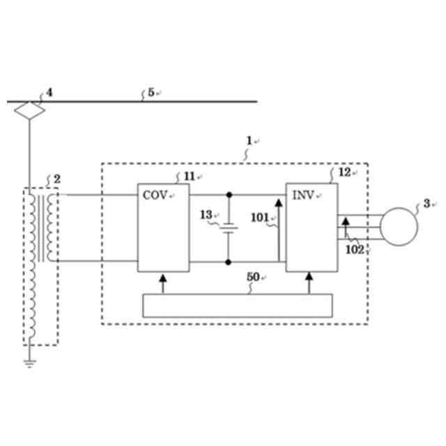
図1は、交流架線駆動電車システムの概要ブロック図である。
図2は、モータ回転数とインバータ入力電圧/モータ入力電圧及び制御方式を示すグラフである。
図3は、同期3パルス制御時のインバータ出力電圧波形の例を示す図である。
図4は、同期1パルス制御時のインバータ出力電圧波形の例を示す図である。
図5は、各制御方式時のモータ温度上昇と経過時間の関係を示したグラフである。
【発明を実施するための形態】
【0010】
以下、実施の形態について図面を参照して説明する。図1は、交流架線駆動電車システムの概要ブロック図である。
電気車制御装置1は、コンバータ11と、インバータ12と、コンデンサ13と、制御装置50とを有する。
(【0011】以降は省略されています)
この特許をJ-PlatPat(特許庁公式サイト)で参照する
関連特許
日本化薬株式会社
ガス発生器
1日前
日本精機株式会社
鞍乗型車両用表示装置
20日前
大伸工業株式会社
車載フロアマット
20日前
株式会社SUBARU
車両用シート
7日前
株式会社SUBARU
車両用シート
7日前
株式会社アイシン
車両
7日前
豊田合成株式会社
ステアリング装置
7日前
株式会社クボタ
作業車
13日前
株式会社SUBARU
車両用シート
7日前
日本プラスト株式会社
収納装置
今日
トヨタ自動車株式会社
トイレ付き車両
7日前
ダイハツ工業株式会社
車両用制御装置
20日前
スズキ株式会社
車両用ルーフ構造
20日前
有限会社かーいんてりあ高橋
窓用パネル
7日前
株式会社デンソー
車両用空調装置
7日前
株式会社クボタ
作業車両
13日前
住友ゴム工業株式会社
タイヤ
20日前
豊田合成株式会社
車両用ホルダ装置
1日前
株式会社クボタ
車両用シート
20日前
豊田合成株式会社
車両用ホルダ装置
1日前
豊田合成株式会社
車両用ホルダ装置
1日前
トヨタ自動車株式会社
車両の制御装置
15日前
株式会社ヤマグチレッカー
ブラケット
7日前
個人
載置物品回動機構及びそれを備える車両
13日前
株式会社クボタ
作業車及び座席
20日前
フタバ産業株式会社
熱交換器
今日
株式会社アイシン
車両用駆動装置
20日前
フタバ産業株式会社
熱交換器
今日
株式会社SUBARU
車両
今日
住友ゴム工業株式会社
タイヤ
7日前
個人
踏み間違い制御機構
20日前
テイ・エス テック株式会社
乗り物用シート
20日前
テイ・エス テック株式会社
乗物用内装部材
20日前
横浜ゴム株式会社
タイヤ
20日前
スズキ株式会社
車両用ルーフライニング構造
20日前
TOYO TIRE株式会社
吸音材付タイヤ
7日前
続きを見る
他の特許を見る