TOP
|
特許
|
意匠
|
商標
特許ウォッチ
Twitter
他の特許を見る
公開番号
2025163621
公報種別
公開特許公報(A)
公開日
2025-10-29
出願番号
2024067066
出願日
2024-04-17
発明の名称
電流検出システム
出願人
トヨタ自動車株式会社
代理人
個人
,
個人
主分類
G01R
19/00 20060101AFI20251022BHJP(測定;試験)
要約
【課題】 電動車両等の電力伝送システムの電力線に於ける電流を表皮効果の影響を排除してより精度よく検出する。
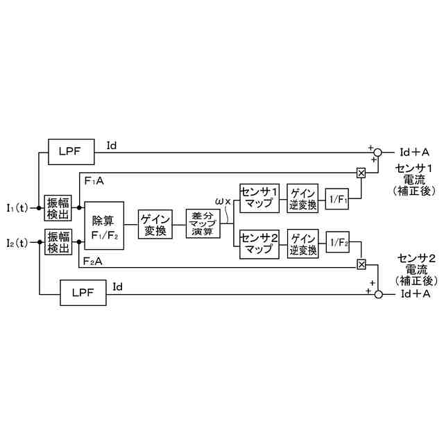
【解決手段】 電力線に流通する電流を検出するシステム11は、電流に於ける交流成分の検出ゲインが互いに異なる第一及び第二の電流センサ10の検出値から交流成分を抽出し、それらの交流成分の比をゲインに変換し、予め調べられた第一及び第二の電流センサの各々の交流成分のその周波数に依存して変化する検出ゲインの差分のうちから、交流成分の比のゲイン値と一致する差分を与える周波数を決定し、その周波数に於ける第一及び第二の電流センサの各々の検出ゲインから算出される第一及び第二の電流センサに於ける入力/出力比を第一及び第二の電流センサ各々の検出値から抽出された交流成分に乗じて交流成分の実際値を算出し、第一及び第二の電流センサ各々の検出値から抽出された直流成分を加算して、電流の実際値を算出する。
【選択図】 図2
特許請求の範囲
【請求項1】
電力線に流通する電流を検出するシステムであって、
前記電流を検出する第一及び第二の電流センサにして、前記電流に於ける交流成分の検出ゲインが互いに異なる第一及び第二の電流センサと、
前記第一及び第二の電流センサの各々の検出値から交流成分を抽出する手段と、
前記第一及び第二の電流センサの各々の検出値から抽出された前記交流成分の比を算出する手段と、
前記交流成分の比をゲインに変換する手段と、
予め調べられた前記第一及び第二の電流センサの各々の交流成分のその周波数に依存して変化する検出ゲインの差分のうちから、前記交流成分の比から変換された前記ゲインの値と一致する差分を与える周波数を決定する手段と、
前記周波数に於ける前記第一及び第二の電流センサの各々の検出ゲインから算出される前記第一及び第二の電流センサに於ける入力/出力比を前記第一及び第二の電流センサ各々の検出値から抽出された前記交流成分に乗じて前記交流成分の実際値を算出する手段と、
前記第一及び第二の電流センサ各々の検出値から抽出された直流成分に前記交流成分の実際値を加算して、前記電力線に流通する電流の実際値を算出する手段と
を含むシステム。
発明の詳細な説明
【技術分野】
【0001】
本発明は、電流検出システムに係り、より詳細には、電動車両や定置電源などの機械器具の電力伝送システムに於けるバッテリ等の入出力線の直流電流の値を検出するシステムに係る。
続きを表示(約 3,900 文字)
【背景技術】
【0002】
電動車両や定置電源などの機械器具(電動車両等)の電力伝送システムに於いて、バッテリ等の入出力線などの直流電流の流れる電力線に於いて、過大なリップル又は交流成分が流れたときにそれを抑制できるように、リップル又は交流成分を監視するための構成が種々提案されている。例えば、特許文献1では、蓄電装置の入出力電流を検出する電流センサの出力値と、その高周波成分を減衰させて遮断するローパスフィルタの出力値との差分の第1所定時間における積算値が第1閾値以上の場合、又は、第2所定時間における電流センサの出力値の最大値と最小値との差が第2閾値以上の場合に、入出力電流にリプルが発生していると判定する構成が提案されている。
【先行技術文献】
【特許文献】
【0003】
特開2022-52163
【発明の概要】
【発明が解決しようとする課題】
【0004】
電動車両等の電力伝送システムに於ける直流電流の流れる電力線(バズバ)のリップル又は交流成分については、その有無だけではなく、その振幅の大きさも検出できることが好ましい。この点に関し、電流センサは、電力線に流れる電流による磁界或いは電圧降下を用いて検出する方式が一般的であるところ、電力線に流れる電流に於ける交流成分に対しては、表皮効果が発生し、交流成分の周波数によってインピーダンスが変化することから、電力線の形状やセンサの検出方式によって、交流成分に対する検出ゲイン(出力/入力比)が異なり、交流成分の振幅が過大又は過小に検出されることとなる。従って、電力線に流れる電流に交流成分が乗っているときには、電流センサの検出値をそのまま実際の又は真の電流値とすることはできず、或いは、電流センサの検出値をそのまま用いてリップル又は交流成分の振幅を検出することも困難である。また、上記の表皮効果の影響を低減すべく、電力線を複雑な形状のものに変更したり、センサやECUにフィルタを追加したり、などすると、ハード対策コストの増大、電力線の発熱、搭載性、製造性の悪化などの課題も発生する場合がある。
【0005】
ところで、電動車両等の電力伝送システムに於いては、電流検出の信頼性確保のために種類の異なる複数の電流センサが搭載されている場合がある。かかる構成に於いては、各電流センサに於ける表皮効果の影響は、各電流センサの構成によって異なり、電力線に交流成分が重畳しているときの、各電流センサの検出値に表れる交流成分の振幅の大きさは、交流成分の周波数に依存して電流センサ毎に異なることとなる。その場合、後に詳細に説明されるように、各電流センサの検出値に於ける交流成分が異なっていることを利用すると、各電流センサに於ける交流成分に対する検出ゲインを決定することができ、かかる検出ゲインを用いて、各電流センサに於ける交流成分の検出値から、表皮効果の影響を除去した、電力線に重畳している交流成分の真値を算出することが可能であることが本発明の発明者により見出された。そして、これにより、電力線に交流成分が重畳しているときでも、より精度よく電流の大きさを検知することが可能となる。かかる知見は、本発明に於いて利用される。
【0006】
かくして、本発明の主な課題は、電動車両等の電力伝送システムの電力線に於ける電流を表皮効果の影響を排除してより精度よく検出できるようにすることである。
【課題を解決するための手段】
【0007】
本発明によれば、上記の課題は、電力線に流通する電流を検出するシステムであって、
前記電流を検出する第一及び第二の電流センサにして、前記電流に於ける交流成分の検出ゲインが互いに異なる第一及び第二の電流センサと、
前記第一及び第二の電流センサの各々の検出値から交流成分を抽出する手段と、
前記第一及び第二の電流センサの各々の検出値から抽出された前記交流成分の比を算出する手段と、
前記交流成分の比をゲインに変換する手段と、
予め調べられた前記第一及び第二の電流センサの各々の交流成分のその周波数に依存して変化する検出ゲインの差分のうちから、前記交流成分の比から変換された前記ゲインの値と一致する差分を与える周波数を決定する手段と、
前記周波数に於ける前記第一及び第二の電流センサの各々の検出ゲインから算出される前記第一及び第二の電流センサに於ける入力/出力比を前記第一及び第二の電流センサ各々の検出値から抽出された前記交流成分に乗じて前記交流成分の実際値を算出する手段と、
前記第一及び第二の電流センサ各々の検出値から抽出された直流成分に前記交流成分の実際値を加算して、前記電力線に流通する電流の実際値を算出する手段と
を含むシステムによって達成される。
【0008】
上記の本発明の構成に於いて、「電力線」は、電動車両等の電力伝送システムに於ける任意の部位の電流の流通する電力線であってよく、例えば、バッテリの入出力線などであってよい。「第一及び第二の電流センサ」とは、上記の如く、互いに交流成分の検出ゲインが異なる任意の電流センサであってよい。なお、第一及び第二の電流センサは、同一の電力線上の電流を検出するので、電力線上に直列に接続される。例えば、バッテリにて流出入する電流を検出する場合、第一及び第二の電流センサは、バッテリの正極と負極のいずれに接続されていてもよい。そして、上記の各手段は、第一及び第二の電流センサの検出値を用いて、プログラムに従ったコンピュータ装置の作動により実現されてよい。上記の本発明のシステムの作動に於いて、各手段は、以下に説明される如く、第一及び第二の電流センサの検出値を順に処理して、電力線に流通する電流の実際値を算出することとなる。
【0009】
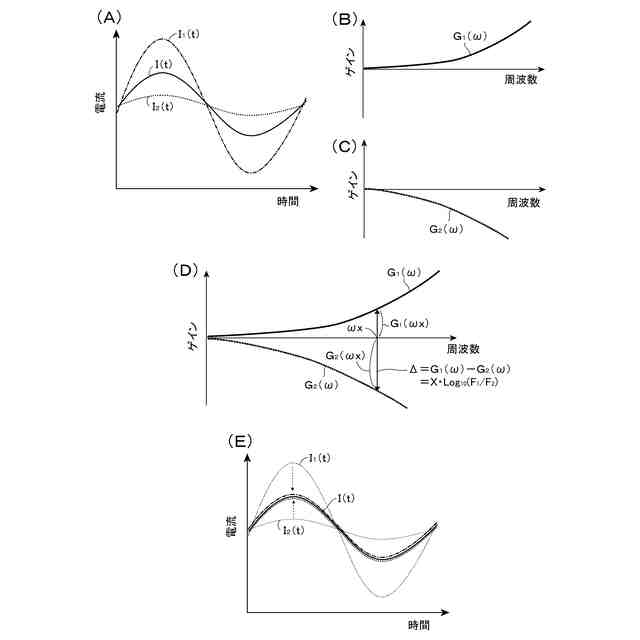
具体的には、先ず、本発明のシステムに於いて、検出されるべき電流I(t)は、以下の如く、通常、直流成分Idに交流成分A・sin(ωt)が重畳した状態で表わすことができる(本発明のシステムに於いて検出の対象となる交流成分は、電力線に重畳するリプルなどであり、その振動周波数は、一つであると仮定する。)。
I(t)=Id+A・sin(ωt) …(1)
ここで、tは、時間であり、Aは、交流成分の振幅であり、ωは、交流成分の角周波数である。そして、第一及び第二の電流センサは、上記の如く、互いに交流成分の検出ゲインが異なるところ、交流成分の入力に対する出力の比を、それぞれ、F
1
(ω)、F
2
(ω)とすると、それぞれの電流の検出値I
1
、I
2
は、
I
1
(t)=Id+F
1
(ω)A・sin(ωt) …(2a)
I
2
(t)=Id+F
2
(ω)A・sin(ωt) …(2b)
により表わすことができる。なお、既に触れた如く、F
1
(ω)、F
2
(ω)は、それぞれのセンサに於ける表皮効果によって決定されるので、交流成分の角周波数ω(=2πf[fは、周波数])の関数である。かくして、上記の構成に於いて、「前記第一及び第二の電流センサの各々の検出値から交流成分を抽出する手段」は、任意の手法にて、式(2a)、(2b)に於ける交流成分F
1
(ω)A・sin(ωt)、F
2
(ω)A・sin(ωt)のそれぞれを抽出するよう構成される(抽出期間は、適宜設定されてよい。)。
【0010】
また、上記の構成に於いて、電流センサの交流成分の検出ゲインGは、電流センサが交流成分A・sin(ωt)の入力に対してF(ωt)・A・sin(ωt)を出力した場合に、
G=X・Log
10
(F(ω)・A・sin(ωt)/ A・sin(ωt))
=X・Log
10
(F(ω)) …(3)
にて与えられる(Xは、係数であり、例えば、X=20である)。従って、第一及び第二の電流センサの各々の検出値から抽出された交流成分の比F
1
(ω)A・sin(ωt)/F
2
(ω)A・sin(ωt)=F
1
(ω)/F
2
(ω)をゲインG
R
に変換すると、
G
R
=X・Log
10
(F
1
(ω)/F
2
(ω)) …(4)
が得られることとなる。この交流成分の比のゲインG
R
は、
G
R
=X・Log
10
(F
1
(ω))-X・Log
10
(F
2
(ω)) …(4a)
となり、この値は、第一及び第二の電流センサの各々の交流成分の、その周波数に依存して変化する検出ゲインの差分である。なお、この段階では、交流成分の角周波数ωは、未知である。
(【0011】以降は省略されています)
この特許をJ-PlatPat(特許庁公式サイト)で参照する
関連特許
トヨタ自動車株式会社
方法
14日前
トヨタ自動車株式会社
配管
1日前
トヨタ自動車株式会社
車両
14日前
トヨタ自動車株式会社
車両
14日前
トヨタ自動車株式会社
電池
6日前
トヨタ自動車株式会社
車両
1日前
トヨタ自動車株式会社
車両
今日
トヨタ自動車株式会社
電池
15日前
トヨタ自動車株式会社
車体
14日前
トヨタ自動車株式会社
電池
今日
トヨタ自動車株式会社
モータ
13日前
トヨタ自動車株式会社
電動車
1日前
トヨタ自動車株式会社
ロータ
1日前
トヨタ自動車株式会社
電動車
今日
トヨタ自動車株式会社
蓄電池
14日前
トヨタ自動車株式会社
制御装置
13日前
トヨタ自動車株式会社
路側装置
13日前
トヨタ自動車株式会社
蓄電装置
13日前
トヨタ自動車株式会社
電動車両
13日前
トヨタ自動車株式会社
路側装置
13日前
トヨタ自動車株式会社
制御装置
今日
トヨタ自動車株式会社
学習装置
今日
トヨタ自動車株式会社
蓄電セル
8日前
トヨタ自動車株式会社
コネクタ
今日
トヨタ自動車株式会社
監視装置
6日前
トヨタ自動車株式会社
路側装置
13日前
トヨタ自動車株式会社
制御装置
1日前
トヨタ自動車株式会社
制御装置
1日前
トヨタ自動車株式会社
樹脂外板
14日前
トヨタ自動車株式会社
制御装置
1日前
トヨタ自動車株式会社
エンジン
1日前
トヨタ自動車株式会社
路側装置
13日前
トヨタ自動車株式会社
製造設備
6日前
トヨタ自動車株式会社
蓄電装置
今日
トヨタ自動車株式会社
鋳造装置
13日前
トヨタ自動車株式会社
蓄電装置
今日
続きを見る
他の特許を見る