TOP
|
特許
|
意匠
|
商標
特許ウォッチ
Twitter
他の特許を見る
公開番号
2025160009
公報種別
公開特許公報(A)
公開日
2025-10-22
出願番号
2024062949
出願日
2024-04-09
発明の名称
充電装置
出願人
トヨタ自動車株式会社
代理人
弁理士法人酒井国際特許事務所
主分類
H02J
7/00 20060101AFI20251015BHJP(電力の発電,変換,配電)
要約
【課題】地絡検出回路の診断中に地絡異常と地絡検出回路の異常とを判別することができる充電装置を提供すること。
【解決手段】本発明の充電装置は、蓄電装置を搭載した電動車両に接続可能なコネクタと、コネクタが電動車両に接続された状態で、蓄電装置に電力を供給するためのパワーユニットと、パワーユニットからコネクタまでの電力の出力回路上における地絡を検出する地絡検出器と、を備えた充電装置であって、地絡検出器を診断する地絡検出器診断回路を備えており、地絡検出器診断回路は、地絡検出器による地絡検出の監視を行う際にパワーユニットから出力される電圧下限値よりも低い電圧において、地絡検出器の内部に設けられた地絡検出回路の地絡の有無の判定を実行する。
【選択図】図2
特許請求の範囲
【請求項1】
蓄電装置を搭載した電動車両に接続可能なコネクタと、
前記コネクタが前記電動車両に接続された状態で、前記蓄電装置に電力を供給するためのパワーユニットと、
前記パワーユニットから前記コネクタまでの電力の出力回路上における地絡を検出する地絡検出器と、
を備えた充電装置であって、
前記地絡検出器を診断する地絡検出器診断回路を備えており、
前記地絡検出器診断回路は、前記地絡検出器による地絡検出の監視を行う際に前記パワーユニットから出力される電圧下限値よりも低い電圧において、前記地絡検出器の内部に設けられた地絡検出回路の地絡の有無の判定を実行することを特徴とする充電装置。
発明の詳細な説明
【技術分野】
【0001】
本発明は、充電装置に関する。
続きを表示(約 1,300 文字)
【背景技術】
【0002】
特許文献1には、電動車両に搭載された地絡検出回路の診断を行うために、組電池と電動車両との接続と非接続とを切り替えるリレーを有し、車両起動時にリレーをオンとすることによって、組電池と車体とを疑似的に地絡させ、このときの地絡検出回路の出力に基づいて、地絡検出回路の診断を行う電力変換装置が開示されている。
【先行技術文献】
【特許文献】
【0003】
特開平10-221395号公報
【発明の概要】
【発明が解決しようとする課題】
【0004】
しかしながら、特許文献1に開示された電力変換装置においては、すでに地絡が発生、または、地絡検出回路の診断中に地絡が発生した場合、診断中に地絡異常か地絡検出回路の異常かの判別ができない。
【0005】
本発明は、上記課題に鑑みてなされたものであって、その目的は、地絡検出回路の診断中に地絡異常と地絡検出回路の異常とを判別することができる充電装置を提供することである。
【課題を解決するための手段】
【0006】
上述した課題を解決し、目的を達成するために、本発明に係る充電装置は、蓄電装置を搭載した電動車両に接続可能なコネクタと、前記コネクタが前記電動車両に接続された状態で、前記蓄電装置に電力を供給するためのパワーユニットと、前記パワーユニットから前記コネクタまでの電力の出力回路上における地絡を検出する地絡検出器と、を備えた充電装置であって、前記地絡検出器を診断する地絡検出器診断回路を備えており、前記地絡検出器診断回路は、前記地絡検出器による地絡検出の監視を行う際に前記パワーユニットから出力される電圧下限値よりも低い電圧において、前記地絡検出器の内部に設けられた地絡検出回路の地絡の有無の判定を実行することを特徴とするものである。
【発明の効果】
【0007】
本発明に係る充電装置は、地絡検出回路の診断中に地絡異常と地絡検出回路の異常とを判別することができるという効果を奏する。
【図面の簡単な説明】
【0008】
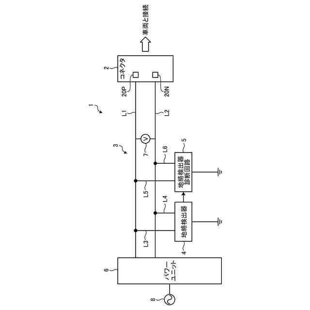
図1は、実施形態に係る充電装置の概略構成を示す図である。
図2は、実施形態に係る充電装置における地絡検出回路の診断と地絡検出とに関するの制御の一例を示したフローチャートである。
図3は、実施形態に係る充電装置における地絡検出回路の診断と地絡検出とに関するの制御の一例を示したタイミングチャートである。
【発明を実施するための形態】
【0009】
以下に、本発明に係る充電装置の実施形態について説明する。なお、本実施形態により本発明が限定されるものではない。
【0010】
図1は、実施形態に係る充電装置1の概略構成を示す図である。実施形態に係る充電装置1は、コネクタ2、出力回路3、地絡検出器4、地絡検出器診断回路5、パワーユニット6、及び、電圧センサ7などを備えている。
(【0011】以降は省略されています)
この特許をJ-PlatPat(特許庁公式サイト)で参照する
関連特許
トヨタ自動車株式会社
電池
8日前
トヨタ自動車株式会社
車体
16日前
トヨタ自動車株式会社
電池
17日前
トヨタ自動車株式会社
車両
16日前
トヨタ自動車株式会社
車両
2日前
トヨタ自動車株式会社
車両
3日前
トヨタ自動車株式会社
電池
2日前
トヨタ自動車株式会社
車両
16日前
トヨタ自動車株式会社
配管
3日前
トヨタ自動車株式会社
車両
17日前
トヨタ自動車株式会社
方法
16日前
トヨタ自動車株式会社
蓄電池
16日前
トヨタ自動車株式会社
ロータ
3日前
トヨタ自動車株式会社
モータ
15日前
トヨタ自動車株式会社
電動車
3日前
トヨタ自動車株式会社
電動車
2日前
トヨタ自動車株式会社
蓄電セル
10日前
トヨタ自動車株式会社
濾過装置
17日前
トヨタ自動車株式会社
電動車両
16日前
トヨタ自動車株式会社
監視装置
8日前
トヨタ自動車株式会社
制御装置
3日前
トヨタ自動車株式会社
学習装置
2日前
トヨタ自動車株式会社
制御装置
3日前
トヨタ自動車株式会社
制御装置
2日前
トヨタ自動車株式会社
製造設備
8日前
トヨタ自動車株式会社
樹脂外板
16日前
トヨタ自動車株式会社
コネクタ
2日前
トヨタ自動車株式会社
制御装置
3日前
トヨタ自動車株式会社
蓄電装置
15日前
トヨタ自動車株式会社
制御装置
15日前
トヨタ自動車株式会社
反応容器
2日前
トヨタ自動車株式会社
蓄電装置
2日前
トヨタ自動車株式会社
路側装置
15日前
トヨタ自動車株式会社
路側装置
15日前
トヨタ自動車株式会社
電動車両
15日前
トヨタ自動車株式会社
路側装置
15日前
続きを見る
他の特許を見る