TOP
|
特許
|
意匠
|
商標
特許ウォッチ
Twitter
他の特許を見る
10個以上の画像は省略されています。
公開番号
2025147823
公報種別
公開特許公報(A)
公開日
2025-10-07
出願番号
2024048262
出願日
2024-03-25
発明の名称
合成ガスの製造方法、及び燃料製造システム
出願人
本田技研工業株式会社
代理人
個人
,
個人
,
個人
主分類
C10J
3/00 20060101AFI20250930BHJP(石油,ガスまたはコークス工業;一酸化炭素を含有する工業ガス;燃料;潤滑剤;でい炭)
要約
【課題】水素を有効活用でき、エネルギー効率を向上し、且つ環境への負荷を低減する合成ガスの製造方法及び燃料製造システムを提供すること。
【解決手段】バイオマス原料から燃料を製造するための合成ガスの製造方法であって、バイオマス原料に対し、水素を、[水素ガスの質量]/[バイオマスの質量]で表される質量比が0.01~0.03となるように供給する工程を含み、水蒸気を供給する工程を含まない、合成ガスの製造方法。
【選択図】なし
特許請求の範囲
【請求項1】
バイオマス原料から燃料を製造するための合成ガスの製造方法であって、
バイオマス原料に対し、水素を、[水素ガスの質量]/[バイオマスの質量]で表される質量比が0.01~0.03となるように供給する工程を含み、
水蒸気を供給する工程を含まない、合成ガスの製造方法。
続きを表示(約 1,300 文字)
【請求項2】
バイオマス原料から燃料を製造するための合成ガスの製造方法であって、
バイオマス原料に対し、水素を、[水素ガスの質量]/[バイオマスの質量]で表される質量比が0.01~0.03となるように供給する工程を含み、
バイオマス原料に対し、水蒸気を、[水蒸気の質量]/[バイオマスの質量]で表される質量比が1.0以下となるように供給する工程を含む、合成ガスの製造方法。
【請求項3】
前記バイオマス原料のガス化が、700℃以上850℃未満で行われる、請求項1又は2に記載の合成ガスの製造方法。
【請求項4】
前記水素ガスの供給量が100L/day以上である、請求項1又は2に記載の合成ガスの製造方法。
【請求項5】
バイオマス原料から液体燃料を製造する燃料製造システムであって、
請求項1に記載の合成ガスの製造方法により、バイオマス原料、水素、一酸化炭素、及び二酸化炭素を反応させ、炭化水素を含む合成ガスを製造するガス化炉を含むガス化装置と、
水素を、[水素ガスの質量]/[バイオマスの質量]で表される質量比が0.01~0.03となるように前記ガス化装置に供給する水素供給手段と、
を備え、
水蒸気を前記ガス化装置に供給する水蒸気供給手段からの水蒸気の供給を停止する水蒸気供給制御手段を備えることを特徴とする燃料製造システム。
【請求項6】
バイオマス原料から液体燃料を製造する燃料製造システムであって、
請求項2に記載の合成ガスの製造方法により、バイオマス原料、水素、一酸化炭素、及び二酸化炭素を反応させ、炭化水素を含む合成ガスを製造するガス化炉を含むガス化装置と、
水素を、[水素ガスの質量]/[バイオマスの質量]で表される質量比が0.01~0.03となるように前記ガス化装置に供給する水素供給手段と、
を備え、
水蒸気を前記ガス化装置に供給する水蒸気供給手段から、水蒸気を、[水蒸気の質量]/[バイオマスの質量]で表される質量比が1.0以下となるように前記ガス化装置に供給する水蒸気供給制御手段を備えることを特徴とする燃料製造システム。
【請求項7】
前記ガス化炉内の温度が700℃以上850℃未満の場合に、水素を前記ガス化装置に供給する水素ガス供給制御手段(1)を備える、請求項5又は6に記載の燃料製造システム。
【請求項8】
前記ガス化装置に供給可能な前記水素ガスの供給量が100L/day以上である場合に、水素を前記ガス化装置に供給する水素ガス供給制御手段(2)を備える、請求項5又は6に記載の燃料製造システム。
【請求項9】
前記バイオマス原料のガス化率が50mol%以上である場合に、前記合成ガスを液体燃料の原料として使用するための液体燃料用合成ガス供給手段と、
前記バイオマス原料のガス化率が50mol%未満である場合に、前記合成ガスを前記ガス化炉の熱源として使用するための熱源用合成ガス供給手段と、を備える、請求項5又は6に記載の燃料製造システム。
発明の詳細な説明
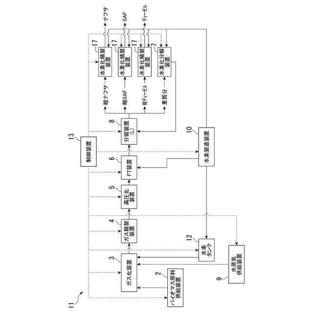
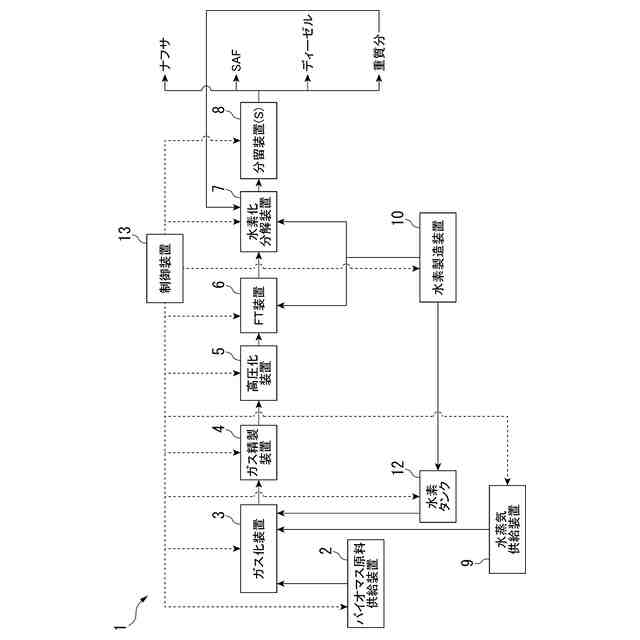
【技術分野】
【0001】
本発明は、合成ガスの製造方法、及び燃料製造システムに関する。
続きを表示(約 1,800 文字)
【背景技術】
【0002】
従来より気候変動の緩和または影響軽減を目的とした取り組みが継続され、この実現に向けて二酸化炭素の排出量低減に関する研究開発が行われている。
近年、化石燃料の代替として、再生可能エネルギーによって発電した電力によって生成した水素とバイオマスや工場から排出される二酸化炭素等の炭素源とを原材料とした合成燃料が注目されている。
【0003】
バイオマスを原料としてメタノールやガソリン等の液体燃料を製造する一般的な手順は以下の通りである。すなわち、所定の前処理を経たバイオマス原料をガス化炉内で水や酸素とともにガス化させ、水素及び一酸化炭素を含む合成ガスを生成するガス化工程と、生成された合成ガスを洗浄しタールを取り除く洗浄工程と、洗浄工程を経た合成ガスのH
2
/CO比を製造しようとする液体燃料に応じた目標比に調整するH
2
/CO比調整工程と、H
2
/CO比調整工程を経た合成ガスから硫黄成分を取り除く脱硫工程と、脱硫工程を経た合成ガスから液体燃料を製造する燃料製造工程と、を経てバイオマス原料から液体燃料が製造される。
【0004】
ここでガス化工程を経て生成される合成ガスのH
2
/CO比は、多くの場合目標比に到達しておらず水素が不足している状態となっている。このためH
2
/CO比調整工程では、一酸化炭素と水とを反応させることによって水素を発生させ、H
2
/CO比を目標比まで上昇させる。
【0005】
特許文献1には、上述のようなバイオマス原料から合成燃料を製造する燃料製造システムにおいて、再生可能エネルギーによって発電した電力によって水素を生成し、生成した水素をガス化炉によって生成される合成ガスに混ぜることにより、H
2
/CO比を目標比に調整する発明が示されている。
【先行技術文献】
【特許文献】
【0006】
特開2021-147505号公報
【発明の概要】
【発明が解決しようとする課題】
【0007】
特許文献1に示された燃料製造システムでは、再生可能エネルギーによって発電した電力を用いて電解装置によって水素を生成し、生成した水素を水素タンクに蓄えている。ここで特許文献1において再生可能エネルギーとして想定する風力や太陽光は、常に一定量発生しているわけではないため、水素タンク内の水素残量は環境条件に応じて大きく変動しうる。このため水素残量が水素タンクの下限に近くなれば、ガス化炉等へ十分な量の水素を供給できなくなってしまい、ひいては上述のガス化工程やH
2
/CO比調整工程等における二酸化炭素排出量が増加するおそれがある。このため結果として、燃料製造システムによって製造される液体燃料の二酸化炭素排出原単位(単位量の液体燃料を製造するために排出される二酸化炭素の量であり、「Carbon Intensity」とも呼称されている)が悪化する場合がある。
【0008】
また、従来は、燃料製造システムを稼働させるために、反応場や原料等を所定の温度に昇温する必要があるが、昇温中の非定常状態には合成ガスを製造できないため、エネルギー効率が悪いという問題がある。
さらに、燃料製造システムにおいて生成した水素ガスは、水素タンクの容量を超えると燃料として使用するか、あるいは排気するしかないため、水素を有効活用できていないという問題がある。
【0009】
本願は上記課題の解決のため、水素を有効活用でき、エネルギー効率を向上し、且つ環境への負荷を低減する合成ガスの製造方法及び燃料製造システムを提供することを目的としたものである。そして、延いては気候変動の緩和または影響軽減に寄与するものである。
【課題を解決するための手段】
【0010】
[1] バイオマス原料から燃料を製造するための合成ガスの製造方法であって、
バイオマス原料に対し、水素を、[水素ガスの質量]/[バイオマスの質量]で表される質量比が0.01~0.03となるように供給する工程を含み、
水蒸気を供給する工程を含まない、合成ガスの製造方法。
(【0011】以降は省略されています)
この特許をJ-PlatPat(特許庁公式サイト)で参照する
関連特許
本田技研工業株式会社
車両
1か月前
本田技研工業株式会社
差圧式電解装置
24日前
本田技研工業株式会社
スポット溶接方法
10日前
本田技研工業株式会社
回転電機のロータ
23日前
本田技研工業株式会社
電動無段変速装置
26日前
本田技研工業株式会社
駆動装置ユニット
27日前
本田技研工業株式会社
再生正極の製造方法
1か月前
本田技研工業株式会社
情報処理方法及びプログラム
9日前
本田技研工業株式会社
制御装置、および、制御方法
10日前
本田技研工業株式会社
給電システムおよび給電方法
1か月前
本田技研工業株式会社
負極、固体電池及び積層体の製造方法
1か月前
本田技研工業株式会社
正極、固体電池及び固体電池の製造方法
1か月前
本田技研工業株式会社
二酸化炭素回収装置及び二酸化炭素回収方法
1か月前
本田技研工業株式会社
情報処理装置、情報処理方法、およびプログラム
9日前
本田技研工業株式会社
移動体の制御装置、移動体の制御方法、およびプログラム
4日前
本田技研工業株式会社
学習装置、推定装置、学習方法、推定方法及びプログラム
1か月前
本田技研工業株式会社
作動装置
9日前
本田技研工業株式会社
制御装置
11日前
本田技研工業株式会社
車両、制御方法、プログラム、記憶媒体、及び情報処理装置
9日前
本田技研工業株式会社
移動体支援装置および移動体システム
24日前
本田技研工業株式会社
移動体制御システム、情報処理装置、移動体制御システムのための方法、機械学習モデルを生成する方法
1か月前
個人
液体化石燃料の改質方法
2日前
合同会社双晶
製炭方法
1か月前
三洋化成工業株式会社
導電剤及び潤滑剤組成物
18日前
株式会社ニッペコ
潤滑組成物
10日前
株式会社ユシロ
金属加工用潤滑剤組成物
1か月前
ENEOS株式会社
グリース組成物
20日前
三浦工業株式会社
ガス化装置
1か月前
株式会社神鋼環境ソリューション
搬送装置
1か月前
日本製鉄株式会社
コークスの粉化量予測方法
18日前
三菱重工業株式会社
炭化炉及びその制御方法
1か月前
株式会社神鋼環境ソリューション
炭化物製造設備
1か月前
出光興産株式会社
再生絶縁油の製造方法
1か月前
株式会社ダイゾー
グリース組成物
26日前
三菱重工業株式会社
炉壁及びガス化炉並びに炉壁の製造方法
26日前
旭化成株式会社
炭素数6~8の炭化水素含有留分の製造方法
17日前
続きを見る
他の特許を見る