TOP
|
特許
|
意匠
|
商標
特許ウォッチ
Twitter
他の特許を見る
公開番号
2025150895
公報種別
公開特許公報(A)
公開日
2025-10-09
出願番号
2024052050
出願日
2024-03-27
発明の名称
駆動システム
出願人
本田技研工業株式会社
代理人
個人
,
個人
,
個人
主分類
H02P
25/22 20060101AFI20251002BHJP(電力の発電,変換,配電)
要約
【課題】簡素な回路構成でコンデンサからの放電制御を行う。
【解決手段】駆動システムは、共通のティースを含むよう構成された第1コイル群と第2コイル群とを有する相を複数備える走行用モータを、バッテリの電力によって駆動する電気自動車の駆動システムであって、走行用モータの相ごとに、第1コイル群に接続される第1インバータと、第2コイル群に接続される第2インバータとを備える駆動回路と、バッテリの正負極間に並列に接続されるコンデンサと、バッテリとが電気的に切り離された状態で、コンデンサの放電要求がある場合に、第1インバータと第1コイル群との接続状態、および、第2インバータと第2コイル群との接続状態の少なくとも一方を制御することにより、同相の第1コイル群と第2コイル群とに互いに逆向きの磁束を発生させる放電制御を行う制御部と、を備える。
【選択図】図1
特許請求の範囲
【請求項1】
共通のティースを含むよう構成された第1コイル群と第2コイル群とを有する相を複数備える走行用モータを、バッテリの電力によって駆動する電気自動車の駆動システムであって、
前記走行用モータの相ごとに、前記第1コイル群に接続される第1インバータと、前記第2コイル群に接続される第2インバータとを備える駆動回路と、
前記バッテリの正負極間に並列に接続されるコンデンサと、前記バッテリとが電気的に切り離された状態で、前記コンデンサの放電要求がある場合に、前記第1インバータと前記第1コイル群との接続状態、および、前記第2インバータと前記第2コイル群との接続状態の少なくとも一方を制御することにより、同相の前記第1コイル群と前記第2コイル群とに互いに逆向きの磁束を発生させる放電制御を行う制御部と、
を備える駆動システム。
続きを表示(約 480 文字)
【請求項2】
前記第1コイル群および前記第2コイル群は、複数の相が互いに独立してインバータに接続されるオープン巻き線である
請求項1に記載の駆動システム。
【請求項3】
前記放電要求は、前記電気自動車の衝突検出がされた場合に発生する
請求項1に記載の駆動システム。
【請求項4】
前記制御部のうち、少なくとも前記放電制御を行う回路は、前記コンデンサから供給される電力によって動作可能である
請求項1に記載の駆動システム。
【請求項5】
前記制御部のうち、少なくとも前記放電制御を行う回路は、前記制御部の他の回路を駆動する制御電源から供給される電力と、前記コンデンサから供給される電力とのいずれかの電力によって動作する
請求項4に記載の駆動システム。
【請求項6】
前記制御部のうち、少なくとも前記放電制御を行う放電制御部は、前記第1インバータおよび前記第2インバータを構成するトランジスタのゲートドライブ回路に備えられる
請求項1に記載の駆動システム。
発明の詳細な説明
【技術分野】
【0001】
本発明は、駆動システムに関する。
続きを表示(約 1,700 文字)
【背景技術】
【0002】
従来、電気自動車の走行用モータなどのモータを駆動するシステムが提案されている(例えば、特許文献1を参照)。
【先行技術文献】
【特許文献】
【0003】
特開2011-259570号公報
【発明の概要】
【発明が解決しようとする課題】
【0004】
これに関連し、従来、駆動回路に備えられているコンデンサに蓄えられている電力を放電させるために、コンデンサに抵抗器を接続して熱として電力を消費する、ベクトル制御のモータにおいてd軸電流を制御することでモータのコイルで電力を消費する、といった技術が提案されている。しかしながら、抵抗器を接続する場合には部品点数や部品サイズが増える、モータをベクトル制御する場合には電流センサや高性能なコンピュータが必要といった問題が生じていた。すなわち、従来技術によると、コンデンサからの放電制御を簡素な回路構成で実現することは困難であった。
【0005】
本発明は、上記問題を解決すべくなされたもので、その目的は、簡素な回路構成でコンデンサからの放電制御を行うことができる駆動システムを提供することにある。
【課題を解決するための手段】
【0006】
本発明の一実施形態は、共通のティースを含むよう構成された第1コイル群と第2コイル群とを有する相を複数備える走行用モータを、バッテリの電力によって駆動する電気自動車の駆動システムであって、前記走行用モータの相ごとに、前記第1コイル群に接続される第1インバータと、前記第2コイル群に接続される第2インバータとを備える駆動回路と、前記バッテリの正負極間に並列に接続されるコンデンサと、前記バッテリとが電気的に切り離された状態で、前記コンデンサの放電要求がある場合に、前記第1インバータと前記第1コイル群との接続状態、および、前記第2インバータと前記第2コイル群との接続状態の少なくとも一方を制御することにより、同相の前記第1コイル群と前記第2コイル群とに互いに逆向きの磁束を発生させる放電制御を行う制御部と、を備える駆動システムである。
【発明の効果】
【0007】
この発明によれば、簡素な回路構成でコンデンサからの放電制御を行うことができる。
【図面の簡単な説明】
【0008】
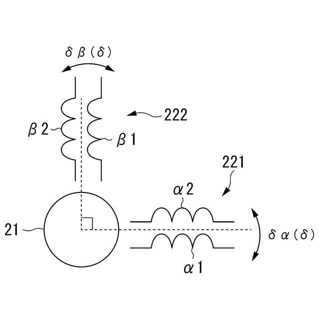
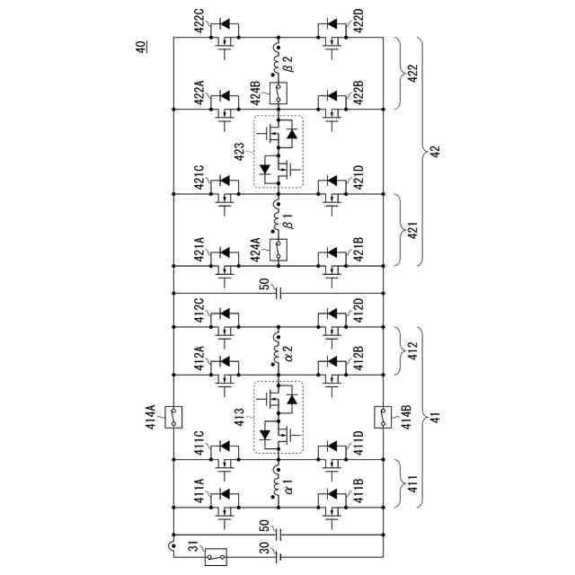
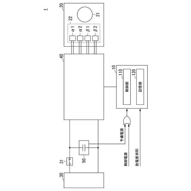
本実施形態の駆動システムの構成の一例を示す図である。
本実施形態の走行用モータの磁気回路の構成を模式的に表した図である。
本実施形態の走行用モータのコイルの位相の構成を模式的に表した図である。
本実施形態の駆動回路の構成の一例を示す図である。
本実施形態の制御装置の動作の流れの一例を示す図である。
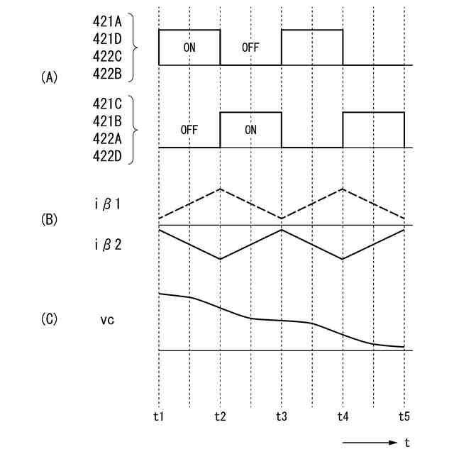
本実施形態の制御部による逆相放電制御の一例を示す図である。
本実施形態の逆相放電制御における電流経路の一例を示す図である。
本実施形態の駆動システムの構成の変形例を示す図である。
【発明を実施するための形態】
【0009】
[駆動システムの全体構成]
以下、図面を参照して、本発明の実施形態を説明する。
図1は、本実施形態の駆動システム1の構成の一例を示す図である。本実施形態の一例では、駆動システム1は、電気自動車に適用される。
駆動システム1は、制御装置10と、走行用モータ20と、バッテリ30と、駆動回路40とを備える。
【0010】
制御装置10は、制御部110と、記憶部120とを備える。
制御部110は、例えばCPU(central processing unit;中央演算処理装置)を備えており、記憶部120に記憶されているプログラムおよびデータに基づいて、各種の機能を提供する。
記憶部120は、不揮発性の半導体メモリなどの記憶素子を備えており、制御部110が動作するためのプログラムやデータを記憶する。
(【0011】以降は省略されています)
この特許をJ-PlatPat(特許庁公式サイト)で参照する
関連特許
本田技研工業株式会社
車両
22日前
本田技研工業株式会社
車両
29日前
本田技研工業株式会社
車両
29日前
本田技研工業株式会社
車両
1か月前
本田技研工業株式会社
車両
1か月前
本田技研工業株式会社
飛行体
1か月前
本田技研工業株式会社
移動体
1か月前
本田技研工業株式会社
電気機器
1か月前
本田技研工業株式会社
内燃機関
1か月前
本田技研工業株式会社
二次電池
25日前
本田技研工業株式会社
触媒装置
25日前
本田技研工業株式会社
固体電池
25日前
本田技研工業株式会社
電気部品
1か月前
本田技研工業株式会社
収容装置
1か月前
本田技研工業株式会社
清掃装置
1か月前
本田技研工業株式会社
排気装置
29日前
本田技研工業株式会社
排気装置
29日前
本田技研工業株式会社
発電セル
29日前
本田技研工業株式会社
電気機器
1か月前
本田技研工業株式会社
エンジン
1か月前
本田技研工業株式会社
電気機器
1か月前
本田技研工業株式会社
制御装置
29日前
本田技研工業株式会社
固体電池
1か月前
本田技研工業株式会社
電気機器
1か月前
本田技研工業株式会社
排気装置
29日前
本田技研工業株式会社
切断装置
1か月前
本田技研工業株式会社
固体電池
29日前
本田技研工業株式会社
除草装置
29日前
本田技研工業株式会社
内燃機関
29日前
本田技研工業株式会社
全固体電池
1か月前
本田技研工業株式会社
全固体電池
25日前
本田技研工業株式会社
樹脂成型品
1か月前
本田技研工業株式会社
鞍乗型車両
29日前
本田技研工業株式会社
電極積層体
29日前
本田技研工業株式会社
電動船外機
25日前
本田技研工業株式会社
リアクトル
29日前
続きを見る
他の特許を見る