TOP
|
特許
|
意匠
|
商標
特許ウォッチ
Twitter
他の特許を見る
公開番号
2025155011
公報種別
公開特許公報(A)
公開日
2025-10-14
出願番号
2024058323
出願日
2024-03-30
発明の名称
固体電池
出願人
本田技研工業株式会社
代理人
個人
,
個人
主分類
H01M
10/0585 20100101AFI20251003BHJP(基本的電気素子)
要約
【課題】負極の縁部に対する正極側への荷重を、正極枠によって受け止め易くしつつも、正極側の導電体と負極側の導電体との間の絶縁距離を大きく確保し易くする。
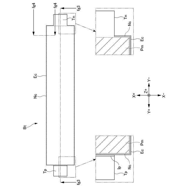
【解決手段】固体電池は、積層方向の少なくとも一方に向かって順に、正極集電体と正極材層と所定固体電解質層と負極側固体電解質層と負極とを備えると共に、正極集電体から突出する正極タブと、負極から突出する負極タブと、を備える、正極集電体よりも負極側には、正極材層を周囲から囲む絶縁体の正極枠が設けられている。以下、正極枠の外縁よりも内側の面積を「sF」と定義し、所定固体電解質層の面積を「sEc」と定義し、負極側固体電解質層の面積を「sEn」と定義し、負極の面積を「sN」と定義する。固体電池は、「sEc≧sF>sN≧sEn」の関係を満たす。
【選択図】図3
特許請求の範囲
【請求項1】
積層方向の少なくとも一方に向かって順に、正極集電体と正極材層と所定固体電解質層と負極側固体電解質層と負極とを備えると共に、前記正極集電体から突出する正極タブと、前記負極から突出する負極タブと、を備え、
前記正極集電体よりも前記負極側には、前記正極材層を周囲から囲む絶縁体の正極枠が設けられており、
充電により前記負極の体積が増加し、放電により前記負極の体積が減少する固体電池であって、
前記積層方向に見た平面視における前記正極枠の外縁よりも内側の面積を「sF」と定義し、前記平面視における前記所定固体電解質層の面積を「sEc」と定義し、前記平面視における前記負極側固体電解質層の面積を「sEn」と定義し、前記平面視における前記負極の面積を「sN」と定義して、
「sEc≧sF>sN≧sEn」の関係を満たす、
固体電池。
続きを表示(約 1,000 文字)
【請求項2】
前記負極側固体電解質層と前記負極との間に、中間層を備え、
前記中間層の面積を「sM」と定義して、
「sN≧sM≧sEn」の関係を満たす、
請求項1に記載の固体電池。
【請求項3】
前記正極材層と前記所定固体電解質層との間に、正極側固体電解質層を備え、
前記平面視における正極側固体電解質層の面積を「sEp」と定義して、
「sEc≧sF≧sEp」の関係を満たす、
請求項1又は2に記載の固体電池。
【請求項4】
「sEc>sF」の関係を満たす、
請求項1又は2に記載の固体電池。
【請求項5】
前記正極枠よりも前記所定固体電解質層の方が、前記負極タブの突出方向に突出している、
請求項1又は2に記載の固体電池。
【請求項6】
前記所定固体電解質層は、前記負極側固体電解質層よりも前記積層方向に厚い、
請求項1又は2に記載の固体電池。
【請求項7】
前記所定固体電解質層は、多孔質の基材と、前記基材に充填された固体電解質とを含む、
請求項1又は2に記載の固体電池。
【請求項8】
前記所定固体電解質層は、バインダーを含有しており、
前記所定固体電解質層の前記バインダーの含有率は、前記負極側固体電解質層の前記バインダーの含有率と異なる、
請求項1又は2に記載の固体電池。
【請求項9】
前記正極枠から前記正極タブの突出方向に突出した正極タブ絶縁部を備え、
前記所定固体電解質層よりも前記正極タブ絶縁部の方が、前記正極タブの突出方向に突出している、
請求項1又は2に記載の固体電池。
【請求項10】
前記正極材層と前記所定固体電解質層との間に、正極側固体電解質層を備え、
前記負極側固体電解質層と前記負極との間に、中間層を備え
前記平面視における前記正極材層の面積を「sPm」と定義し、
前記平面視における前記正極側固体電解質層の面積を「sEp」と定義し、
前記平面視における前記中間層の面積を「sM」と定義して、
「sEc≧sF≧sEp≧sN≧sM≧sEn≧sPm」の関係を満たす、
請求項1又は2に記載の固体電池。
(【請求項11】以降は省略されています)
発明の詳細な説明
【技術分野】
【0001】
本発明は、車両などに搭載される固体電池に関する。
続きを表示(約 1,100 文字)
【背景技術】
【0002】
近年は、二酸化炭素の排出を低減して地球環境上の悪影響を低減する等の観点から、EVやHEV等の電動車両の普及が進んでいる。電動車両等に搭載される二次電池の中には、次のような固体電池がある。
【0003】
固体電池は、正極集電体を備えると共に、当該正極集電体から積層方向の両側の各方に向かって順に、正極材層と固体電解質層と負極とを備える。正極集電体よりも負極層側には、正極材層を周囲から囲む絶縁体の正極枠が設けられている。正極集電体と正極材層とは正極を構成する。また、固体電池は、正極集電体から突出する正極タブと、負極から突出する負極タブとを備える。
【0004】
この固体電池は、積層方向に隣り合う層どうしが密着し合うように、積層方向の内側に押圧された状態で格納される。そのことから、固体電池は、使用時の状態では、常に正極が負極側に押圧され、常に負極が正極側に押圧される。
【先行技術文献】
【特許文献】
【0005】
特開2023-148244号公報
【発明の概要】
【発明が解決しようとする課題】
【0006】
本発明者らは、このような固体電池において、以下の課題がある点に着目した。
【0007】
このような固体電池の多くは、充電時には、リチウムの吸蔵などにより負極の体積が増加し、放電時には、当該リチウムの放出などにより負極の体積が減少する。その負極の体積の増減に起因して、正極側の導電体と負極側の導電体との間で短絡が発生するそれがある。そのことから、正極側の導電体と負極側の導電体と間の絶縁距離は、なるべく大きく確保することが好ましい。
【0008】
他方、正極集電体および正極枠の積層方向視での面積を小さくして、正極集電体および正極枠の縁を、固体電解質の縁よりも内側に凹ますことによって、正極側の導電体と負極側の導電体との間の絶縁距離を確保した場合には、次の問題が起こり得る。
【0009】
すなわち、固体電池の使用時の状態において、負極の縁部に対する正極側への荷重を、正極枠によって受け止めることができない。そのことから、当該荷重が負極の縁部に逃げ易くなる。そのことで、充電時には、負極の縁部にリチウムなどが多く吸蔵されて易くなってしまうといった問題などが起こり得る。
【0010】
本発明は、上記事情に鑑みてなされたものであり、負極の縁部に対する正極側への荷重を、正極枠によって受け止め易くしつつも、正極側の導電体と負極側の導電体との間の絶縁距離を大きく確保し易くすることを目的とする。
【課題を解決するための手段】
(【0011】以降は省略されています)
この特許をJ-PlatPat(特許庁公式サイト)で参照する
関連特許
本田技研工業株式会社
差圧式電解装置
12日前
本田技研工業株式会社
回転電機のロータ
11日前
本田技研工業株式会社
電動無段変速装置
14日前
本田技研工業株式会社
移動体支援装置および移動体システム
12日前
東ソー株式会社
絶縁電線
13日前
APB株式会社
蓄電セル
11日前
個人
フレキシブル電気化学素子
25日前
ローム株式会社
半導体装置
12日前
ローム株式会社
半導体装置
27日前
ローム株式会社
半導体装置
1か月前
日新イオン機器株式会社
イオン源
21日前
株式会社東芝
端子台
5日前
株式会社ユーシン
操作装置
25日前
マクセル株式会社
電源装置
5日前
株式会社GSユアサ
蓄電装置
1か月前
株式会社GSユアサ
蓄電装置
6日前
太陽誘電株式会社
全固体電池
1か月前
オムロン株式会社
電磁継電器
26日前
株式会社GSユアサ
蓄電設備
25日前
株式会社GSユアサ
蓄電装置
6日前
株式会社GSユアサ
蓄電設備
25日前
株式会社ホロン
冷陰極電子源
19日前
株式会社ホロン
冷陰極電子源
1か月前
太陽誘電株式会社
コイル部品
25日前
日本特殊陶業株式会社
保持装置
14日前
日新イオン機器株式会社
基板処理装置
8日前
日本特殊陶業株式会社
保持装置
1か月前
日本特殊陶業株式会社
保持装置
1か月前
サクサ株式会社
電池の固定構造
25日前
ノリタケ株式会社
熱伝導シート
25日前
トヨタ自動車株式会社
蓄電装置
6日前
トヨタ自動車株式会社
蓄電装置
25日前
トヨタ自動車株式会社
バッテリ
11日前
北道電設株式会社
配電具カバー
11日前
日東電工株式会社
積層体
26日前
TDK株式会社
電子部品
1か月前
続きを見る
他の特許を見る