TOP
|
特許
|
意匠
|
商標
特許ウォッチ
Twitter
他の特許を見る
10個以上の画像は省略されています。
公開番号
2025163460
公報種別
公開特許公報(A)
公開日
2025-10-29
出願番号
2024066736
出願日
2024-04-17
発明の名称
蓄電装置
出願人
株式会社GSユアサ
代理人
個人
主分類
H01M
50/557 20210101AFI20251022BHJP(基本的電気素子)
要約
【課題】キャパシタセルの集電極に配線ケーブルを接合する場合、接合時の熱によってキャパシタセルの集電極をシールするシール部が損傷することを抑制できる蓄電装置を提供する。
【解決手段】蓄電装置は、第一方向Xに並ぶ第一蓄電素子及び第二蓄電素子と、第一蓄電素子及び第二蓄電素子の状態を検出する検出線と、を備え、第一蓄電素子は、第一外装体と、第一外装体の縁部から突出する第一タブ部222と、を備え、第二蓄電素子は、第一タブ部に重ねて接続される第二タブ部221を備え、第一外装体の縁部は、縁部及び第一タブ部をシールするシール部を備え、検出線は、第一タブ部の突出長さの中心と第一タブ部の先端部との間の位置で第一タブ部に接合されている接合部361を備え、第一タブ部の熱伝導率は、第二タブ部の熱伝導率よりも高い。
【選択図】図5
特許請求の範囲
【請求項1】
第一方向に並ぶ第一蓄電素子及び第二蓄電素子と、
前記第一蓄電素子及び前記第二蓄電素子の状態を検出する検出線と、を備え、
前記第一蓄電素子は、
第一外装体と、
前記第一外装体の縁部から突出する第一タブ部と、を備え、
前記第二蓄電素子は、前記第一タブ部に重ねて接続される第二タブ部を備え、
前記第一外装体の前記縁部は、前記縁部及び前記第一タブ部をシールするシール部を備え、
前記検出線は、前記第一タブ部の突出長さの中心と前記第一タブ部の先端部との間の位置で前記第一タブ部に接合されている接合部を備え、
前記第一タブ部の熱伝導率は、前記第二タブ部の熱伝導率よりも高い、
蓄電装置。
続きを表示(約 500 文字)
【請求項2】
前記第二タブ部は、前記第一タブ部と前記第二タブ部とが重なる方向から見て、前記接合部に重ならない形状である、
請求項1に記載の蓄電装置。
【請求項3】
前記第一タブ部は、
前記第二蓄電素子に向けて折り曲げられる第一折り曲げ部と、
前記第一方向に交差する第二方向を向く第一平板部と、を備え、
前記第二タブ部は、
前記第一蓄電素子に向けて折り曲げられる第二折り曲げ部と、
前記第二方向を向く第二平板部と、を備える、
請求項1または2に記載の蓄電装置。
【請求項4】
前記接合部は、前記第一平板部に配置されている、
請求項3に記載の蓄電装置。
【請求項5】
前記第二平板部は、前記第一平板部よりも前記第一方向から見て前記第二方向の外方に配置されている、
請求項3に記載の蓄電装置。
【請求項6】
前記検出線は、前記第一方向に延びて前記接合部を通過した位置で折り返されて、前記接合部に至る形状である、
請求項1または2に記載の蓄電装置。
発明の詳細な説明
【技術分野】
【0001】
本発明は、蓄電装置に関する。
続きを表示(約 1,700 文字)
【背景技術】
【0002】
特許文献1には、複数のキャパシタセルをフレームに組み付けてユニット化した蓄電ユニットがハウジング内に収容された蓄電システムが開示されている。このような蓄電システムには、キャパシタセルの集電極に連結された集電極連結具には、配線ケーブルが連結されている。
【先行技術文献】
【特許文献】
【0003】
特開2007-110035号公報
【発明の概要】
【発明が解決しようとする課題】
【0004】
ここで、キャパシタセルの集電極に配線ケーブルを接合する場合、接合時の熱がキャパシタセルに伝わってしまい、キャパシタセルの集電極をシールするシール部が損傷してしまうおそれがある。
【0005】
本発明は、本願発明者が上記課題に新たに着目することによってなされたものであり、シール部の損傷を抑制できる蓄電装置を提供することを目的とする。
【課題を解決するための手段】
【0006】
本発明の一態様に係る蓄電装置は、第一方向に並ぶ第一蓄電素子及び第二蓄電素子と、前記第一蓄電素子及び前記第二蓄電素子の状態を検出する検出線と、を備え、前記第一蓄電素子は、第一外装体と、前記第一外装体の縁部から突出する第一タブ部と、を備え、前記第二蓄電素子は、前記第一タブ部に重ねて接続される第二タブ部を備え、前記第一外装体の前記縁部は、前記縁部及び前記第一タブ部をシールするシール部を備え、前記検出線は、前記第一タブ部の突出長さの中心と前記第一タブ部の先端部との間の位置で前記第一タブ部に接合されている接合部を備え、前記第一タブ部の熱伝導率は、前記第二タブ部の熱伝導率よりも高い。
【発明の効果】
【0007】
本発明によれば、シール部の損傷を抑制可能な蓄電装置を提供できる。
【図面の簡単な説明】
【0008】
図1は、実施の形態に係る蓄電装置の外観を示す斜視図である。
図2は、実施の形態に係る蓄電装置を分解した場合の各構成要素を示す分解斜視図である。
図3は、実施の形態に係る複数の蓄電素子のそれぞれを分離して示す斜視図である。
図4は、実施の形態に係る検出線とリード端子との接合構造を示す斜視図である。
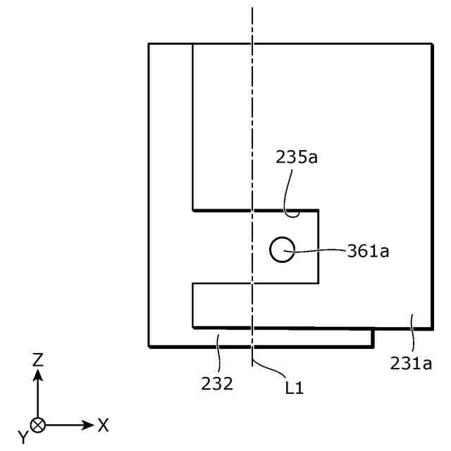
図5は、実施の形態に係る接合部と、平板部との位置関係を示す平面図である。
図6は、変形例1に係る平板部及び平板部を示す平面図である。
図7は、変形例2に係る平板部及び平板部を示す平面図である。
図8は、変形例3に係る平板部及び平板部を示す平面図である。
図9は、変形例4に係る負極リード端子と正極リード端子とを示す側面図である。
図10は、変形例5に係る負極リード端子と正極リード端子とを示す側面図である。
【発明を実施するための形態】
【0009】
(1)本発明の一態様に係る蓄電装置は、第一方向に並ぶ第一蓄電素子及び第二蓄電素子と、前記第一蓄電素子及び前記第二蓄電素子の状態を検出する検出線と、を備え、前記第一蓄電素子は、第一外装体と、前記第一外装体の縁部から突出する第一タブ部と、を備え、前記第二蓄電素子は、前記第一タブ部に重ねて接続される第二タブ部を備え、前記第一外装体の前記縁部は、前記縁部及び前記第一タブ部をシールするシール部を備え、前記検出線は、前記第一タブ部の突出長さの中心と前記第一タブ部の先端部との間の位置で前記第一タブ部に接合されている接合部を備え、前記第一タブ部の熱伝導率は、前記第二タブ部の熱伝導率よりも高い。
【0010】
上記(1)に記載の蓄電装置によれば、第一タブ部の突出長さの中心と第一タブ部の先端部との間の位置は、シール部から離れた位置である。この位置で検出線の接合部が第一タブ部に接合されているので、シール部までの伝熱経路を長くできる。したがって、接合時の熱がシール部まで伝達されにくくなり、シール部の損傷を抑制できる。
(【0011】以降は省略されています)
この特許をJ-PlatPat(特許庁公式サイト)で参照する
関連特許
株式会社GSユアサ
蓄電設備
1か月前
株式会社GSユアサ
蓄電設備
1か月前
株式会社GSユアサ
鉛蓄電池
1か月前
株式会社GSユアサ
蓄電装置
2日前
株式会社GSユアサ
蓄電装置
1か月前
株式会社GSユアサ
PCS盤
1か月前
株式会社GSユアサ
蓄電装置
1か月前
株式会社GSユアサ
蓄電装置
24日前
株式会社GSユアサ
蓄電装置
24日前
株式会社GSユアサ
蓄電装置
16日前
株式会社GSユアサ
蓄電装置
10日前
株式会社GSユアサ
蓄電バンクの監視システム
15日前
株式会社GSユアサ
鉛蓄電池用極板及び鉛蓄電池
1か月前
株式会社GSユアサ
鉛蓄電池用極板及び鉛蓄電池
1か月前
株式会社GSユアサ
電力変換器、充電装置及び車両
1か月前
株式会社GSユアサ
非水電解質蓄電素子及びその製造方法
17日前
株式会社GSユアサ
非水電解質蓄電素子及びその使用方法
3日前
株式会社GSユアサ
デバイス装置、エネルギー貯蔵システム
15日前
株式会社GSユアサ
全固体蓄電素子及び全固体蓄電素子の製造方法
1か月前
株式会社GSユアサ
電力変換器、多脚トランス、充電装置及び車両
1か月前
株式会社GSユアサ
エネルギー貯蔵システム、蓄電バンクの初期充電方法
1か月前
株式会社GSユアサ
非水電解質蓄電素子、その使用方法及びその製造方法
1か月前
株式会社GSユアサ
電力変換器、電力変換器の制御方法、充電装置及び車両
1か月前
株式会社GSユアサ
蓄電素子用の正極活物質、蓄電素子用の正極及び蓄電素子
1か月前
株式会社GSユアサ
蓄電素子
1か月前
株式会社GSユアサ
鉛蓄電池用正極集電体、および鉛蓄電池用集電体の製造方法
1か月前
株式会社GSユアサ
エネルギー貯蔵システム、蓄電池盤の満充電容量計測方法。
1か月前
株式会社GSユアサ
蓄電システム
4日前
株式会社GSユアサ
蓄電情報処理方法、コンピュータプログラム及び蓄電情報処理装置
1か月前
株式会社GSユアサ
充放電ステーション
1か月前
株式会社GSユアサ
情報処理装置及び端末装置
1か月前
株式会社GSユアサ
蓄電装置、組電池の異常検出方法
1か月前
株式会社GSユアサ
硫化物固体電解質及び全固体電池
25日前
株式会社GSユアサ
蓄電装置、電流遮断装置の制御方法
2日前
株式会社GSユアサ
電力変換器、充電装置、車両、電源装置、力率改善回路、DC-DCコンバータおよびインバータ
1か月前
株式会社GSユアサ
充放電システム、及び、充放電システムの制御方法
1か月前
続きを見る
他の特許を見る