TOP
|
特許
|
意匠
|
商標
特許ウォッチ
Twitter
他の特許を見る
10個以上の画像は省略されています。
公開番号
2025153434
公報種別
公開特許公報(A)
公開日
2025-10-10
出願番号
2024055917
出願日
2024-03-29
発明の名称
鞍乗型車両
出願人
本田技研工業株式会社
代理人
個人
,
個人
主分類
B62J
9/23 20200101AFI20251002BHJP(鉄道以外の路面車両)
要約
【課題】シートの下方のスペースに複数の電装部品を効率よく配設することができる鞍乗型車両を提供する。
【解決手段】リヤフェンダ(50)と、当該リヤフェンダ(50)の上方に複数の車体部品(71,72,73,B)と、を備える鞍乗型車両(1)において、前記リヤフェンダ(50)上面の一部が平面に形成された平面部(53)と、前記平面部(53)の上方の位置で前記リヤフェンダ(50)に取り付けられる支持トレー(80)を備え、前記支持トレー(80)は、板状の天板部(82)と、前記天板部(82)から上下に延び、前記平面部(53)に支持される側壁部(88)とを有し、前記天板部(82)の下面側では、前記側壁部(88)の内側で、前記天板部(82)と前記平面部(53)との間に前記車体部品のうちの第1車体部品(71)が収納され、前記天板部(82)の上面側では、前記車体部品のうちのバッテリ(B)が配設される。
【選択図】図3
特許請求の範囲
【請求項1】
リヤフェンダ(50)と、当該リヤフェンダ(50)の上方に複数の車体部品(71,72,73,B)と、を備える鞍乗型車両(1)において、
前記リヤフェンダ(50)上面の一部が平面に形成された平面部(53)と、
前記平面部(53)の上方の位置で前記リヤフェンダ(50)に取り付けられる支持トレー(80)を備え、
前記支持トレー(80)は、板状の天板部(82)と、前記天板部(82)から上下に延び、前記平面部(53)に支持される側壁部(88)とを有し、
前記天板部(82)の下面側では、前記側壁部(88)の内側で、前記天板部(82)と前記平面部(53)との間に前記車体部品のうちの第1車体部品(71)が収納され、
前記天板部(82)の上面側では、前記車体部品のうちのバッテリ(B)が配設されることを特徴とする鞍乗型車両。
続きを表示(約 1,800 文字)
【請求項2】
前記平面部(53)は、前記リアフェンダ(50)の一部が上方に隆起することによって形成され、
前記平面部(53)の下面側は、上方へ窪む凹部(75)を構成し、
前記凹部(75)に、前記車体部品のうちの第2車体部品(72)が配設されることを特徴とする請求項1に記載の鞍乗型車両。
【請求項3】
前記第2車体部品(72)は、レギュレータレクチファイヤ(72)であり、
前記レギュレータレクチファイヤ(72)は、前記凹部(75)に設けられた支持腕(74)によって支持されており、
前記リヤフェンダ(50)には、前記レギュレータレクチファイヤ(72)の前方の位置に開口(52)が設けられており、
前記レギュレータレクチファイヤ(72)は、前記平面部(53)の水平面に対する前傾角度よりもさらに前傾して配設されることを特徴とする請求項2に記載の鞍乗型車両。
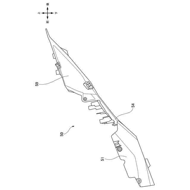
【請求項4】
前記リヤフェンダ(50)は、前記平面部(53)の後方に、上方に隆起して湾曲する湾曲部(54)が設けられ、
前記支持トレー(80)の後部に前記湾曲部(54)に沿った形状の後部延出部(87)が設けられていることを特徴とする請求項1または2に記載の鞍乗型車両。
【請求項5】
前記リヤフェンダ(50)の車幅方向外側端部に、上方へ起立する起立部(51)が形成されており、
前記起立部(51)と、車体前後方向に沿う前記側壁部(88)とが離間しており、
前記起立部(51)と前記側壁部(89)との間にハーネス(H1,H2)が配索されており、
前記第1車体部品が制御装置(71)であり、
前記側壁部(88)に、前記制御装置(71)に接続される前記ハーネス(H2)を通す配索口(85)を構成する切り欠き(89)が設けられていることを特徴とする請求項1に記載の鞍乗型車両。
【請求項6】
前記支持トレー(80)には、前記ハーネス(H1,H2)が配索される側の前記側壁部(88)の上縁より上方まで延びる保護片(83)が設けられていることを特徴とする請求項5に記載の鞍乗型車両。
【請求項7】
前記車体部品のうちの第3車体部品(73)が、前記支持トレー(80)の側方で前記リヤフェンダ(50)の上部に配設されており、
前記支持トレー(80)の側部に、車幅方向外側に延びる突起部(81)が形成されており、
前記支持トレー(80)を所定位置に取り付けた際に、前記突起部(81)が前記第3車体部品(73)の上面を押圧することを特徴とする請求項1または2に記載の鞍乗型車両。
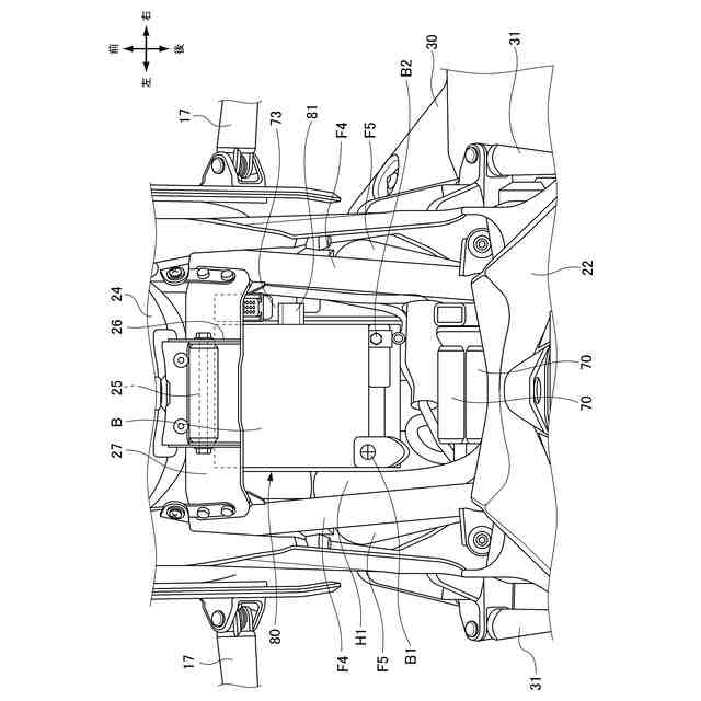
【請求項8】
左右一対のリヤフレーム(F4)と、
前記左右一対のリヤフレーム(F4)を互いに連結するクロスメンバ(27)とを備え、
前記バッテリ(B)は、車体平面視で、前記クロスメンバ(27)の下方に重なる位置に配設されており、
前記バッテリ(B)の端子(B1,B2)は、前記クロスメンバ(27)から最も離間した前記バッテリ(B)の辺に設けられることを特徴とする請求項1または2に記載の鞍乗型車両。
【請求項9】
前記リヤフェンダ(50)の上面に、上方へ立設して前記第1車体部品(71)を下方から支持する複数のリブ(95a,95b,95c,95d,95e,95f,95g,95h)が設けられており、
前記複数のリブ(95a,95b,95c,95d,95e,95f,95g,95h)が、前記第1車体部品(71)の前面、後面および車幅方向左側面を支持する部分を含み、
前記第1車体部品(71)の側面を支持する前記支持トレー(80)の側壁部(88)に、前記第1車体部品(71)の上側角部(71a)の形状に沿った肩部(88a)が形成されていることを特徴とする請求項1または2に記載の鞍乗型車両。
【請求項10】
前記支持トレー(80)を所定位置に取り付けた際に、前記天板部(82)が前記第1車体部品(71)の上面を押圧することを特徴とする請求項1または2に記載の鞍乗型車両。
(【請求項11】以降は省略されています)
発明の詳細な説明
【技術分野】
【0001】
本発明は、鞍乗型車両に係り、特に、シートの下方のスペースに複数の電装部品を配設する鞍乗型車両に関する。
続きを表示(約 1,400 文字)
【背景技術】
【0002】
従来から、鞍乗型車両のシートの下方のスペースに複数の電装部品を配設する構成が知られている。
【0003】
特許文献1には、操向ハンドルとシートとの間に燃料タンクが配設されたスポーツタイプの鞍乗型車両において、シートおよび該シートを支持するシートカウルの下方かつ後輪の上方に位置するリヤフェンダに、複数の電装部品を配設する電装品ホルダを一体に形成した構成が開示されている。
【先行技術文献】
【特許文献】
【0004】
特開2019-99037号公報
【発明の概要】
【発明が解決しようとする課題】
【0005】
ここで、鞍乗型車両のシートの下方のスペースには限りがある一方で、重量物であるバッテリの支持部には高い剛性が要求されるほか、レギュレータレクチファイヤは効果的に放熱できる場所に配設する必要がある等、複数の電装部品を配設するには種々の条件を考慮する必要があり、さらに効率のよい配設構造に関しては、依然として工夫の余地があった。
【0006】
本発明の目的は、上記従来技術の課題を解決し、シートの下方のスペースに複数の電装部品を効率よく配設することができる鞍乗型車両を提供することにある。
【課題を解決するための手段】
【0007】
前記目的を達成するために、本発明は、リヤフェンダ(50)と、当該リヤフェンダ(50)の上方に複数の車体部品(71,72,73,B)と、を備える鞍乗型車両(1)において、前記リヤフェンダ(50)上面の一部が平面に形成された平面部(53)と、前記平面部(53)の上方の位置で前記リヤフェンダ(50)に取り付けられる支持トレー(80)を備え、前記支持トレー(80)は、板状の天板部(82)と、前記天板部(82)から上下に延び、前記平面部(53)に支持される側壁部(88)とを有し、前記天板部(82)の下面側では、前記側壁部(88)の内側で、前記天板部(82)と前記平面部(53)との間に前記車体部品のうちの第1車体部品(71)が収納され、前記天板部(82)の上面側では、前記車体部品のうちのバッテリ(B)が配設される点に第1の特徴がある。
【0008】
また、前記平面部(53)は、前記リアフェンダ(50)の一部が上方に隆起することによって形成され、前記平面部(53)の下面側は、上方へ窪む凹部(75)を構成し、前記凹部(75)に、前記車体部品のうちの第2車体部品(72)が配設される点に第2の特徴がある。
【0009】
また、前記第2車体部品(72)は、レギュレータレクチファイヤ(72)であり、前記レギュレータレクチファイヤ(72)は、前記凹部(75)に設けられた支持腕(74)によって支持されており、前記リヤフェンダ(50)には、前記レギュレータレクチファイヤ(72)の前方の位置に開口(52)が設けられており、前記レギュレータレクチファイヤ(72)は、前記平面部(53)の水平面に対する前傾角度よりもさらに前傾して配設される点に第3の特徴がある。
【0010】
また、前記リヤフェンダ(50)は、前記平面部(53)の後方に、上方に隆起して湾曲する湾曲部(54)が設けられ、前記支持トレー(80)の後部に前記湾曲部(54)に沿った形状の後部延出部(87)が設けられている点に第4の特徴がある。
(【0011】以降は省略されています)
この特許をJ-PlatPat(特許庁公式サイト)で参照する
関連特許
本田技研工業株式会社
車両
1か月前
本田技研工業株式会社
車両
1か月前
本田技研工業株式会社
車両
1か月前
本田技研工業株式会社
車両
1か月前
本田技研工業株式会社
車両
1か月前
本田技研工業株式会社
飛行体
1か月前
本田技研工業株式会社
排気装置
1か月前
本田技研工業株式会社
除草装置
1か月前
本田技研工業株式会社
固体電池
1か月前
本田技研工業株式会社
内燃機関
1か月前
本田技研工業株式会社
収容装置
1か月前
本田技研工業株式会社
清掃装置
1か月前
本田技研工業株式会社
電気部品
1か月前
本田技研工業株式会社
制御装置
1か月前
本田技研工業株式会社
排気装置
1か月前
本田技研工業株式会社
エンジン
1か月前
本田技研工業株式会社
排気装置
1か月前
本田技研工業株式会社
電気機器
1か月前
本田技研工業株式会社
二次電池
1か月前
本田技研工業株式会社
触媒装置
1か月前
本田技研工業株式会社
発電セル
1か月前
本田技研工業株式会社
電気機器
1か月前
本田技研工業株式会社
固体電池
1か月前
本田技研工業株式会社
電気機器
1か月前
本田技研工業株式会社
内燃機関
1か月前
本田技研工業株式会社
全固体電池
1か月前
本田技研工業株式会社
リアクトル
1か月前
本田技研工業株式会社
鞍乗型車両
1か月前
本田技研工業株式会社
鞍乗型車両
1か月前
本田技研工業株式会社
全固体電池
1か月前
本田技研工業株式会社
電動船外機
1か月前
本田技研工業株式会社
樹脂成型品
1か月前
本田技研工業株式会社
鞍乗型車両
1か月前
本田技研工業株式会社
電極積層体
1か月前
本田技研工業株式会社
移動システム
1か月前
本田技研工業株式会社
遊戯システム
1か月前
続きを見る
他の特許を見る