TOP
|
特許
|
意匠
|
商標
特許ウォッチ
Twitter
他の特許を見る
公開番号
2025147686
公報種別
公開特許公報(A)
公開日
2025-10-07
出願番号
2024048055
出願日
2024-03-25
発明の名称
パワーコンディショナ
出願人
オムロン株式会社
代理人
弁理士法人秀和特許事務所
主分類
H02M
3/00 20060101AFI20250930BHJP(電力の発電,変換,配電)
要約
【課題】故障した回路に接続された電源の損傷を防止するとともに、コンデンサの過電圧を抑制できるパワーコンディショナを提供する。
【解決手段】本パワーコンディショナは、制御装置と、第1の電源に接続され、第1のスイッチング素子を有する第1のDC/DCコンバータと、第1の電源とは別の電源にそれぞれ接続され、第2のスイッチング素子を有する第2のDC/DCコンバータと、インバータと、DC/DCコンバータとインバータとの間に並列に接続されるコンデンサと、インバータからDC/DCコンバータへ向かう電流を防止するダイオードと、を備える。制御装置は、第1のDC/DCコンバータにおいて第1の電源に向けて流れる電流を検出し、かつ、さらに、コンデンサの電圧が第1の電圧閾値以上である場合に、第2のスイッチング素子がオンにされる期間が長くなる第2の制御信号を第2のスイッチング素子に供給する。
【選択図】図1
特許請求の範囲
【請求項1】
制御装置と、
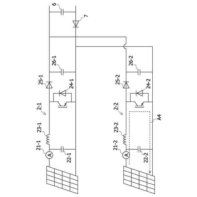
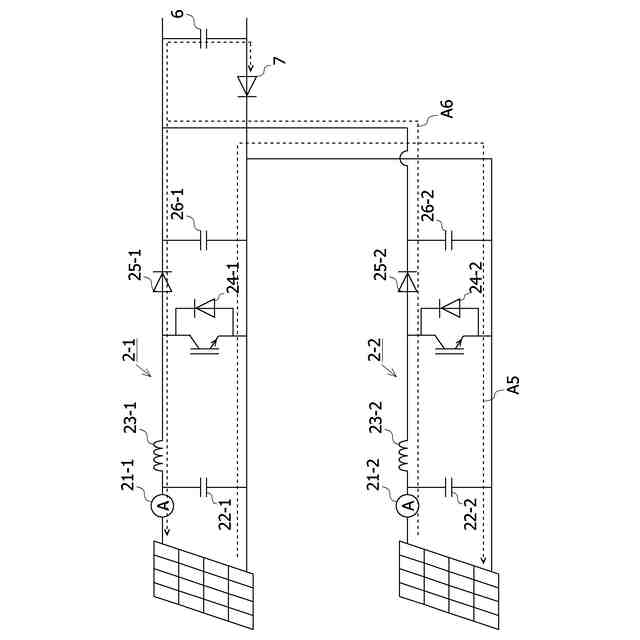
第1の電源に接続され、前記制御装置からの制御信号に応じてオンオフ制御される第1のスイッチング素子を有する第1のDC/DCコンバータと、
前記第1の電源とは別の電源にそれぞれ接続されるとともに前記第1のDC/DCコンバータと並列に接続され、前記制御装置からの前記制御信号に応じてオンオフ制御される第2のスイッチング素子を有する第2のDC/DCコンバータを少なくとも一つ含むコンバータセットと、
前記第1のDC/DCコンバータ及び前記第2のDC/DCコンバータに接続されるインバータと、
前記第1のDC/DCコンバータ及び前記第2のDC/DCコンバータと前記インバータとの間に並列に接続されるコンデンサと、
前記第1のDC/DCコンバータ及び前記第2のDC/DCコンバータと前記コンデンサとの間に直列に配置され、前記インバータから前記第1のDC/DCコンバータ及び前記第2のDC/DCコンバータへ向かう電流を防止するダイオードと、を備え、
前記制御装置は、
前記第1のDC/DCコンバータにおいて前記第1の電源に向けて流れる電流を検出すると、前記第2のスイッチング素子に供給する前記制御信号を、前記第1の電源に向けて流れる電流が所定の電流値以下となる第1のデューティー比の第1の制御信号とし、
前記第1のDC/DCコンバータにおいて前記第1の電源に向けて流れる電流を検出し、かつ、前記コンデンサの電圧が第1の電圧閾値以上である場合に、前記第1の制御信号が供給される場合よりも前記第2のスイッチング素子がオンにされる期間が長くなる第2の制御信号を前記第2のスイッチング素子に供給する、
パワーコンディショナ。
続きを表示(約 390 文字)
【請求項2】
前記制御装置は、
前記コンデンサの電圧が前記第1の電圧閾値より低い第2の閾値以下となるまで、前記第2の制御信号の前記第2のスイッチング素子への供給を継続する、
請求項1に記載のパワーコンディショナ。
【請求項3】
前記制御装置は、
前記第2の制御信号の前記第2のスイッチング素子への供給を開始してから所定期間の間は、前記第2の制御信号の前記第2のスイッチング素子への供給を継続する、
請求項1に記載のパワーコンディショナ。
【請求項4】
前記第2の制御信号のデューティー比は、100%である、
請求項1に記載のパワーコンディショナ。
【請求項5】
前記第1の電源及び前記別の電源は、太陽電池を含む、
請求項1から4のいずれか一項に記載のパワーコンディショナ。
発明の詳細な説明
【技術分野】
【0001】
本発明は、パワーコンディショナに関する。
続きを表示(約 2,500 文字)
【背景技術】
【0002】
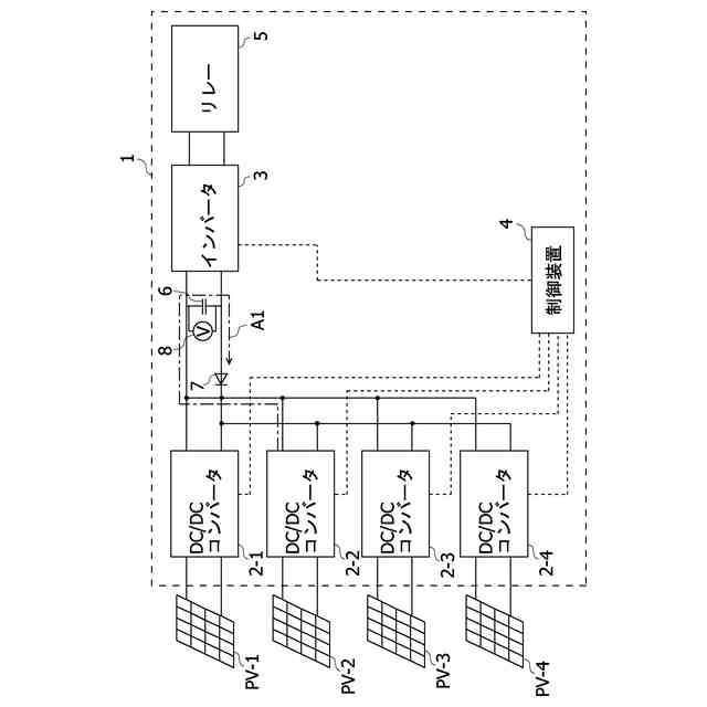
従来、太陽電池からの直流電力を系統に連系した商用周波数の交流電力に変換するパワーコンディショナが、太陽光発電システムにおいて用いられている。また、マルチ入力タイプの太陽光発電システムにおけるパワーコンディショナには、一群の太陽電池パネルの直接接続体から構成される太陽電池ストリングが並列に接続される(特許文献1参照)。
【先行技術文献】
【特許文献】
【0003】
特開2019-161892号公報
【発明の概要】
【発明が解決しようとする課題】
【0004】
このようなマルチ入力タイプの太陽光発電システムにおけるパワーコンディショナでは、あるストリングに接続された回路に故障が生じ、正常時とは逆方向の電流が許容されると、他のストリングから、故障が生じた回路を介して、この回路に接続された太陽電池に電力が入力される。また、パワーコンディショナでは、太陽電池ストリング側に配置されるDC/DCコンバータと、負荷側に配置されるインバータとの間にコンデンサが配置される。逆方向の電流が許容されると、このコンデンサにも電流が流入するため、コンデンサの電圧が許容範囲よりも高い電圧に上昇する虞がある。
【0005】
開示の技術の1つの側面は、故障した回路に接続された電源の損傷を防止するとともに、コンデンサの過電圧を抑制できるパワーコンディショナを提供することを目的とする。
【課題を解決するための手段】
【0006】
開示の技術の1つの側面は、次のようなパワーコンディショナによって例示される。本パワーコンディショナは、制御装置と、第1の電源に接続され、上記制御装置からの制御信号に応じてオンオフ制御される第1のスイッチング素子を有する第1のDC/DCコンバータと、上記第1の電源とは別の電源にそれぞれ接続されるとともに上記第1のDC/DCコンバータと並列に接続され、上記制御装置からの上記制御信号に応じてオンオフ制御される第2のスイッチング素子を有する第2のDC/DCコンバータを少なくとも一つ含むコンバータセットと、上記第1のDC/DCコンバータ及び上記第2のDC/DCコンバータに接続されるインバータと、上記第1のDC/DCコンバータ及び上記第2のDC/DCコンバータと上記インバータとの間に並列に接続されるコンデンサと、上記第1のDC/DCコンバータ及び上記第2のDC/DCコンバータと上記コンデンサとの間に直列に配置され、上記インバータから上記第1のDC/DCコンバータ及び上記第2のDC/DCコンバータへ向かう電流を防止するダイオードと、を備える。上記制御装置は、上記第1のDC/DCコンバータにおいて上記第1の電源に向けて流れる電流を検出すると、上記第2のスイッチング素子に供給する上記制御信号を、上記第1の電源に向けて流れる電流が所定の電流値以下となる第1のデューティー比の第1の制御信号とし、上記第1のDC/DCコンバータにおいて上記第1の電源に向けて流れる電流を検出し、かつ、上記コンデンサの電圧が第1の電圧閾値以上である場合に、上記第1の制御信号が供給される場合よりも上記第2のスイッチング素子がオンにされる期間が長くなる第2の制御信号を前記第2のスイッチング素子に供給する。
【0007】
本パワーコンディショナは、第1の電源に向けて流れる電流を検出すると、第2のスイッチング素子に供給する上記制御信号を上記第1の電源に向けて流れる電流が所定の電流値以下となる上記第1の制御信号とする。第1の電源に向けて流れる電流が所定の電流値以下となるため、第1の電源に向けて流れる電流が流入することによる上記第1の電源の損傷及び上記コンデンサの電圧上昇が抑制される。さらに、本パワーコンディショナは、上記コンデンサの電圧が第1の電圧閾値以上である場合に、上記第1の制御信号が供給される場合よりも上記第2のスイッチング素子がオンにされる期間が長くなる第2の制御信号を前記第2のスイッチング素子に供給する。上記第2の制御信号が上記第2のスイッチング素子に供給されることで、上記第1の電源に向けて流れる電流はさらに小さくなる。そのため、本パワーコンディショナは、上記電源の損傷及び上記コンデンサの電圧上昇が抑制される。ここで、上記第1の電源及び上記別の電源は、太陽電池であってもよい。
【0008】
本パワーコンディショナは、次の特徴をさらに備えてもよい。上記制御装置は、上記コンデンサの電圧が上記第1の電圧閾値より低い第2の閾値以下となるまで、上記第2の制御信号の上記第2のスイッチング素子への供給を継続する。このような特徴を備えるパワーコンディショナは、上記第2のスイッチング素子に供給する制御信号を上記第2の制御信号から上記第1の制御信号デューティー比に戻し、その直後に上記第2の制御信号に戻すような処理が繰り返されることを抑制できる。
【0009】
本パワーコンディショナは、次の特徴をさらに備えてもよい。上記制御装置は、上記第2の制御信号の上記第2のスイッチング素子への供給を開始してから所定期間の間は、上記第2の制御信号の上記第2のスイッチング素子への供給を継続する。このような特徴を備えるパワーコンディショナは、上記第2の制御信号の上記第2のスイッチング素子への供給が所定期間行われることで、コンデンサの電圧をより下げることができる。
【0010】
本パワーコンディショナは、次の特徴をさらに備えてもよい。上記第2の制御信号のデューティー比は、100%である。上記第2の制御信号のデューティー比が100%に設定されることで、上記第2のDC/DCコンバータから上記第1の電源及び上記コンデンサへの電流の流入が禁止される。そのため、本パワーコンディショナは、コンデンサの電圧をより一層容易に低下させることができる。
【発明の効果】
(【0011】以降は省略されています)
この特許をJ-PlatPat(特許庁公式サイト)で参照する
関連特許
オムロン株式会社
センサシステム
3日前
オムロン株式会社
センサシステム
3日前
オムロン株式会社
サーボドライバ
14日前
オムロン株式会社
センサシステム
3日前
オムロン株式会社
発光エンブレム
14日前
オムロン株式会社
システム及び方法
3日前
オムロン株式会社
システム及び方法
3日前
オムロン株式会社
監視装置、監視方法及びプログラム
7日前
オムロン株式会社
制御装置、制御方法、及び制御プログラム
21日前
オムロン株式会社
管理システム、管理方法及び管理プログラム
7日前
オムロン株式会社
処理装置、処理方法、および処理プログラム
17日前
オムロン株式会社
処理装置、処理方法、および処理プログラム
17日前
オムロン株式会社
画像処理装置、画像処理方法及びプログラム
21日前
オムロン株式会社
モデル生成方法、推論プログラム及び推論装置
14日前
オムロン株式会社
感震センサおよび地震検知方法、地震検知プログラム
4日前
オムロン株式会社
感震センサおよび地震検知方法、地震検知プログラム
3日前
オムロン株式会社
感震センサおよび地震検知方法、地震検知プログラム
9日前
オムロン株式会社
情報処理装置、情報処理方法及び情報処理プログラム
3日前
オムロン株式会社
物体検出装置、物体検出方法、および制御プログラム
14日前
オムロン株式会社
感震センサおよび地震検知方法、地震検知プログラム
3日前
オムロン株式会社
情報処理装置、情報処理方法及び情報処理プログラム
3日前
オムロン株式会社
感震センサおよび地震検知方法、地震検知プログラム
3日前
オムロン株式会社
表示制御装置、表示制御方法および表示制御プログラム
16日前
オムロン株式会社
オドメトリパラメータ較正装置、方法、及びプログラム
21日前
オムロン株式会社
混雑制御システム、混雑制御方法及び混雑制御プログラム
4日前
オムロン株式会社
信頼度マップ作成方法、自己位置決定方法、装置、及びプログラム
21日前
オムロン株式会社
分析支援装置、分析支援方法、分析支援プログラムおよび分析支援端末
21日前
オムロン株式会社
旅客流動混雑予測装置、旅客流動混雑予測方法及び旅客流動混雑予測プログラム
7日前
オムロン株式会社
ロボット制御装置、代表物体情報生成装置、操作情報付与装置、方法、及びプログラム
21日前
オムロン株式会社
制御装置、リーダライタ、および制御方法
3日前
個人
単極モータ
17日前
キヤノン電子株式会社
モータ
1日前
株式会社アイシン
ロータ
17日前
株式会社アイシン
ロータ
21日前
日星電気株式会社
ケーブル組立体
9日前
コーセル株式会社
電源装置
2日前
続きを見る
他の特許を見る