TOP
|
特許
|
意匠
|
商標
特許ウォッチ
Twitter
他の特許を見る
公開番号
2025173771
公報種別
公開特許公報(A)
公開日
2025-11-28
出願番号
2024079522
出願日
2024-05-15
発明の名称
パワーコンディショナ
出願人
オムロン株式会社
代理人
弁理士法人秀和特許事務所
主分類
H02M
3/155 20060101AFI20251120BHJP(電力の発電,変換,配電)
要約
【課題】故障した回路に接続された太陽電池の損傷を防止するとともに、コンデンサの過電圧を抑制できるパワーコンディショナを提供する。
【解決手段】本パワーコンディショナは、制御装置と、第1の電源に接続され、第1のスイッチング素子を有する第1のDC/DCコンバータと、第1の電源とは別の電源にそれぞれ接続され、第2のスイッチング素子を有する第2のDC/DCコンバータと、インバータと、DC/DCコンバータとインバータとの間に並列に接続されるコンデンサと、を備える。制御装置は、上記パワーコンディショナの異常を検出し、かつ、上記第1のDC/DCコンバータにおいて上記第1の電源に向けて流れる上記電流を検出する場合には、上記パワーコンディショナの運転を継続する。
【選択図】図1
特許請求の範囲
【請求項1】
制御装置と、
第1の電源に接続され、前記制御装置からの制御信号に応じてオンオフ制御される第1のスイッチング素子を有する第1のDC/DCコンバータと、
前記第1の電源とは別の電源にそれぞれ接続されるとともに前記第1のDC/DCコンバータと並列に接続され、前記制御装置からの前記制御信号に応じてオンオフ制御される第2のスイッチング素子を有する第2のDC/DCコンバータと、
前記第1のDC/DCコンバータ及び前記第2のDC/DCコンバータに接続されるインバータと、
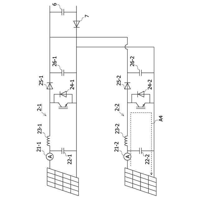
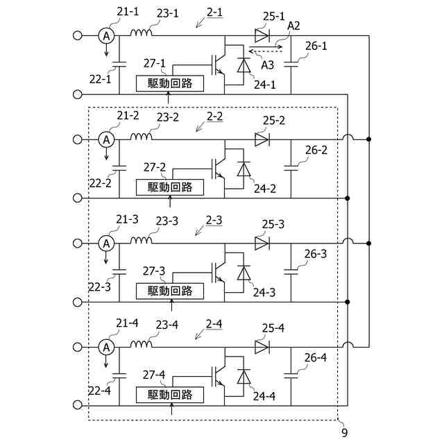
前記第1のDC/DCコンバータ及び前記第2のDC/DCコンバータと前記インバータとの間に並列に接続されるコンデンサと、を備えるパワーコンディショナであって、
前記制御装置は、
前記第1のDC/DCコンバータにおいて前記第1の電源に向けて流れる電流を検出すると、前記第2のスイッチング素子に供給する前記制御信号を、前記第1の電源に向けて流れる電流が所定の電流値以下となる第1のデューティー比の第1の制御信号とし、
前記第1のDC/DCコンバータにおいて前記第1の電源に向けて流れる電流を検出し、かつ、前記コンデンサの電圧が第1の電圧閾値以上である場合に、前記第1の制御信号が供給される場合よりも前記第2のスイッチング素子がオンにされる期間が長くなる第2の制御信号を前記第2のスイッチング素子に供給し、
前記パワーコンディショナの異常を検出し、かつ、前記第1のDC/DCコンバータにおいて前記第1の電源に向けて流れる前記電流を検出しない場合には、前記パワーコンディショナの運転を停止し、
前記パワーコンディショナの異常を検出し、かつ、前記第1のDC/DCコンバータにおいて前記第1の電源に向けて流れる前記電流を検出する場合には、前記パワーコンディショナの運転を継続する、
パワーコンディショナ。
続きを表示(約 170 文字)
【請求項2】
前記パワーコンディショナの異常は、前記第1の電源から前記パワーコンディショナに入力される電流が所定の電流閾値以上であることを含む、
請求項1に記載のパワーコンディショナ。
【請求項3】
前記第1の電源及び前記別の電源は、太陽電池を含む、
請求項1または2に記載のパワーコンディショナ。
発明の詳細な説明
【技術分野】
【0001】
本発明は、パワーコンディショナに関する。
続きを表示(約 2,800 文字)
【背景技術】
【0002】
従来、太陽電池からの直流電力を系統に連系した商用周波数の交流電力に変換するパワーコンディショナが、太陽光発電システムにおいて用いられている。また、マルチ入力タイプの太陽光発電システムにおけるパワーコンディショナには、一群の太陽電池パネルを含む太陽電池ストリングが並列に接続される(特許文献1参照)。
【先行技術文献】
【特許文献】
【0003】
特開2019-161892号公報
【発明の概要】
【発明が解決しようとする課題】
【0004】
このようなマルチ入力タイプの太陽光発電システムにおけるパワーコンディショナでは、あるストリングに接続された回路に故障が生じ、正常時とは逆方向の電流が許容されると、他のストリングから、故障が生じた回路を介して、この回路に接続された太陽電池に電力が入力される。また、パワーコンディショナでは、太陽電池ストリング側に配置されるDC/DCコンバータと、負荷側に配置されるインバータとの間にコンデンサが配置される。逆方向の電流が許容されると、このコンデンサにも電流が流入するため、コンデンサの電圧が許容範囲よりも高い電圧に上昇する虞がある。そこで、このようなコンデンサの過電圧を抑制する保護制御が実行される。
【0005】
また、パワーコンディショナの異常が検知されると、異常の検知に応じてパワーコンディショナの運転が停止されることがある。パワーコンディショナの運転が停止されることで、パワーコンディショナの異常から太陽電池ストリング及びパワーコンディショナが保護される。
【0006】
しかしながら、上記保護制御が実行されている状態においてパワーコンディショナの運転が停止されると上記保護制御も停止してしまう。上記保護制御の停止されることで、太陽電池の損傷及びコンデンサの過電圧を抑制できなくなる虞がある。
【0007】
開示の技術の1つの側面は、異常検知に応じて運転が停止されるパワーコンディショナにおいて、太陽電池の損傷を防止するとともに、コンデンサの過電圧を抑制できるパワーコンディショナを提供することを目的とする。
【課題を解決するための手段】
【0008】
開示の技術の1つの側面は、次のようなパワーコンディショナによって例示される。本パワーコンディショナは、制御装置と、第1の電源に接続され、上記制御装置からの制御信号に応じてオンオフ制御される第1のスイッチング素子を有する第1のDC/DCコンバータと、上記第1の電源とは別の電源にそれぞれ接続されるとともに上記第1のDC/DCコンバータと並列に接続され、上記制御装置からの上記制御信号に応じてオンオフ制御される第2のスイッチング素子を有する第2のDC/DCコンバータと、上記第1のDC/DCコンバータ及び上記第2のDC/DCコンバータに接続されるインバータと、上記第1のDC/DCコンバータ及び上記第2のDC/DCコンバータと上記インバータとの間に並列に接続されるコンデンサと、を備える。上記制御装置は、上記第1のDC/D
Cコンバータにおいて上記第1の電源に向けて流れる電流を検出すると、上記第2のスイッチング素子に供給する上記制御信号を、上記第1の電源に向けて流れる電流が所定の電流値以下となる第1のデューティー比の第1の制御信号とする。上記制御装置は、上記第1のDC/DCコンバータにおいて上記第1の電源に向けて流れる電流を検出し、かつ、上記コンデンサの電圧が第1の電圧閾値以上である場合に、上記第1の制御信号が供給される場合よりも上記第2のスイッチング素子がオンにされる期間が長くなる第2の制御信号を上記第2のスイッチング素子に供給する。上記制御装置は、上記パワーコンディショナの異常を検出し、かつ、上記第1のDC/DCコンバータにおいて上記第1の電源に向けて流れる上記電流を検出しない場合には、上記パワーコンディショナの運転を停止する。上記制御装置は、上記パワーコンディショナの異常を検出し、かつ、上記第1のDC/DCコンバータにおいて上記第1の電源に向けて流れる上記電流を検出する場合には、上記パワーコンディショナの運転を継続する。
【0009】
本パワーコンディショナは、第1の電源に向けて流れる電流を検出すると、第2のスイッチング素子に供給する上記制御信号を上記第1の電源に向けて流れる電流が所定の電流値以下となる上記第1の制御信号とする。第1の電源に向けて流れる電流が所定の電流値以下となるため、第1の電源に向けて流れる電流が流入することによる上記第1の電源の損傷及び上記コンデンサの電圧上昇が抑制される。さらに、本パワーコンディショナは、上記コンデンサの電圧が第1の電圧閾値以上である場合に、上記第1の制御信号が供給される場合よりも上記第2のスイッチング素子がオンにされる期間が長くなる第2の制御信号を前記第2のスイッチング素子に供給する。上記第2の制御信号が上記第2のスイッチング素子に供給されることで、上記第1の電源に向けて流れる電流はさらに小さくなる。そのため、本パワーコンディショナは、上記電源の損傷及び上記コンデンサの電圧上昇が抑制される。そして、本パワーコンディショナでは、上記制御装置は、上記パワーコンディショナの異常を検出し、かつ、上記第1のDC/DCコンバータにおいて上記第1の電源に向けて流れる上記電流を検出しない場合には、上記パワーコンディショナの運転を停止する一方で、上記パワーコンディショナの異常を検出し、かつ、上記第1のDC/DCコンバータにおいて上記第1の電源に向けて流れる上記電流を検出する場合には、上記パワーコンディショナの運転を継続する。上記第1の電源に向けて流れる上記電流を検出する場合には上記パワーコンディショナの運転が継続されるため、記第1の電源の損傷及び上記コンデンサの電圧上昇が抑制する制御が継続される。そのため、本パワーコンディショナは、異常検知に応じて運転が停止されるパワーコンディショナにおいて、太陽電池の損傷を防止するとともに、コンデンサの過電圧を抑制できる。ここで、上記第1の電源及び上記別の電源は、太陽電池であってもよい。また、上記パワーコンディショナの異常は、上記第1の電源から上記パワーコンディショナに入力される電流が所定の電流閾値以上であることを含んでもよい。
【発明の効果】
【0010】
開示の技術によれば、異常検知に応じて運転が停止されるパワーコンディショナにおいて、太陽電池の損傷を防止するとともに、コンデンサの過電圧を抑制できるパワーコンディショナを提供できる。
【図面の簡単な説明】
(【0011】以降は省略されています)
この特許をJ-PlatPat(特許庁公式サイト)で参照する
関連特許
オムロン株式会社
電源回路
2か月前
オムロン株式会社
電源回路
2か月前
オムロン株式会社
電源回路
2か月前
オムロン株式会社
電磁継電器
1か月前
オムロン株式会社
スレーブ装置
2か月前
オムロン株式会社
情報提供装置
2か月前
オムロン株式会社
サーボドライバ
1か月前
オムロン株式会社
センサシステム
1か月前
オムロン株式会社
トリガスイッチ
2か月前
オムロン株式会社
センサシステム
1か月前
オムロン株式会社
発光エンブレム
1か月前
オムロン株式会社
センサシステム
1か月前
オムロン株式会社
IOターミナル
2か月前
オムロン株式会社
端子折り曲げ治具
2か月前
オムロン株式会社
システム及び方法
1か月前
オムロン株式会社
モータの監視装置
2か月前
オムロン株式会社
システム及び方法
1か月前
オムロン株式会社
セーフティデバイス
2か月前
オムロン株式会社
電力開閉モジュール
2か月前
オムロン株式会社
システムおよび方法
2か月前
オムロン株式会社
パワーコンディショナ
今日
オムロン株式会社
パワーコンディショナ
1か月前
オムロン株式会社
リモート安全入出力装置
2か月前
オムロン株式会社
電力システム及び制御装置
1か月前
オムロン株式会社
検出システム及び検出方法
今日
オムロン株式会社
支援システム及び支援方法
2か月前
オムロン株式会社
保護継電器及び電力制御装置
2か月前
オムロン株式会社
パワーコンディショナシステム
2か月前
オムロン株式会社
情報処理装置及び情報処理方法
2か月前
オムロン株式会社
給電モジュール及び給電システム
2か月前
オムロン株式会社
監視装置、監視方法及びプログラム
1か月前
オムロン株式会社
教育支援システム及び教育支援方法
2か月前
オムロン株式会社
計測装置、計測方法及びプログラム
2か月前
オムロン株式会社
電力供給システム及び電力制御装置
2か月前
オムロン株式会社
検査装置、検査方法およびプログラム
2か月前
オムロン株式会社
情報処理システムおよび情報処理方法
1か月前
続きを見る
他の特許を見る