TOP
|
特許
|
意匠
|
商標
特許ウォッチ
Twitter
他の特許を見る
10個以上の画像は省略されています。
公開番号
2025140448
公報種別
公開特許公報(A)
公開日
2025-09-29
出願番号
2024039858
出願日
2024-03-14
発明の名称
支援システム及び支援方法
出願人
オムロン株式会社
代理人
弁理士法人秀和特許事務所
主分類
G06Q
50/04 20120101AFI20250919BHJP(計算;計数)
要約
【課題】生産現場における財務目標と非財務目標の達成を支援するための技術を提供する。
【解決手段】支援システムが、財務目標及び非財務目標を取得し、生産設備の稼働状況を表す情報、及び、財務目標に基づいて、生産現場における財務指標の値を財務目標に近づけるための第1方策を生成し、生成された第1方策を適用した場合の生産設備の稼働状況を表す情報、及び、非財務目標に基づいて、生産現場における非財務指標の値を非財務目標に近づけるための第2方策を生成する。
【選択図】図1
特許請求の範囲
【請求項1】
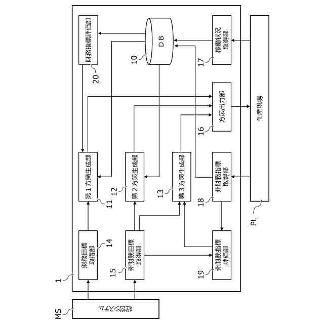
生産現場における目標達成を支援するための支援システムであって、
前記生産現場において達成すべき財務指標の目標である財務目標を取得する財務目標取得部と、
前記生産現場において達成すべき非財務指標の目標である非財務目標を取得する非財務目標取得部と、
前記生産現場で稼働している生産設備の稼働状況を表す情報、及び、前記財務目標に基づいて、前記生産現場における財務指標の値を前記財務目標に近づけるための第1方策を生成する第1方策生成部と、
前記第1方策生成部によって生成された前記第1方策を適用した場合の前記生産設備の稼働状況を表す情報、及び、前記非財務目標に基づいて、前記生産現場における非財務指標の値を前記非財務目標に近づけるための第2方策を生成する第2方策生成部と、
を有する支援システム。
続きを表示(約 1,400 文字)
【請求項2】
前記第1方策を前記生産現場に適用した場合の財務指標の変化値を取得し、前記財務指標の変化値に基づいて前記財務目標が達成されたか否かを評価する財務指標評価部をさらに有し、
前記財務指標評価部によって前記財務目標が未達であると評価された場合に、前記第1方策生成部は、前記第1方策の修正を行う、
請求項1に記載の支援システム。
【請求項3】
前記第2方策を前記生産現場に適用した場合の非財務指標の変化値を取得し、前記非財務指標の変化値に基づいて前記非財務目標が達成されたか否かを評価する非財務指標評価部をさらに有し、
前記非財務指標評価部によって前記非財務目標が未達であると評価された場合に、前記第2方策生成部は、前記第2方策の修正を行う、
請求項1に記載の支援システム。
【請求項4】
前記第2方策を前記生産現場に適用した場合の非財務指標の変化値を取得し、前記非財務指標の変化値に基づいて前記非財務目標が達成されたか否かを評価する非財務指標評価部と、
前記非財務指標評価部によって前記非財務目標が未達であると評価された場合に、前記生産現場における非財務指標の値を前記非財務目標に近づけるための方策として、前記第2方策とは異なる第3方策を生成する第3方策生成部と、
をさらに有する請求項1に記載の支援システム。
【請求項5】
前記第3方策生成部は、前記第3方策として複数の方策候補を生成し、生成した前記複数の方策候補をユーザーに提示する、
請求項4に記載の支援システム。
【請求項6】
前記複数の方策候補の中からユーザーによって選択された方策の情報と、前記選択された方策を前記生産現場に適用した場合の前記非財務指標の変化値とを機械学習する学習部をさらに有する、
請求項5に記載の支援システム。
【請求項7】
前記第1方策は、前記生産設備の制御を変更するための制御パラメータを含む、
請求項1~6のいずれかに記載の支援システム。
【請求項8】
前記第1方策生成部は、前記生産設備の稼働状況を表す情報と前記財務目標に基づいて
前記生産現場における財務指標の値を前記財務目標に近づけるための方策を出力するように機械学習された、学習済みモデルによって構成されている、
請求項1に記載の支援システム。
【請求項9】
前記第2方策生成部は、前記生産設備の稼働状況を表す情報と前記非財務目標に基づいて前記生産現場における非財務指標の値を前記非財務目標に近づけるための方策を出力するように機械学習された、学習済みモデルによって構成されている、
請求項1に記載の支援システム。
【請求項10】
前記生産設備を仮想空間上に再現した仮想生産設備を用いて稼働シミュレーションを行うシミュレータをさらに有し、
前記シミュレータが、前記第1方策生成部によって生成された前記第1方策を前記仮想生産設備に適用して稼働シミュレーションを実行することにより、前記第1方策を適用した場合の前記生産設備の稼働状況を推定し、
前記第2方策生成部は、前記シミュレータによる推定結果を、前記第1方策を適用した場合の前記生産設備の稼働状況を表す情報として用いて、前記第2方策を生成する、
請求項1に記載の支援システム。
(【請求項11】以降は省略されています)
発明の詳細な説明
【技術分野】
【0001】
本発明は、生産現場における目標達成を支援するための技術に関する。
続きを表示(約 1,700 文字)
【背景技術】
【0002】
モノづくりの現場においては、生産性の向上や品質の改善などの取り組みが日々行われている。最近では、ICTやDXを活用して、生産現場から収集されるデータを分析し課題解決を支援する試みもなされている。例えば特許文献1では、生産ラインの3Dモデルを用いたコンピュータシミュレーションを利用して、ボトルネックになり得る箇所の発見や、生産能力の改善を事前に行う手法が提案されている。
【先行技術文献】
【特許文献】
【0003】
特表2020-521251号公報
【発明の概要】
【発明が解決しようとする課題】
【0004】
従来の製造業では、例えば、生産性や生産量といった生産の能力やアウトプットに関する目標(「財務目標」とよぶ)の達成が主な命題であったが、昨今は、このような財務目標だけでなく、地球環境への配慮や働き方の改善といった社会価値に関する目標(「非財務目標」とよぶ)との両立をめざす企業が増えてきている。しかしながら、財務目標と非財務目標の両方を同時満足するようなソリューション(方策)を具体的に立案することは容易ではなく、その手法も確立されているとは言い難い。将来の理想的な姿として、与えられた財務目標と非財務目標を達成するように生産現場のシステムが自動的・自律的に変化(改善)していくような仕組みの実現が望まれている。
【0005】
本発明は上記実情に鑑みてなされたものであって、その目的とするところは、生産現場における財務目標と非財務目標の達成を支援するための技術を提供することにある。
【課題を解決するための手段】
【0006】
本開示は、生産現場における目標達成を支援するための支援システムであって、前記生産現場において達成すべき財務指標の目標である財務目標を取得する財務目標取得部と、前記生産現場において達成すべき非財務指標の目標である非財務目標を取得する非財務目標取得部と、前記生産現場で稼働している生産設備の稼働状況を表す情報、及び、前記財務目標に基づいて、前記生産現場における財務指標の値を前記財務目標に近づけるための第1方策を生成する第1方策生成部と、前記第1方策生成部によって生成された前記第1方策を適用した場合の前記生産設備の稼働状況を表す情報、及び、前記非財務目標に基づいて、前記生産現場における非財務指標の値を前記非財務目標に近づけるための第2方策を生成する第2方策生成部と、を有する支援システムを含む。
【0007】
前記第1方策を前記生産現場に適用した場合の財務指標の変化値を取得し、前記財務指標の変化値に基づいて前記財務目標が達成されたか否かを評価する財務指標評価部をさらに有し、前記財務指標評価部によって前記財務目標が未達であると評価された場合に、前記第1方策生成部は、前記第1方策の修正を行ってもよい。
【0008】
前記第2方策を前記生産現場に適用した場合の非財務指標の変化値を取得し、前記非財務指標の変化値に基づいて前記非財務目標が達成されたか否かを評価する非財務指標評価部をさらに有し、前記非財務指標評価部によって前記非財務目標が未達であると評価され
た場合に、前記第2方策生成部は、前記第2方策の修正を行ってもよい。
【0009】
前記第2方策を前記生産現場に適用した場合の非財務指標の変化値を取得し、前記非財務指標の変化値に基づいて前記非財務目標が達成されたか否かを評価する非財務指標評価部と、前記非財務指標評価部によって前記非財務目標が未達であると評価された場合に、前記生産現場における非財務指標の値を前記非財務目標に近づけるための方策として、前記第2方策とは異なる第3方策を生成する第3方策生成部と、をさらに有してもよい。
【0010】
前記第3方策生成部は、前記第3方策として複数の方策候補を生成し、生成した前記複数の方策候補をユーザーに提示してもよい。
(【0011】以降は省略されています)
この特許をJ-PlatPat(特許庁公式サイト)で参照する
関連特許
オムロン株式会社
電磁継電器
1か月前
オムロン株式会社
発光エンブレム
1か月前
オムロン株式会社
センサシステム
19日前
オムロン株式会社
センサシステム
19日前
オムロン株式会社
センサシステム
19日前
オムロン株式会社
サーボドライバ
1か月前
オムロン株式会社
システム及び方法
19日前
オムロン株式会社
システム及び方法
19日前
オムロン株式会社
監視装置、監視方法及びプログラム
23日前
オムロン株式会社
情報処理システムおよび情報処理方法
1か月前
オムロン株式会社
制御装置、制御方法、及び制御プログラム
1か月前
オムロン株式会社
画像処理装置、画像処理方法及びプログラム
1か月前
オムロン株式会社
処理装置、処理方法、および処理プログラム
1か月前
オムロン株式会社
処理装置、処理方法、および処理プログラム
1か月前
オムロン株式会社
管理システム、管理方法及び管理プログラム
23日前
オムロン株式会社
モデル生成方法、推論プログラム及び推論装置
1か月前
オムロン株式会社
変換装置、変換方法、および、変換プログラム
9日前
オムロン株式会社
制御装置、情報処理方法および情報処理プログラム
1か月前
オムロン株式会社
感震センサおよび地震検知方法、地震検知プログラム
25日前
オムロン株式会社
感震センサおよび地震検知方法、地震検知プログラム
19日前
オムロン株式会社
感震センサおよび地震検知方法、地震検知プログラム
19日前
オムロン株式会社
感震センサおよび地震検知方法、地震検知プログラム
20日前
オムロン株式会社
物体検出装置、物体検出方法、および制御プログラム
1か月前
オムロン株式会社
感震センサおよび地震検知方法、地震検知プログラム
19日前
オムロン株式会社
情報処理装置、情報処理方法及び情報処理プログラム
19日前
オムロン株式会社
情報処理装置、情報処理方法及び情報処理プログラム
19日前
オムロン株式会社
オドメトリパラメータ較正装置、方法、及びプログラム
1か月前
オムロン株式会社
表示制御装置、表示制御方法および表示制御プログラム
1か月前
オムロン株式会社
混雑制御システム、混雑制御方法及び混雑制御プログラム
20日前
オムロン株式会社
設計支援方法、設計支援装置、プログラム、及び記録媒体
1か月前
オムロン株式会社
信頼度マップ作成方法、自己位置決定方法、装置、及びプログラム
1か月前
オムロン株式会社
入出場管理システム、入出場管理方法、及び入出場管理プログラム
1か月前
オムロン株式会社
分析支援装置、分析支援方法、分析支援プログラムおよび分析支援端末
1か月前
オムロン株式会社
旅客流動混雑予測装置、旅客流動混雑予測方法及び旅客流動混雑予測プログラム
23日前
オムロン株式会社
ロボット制御装置、代表物体情報生成装置、操作情報付与装置、方法、及びプログラム
1か月前
オムロン株式会社
制御装置、リーダライタ、および制御方法
19日前
続きを見る
他の特許を見る