TOP
|
特許
|
意匠
|
商標
特許ウォッチ
Twitter
他の特許を見る
公開番号
2025172987
公報種別
公開特許公報(A)
公開日
2025-11-27
出願番号
2022137450
出願日
2022-08-31
発明の名称
電力変換装置、および車両
出願人
本田技研工業株式会社
,
学校法人東京理科大学
代理人
弁理士法人大塚国際特許事務所
主分類
H02M
3/28 20060101AFI20251119BHJP(電力の発電,変換,配電)
要約
【課題】より幅広い入出力電圧比において高効率に電力変換することができる電力変換装置を提供する。
【解決手段】第1機器と第2機器との間で双方向に電力を伝送するための電力変換を行う電力変換装置は、コアと、前記コアに巻かれた複数の一次側巻線と、前記コアに巻かれた二次側巻線とを有する変圧部と、前記複数の一次側巻線の各々と前記第1機器との間で電力を伝送する第1回路と、前記二次側巻線と前記第2機器との間で電力を伝送する第2回路と、を備え、前記複数の一次側巻線は、各一次側巻線を動作させる電力の周波数帯域が前記複数の一次側巻線間で互いに異なるように個別のフィルタを介して前記第1回路にそれぞれ接続され、前記第1回路および前記第2回路は、前記複数の一次側巻線のうち前記変圧部での電力変換で使用する一次側巻線に応じて、前記変圧部を動作させる電力の周波数を変更可能に構成されている。
【選択図】図1
特許請求の範囲
【請求項1】
第1機器と第2機器との間で双方向に電力を伝送するための電力変換を行う電力変換装置であって、
コアと、前記コアに巻かれた複数の一次側巻線と、前記コアに巻かれた二次側巻線とを有する変圧部と、
前記複数の一次側巻線の各々と前記第1機器との間で電力を伝送する第1回路と、
前記二次側巻線と前記第2機器との間で電力を伝送する第2回路と、
を備え、
前記複数の一次側巻線は、各一次側巻線を動作させる電力の周波数帯域が前記複数の一次側巻線間で互いに異なるように個別のフィルタを介して前記第1回路にそれぞれ接続され、
前記第1回路および前記第2回路は、前記複数の一次側巻線のうち前記変圧部での電力変換で使用する一次側巻線に応じて、前記変圧部を動作させる電力の周波数を変更可能に構成されている、ことを特徴とする電力変換装置。
続きを表示(約 1,000 文字)
【請求項2】
前記複数の一次側巻線は、前記二次側巻線に対する巻線比が互いに異なる、ことを特徴とする請求項1に記載の電力変換装置。
【請求項3】
前記複数の一次側巻線は、第1フィルタを介して前記第1回路に接続された第1の一次側巻線と、第2フィルタを介して前記第2回路に接続された第2の一次側巻線とを含み、
前記第1フィルタと前記第2フィルタとは、通過させる電力の周波数帯域が互いに異なる、ことを特徴とする請求項1に記載の電力変換装置。
【請求項4】
前記フィルタは、インダクタンスとキャパシタンスとを含む共振回路によって構成されている、ことを特徴とする請求項1に記載の電力変換装置。
【請求項5】
前記変圧部は、前記複数の一次側巻線に個別に設けられた前記フィルタの作用により、前記第1回路および前記第2回路で生成された電力の周波数に応じて、前記複数の一次側巻線のうち1つが動作するように構成されている、ことを特徴とする請求項1に記載の電力変換装置。
【請求項6】
前記二次側巻線は、インダクタンスを介して前記第2回路に接続されている、ことを特徴とする請求項1に記載の電力変換装置。
【請求項7】
前記第1回路および前記第2回路を制御する制御部を更に備え、
前記制御部は、前記第1回路および前記第2回路の各々に設けられたスイッチ素子のオン/オフを制御することにより、前記変圧部を動作させる電力の周波数を変更する、ことを特徴とする請求項1に記載の電力変換装置。
【請求項8】
前記第1回路および前記第2回路を制御する制御部を更に備え、
前記制御部は、前記第1機器と前記第2機器との間に生じさせるべき電圧比に応じて、前記複数の一次側巻線の中から前記変圧部での電力変換で使用する一次側巻線を決定し、決定した当該一次側巻線を動作させる周波数の電力を生成させるように前記第1回路および前記第2回路を制御する、ことを特徴とする請求項1に記載の電力変換装置。
【請求項9】
前記第1機器は、バッテリであり、
前記第2機器は、前記第1機器から電力が供給される負荷、または、前記第1機器に電力を供給する電源である、
ことを特徴とする請求項1に記載の電力変換装置。
【請求項10】
請求項1乃至9のいずれか1項に記載の電力変換装置を備える車両。
発明の詳細な説明
【技術分野】
【0001】
本発明は、電力変換装置、および車両に関する。
続きを表示(約 1,800 文字)
【背景技術】
【0002】
近年、充放電可能な電源(バッテリ)としてリチウムイオンバッテリが用いられるようになってきており、リチウムイオンバッテリの充放電にはコンバータ(電力変換装置)が必要となる。リチウムイオンバッテリは、充電状態によって開放電圧が大きく変化する特性を有する。そのため、コンバータには、幅広い入出力電圧比および双方向電力送電に対応でき、且つ、高効率に電力変換できることが求められている。双方向コンバータとしては、DAB(Dual Active Bridge)コンバータが知られている(例えば特許文献1)。
【先行技術文献】
【特許文献】
【0003】
特開2018-26961号公報
【発明の概要】
【発明が解決しようとする課題】
【0004】
特許文献1に記載された従来のDABコンバータでは、入出力変圧比をある程度の幅で変化させることは可能であるが、変圧器(トランス)の巻線比による制約を受ける。
【0005】
そこで、本発明は、より幅広い入出力電圧比において高効率に電力変換することができる電力変換装置を提供することを目的とする。
【課題を解決するための手段】
【0006】
上記目的を達成するために、本発明の一側面としての電力変換装置は、第1機器と第2機器との間で双方向に電力を伝送するための電力変換を行う電力変換装置であって、コアと、前記コアに巻かれた複数の一次側巻線と、前記コアに巻かれた二次側巻線とを有する変圧部と、前記複数の一次側巻線の各々と前記第1機器との間で電力を伝送する第1回路と、前記二次側巻線と前記第2機器との間で電力を伝送する第2回路と、を備え、前記複数の一次側巻線は、各一次側巻線を動作させる電力の周波数帯域が前記複数の一次側巻線間で互いに異なるように個別のフィルタを介して前記第1回路にそれぞれ接続され、前記第1回路および前記第2回路は、前記複数の一次側巻線のうち前記変圧部での電力変換で使用する一次側巻線に応じて、前記変圧部を動作させる電力の周波数を変更可能に構成されている、ことを特徴とする。
【発明の効果】
【0007】
本発明によれば、例えば、より幅広い入出力電圧比において高効率に電力変換することができる電力変換装置を提供することができる。
【図面の簡単な説明】
【0008】
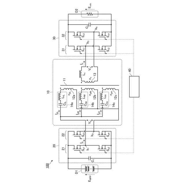
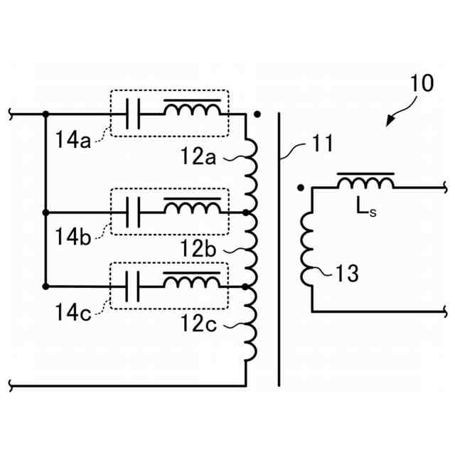
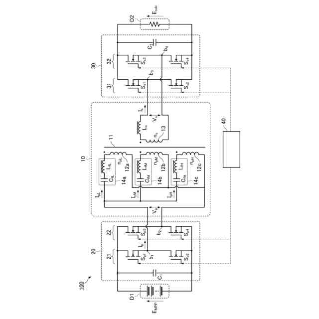
電力変換装置の構成例を示す模式図
電力変換装置の動作例の条件を示す図
第1機器の電圧がV
LOW
であるときの電力変換装置の動作結果を示す図
第1機器の電圧がV
MID
であるときの電力変換装置の動作結果を示す図
第1機器の電圧がV
HIGH
であるときの電力変換装置の動作結果を示す図
変圧部の変形例を示す模式図
【発明を実施するための形態】
【0009】
以下、本発明の実施形態について図を参照しながら説明する。本発明は、以下の実施形態に限定されるものではなく、本発明の趣旨の範囲内での構成の変更や変形も含む。また、本実施形態で説明されている特徴の組み合わせの全てが本発明に必須のものとは限らない。なお、同一の構成要素には同一の参照番号を付して、その説明を省略する。
【0010】
<第1実施形態>
本発明に係る第1実施形態について説明する。図1は、本実施形態の電力変換装置100の構成例を示す模式図である。本実施形態の電力変換装置100は、第1機器D1と第2機器D2との間で双方向に電力を伝送(供給)するための電力変換を行う双方向絶縁コンバータである。つまり、電力変換装置100は、第1機器D1から第2機器D2への電力の伝送(供給)と、第2機器D2から第1機器D1への電力の伝送(供給)とを実行可能に構成されている。第1機器D1は、例えばリチウムイオンバッテリなどの充放電可能なバッテリでありうる。第2機器D2は、第1機器D1としてのバッテリから電力が供給される負荷(例えばモータ等の機器)、あるいは、第1機器D1としてのバッテリに電力を供給する電源(例えば充電器)でありうる。本実施形態では、第1機器D1としてバッテリを用い、第2機器D2として負荷を用いる例を説明する。
(【0011】以降は省略されています)
この特許をJ-PlatPat(特許庁公式サイト)で参照する
関連特許
本田技研工業株式会社
車両
1か月前
本田技研工業株式会社
車両
1か月前
本田技研工業株式会社
車両
1か月前
本田技研工業株式会社
車両
1か月前
本田技研工業株式会社
車両
1か月前
本田技研工業株式会社
飛行体
1か月前
本田技研工業株式会社
排気装置
1か月前
本田技研工業株式会社
発電セル
1か月前
本田技研工業株式会社
排気装置
1か月前
本田技研工業株式会社
電気機器
1か月前
本田技研工業株式会社
二次電池
1か月前
本田技研工業株式会社
電気部品
1か月前
本田技研工業株式会社
触媒装置
1か月前
本田技研工業株式会社
清掃装置
1か月前
本田技研工業株式会社
固体電池
1か月前
本田技研工業株式会社
収容装置
1か月前
本田技研工業株式会社
内燃機関
1か月前
本田技研工業株式会社
制御装置
1か月前
本田技研工業株式会社
固体電池
1か月前
本田技研工業株式会社
内燃機関
1か月前
本田技研工業株式会社
電気機器
1か月前
本田技研工業株式会社
エンジン
1か月前
本田技研工業株式会社
排気装置
1か月前
本田技研工業株式会社
除草装置
1か月前
本田技研工業株式会社
電気機器
1か月前
本田技研工業株式会社
全固体電池
1か月前
本田技研工業株式会社
樹脂成型品
1か月前
本田技研工業株式会社
電極積層体
1か月前
本田技研工業株式会社
全固体電池
1か月前
本田技研工業株式会社
電動船外機
1か月前
本田技研工業株式会社
リアクトル
1か月前
本田技研工業株式会社
鞍乗型車両
1か月前
本田技研工業株式会社
鞍乗型車両
1か月前
本田技研工業株式会社
鞍乗型車両
1か月前
本田技研工業株式会社
車両制御装置
1か月前
本田技研工業株式会社
作業システム
1か月前
続きを見る
他の特許を見る