TOP
|
特許
|
意匠
|
商標
特許ウォッチ
Twitter
他の特許を見る
10個以上の画像は省略されています。
公開番号
2025172271
公報種別
公開特許公報(A)
公開日
2025-11-25
出願番号
2024077636
出願日
2024-05-12
発明の名称
画像形成装置
出願人
キヤノン株式会社
代理人
個人
,
個人
主分類
G03G
15/06 20060101AFI20251117BHJP(写真;映画;光波以外の波を使用する類似技術;電子写真;ホログラフイ)
要約
【課題】供給部材による現像部材からのトナーの剥ぎ取りが不十分になることによる画像不良の発生を抑制する。
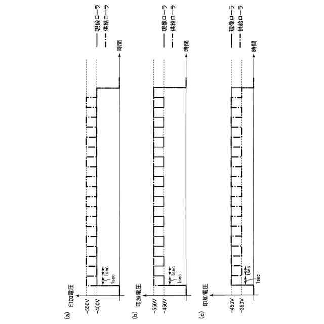
【解決手段】画像形成装置100は、像担持体1と、現像装置4と、現像電圧印加部E2と、供給電圧印加部E3と、制御部200と、を有し、制御部200は、現像を行っていない非画像形成時に、現像部材42及び供給部材43が回転している状態で、現像部材42と供給部材43との間に、第1の電位差と、第1の電位差とは異なる第2の電位差と、を交互に複数回切り替えて形成する予備動作を実行するように、現像電圧印加部E2及び供給電圧印加部E3を制御可能である構成とする。
【選択図】図5
特許請求の範囲
【請求項1】
回転可能な像担持体と、
前記像担持体の表面に形成された静電潜像をトナーで現像する現像装置であって、前記静電潜像にトナーを供給する回転可能な現像部材と、前記現像部材に当接し、前記現像部材にトナーを供給する回転可能な供給部材と、を備えた現像装置と、
前記現像部材に電圧を印加する現像電圧印加部と、
前記供給部材に電圧を印加する供給電圧印加部と、
前記現像電圧印加部及び前記供給電圧印加部を制御可能な制御部と、
を有し、
前記制御部は、前記現像を行っていない非画像形成時に、前記現像部材及び前記供給部材が回転している状態で、前記現像部材と前記供給部材との間に、第1の電位差と、前記第1の電位差とは異なる第2の電位差と、を交互に複数回切り替えて形成する予備動作を実行するように、前記現像電圧印加部及び前記供給電圧印加部を制御可能であることを特徴とする画像形成装置。
続きを表示(約 1,200 文字)
【請求項2】
前記制御部は、単数又は複数の記録材に画像を形成して出力するジョブの開始指示が入力されてから、該ジョブの最初の画像の前記静電潜像の前記現像を開始するまでの間に、前記予備動作を実行するように制御することを特徴とする請求項1に記載の画像形成装置。
【請求項3】
前記制御部は、前記第1の電位差又は前記第2の電位差の少なくとも一方が形成される際に、前記現像部材に印加される電圧に対して前記供給部材に印加される電圧がトナーの正規極性側に大きい電圧となるように制御することを特徴とする請求項1に記載の画像形成装置。
【請求項4】
前記制御部は、前記第1の電位差又は前記第2の電位差の少なくとも一方が形成される際に、前記現像部材に印加される電圧と前記供給部材に印加される電圧とが略同一となるように制御することを特徴とする請求項3に記載の画像形成装置。
【請求項5】
前記現像装置は、前記現像部材及び前記供給部材が設けられた現像室と、前記現像室に供給されるトナーが収容されるトナー収容室と、を有し、
前記現像室は前記トナー収容室に対して重力方向の下側に配置されていることを特徴とする請求項1に記載の画像形成装置。
【請求項6】
前記制御部は、前回のジョブの終了に伴って前記現像部材の回転が停止してから今回のジョブの開始に伴って前記現像部材の回転が開始されるまでの時間に関する情報に基づいて、前記予備動作時に前記電位差を前記第1の電位差と前記第2の電位差とに交互に切り替える回数を変化させるように制御することを特徴とする請求項2に記載の画像形成装置。
【請求項7】
前記制御部は、前記情報が示す時間が、第1の時間である場合よりも、前記第1の時間よりも長い第2の時間である場合の方が、前記回数が多くなるように制御することを特徴とする請求項6に記載の画像形成装置。
【請求項8】
前記制御部は、前記予備動作時に、前記現像を行う画像形成時よりも前記現像部材又は前記供給部材の少なくとも一方の回転速度を速くするように、前記現像部材又は前記供給部材の少なくとも一方を回転させる駆動装置を制御することを特徴とする請求項1に記載の画像形成装置。
【請求項9】
前記制御部は、前記現像装置内のトナーの量に関するトナー量情報に基づいて、前記予備動作時に前記電位差を前記第1の電位差と前記第2の電位差とに交互に切り替える回数を変化させるように制御することを特徴とする請求項1に記載の画像形成装置。
【請求項10】
前記制御部は、前記トナー量情報が示すトナー量が、第1のトナー量である場合よりも、前記第1のトナー量よりも多い第2のトナー量である場合の方が、前記回数が多くなるように制御することを特徴とする請求項9に記載の画像形成装置。
(【請求項11】以降は省略されています)
発明の詳細な説明
【技術分野】
【0001】
本発明は、電子写真方式や静電記録方式を用いたプリンタ、複写機、ファクシミリ装置などの画像形成装置に関するものである。
続きを表示(約 1,500 文字)
【背景技術】
【0002】
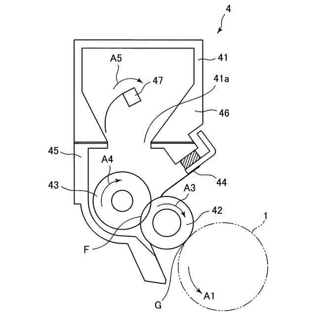
電子写真方式(電子写真プロセス)を用いたプリンタなどの画像形成装置は、感光ドラムなどの像担持体上に形成された静電潜像を現像剤としてのトナーを用いて現像する現像装置を有している。現像装置は、独立したユニットとして単独で、あるいはプロセスカートリッジの一部として、画像形成装置の装置本体に対して着脱可能に構成されることがある。
【0003】
このような現像装置として、トナーを像担持体に供給する現像部材としての現像ローラと、現像ローラへのトナーの供給と現像ローラからのトナーの剥ぎ取りを行う供給部材(供給剥ぎ取り部材)としての供給ローラと、を有するものがある。また、現像ローラと供給ローラとの間には、電位差が設けられることがある。
【0004】
特許文献1には、静電潜像を現像する間は、供給ローラから現像ローラにトナーを供給する側の電圧を供給ローラに印加し、現像後から現像ローラの回転停止までの間に、現像ローラからトナーを剥ぎ取る側の電圧を供給ローラに印加することが記載されている。
【0005】
また、特許文献2には、現像ローラの周長よりも長い印字画像情報を検知した場合に、供給ローラに印加する電位を、現像ローラにトナーを供給する側に大きくすることが記載されている。
【先行技術文献】
【特許文献】
【0006】
特開2001-109242号公報
特開2009-237549号公報
【発明の概要】
【発明が解決しようとする課題】
【0007】
近年、現像装置(あるいはプロセスカートリッジ)の長寿命化に伴い、現像装置に収容されるトナーの量を増やすことが求められている。そして、このように現像装置の大容量化を行った場合などに、以下のような課題が発生することがある。
【0008】
つまり、現像装置の大容量化に伴い、現像ローラ及び供給ローラの周囲のトナーが圧密状態になりやすくなる傾向がある。このような状態では、トナーの循環が悪く、供給ローラからのトナー吐き出しが難しくなる。これにより、供給ローラが現像ローラ上のトナーを剥ぎ取れず、現像ローラ上のトナーが多く残留してしまうことがある。その結果、画像不良が発生してしまうことがある。
【0009】
そこで、本発明の目的は、供給部材による現像部材からのトナーの剥ぎ取りが不十分になることによる画像不良の発生を抑制することである。
【課題を解決するための手段】
【0010】
上記目的は本発明に係る画像形成装置にて達成される。要約すれば、本発明は、回転可能な像担持体と、前記像担持体の表面に形成された静電潜像をトナーで現像する現像装置であって、前記静電潜像にトナーを供給する回転可能な現像部材と、前記現像部材に当接し、前記現像部材にトナーを供給する回転可能な供給部材と、を備えた現像装置と、前記現像部材に電圧を印加する現像電圧印加部と、前記供給部材に電圧を印加する供給電圧印加部と、前記現像電圧印加部及び前記供給電圧印加部を制御可能な制御部と、を有し、前記制御部は、前記現像を行っていない非画像形成時に、前記現像部材及び前記供給部材が回転している状態で、前記現像部材と前記供給部材との間に、第1の電位差と、前記第1の電位差とは異なる第2の電位差と、を交互に複数回切り替えて形成する予備動作を実行するように、前記現像電圧印加部及び前記供給電圧印加部を制御可能であることを特徴とする画像形成装置である。
【発明の効果】
(【0011】以降は省略されています)
特許ウォッチbot のツイートを見る
この特許をJ-PlatPat(特許庁公式サイト)で参照する
関連特許
キヤノン株式会社
撮像装置
6日前
キヤノン株式会社
撮像装置
今日
キヤノン株式会社
定着装置
6日前
キヤノン株式会社
定着装置
6日前
キヤノン株式会社
撮像装置
6日前
キヤノン株式会社
画像形成装置
6日前
キヤノン株式会社
情報処理装置
6日前
キヤノン株式会社
情報処理装置
6日前
キヤノン株式会社
情報処理装置
6日前
キヤノン株式会社
情報処理装置
6日前
キヤノン株式会社
情報処理装置
6日前
キヤノン株式会社
画像形成装置
7日前
キヤノン株式会社
画像形成装置
6日前
キヤノン株式会社
画像形成装置
6日前
キヤノン株式会社
画像形成装置
7日前
キヤノン株式会社
印刷システム
6日前
キヤノン株式会社
画像形成装置
1日前
キヤノン株式会社
画像認識装置
6日前
キヤノン株式会社
画像形成装置
1日前
キヤノン株式会社
眼科撮像装置
7日前
キヤノン株式会社
画像形成装置
7日前
キヤノン株式会社
画像形成装置
7日前
キヤノン株式会社
画像形成装置
7日前
キヤノン株式会社
画像形成装置
7日前
キヤノン株式会社
画像形成装置
7日前
キヤノン株式会社
インク収納体
今日
キヤノン株式会社
画像形成装置
6日前
キヤノン株式会社
画像形成装置
7日前
キヤノン株式会社
画像形成装置
6日前
キヤノン株式会社
インク収容容器
6日前
キヤノン株式会社
光学系および撮像装置
6日前
キヤノン株式会社
光学素子および光学装置
7日前
キヤノン株式会社
画像形成装置及び駆動装置
6日前
キヤノン株式会社
画像形成装置、カートリッジ
7日前
キヤノン株式会社
撮像システム、及び撮像装置
6日前
キヤノン株式会社
撮像装置、撮像装置システム
6日前
続きを見る
他の特許を見る