TOP
|
特許
|
意匠
|
商標
特許ウォッチ
Twitter
他の特許を見る
10個以上の画像は省略されています。
公開番号
2025170876
公報種別
公開特許公報(A)
公開日
2025-11-20
出願番号
2024075702
出願日
2024-05-08
発明の名称
画像形成装置
出願人
キヤノン株式会社
代理人
個人
,
個人
,
個人
,
個人
,
個人
主分類
G03G
21/00 20060101AFI20251113BHJP(写真;映画;光波以外の波を使用する類似技術;電子写真;ホログラフイ)
要約
【課題】 使用者がジャム処理を容易に行えるように案内する機能を備えた画像形成装置を提供する。
【解決手段】 画像形成時に記録材の詰まりが発生した場合、報知部は、開閉部材を開け、記録材を除去するように使用者に報知し、この報知の後、使用者が定着部を第1位置から第2位置へ移動させた場合、又は第2位置への移動開始を装置が検知した場合、報知部は、定着部を第1位置に戻してから記録材を除去するよう、使用者に報知する。
【選択図】 図7
特許請求の範囲
【請求項1】
記録材にトナー画像を形成する画像形成部と、
記録材に形成されたトナー画像を記録材に定着させる定着部と、
装置内部を開放するための開閉可能な開閉部材と、
使用者への報知部と、
を有する画像形成装置において、
前記定着部は、前記開閉部材を開けた状態で、使用者の操作により、前記定着部の位置を画像形成する時の第1位置と、前記第1位置とは異なる第2位置とに移動可能となっており、
画像形成時に記録材の詰まりが発生した場合、報知部は、前記開閉部材を開け、記録材を除去するように使用者に報知し、
この報知の後、使用者が前記定着部を前記第1位置から前記第2位置へ移動させた場合、又は前記第2位置への移動開始を前記画像形成装置が検知した場合、前記報知部は、前記定着部を前記第1位置に戻してから記録材を除去するよう、使用者に報知することを特徴とする画像形成装置。
続きを表示(約 500 文字)
【請求項2】
記録材にトナー画像を形成する画像形成部と、
記録材に形成されたトナー画像を記録材に定着させる定着部と、
装置内部を開放するための開閉可能な開閉部材と、
使用者への報知部と、
を有する画像形成装置において、
前記定着部は、前記開閉部材を開けた状態で、使用者の操作により、前記定着部の位置を画像形成する時の第1位置と、前記第1位置とは異なる第2位置とに移動可能となっており、
画像形成時に記録材の詰まりが発生した場合、前記報知部は、前記開閉部材を開け、前記定着部を前記第2位置に移動させずに記録材を除去するよう、使用者に報知することを特徴とする画像形成装置。
【請求項3】
前記報知部は、前記画像形成装置に設けられた表示部であり、前記表示部に表示する、文字、画像、動画によって使用者に報知することを特徴とする請求項1又は2に記載の画像形成装置。
【請求項4】
前記報知部は、前記画像形成装置に設けられた音声発生部であり、音声により使用者に報知することを特徴とする請求項1又は2に記載の画像形成装置。
発明の詳細な説明
【技術分野】
【0001】
本発明は、電子写真記録技術を用いて記録材にトナー画像を形成する複写機やプリンタ等の画像形成装置に関する。
続きを表示(約 1,800 文字)
【背景技術】
【0002】
電子写真方式の画像形成装置は、記録材にトナー画像を定着させる定着部を搭載している。特許文献1には、定着部が、画像形成を行う時の第1位置から第1位置とは異なる第2位置へ移動可能なプリンタが記載されている。定着部を第2位置へ移動することにより、定着部の着脱や交換作業、記録材の詰まりの除去(ジャム処理)などのメンテナンス作業が容易となり、使用者の利便性が向上する。
【先行技術文献】
【特許文献】
【0003】
特開2012-47806号
【発明の概要】
【発明が解決しようとする課題】
【0004】
しかしながら、定着部が移動可能に設けられている画像形成装置では、ジャム処理が困難になるケースが考えられる。
【0005】
本発明は、上述の課題に鑑みてなされたものであり、その目的は、使用者がジャム処理を容易に行えるように案内する機能を備えた画像形成装置を提供することにある。
【課題を解決するための手段】
【0006】
上述の課題を解決するための本発明は、記録材にトナー画像を形成する画像形成部と、記録材に形成されたトナー画像を記録材に定着させる定着部と、装置内部を開放するための開閉可能な開閉部材と、使用者への報知部と、を有する画像形成装置において、前記定着部は、前記開閉部材を開けた状態で、使用者の操作により、前記定着部の位置を画像形成する時の第1位置と、前記第1位置とは異なる第2位置とに移動可能となっており、画像形成時に記録材の詰まりが発生した場合、報知部は、前記開閉部材を開け、記録材を除去するように使用者に報知し、この報知の後、使用者が前記定着部を前記第1位置から前記第2位置へ移動させた場合、又は前記第2位置への移動開始を前記画像形成装置が検知した場合、前記報知部は、前記定着部を前記第1位置に戻してから記録材を除去するよう、使用者に報知することを特徴とする。
【0007】
また、本発明は、記録材にトナー画像を形成する画像形成部と、記録材に形成されたトナー画像を記録材に定着させる定着部と、装置内部を開放するための開閉可能な開閉部材と、使用者への報知部と、を有する画像形成装置において、前記定着部は、前記開閉部材を開けた状態で、使用者の操作により、前記定着部の位置を画像形成する時の第1位置と、前記第1位置とは異なる第2位置とに移動可能となっており、画像形成時に記録材の詰まりが発生した場合、前記報知部は、前記開閉部材を開け、前記定着部を前記第2位置に移動させずに記録材を除去するよう、使用者に報知することを特徴とする。
【発明の効果】
【0008】
使用者がジャム処理を容易に行えるように案内する機能を備えた画像形成装置を提供できる。
【図面の簡単な説明】
【0009】
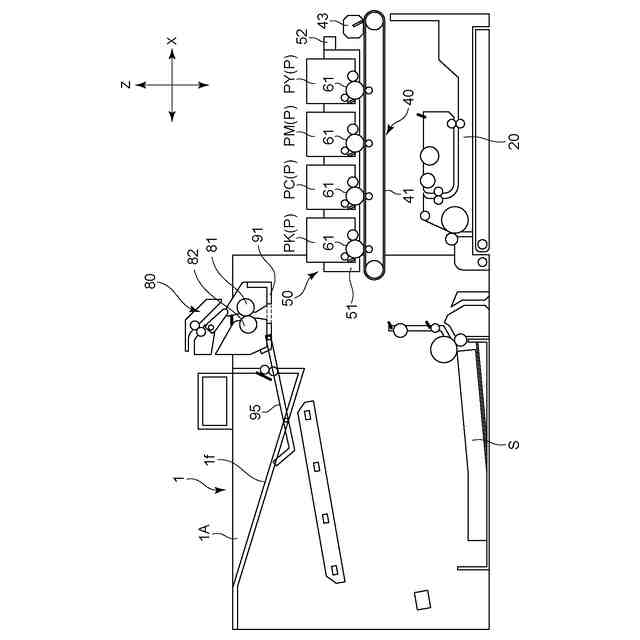
画像形成装置の全体構成を説明する図。
定着部の説明図。
画像形成装置の開閉部材を開けた時の図。
開閉部材を開けた後に定着部を第2位置(退避位置)に移動した時の図。
図4の状態からカートリッジを着脱可能な位置に移動した時の図。
定着部の退避機構を示す図。
実施例1におけるジャム処理時の手順を示すフローチャート。
実施例1におけるジャム処理時のディスプレイ画面を示す図。
実施例1におけるジャム処理時のディスプレイ画面を示す図。
ジャム処理時の課題を説明する図。
ジャム処理時の課題を説明する図。
実施例2におけるジャム処理時の手順を示すフローチャート。
実施例2におけるジャム処理時のディスプレイ画面を示す図。
【発明を実施するための形態】
【0010】
以下に、この発明を実施するための形態を、実施例に基づいて例示的に詳しく説明する。ただし、この実施の形態に記載されている構成部品の寸法、材質、形状それらの相対配置などは、発明が適用される装置の構成や各種条件により適宜変更されるべきものである。すなわち、この発明の範囲を以下の実施の形態に限定する趣旨のものではない。
(【0011】以降は省略されています)
この特許をJ-PlatPat(特許庁公式サイト)で参照する
関連特許
キヤノン株式会社
容器
22日前
キヤノン株式会社
容器
28日前
キヤノン株式会社
トナー
14日前
キヤノン株式会社
トナー
1か月前
キヤノン株式会社
記録装置
28日前
キヤノン株式会社
撮像装置
14日前
キヤノン株式会社
現像容器
1か月前
キヤノン株式会社
記録装置
14日前
キヤノン株式会社
現像容器
1か月前
キヤノン株式会社
表示装置
22日前
キヤノン株式会社
電子機器
14日前
キヤノン株式会社
撮像装置
9日前
キヤノン株式会社
現像装置
1か月前
キヤノン株式会社
記録装置
14日前
キヤノン株式会社
測距装置
1か月前
キヤノン株式会社
電子機器
14日前
キヤノン株式会社
現像装置
1か月前
キヤノン株式会社
撮像装置
1日前
キヤノン株式会社
撮像装置
1日前
キヤノン株式会社
電子機器
9日前
キヤノン株式会社
定着装置
1日前
キヤノン株式会社
記録装置
1か月前
キヤノン株式会社
撮影装置
1か月前
キヤノン株式会社
雲台装置
14日前
キヤノン株式会社
撮像装置
28日前
キヤノン株式会社
定着装置
1か月前
キヤノン株式会社
定着装置
7日前
キヤノン株式会社
現像装置
1か月前
キヤノン株式会社
撮像装置
22日前
キヤノン株式会社
撮像装置
28日前
キヤノン株式会社
測距装置
16日前
キヤノン株式会社
定着装置
7日前
キヤノン株式会社
定着装置
7日前
キヤノン株式会社
撮像装置
15日前
キヤノン株式会社
定着装置
1日前
キヤノン株式会社
撮像装置
28日前
続きを見る
他の特許を見る