TOP
|
特許
|
意匠
|
商標
特許ウォッチ
Twitter
他の特許を見る
10個以上の画像は省略されています。
公開番号
2025165515
公報種別
公開特許公報(A)
公開日
2025-11-05
出願番号
2024069600
出願日
2024-04-23
発明の名称
類似事例抽出支援システム、類似事例抽出支援方法及びプログラム
出願人
三菱電機株式会社
代理人
個人
,
個人
,
個人
,
個人
,
個人
,
個人
主分類
G06F
16/35 20250101AFI20251028BHJP(計算;計数)
要約
【課題】適切な類似事例を容易に抽出する支援を行う。
【解決手段】類似事例抽出支援システム1は、相関関係を有する事項の内容を表す文章と、当該文章がベクトルに変換された内容文章ベクトルとを記憶する記憶手段と、トランスフォーマベースのモデルを使用して、文章をベクトルに変換するベクトル生成手段と、ベクトル生成手段によって変換された入力文章のベクトルを表す入力文章ベクトルと、内容文章ベクトルと、の類似度を求める算出手段と、類似度に従い、内容を表す文章の順位を求める順位特定手段と、内容を表す文章と、類似度と、順位とを含む結果を表示する表示手段と、を備える。
【選択図】図1
特許請求の範囲
【請求項1】
相関関係を有する事項の内容を表す文章と、当該文章がベクトルに変換された内容文章ベクトルとを記憶する記憶手段と、
トランスフォーマベースのモデルを使用して、文章をベクトルに変換するベクトル生成手段と、
前記ベクトル生成手段によって変換された入力文章のベクトルを表す入力文章ベクトルと、前記内容文章ベクトルと、の類似度を求める算出手段と、
前記類似度に従い、前記内容を表す前記文章の順位を求める順位特定手段と、
前記内容を表す前記文章と、前記類似度と、前記順位とを含む結果を表示する表示手段と、
を備える、
類似事例抽出支援システム。
続きを表示(約 1,700 文字)
【請求項2】
前記事項は、製品の生産、製造に伴う作業と、該作業のリスクとを含む、
請求項1に記載の類似事例抽出支援システム。
【請求項3】
前記算出手段は、前記作業の内容を表す作業内容ベクトル又は前記リスクの内容を表すリスクベクトルと、前記入力文章ベクトルとの類似度を求める、
請求項2に記載の類似事例抽出支援システム。
【請求項4】
前記順位特定手段は、前記類似度が最大値を示す、前記作業と相関関係を有する前記リスクとの組み合わせの順位を1位と求め、
前記算出手段は、前記順位特定手段によって1位と求められた前記組み合わせにおける前記作業と、前記記憶手段に記憶された他の作業との類似度と、前記順位特定手段によって1位と求められた前記組み合わせにおける前記リスクと、前記記憶手段に記憶された他のリスクとの類似度と、を求め、
前記算出手段によって求めた類似度に従い、前記作業と前記リスクとの組み合わせの順位を再度求める、順位再度特定手段を更に備える、
請求項3に記載の類似事例抽出支援システム。
【請求項5】
前記リスクをクラスタに分類するクラスタリング部を更に備え、
前記算出手段は、前記クラスタに属する前記リスクの個数に従い、前記類似度を補正する、
請求項2に記載の類似事例抽出支援システム。
【請求項6】
前記記憶手段に記憶されたうちの一部のリスクと、該リスクのそれぞれの要因を表すカテゴリ情報との組み合わせを学習することによって学習済モデルを生成する学習手段と、
前記記憶手段に記憶されたうちの残りのリスクそれぞれと、前記学習済みモデルとによって、前記カテゴリ情報を推論する推論手段と、を更に備え、
前記順位再度特定手段は、前記カテゴリ情報のうち、ユーザによって指定されたカテゴリ情報毎に、前記作業と前記リスクとの前記組み合わせの前記順位を再度求める、
請求項4に記載の類似事例抽出支援システム。
【請求項7】
前記事項は、相関関係を有する第1の事項と第2の事項とのペアを複数含み、
前記記憶手段は、第1の事項を表す第1の文章と第2の事項を表す第2の文章のペアと、前記第1の文章の第1のベクトルと、前記第2の文章の第2のベクトルとを記憶し、
前記入力文章は、第1の事項を特定する文章であり、
前記算出手段は、前記入力文章のベクトルと各前記ペアの第1の文章のベクトルとの類似度を求め、
前記順位特定手段は、前記算出手段が求めた類似度が大きい順に、上位n(nは自然数)位までの第1の文章と第2の文章のペアを特定し、
前記算出手段は、類似度が上位n位までのペアの第1の文章のベクトルと他のペアの第1の文章のベクトルとの類似度と、類似度が上位n位までのペアの第2の文章のベクトルと他のペアの第2の文章のベクトルとの類似度を求め、
前記算出手段によって求められた類似度に従い、前記第1の事項と前記第2の事項とのペアの順位を再度求める順位再度特定手段を備え、
前記表示手段は、前記順位再度特定手段が特定した上位m(mは自然数)位までのペアを出力する、
請求項1に記載の類似事例抽出支援システム。
【請求項8】
複数の事項の内容を表す文章がそれぞれベクトルに変換された内容文章ベクトルを記憶し、
入力された入力文章をベクトルに変換し、
変換したベクトルを表す入力文章ベクトルと、前記内容文章ベクトルとの類似度を求め、
前記類似度に従い、前記内容を表す文章を表示する、
類似事例抽出支援方法。
【請求項9】
コンピュータに、
複数の事項の内容を表す文章がそれぞれベクトルに変換された内容文章ベクトルを記憶し、
入力された入力文章をベクトルに変換し、
変換したベクトルを表す入力文章ベクトルと、前記内容文章ベクトルとの類似度を求め、
前記類似度に従い、前記内容を表す文章を表示する、
処理を実行させるプログラム。
発明の詳細な説明
【技術分野】
【0001】
本開示は、類似事例抽出支援システム、類似事例抽出支援方法及びプログラムに関する。
続きを表示(約 2,500 文字)
【背景技術】
【0002】
事例データを利用して、ユーザによって入力された文章と関連する情報を過去の事例から抽出することによって、製造工程の作業、製品設計等に役立てる技術が知られている。例えば、特許文献1には、ユーザによって新規FMEA(Failure Mode and Effect Analysis)シートに入力された部品および機能の情報を示す入力情報に従い、既存FMEAシートの中から、入力情報に関連する故障モードを表す複数の文章からキーワードを抽出する。
【先行技術文献】
【特許文献】
【0003】
特開2018-45548号公報
【発明の概要】
【発明が解決しようとする課題】
【0004】
FMEAの様式は、書く人によって表記、表現等が異なっているので、文脈を読み取った上で、既存の事例データを活用することが望ましい。しかしながら、特許文献1の技術では、文脈の考慮まではなされていないので、例えば、入力文章によっては、既存の事例から適切な類似事例を抽出できるとは限らない。このため、適切な類似事例を容易に抽出する支援を行うことが求められる。
【0005】
本開示は、上記課題に鑑みてなされたものであり、適切な類似事例を容易に抽出する支援を行う類似事例抽出支援システム、類似事例抽出支援方法及びプログラムを提供することを目的とする。
【課題を解決するための手段】
【0006】
上記の目的を達成するため、本開示に係る類似事例抽出支援システムは、相関関係を有する事項の内容を表す文章と、当該文章がベクトルに変換された内容文章ベクトルとを記憶する記憶手段と、トランスフォーマベースのモデルを使用して、文章をベクトルに変換するベクトル生成手段と、ベクトル生成手段によって変換された入力文章のベクトルを表す入力文章ベクトルと、内容文章ベクトルと、の類似度を求める算出手段と、類似度に従い、内容を表す文章の順位を求める順位特定手段と、内容を表す文章と、類似度と、順位とを含む結果を表示する表示手段と、を備える。
【発明の効果】
【0007】
本開示によれば、文章をベクトルに変換し、入力文章のベクトルを表す入力文章ベクトルと、内容文章ベクトルとの類似度を求め、求めた類似度に従い、内容を表す文章の順位を求め、内容を表す文章と、類似度と、順位とを含む結果を表示する。従って、適切な類似事例を容易に抽出する支援ができる。
【図面の簡単な説明】
【0008】
実施の形態1に係る類似事例抽出支援システムの構成を示す図
実施の形態1に係るユーザ端末装置の機能構成を示すブロック図
実施の形態1に係る類似事例抽出支援装置の機能構成を示すブロック図
実施の形態1に係る類似事例抽出支援装置のハードウェア構成の一例を示す図
実施の形態1に係るベクトル生成処理を示すフローチャート
実施の形態1に係る技術文書記憶部の一例を示す図
実施の形態1に係る類似事例抽出支援処理1を示すフローチャート
実施の形態1に係る類似度スコア算出処理を示すフローチャート
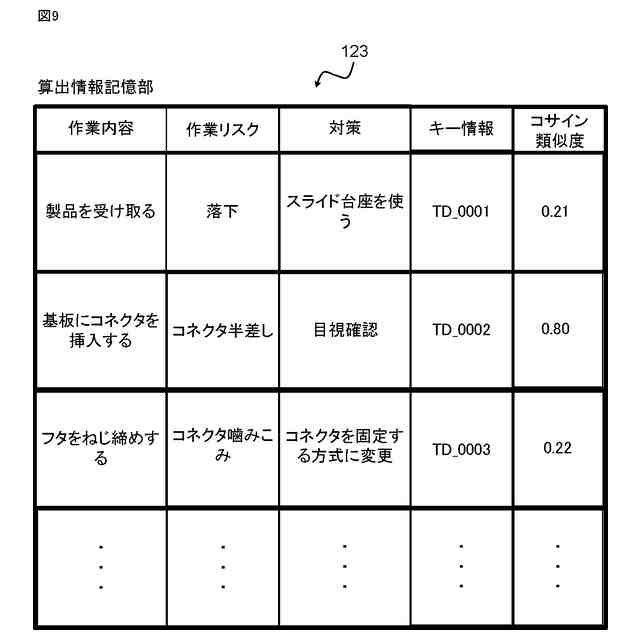
実施の形態1に係る算出情報記憶部の一例を示す図
実施の形態1に係る算出情報記憶部の一例を示す図
作業とリスクの両方で類似事例を検索する方法の一例を説明するための図
実施の形態2に係る類似事例抽出支援装置の機能構成を示すブロック図
実施の形態2に係る類似事例抽出支援処理2を示すフローチャート
想定リスクとクラスタの対応の一例を示す図
クラスタ毎の補正値を説明するための図
想定リスクのクラスタとスコアとランクの一例を示す図
クラスタ毎の補正値を説明するための図
スコア補正と再度の順位特定を説明するための図
実施の形態3に係る類似事例抽出支援装置の機能構成を示すブロック図
実施の形態3に係るモデル作成処理を示すフローチャート
実施の形態3に係る推論処理を示すフローチャート
実施の形態3に係る類似事例抽出支援処理3を示すフローチャート
作業リスクとスコアとランクとカテゴリ等の対応関係の一例を示す図
(a)作業起因のカテゴリに属する作業内容、作業リスク等の組み合わせの順位再特定を説明するための図、(b)購入品起因のカテゴリに属する作業内容、作業リスク等の組み合わせの順位再特定を説明するための図
【発明を実施するための形態】
【0009】
(実施の形態1)
以下、本開示の実施の形態に係る類似事例抽出支援システム、類似事例抽出支援方法及びプログラムについて、図面を参照して詳細に説明する。なお、図中同一または相当する部分には同じ符号を付す。
【0010】
本開示の実施の形態に係る類似事例抽出支援システムは、相関を有する第1の事項と第2の事項の複数のペアを含む複数の事例を記憶しているデータベース(以下、DB)を検索して、入力事例に類似する事例を抽出することにより、類似事例を抽出する作業を支援するシステムである。以下の説明では、複数の事例の一例として、作業の内容とその作業に伴うリスクとの対を取り扱う。より詳細には、この実施の形態に係る類似事例抽出支援システムは、作業の内容とその作業に伴うリスクとを表す文章とを予め格納したデータベース(DB)を備え、作業内容を表す入力文章をキーにDBを検索し、入力文章に類似する作業の内容とその作業のリスクとを表す文章を抽出する。類似事例抽出支援システムは、DBを検索する際に、入力文章及びDBの記憶文章とをベクトル化し、ベクトルの類似度を用いて作業の内容とその作業のリスクとを表す文章を抽出する。以下、詳細に説明する。
(【0011】以降は省略されています)
この特許をJ-PlatPat(特許庁公式サイト)で参照する
関連特許
三菱電機株式会社
冷蔵庫
24日前
三菱電機株式会社
扇風機
22日前
三菱電機株式会社
冷蔵庫
1日前
三菱電機株式会社
電気機器
1日前
三菱電機株式会社
照明装置
15日前
三菱電機株式会社
保護リレー
23日前
三菱電機株式会社
加熱調理器
9日前
三菱電機株式会社
回路遮断器
9日前
三菱電機株式会社
半導体装置
23日前
三菱電機株式会社
半導体装置
1日前
三菱電機株式会社
貯湯式給湯機
15日前
三菱電機株式会社
空調システム
17日前
三菱電機株式会社
光源デバイス
15日前
三菱電機株式会社
制御システム
15日前
三菱電機株式会社
炊飯システム
24日前
三菱電機株式会社
貯湯式給湯機
24日前
三菱電機株式会社
点検管理装置
22日前
三菱電機株式会社
空気清浄装置
9日前
三菱電機株式会社
調理システム
24日前
三菱電機株式会社
移動体監視装置
14日前
三菱電機株式会社
電磁波発生装置
1日前
三菱電機株式会社
回転電機ユニット
14日前
三菱電機株式会社
空気調和システム
15日前
三菱電機株式会社
回転電機ユニット
14日前
三菱電機株式会社
運転支援システム
22日前
三菱電機株式会社
加熱調理システム
14日前
三菱電機株式会社
照明制御システム
1日前
三菱電機株式会社
空気調和機の室内機
9日前
三菱電機株式会社
電子機器の冷却装置
15日前
三菱電機株式会社
リニューアルプレート
14日前
三菱電機株式会社
ヒートポンプ給湯装置
9日前
三菱電機株式会社
人流情報取得システム
24日前
三菱電機株式会社
点灯装置および照明装置
22日前
三菱電機株式会社
検査治具および検査装置
14日前
三菱電機株式会社
点灯装置および照明器具
1日前
三菱電機株式会社
遠心送風機および換気機器
16日前
続きを見る
他の特許を見る