TOP
|
特許
|
意匠
|
商標
特許ウォッチ
Twitter
他の特許を見る
10個以上の画像は省略されています。
公開番号
2025165234
公報種別
公開特許公報(A)
公開日
2025-11-04
出願番号
2024069214
出願日
2024-04-22
発明の名称
保護パネル及び床版交換方法
出願人
日軽エンジニアリング株式会社
,
株式会社横河ブリッジ
代理人
弁理士法人酒井国際特許事務所
主分類
E01D
22/00 20060101AFI20251027BHJP(道路,鉄道または橋りょうの建設)
要約
【課題】橋梁のより広い範囲、特にその橋軸方向(長手方向)の広い範囲を容易に点検可能であり、かつ低コストで安全で短期間で保護パネル設置及び床版交換が行える方法を提供する。
【解決手段】保護パネルは、橋梁の下部及び側部を被覆する保護パネルであって、橋梁の桁材に取り付けられ、作業者の通行部となる床パネルと、床パネルの橋梁幅方向の端部から高さ方向に配置された側面パネルとを備え、床パネルは、橋梁幅方向の端部が橋梁の側部よりも橋梁幅方向の外側に配置され、橋梁と床パネルと側面パネルとで囲まれた空間内には、橋梁と床パネルと側面パネルとで囲まれた空間内には、床パネルの上方に橋梁の側部に沿って配置される点検用通路と、床パネルと点検用通路とを上下方向に接続する梯子とが設けられ、側面パネルの上端と橋梁の側部の上端との間を覆う屋根を更に備える。
【選択図】図1
特許請求の範囲
【請求項1】
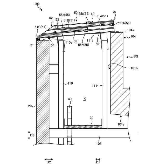
橋梁の下部及び側部を被覆する保護パネルであって、
前記橋梁の桁材に取り付けられ、作業者の通行部となる床パネルと、
前記床パネルの橋梁幅方向の端部から高さ方向に配置された側面パネルと
を備え、
前記床パネルは、前記橋梁幅方向の前記端部が前記橋梁の側部よりも前記橋梁幅方向の外側に配置され、
前記橋梁と前記床パネルと前記側面パネルとで囲まれた空間内には、前記床パネルの上方に前記橋梁の側部に沿って配置される点検用通路と、前記床パネルと前記点検用通路とを上下方向に接続する梯子とが設けられ、
前記側面パネルの上端と前記橋梁の前記側部との間を覆う屋根を更に備える
保護パネル。
続きを表示(約 790 文字)
【請求項2】
前記屋根は、開閉機構を有する
請求項1に記載の保護パネル。
【請求項3】
前記屋根は、屋根パネルと、当該屋根パネルを支持する支持部とを有し、
前記支持部は、前記屋根パネルを前記橋梁幅方向に案内する案内部を有し、
前記屋根パネルは、前記案内部に案内されて前記橋梁幅方向にスライド可能である
請求項2に記載の保護パネル。
【請求項4】
前記屋根パネルは、厚さ方向に複数配置され、
複数の前記屋根パネルのうち、前記厚さ方向の最下部の屋根パネルは、前記支持部に固定され、他の前記屋根パネルは、前記支持部の案内方向に沿ってスライド可能に配置され、
それぞれの前記屋根パネルは、隣り合う前記屋根パネルとの間で係止する係止部を有する
請求項3に記載の保護パネル。
【請求項5】
前記支持部は、前記案内方向に沿って設けられる樋を有する
請求項3に記載の保護パネル。
【請求項6】
前記屋根は、樋を有する
請求項1に記載の保護パネル。
【請求項7】
前記樋は、前記屋根の前記橋梁幅方向に沿っている
請求項6に記載の保護パネル。
【請求項8】
前記屋根は、屋根パネルと、当該屋根パネルの橋軸方向の端部に配置された支持材とを有し、
前記支持材は、前記橋梁幅方向に沿って前記樋が設けられる
請求項7に記載の保護パネル。
【請求項9】
前記屋根は、前記橋梁の側部と前記橋梁の前記側部との間に隙間隠し材を有する
請求項1に記載の保護パネル。
【請求項10】
前記屋根は、透光部を有する
請求項1に記載の保護パネル。
(【請求項11】以降は省略されています)
発明の詳細な説明
【技術分野】
【0001】
本発明は、保護パネル及び床版交換方法に関する。
続きを表示(約 1,400 文字)
【背景技術】
【0002】
橋梁用の点検用通路として、例えば特許文献1、特許文献2及び特許文献3に記載の構成が知られている。
【先行技術文献】
【特許文献】
【0003】
特許第7064335号公報
特許第7237131号公報
特許第7350535号公報
【発明の概要】
【発明が解決しようとする課題】
【0004】
特許文献1に記載の構成では、橋梁を保護することができ、橋梁の下部及び側面の点検が可能となっている。しかしながら、橋梁の側面の上端を点検することは困難である。また、橋梁の改修工事において、床版の取替を行う際には、作業用足場を橋梁外側に設ける必要があるが、特許文献1で提供されている足場では、その高さ及び広さが不十分となる。
【0005】
また、特許文献2の構成では、より高所での作業が可能となっている。しかしながら、足場自体を展開させる必要があり、そのための移動足場が必要となるため、複雑かつ高コストな構造となる。
【0006】
また、特許文献3の構成では、より高所での点検作業が可能となっている。しかしながら、この足場では床版交換の作業スペースとして不足しており、機能不足である。
【0007】
従来の床版交換の作業では、橋梁に工事期間中に仮設する足場材を設置し、床版交換作業後にこの仮設した足場を撤去する工程があり、橋梁を保護することができ、橋梁及び側面の点検が可能な保護パネルの設置は、前述の足場を撤去する作業後に行う必要がある。
【0008】
本発明は、上記に鑑みてなされたものであり、橋梁のより広い範囲、特にその橋軸方向(長手方向)の広い範囲を容易に点検可能であり、かつ低コストで安全で短期間で保護パネル設置及び床版交換が行える方法を提供することを目的とする。
【課題を解決するための手段】
【0009】
本発明に係る保護パネルは、橋梁の下部及び側部を被覆する保護パネルであって、前記橋梁の桁材に取り付けられ、作業者の通行部となる床パネルと、前記床パネルの橋梁幅方向の端部から高さ方向に配置された側面パネルとを備え、前記床パネルは、前記橋梁幅方向の前記端部が前記橋梁の側部よりも前記橋梁幅方向の外側に配置され、前記橋梁と前記床パネルと前記側面パネルとで囲まれた空間内には、前記床パネルの上方に前記橋梁の側部に沿って配置される点検用通路と、前記床パネルと前記点検用通路とを上下方向に接続する梯子とが設けられ、前記側面パネルの上端と前記橋梁の前記側部との間を覆う屋根を更に備える。
【0010】
本発明に係る床版交換方法は、橋梁の桁材に、作業者の通行部となる床パネルを、前記橋梁の側部よりも前記橋梁幅方向の外側に張り出すように取り付け、前記床パネルの前記橋梁幅方向の端部から高さ方向に沿って側面パネルを取り付け、前記橋梁と前記床パネルと前記側面パネルとで囲まれた空間内に、前記床パネルの上方に前記橋梁の側部に沿った点検用通路と、前記床パネルと前記点検用通路とを上下方向に接続する梯子とを配置し、前記点検用通路を足場として前記橋梁の床版を取り換え、前記床版を取り換えた後に、前記側面パネルの上端と前記橋梁の側部の上面との間を覆う屋根を取り付ける。
【発明の効果】
(【0011】以降は省略されています)
この特許をJ-PlatPat(特許庁公式サイト)で参照する
関連特許
株式会社熊谷組
床版
1か月前
株式会社熊谷組
床版
1か月前
株式会社セイトク
防雪パネル
1か月前
コスモテック株式会社
表示装置
19日前
株式会社ササキコーポレーション
作業機
1か月前
株式会社 林物産発明研究所
道路安全体
6日前
戸田建設株式会社
コンクリート構造
1か月前
三信工業株式会社
床版架設装置
1か月前
桑名金属工業株式会社
融雪マットおよび融雪方法
1か月前
戸田建設株式会社
鋼製ブラケットの取付装置
1か月前
戸田建設株式会社
鋼製ブラケットの取付装置
1か月前
東亜グラウト工業株式会社
防護柵の支柱構造
1か月前
株式会社丸治コンクリート工業所
防護柵
今日
株式会社川金コアテック
橋梁用鋼弾塑性ダンパー
14日前
西尾レントオール株式会社
コーンベット型電源装置
1か月前
鹿島建設株式会社
床版架設方法
1か月前
日鉄建材株式会社
吊り材で支持された足場用床パネル
1か月前
日立建機株式会社
転圧機械
1か月前
オリエンタル白石株式会社
補強鋼板及び排土方法
1か月前
株式会社日本コンポジット工業
壁用構造体
1か月前
ダンレックス株式会社
表示装置
7日前
宮地エンジニアリング株式会社
ワイヤブリッジの設置方法
1か月前
鹿島建設株式会社
橋、および橋の製造方法
1か月前
株式会社プロテックエンジニアリング
衝撃吸収柵
1か月前
愛知製鋼株式会社
磁気マーカの施工方法および施工用の補助工具
20日前
清水建設株式会社
床版架設装置および床版架設方法
6日前
株式会社NIPPO
スコップ加熱器
1か月前
PUMP MAN株式会社
路面成型補助部材、及び、路面成型方法
19日前
オリエンタル白石株式会社
馬蹄形ジベルの合成床版撤去工法
1か月前
株式会社NIPPO
土壌改質材及びそれを含む土壌
1か月前
日本製鉄株式会社
仮設橋による施工方法
6日前
日本製鉄株式会社
橋脚構造
1か月前
株式会社ミライト・ワン
ボラード
1か月前
三井住友建設株式会社
床版揚重装置及び床版工事設備
29日前
株式会社安藤・間
橋梁健全度評価システム
1か月前
株式会社大林組
シート部材及び、施工方法
22日前
続きを見る
他の特許を見る