TOP
|
特許
|
意匠
|
商標
特許ウォッチ
Twitter
他の特許を見る
10個以上の画像は省略されています。
公開番号
2025153544
公報種別
公開特許公報(A)
公開日
2025-10-10
出願番号
2024056076
出願日
2024-03-29
発明の名称
光合波器、光変調機能付き光合波部材、可視光光源モジュール、光学エンジン及びXRグラス
出願人
TDK株式会社
代理人
個人
,
個人
,
個人
主分類
G02B
6/12 20060101AFI20251002BHJP(光学)
要約
【課題】ニオブ酸リチウム膜を用いた光変調器と接続可能あるいは集積可能であって、従来より小型化が可能な光合波器を提供することである。
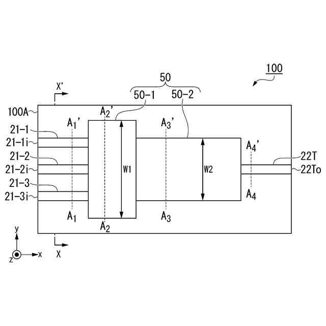
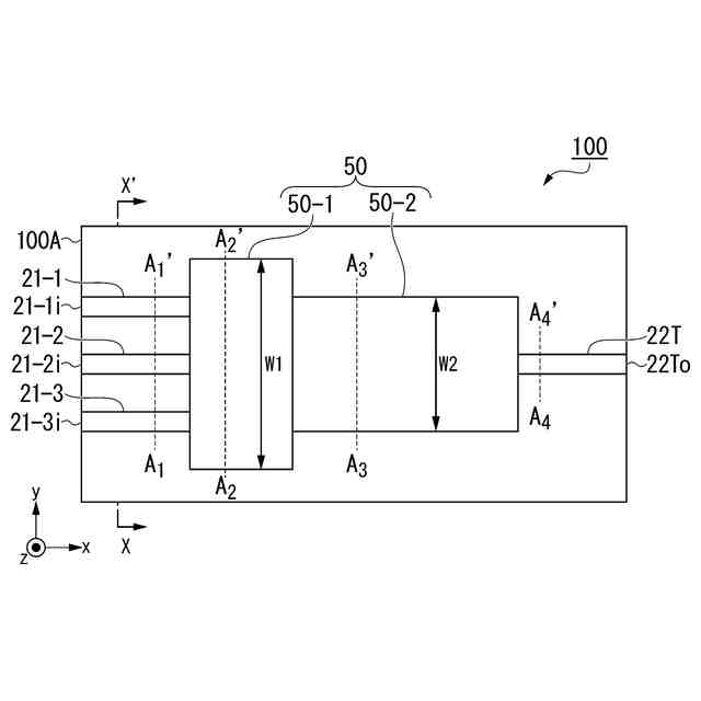
【解決手段】本発明の光合波器100は、複数の異なる波長のレーザー光を合波する光合波器であって、光合波部50とこれに接続する複数の光入力側光導波路21-1、21-2、21-3と光合波部50に接続する1つの光出力側光導波路22Tとを備え、光合波部50は1段または複数段のMMI型光合波部からなり、光入力側光導波路21-1、21-2、21-3は台形断面を有し、光合波部50及び光出力側光導波路22Tは台形断面または矩形断面を有し、光合波部50及び光出力側光導波路22Tの台形断面または矩形断面の下側内角α
21
、α
22
が光入力側光導波路21-1、21-2、21-3の台形断面の2つの下側内角のうちの少なくとも一方の下側内角α
11
、α
12
よりも大きい。
【選択図】図1
特許請求の範囲
【請求項1】
複数の異なる波長のレーザー光を合波する光合波器であって、
光合波部と、
前記光合波部に接続する複数の光入力側光導波路と、
前記光合波部に接続する1つの光出力側光導波路と、を備え、
前記光合波部は、1段または複数段のMMI型光合波部からなり、
前記光入力側光導波路は台形断面を有し、
前記光合波部および前記光出力側光導波路は台形断面または矩形断面を有し、
前記光合波部および前記光出力側光導波路の台形断面または矩形断面の下側内角が、前記光入力側光導波路の台形断面の2つの下側内角のうちの少なくとも一方の下側内角よりも大きい、光合波器。
続きを表示(約 960 文字)
【請求項2】
前記光合波部および前記光出力側光導波路の台形断面または矩形断面の下側内角は80°以上、90°以下であり、前記光入力側光導波路の台形断面の下側内角は65°以上、80°未満である、請求項1に記載の光合波器。
【請求項3】
前記1段または複数段のMMI型光合波部はそれぞれ、3×1型のMMI型光合波部か、又は、2×1型のMMI型光合波部である、請求項1に記載の光合波器。
【請求項4】
前記1段または複数段のMMI型光合波部のうち、少なくとも1つのMMI型光合波部は、入力側から第1MMI型光合波エレメントと第2MMI型光合波エレメントとが結合されてなるMMI結合型光合波部であり、
前記第1MMI型光合波エレメントの幅は前記第2MMI型光合波エレメントの幅よりも広い、請求項1に記載の光合波器。
【請求項5】
前記複数の異なる波長がすべて可視光波長である、請求項1に記載の光合波器。
【請求項6】
ニオブ酸リチウムとは異なる材料からなる基板と、
前記基板の主面に形成されたニオブ酸リチウム膜と、を備え、
請求項1~5のいずれか一項に記載の光合波器は前記ニオブ酸リチウム膜に形成されている、光合波部材。
【請求項7】
請求項6に記載の光合波部材と、前記光合波部材で合波する可視光を出射する複数の可視光レーザー光源とを備える、可視光光源モジュール。
【請求項8】
請求項6に記載の光合波部材と、前記光合波部材に接続され、複数の可視光レーザー光源から出射された複数の可視光を前記光合波器に導波するマッハツェンダー型光変調器と、を備える、光変調機能付き光合波部材。
【請求項9】
請求項8に記載の光変調機能付き光合波部材と、前記光変調機能付き光合波器で合波する可視光を出射する複数の可視光レーザー光源とを備える、可視光光源モジュール。
【請求項10】
請求項7に記載の可視光光源モジュールと、
前記可視光光源モジュールから出射された光を、画像表示するように角度を変えて反射する光走査ミラーと、を備える光学エンジン。
(【請求項11】以降は省略されています)
発明の詳細な説明
【技術分野】
【0001】
本発明は、光合波器、光変調機能付き光合波部材、可視光光源モジュール、光学エンジン及びXRグラスに関する。
続きを表示(約 1,400 文字)
【背景技術】
【0002】
現在、VRやARにおいて眼鏡型端末が検討されている。特に近年では、二次元的に走査された光をユーザの網膜に結像することで、使用者に画像を視認させる網膜走査ディスプレイが注目されている。網膜走査ディスプレイにおいては、一般的に、R(赤色)、G(緑色)、B(青色)の各色に対応するLED(Light Emitting Diode)やLD(Laser Diode)などの光源から出射される3色の可視光が、1つの光軸上に合波される。合波された3色の可視光は、画像表示部に伝送される。画像表示部は、伝送された光を二次元的に走査して、使用者の瞳孔に入射する。この入射光が使用者の網膜上に結像することで、使用者は画像を視認する。
【0003】
例えば、特許文献1には、マッハツェンダー型光変調器を用いた網膜投影型ディスプレイの構成が開示されている。
【先行技術文献】
【特許文献】
【0004】
特許第6728596号公報
特許第6787397号公報
特許第6572377号公報
特開2012-48071号公報
特開2020-27170号公報
【発明の概要】
【発明が解決しようとする課題】
【0005】
特許文献1に開示されている網膜投影型ディスプレイでは、出射部において複数の光導波路が近接されているが、合波はされていないため、波長毎の光軸が異なり、出射光の制御が複雑となる。
【0006】
また、可視光変調器と接続可能あるいは集積可能で、RGBのカラーバランスを調整可能な光合波器が求められているが、現状では全く検討されていない。
【0007】
しかし、特許文献1では、出射部においては近接されているだけで合波はされていない。そのため波長毎の光軸が異なるため出射光の制御が複雑となる。
【0008】
また、特許文献2には、ニオブ酸リチウム膜を用いた可視光の変調器が開示されている。ニオブ酸リチウム膜を用いた可視光変調器と接続可能あるいは集積可能なRGB光合波器が求められているが、未だ検討されていない。
【0009】
可視光の合波については、一般的には方向性結合器が検討されている(例えば、特許文献3参照)。これらはガラス系材料で構成されており安定性に優れているが、Δnの大きなニオブ酸リチウム基板を用いる場合、結合長が長くなり小型化ができない。
【0010】
特許文献4や特許文献5では、MMI(マルチモード干渉計)を用いたRGB合波器の構成が開示されているが、いずれもガラス系の材料であり、ニオブ酸リチウム膜を用いた構成については全く開示されていない。
MMI型光合波器は、光入力側に複数の導波路ポートを用いて複数の入力信号を入力し、光出力側では、出力信号に対して単一の導波路ポートが用いられ、全ての入力信号が合波されて出力信号として出力される。
MMI型光合波器は、各波長ごとに、幅が広い光合波器内で発生する多数のモードが干渉し合い、特定の位置で結像(収束する)するという特性を利用した光合波器である。
(【0011】以降は省略されています)
この特許をJ-PlatPat(特許庁公式サイト)で参照する
関連特許
TDK株式会社
電子部品
18日前
TDK株式会社
接合構造
10日前
TDK株式会社
電子部品
5日前
TDK株式会社
電力変換装置
18日前
TDK株式会社
アンテナモジュール
1か月前
TDK株式会社
コモンモードフィルタ
11日前
TDK株式会社
磁気センサおよびその製造方法
18日前
TDK株式会社
入力装置及び入力装置の制御方法
24日前
TDK株式会社
物理レザバー素子及び物理レザバー
1か月前
TDK株式会社
磁気センサおよび磁気センサの製造方法
10日前
TDK株式会社
軟磁性粉末、磁性体コア、および磁性部品
1か月前
TDK株式会社
磁性シート及びこれを備えるコイルモジュール
1か月前
TDK株式会社
固体電解コンデンサ及び固体電解コンデンサの製造方法
1か月前
TDK株式会社
軟磁性合金粒子、軟磁性粉末、圧粉磁芯および電子部品
1か月前
TDK株式会社
接合構造
3日前
TDK株式会社
コイル部品
24日前
TDK株式会社
物理レザバー素子及び物理レザバー
1か月前
TDK株式会社
光合波器、光合波部材、光変調機能付き光合波部材、可視光光源モジュール、光学エンジン及びXRグラス
1か月前
TDK株式会社
光変調器、光源モジュール、光学エンジン、XRグラス、光通信用送信装置で、光通信システム、光変調器の制御方法
1か月前
TDK株式会社
光変調器、光源モジュール、光学エンジン、画像表示装置、XRグラス、光通信用送信装置、光通信システム、光変調器の制御方法
1か月前
株式会社プロテリアル
フェライト磁心、並びにそれを用いたコイル部品及び電子部品
1か月前
カンタツ株式会社
光学系
1か月前
株式会社シグマ
結像光学系
1か月前
株式会社シグマ
結像光学系
1か月前
日本精機株式会社
ミラーユニット
1か月前
古河電気工業株式会社
融着機
1か月前
アイカ工業株式会社
反射防止フィルム
5日前
日本電気株式会社
光モジュール
1か月前
個人
多方向視差効果のための微細穴加工
1か月前
日東電工株式会社
導光部材
1か月前
豊田合成株式会社
調光装置
18日前
株式会社コシナ
投射ズームレンズ
24日前
京セラ株式会社
光学系
1か月前
日東電工株式会社
光学積層体
1か月前
日本精機株式会社
ヘッドアップディスプレイ
1か月前
日本精機株式会社
ヘッドアップディスプレイ
1か月前
続きを見る
他の特許を見る