TOP
|
特許
|
意匠
|
商標
特許ウォッチ
Twitter
他の特許を見る
10個以上の画像は省略されています。
公開番号
2025170997
公報種別
公開特許公報(A)
公開日
2025-11-20
出願番号
2024075926
出願日
2024-05-08
発明の名称
調光装置
出願人
豊田合成株式会社
代理人
個人
,
個人
主分類
G02B
5/00 20060101AFI20251113BHJP(光学)
要約
【課題】偏光シートの全体の変形を抑制しつつ、装置全体の薄型化を図る。
【解決手段】偏光シート31,35の各側縁部32,37には、左右方向のうち、他方の側縁部32,37から遠ざかる側へ突出する突出片部33,38が、互いに上下方向に離間した複数箇所に設けられる。偏光シート31,35の左右方向における同一側の突出片部33,38は、側縁部32,37において上下方向に互い違いとなる箇所から突出する。前後方向に対向するガイド部材45,55の被締結部52,62が、上下方向に互い違いに配置される。突出片部33,38は、前後方向に対向するガイド部材45,55の間に配置されたねじにより、被締結部52,62に締結される。
【選択図】図5
特許請求の範囲
【請求項1】
利用者に対向する方向を前後方向とするとともに、前記前後方向に対し直交し、かつ互いに直交する2方向の一方を長さ方向とし、他方を幅方向とした場合、
前記前後方向に対向する一対の偏光シートとして、第1偏光シート及び第2偏光シートを備え、
各偏光シートは、シート基材と、前記シート基材に対し、前記長さ方向に並べられた状態で貼り合わされた複数の偏光領域部と、を備え、
隣り合う前記偏光領域部は、互いに異なる方向へ延びる偏光軸を有し、
一対の前記偏光シートが前記長さ方向へ相対移動されることにより、一対の前記偏光シートにおける光の透過の程度を調整する調光装置であって、
各偏光シートの周縁部は、前記長さ方向へ延びる一対の特定辺部を有し、
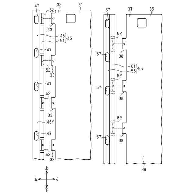
各特定辺部において、互いに前記長さ方向に離間する複数箇所には、前記幅方向のうち、それぞれ他方の前記特定辺部から遠ざかる側へ突出する突出片部が設けられ、
一対の前記偏光シートの前記突出片部のうち、前記幅方向における同一側の前記突出片部を、前記前後方向の両側から挟む箇所には、前記相対移動をガイドする一対のガイド部材として、第1ガイド部材及び第2ガイド部材が配置され、
各ガイド部材において、互いに前記長さ方向に離間した複数箇所には、前記前後方向における他方の前記ガイド部材側へ突出する被締結部が設けられ、
一対の前記偏光シートの前記幅方向における同一側の前記突出片部は、前記特定辺部において前記長さ方向に互い違いとなる箇所から突出し、
前記前後方向に対向する一対の前記ガイド部材の前記被締結部は、前記長さ方向に互い違いに配置され、
前記第1偏光シートの前記突出片部は、前記前後方向に対向する一対の前記ガイド部材の間に配置された第1締結部により、前記第1ガイド部材の前記被締結部に締結され、
前記第2偏光シートの前記突出片部は、一対の前記ガイド部材の間に配置された第2締結部により、前記第2ガイド部材の前記被締結部に締結されている、調光装置。
続きを表示(約 1,100 文字)
【請求項2】
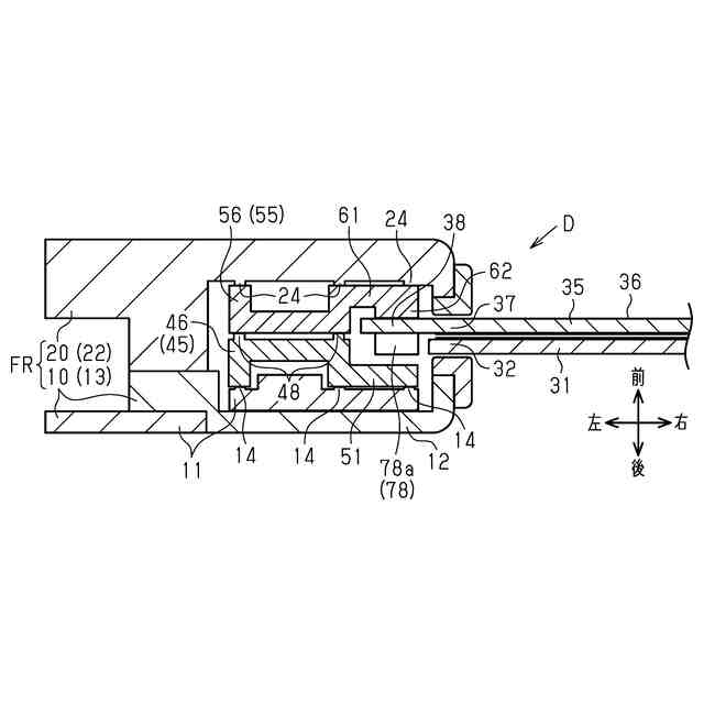
前記第2偏光シートは、前記第1偏光シートの前側に配置されており、
前記前後方向に対向する一対の前記ガイド部材はそれぞれ、前記相対移動をガイドするガイド本体部と、前記ガイド本体部に対し、前記幅方向における前記偏光シート側に位置し、かつ前記突出片部を締結するための締結本体部と、を備え、
前記前後方向に対向する前記ガイド本体部は、互いに隣接し、
前記第1ガイド部材では、前記締結本体部が前記ガイド本体部の前面よりも後方に位置し、かつ前記第2ガイド部材では、前記締結本体部が前記ガイド本体部の後面よりも前方に位置し、
前記第1ガイド部材では、前記被締結部が前記締結本体部から前方へ突出し、
前記第2ガイド部材では、前記被締結部が前記締結本体部から後方へ突出し、
前記第1締結部及び前記第2締結部は、前記前後方向に対向する前記締結本体部の間に配置されている、請求項1に記載の調光装置。
【請求項3】
各ガイド部材には、前記長さ方向へ延びる長孔が形成され、
前記前後方向に対向する一対の前記ガイド部材を前記前後方向における両側から挟み込む箇所には、フレームの一部を構成する一対の主枠部が配置され、
一対の前記主枠部は、前記前後方向に延び、かつ前記長孔に挿通された連結部により連結されている、請求項1又は請求項2に記載の調光装置。
【請求項4】
前記前後方向に対向する一対の前記ガイド部材を前記前後方向における両側から挟み込む箇所には、フレームの一部を構成する一対の主枠部が配置され、
前記前後方向に対向する一対の前記ガイド部材は、前記前後方向に対向する一対の前記主枠部の間において、それぞれ前記長さ方向へ移動可能に配置され、
前記前後方向に対向する一対の前記主枠部は、前記前後方向であり、かつ前記第1ガイド部材を挟んで、前記第2ガイド部材とは反対側に位置する第1主枠部と、前記前後方向であり、かつ前記第2ガイド部材を挟んで、前記第1ガイド部材とは反対側に位置する第2主枠部とからなり、
各第1主枠部には、前記前後方向における前記第2主枠部側へ突出して前記第1ガイド部材に接触する第1枠突部が形成されており、
各第2主枠部には、前記前後方向における前記第1主枠部側へ突出して前記第2ガイド部材に接触する第2枠突部が形成されている、請求項1又は請求項2に記載の調光装置。
【請求項5】
前記前後方向に対向する一対の前記ガイド部材の一方には、前記前後方向における他方の前記ガイド部材側へ突出し、かつ前記他方の前記ガイド部材に接触するガイド突部が形成されている、請求項1又は請求項2に記載の調光装置。
発明の詳細な説明
【技術分野】
【0001】
本発明は調光装置に関する。
続きを表示(約 2,200 文字)
【背景技術】
【0002】
偏光の光学的性質を利用することにより、光の透過の程度を調整する調光装置が知られている。
ここで、利用者に対向する方向を前後方向とするとともに、前後方向に対し直交し、かつ互いに直交する2方向の一方を長さ方向とし、他方を幅方向とする。
【0003】
上記調光装置として、前後方向に対向した状態で配置された一対の偏光シートを備えるものが知られている(例えば、特許文献1参照)。偏光シートとしては、透明な樹脂材料からなるシート基材と、シート基材に対し、長さ方向に並べられた状態で貼り合わされた複数の偏光領域部と、を備えるものがある。長さ方向に隣り合う偏光領域部は、互いに異なる方向へ延びる偏光軸を有する。
【0004】
上記調光装置によると、一対の偏光シートが長さ方向へ相対移動されることにより、一対の偏光シートにおける光の透過の程度が調整される。
上記タイプの調光装置における各偏光シートの周縁部は、長さ方向へ延びる一対の特定辺部を有する。両偏光シートのうち、前後方向に対向する特定辺部を、前後方向の両側から挟む箇所には、一対のガイド部材が、前後方向に隣接した状態で配置される。一対のガイド部材はそれぞれ長さ方向へ延び、かつ隣接する偏光シートの特定辺部に締結される。各ガイド部材は、偏光シートの長さ方向への移動をガイドする。
【先行技術文献】
【特許文献】
【0005】
特開2017-219778号公報
【発明の概要】
【発明が解決しようとする課題】
【0006】
上記調光装置では、前後方向の寸法を小さくすること、すなわち、薄型化を図ることが望まれている。この薄型化には、前後方向に対向する一対のガイド部材と、一対の偏光シートとについて、それぞれの前後方向の寸法を小さくすることが重要である。特に、後者は、一対の偏光シートの間隔を小さくすることにより、実現される。
【0007】
ところが、上記調光装置には次の懸念がある。偏光シートでは、シート基材と偏光領域部とが、構成部材として前後方向に積層されている。偏光シートがこのような構成を採っていることから、同偏光シートでは、構成部材間の熱収縮率及び熱膨張率の違いに由来して撓む、波打つ、カールする等の変形が発生する。特に、偏光シートに光が当たると、光を遮蔽する部分において高温になりやすいため、上記変形が発生しやすい。
【0008】
従って、偏光シートのガイド部材に対する締結構造によっては、このような変形が偏光シート全体として積算、増幅等された結果、たるみや波打ちといったシート全体の大きな変形を発生させるおそれがある。例えば、偏光シートの特定辺部が長さ方向における全長にわたってガイド部材に締結されている場合には、変形の逃げ場がないため、上記の現象が起きやすくなる懸念がある。
【0009】
従って、偏光シートのガイド部材に対する締結構造の工夫を通じて、偏光シート全体が大きく変形するのを抑制することが重要となってくる。
【課題を解決するための手段】
【0010】
上記課題を解決するための調光装置の各態様を記載する。
[態様1]利用者に対向する方向を前後方向とするとともに、前記前後方向に対し直交し、かつ互いに直交する2方向の一方を長さ方向とし、他方を幅方向とした場合、前記前後方向に対向する一対の偏光シートとして、第1偏光シート及び第2偏光シートを備え、各偏光シートは、シート基材と、前記シート基材に対し、前記長さ方向に並べられた状態で貼り合わされた複数の偏光領域部と、を備え、隣り合う前記偏光領域部は、互いに異なる方向へ延びる偏光軸を有し、一対の前記偏光シートが前記長さ方向へ相対移動されることにより、一対の前記偏光シートにおける光の透過の程度を調整する調光装置であって、各偏光シートの周縁部は、前記長さ方向へ延びる一対の特定辺部を有し、各特定辺部において、互いに前記長さ方向に離間する複数箇所には、前記幅方向のうち、それぞれ他方の前記特定辺部から遠ざかる側へ突出する突出片部が設けられ、一対の前記偏光シートの前記突出片部のうち、前記幅方向における同一側の前記突出片部を、前記前後方向の両側から挟む箇所には、前記相対移動をガイドする一対のガイド部材として、第1ガイド部材及び第2ガイド部材が配置され、各ガイド部材において、互いに前記長さ方向に離間した複数箇所には、前記前後方向における他方の前記ガイド部材側へ突出する被締結部が設けられ、一対の前記偏光シートの前記幅方向における同一側の前記突出片部は、前記特定辺部において前記長さ方向に互い違いとなる箇所から突出し、前記前後方向に対向する一対の前記ガイド部材の前記被締結部は、前記長さ方向に互い違いに配置され、前記第1偏光シートの前記突出片部は、前記前後方向に対向する一対の前記ガイド部材の間に配置された第1締結部により、前記第1ガイド部材の前記被締結部に締結され、前記第2偏光シートの前記突出片部は、一対の前記ガイド部材の間に配置された第2締結部により、前記第2ガイド部材の前記被締結部に締結されている、調光装置。
(【0011】以降は省略されています)
この特許をJ-PlatPat(特許庁公式サイト)で参照する
関連特許
カンタツ株式会社
撮像レンズ
今日
日本電気株式会社
波長可変光源
今日
東京応化工業株式会社
光学製品
1日前
アイカ工業株式会社
反射防止フィルム
8日前
新光電気工業株式会社
光導波路部品
1日前
キヤノン株式会社
表示装置
6日前
キヤノン株式会社
表示装置
13日前
住友化学株式会社
複合偏光板
6日前
古河電気工業株式会社
光ファイバケーブル
6日前
古河電気工業株式会社
光ファイバケーブル
6日前
京セラ株式会社
アイソレータ
13日前
矢崎総業株式会社
光ケーブル
2日前
株式会社タムロン
ズームレンズ及び撮像装置
6日前
ウシオ電機株式会社
反射型位相差構造体
2日前
古河電気工業株式会社
融着機、ピッチ変換部材
6日前
住友ベークライト株式会社
光学部品の製造方法
6日前
株式会社吉野工業所
加飾部材
今日
住友化学株式会社
偏光板及び画像表示装置
今日
マクセル株式会社
空中浮遊映像表示装置
今日
キヤノン株式会社
顕微鏡
今日
日東電工株式会社
光学積層体
6日前
日東電工株式会社
光学積層体
6日前
株式会社小糸製作所
画像投影装置
21日前
日東電工株式会社
光学積層体
6日前
株式会社小糸製作所
画像生成装置
15日前
マクセル株式会社
空中浮遊映像表示装置
21日前
吉祥園株式会社
近くの物体を遠くに鏡像させて見る光学器具
7日前
キヤノン株式会社
光学系および観察装置
2日前
キヤノン株式会社
光学系および撮像装置
21日前
セイコーエプソン株式会社
光学表示装置
今日
キヤノン株式会社
走査光学装置及び画像形成装置
13日前
日本精機株式会社
表示装置及びヘッドアップディスプレイ装置
2日前
個人
双眼ルーペ
8日前
東芝テック株式会社
光学装置
6日前
TOPPANホールディングス株式会社
調光装置
13日前
キヤノン株式会社
走査光学装置及び画像形成装置
15日前
続きを見る
他の特許を見る