TOP
|
特許
|
意匠
|
商標
特許ウォッチ
Twitter
他の特許を見る
10個以上の画像は省略されています。
公開番号
2025178576
公報種別
公開特許公報(A)
公開日
2025-12-09
出願番号
2024085245
出願日
2024-05-27
発明の名称
光学系および観察装置
出願人
キヤノン株式会社
代理人
個人
,
個人
,
個人
主分類
G02B
27/02 20060101AFI20251202BHJP(光学)
要約
【課題】 小型でありながらユーザの視線方法を適切に検出することが可能な光学系を提供する。
【解決手段】 表示面(PNL)の拡大像を射出瞳(EP)に形成するとともに、射出瞳の縮小像を撮像面(IM)に形成する光学系(1)であって、表示面から射出瞳に至る第1光路(RY1)において、第1方向の第1偏光を導光し、射出瞳から撮像面に至る第2光路(RY2、RY2a)において、第1偏光および第1方向とは異なる第2方向の第2偏光を導光し、第2光路に配置され、第1偏光の通過を抑制する第1偏光制御手段を有する。
【選択図】図1
特許請求の範囲
【請求項1】
表示面の拡大像を射出瞳に形成するとともに、該射出瞳の縮小像を撮像面に形成する光学系であって、
前記表示面から前記射出瞳に至る第1光路において、第1方向の第1偏光を導光し、
前記射出瞳から前記撮像面に至る第2光路において、前記第1偏光および前記第1方向とは異なる第2方向の第2偏光を導光し、
前記第2光路に配置され、前記第1偏光の通過を抑制する第1偏光制御手段を有することを特徴とする光学系。
続きを表示(約 940 文字)
【請求項2】
前記光学系は、第1透過反射面および第2透過反射面を有し、
前記第1透過反射面または前記第2透過反射面の少なくとも一つには、偏光選択性反射型偏光素子が設けられており、
前記第1偏光制御手段は、前記第1透過反射面と前記撮像面との間に配置されていることを特徴とする請求項1に記載の光学系。
【請求項3】
前記第1偏光制御手段は、偏光素子を有することを特徴とする請求項2に記載の光学系。
【請求項4】
前記光学系は、第1透過反射面および第2透過反射面を有し、
前記第1透過反射面または前記第2透過反射面の少なくとも一つには、偏光選択性反射型偏光素子が設けられており、
前記第1偏光制御手段は、前記第1透過反射面よりも前記射出瞳の側に配置されていることを特徴とする請求項1に記載の光学系。
【請求項5】
前記第1偏光制御手段は、近赤外光の偏光状態を制御する光学フィルタであることを特徴とする請求項4に記載の光学系。
【請求項6】
前記第1光路の光は、前記表示面から、前記第1透過反射面を透過し、前記第2透過反射面を反射し、前記第1透過反射面を反射し、前記第2透過反射面を透過し、前記射出瞳に導かれることを特徴とする請求項2乃至5のいずれか一項に記載の光学系。
【請求項7】
前記第2光路の光は、前記射出瞳から、前記第2透過反射面を透過し、前記第1透過反射面を透過し、前記撮像面に導かれることを特徴とする請求項2乃至5のいずれか一項に記載の光学系。
【請求項8】
前記第2透過反射面は、前記偏光選択性反射型偏光素子に設けられていることを特徴とする請求項2乃至5のいずれか一項に記載の光学系。
【請求項9】
前記光学系は、前記第1透過反射面よりも前記表示面の側に配置された円偏光変換素子を有することを特徴とする請求項2乃至5のいずれか一項に記載の光学系。
【請求項10】
前記円偏光変換素子は、直線偏光板および四分の一波長板を有することを特徴とする請求項9に記載の光学系。
(【請求項11】以降は省略されています)
発明の詳細な説明
【技術分野】
【0001】
本発明は、光学系および観察装置に関する。
続きを表示(約 1,500 文字)
【背景技術】
【0002】
ヘッドマウントディスプレイ等、観察者(ユーザ)の頭部に装着してユーザに対し映像を視認させる観察装置が知られている。また、観察装置にユーザの瞳を撮像する光学系(撮像光学系)を設けることで、ユーザの視線方向を検出する機能等を有する観察装置が知られている。特許文献1には、ユーザへ映像を視認させる光学系を通過し、ユーザの瞳の像、もしくはユーザの瞳により反射された像を撮像素子に導く光路を有する光学系が開示されている。
【先行技術文献】
【特許文献】
【0003】
特開2023-86613号公報
【発明の概要】
【発明が解決しようとする課題】
【0004】
特許文献1に開示された光学系では、透過反射面を透過する光路、および2回反射した後に透過する光路が同時に形成される。より小型化のために撮像面を表示面側に近づけると、表示面の表示像を拡大像としてユーザの眼に導く光路に重なるため、透過反射面を透過する光路、および2回反射した後に透過する光路のそれぞれの光が撮像面に導かれる。その結果、複数の光路により生じるゴーストやフレアが発生することで検出精度が低下し、ユーザの視線方向を適切に検出することが困難になる。
【0005】
そこで本発明は、小型でありながらユーザの視線方向を適切に検出することが可能な光学系を提供することを目的とする。
【課題を解決するための手段】
【0006】
本発明の一側面としての光学系は、表示面の拡大像を射出瞳に形成するとともに、該射出瞳の縮小像を撮像面に形成する光学系であって、前記表示面から前記射出瞳に至る第1光路において、第1方向の第1偏光を導光し、前記射出瞳から前記撮像面に至る第2光路において、前記第1偏光および前記第1方向とは異なる第2方向の第2偏光を導光し、前記第2光路に配置され、前記第1偏光の通過を抑制する第1偏光制御手段を有する。
【0007】
本発明の他の目的及び特徴は、以下の実施形態において説明される。
【発明の効果】
【0008】
本発明によれば、小型でありながらユーザの視線方法を適切に検出することが可能な光学系を提供することができる。
【図面の簡単な説明】
【0009】
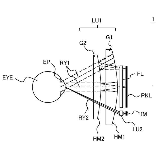
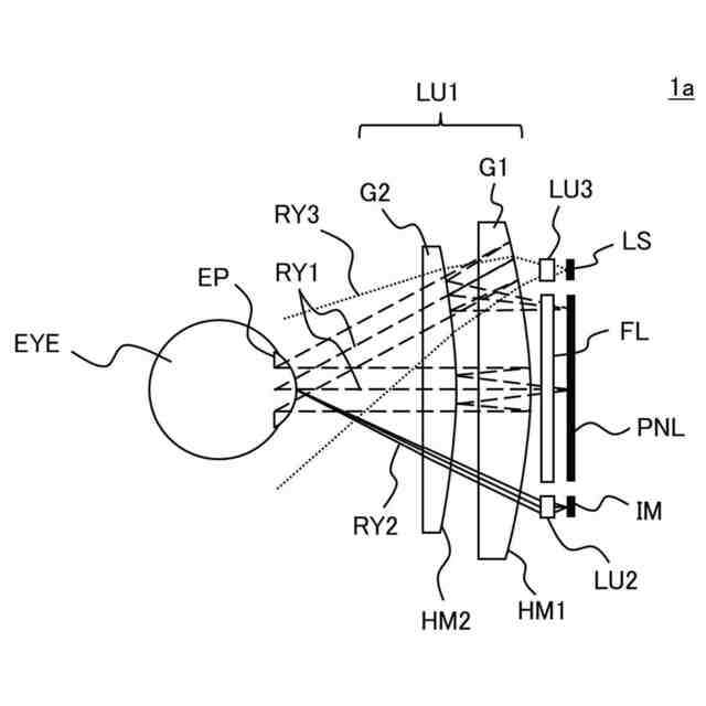
本実施形態における光学系の構成図である。
本実施形態における第1光路の説明図である。
本実施形態の変形例における光学系の構成図である。
第2光路および第3光路で生じるゴーストまたはフレアの発生に関するメカニズムの説明図である。
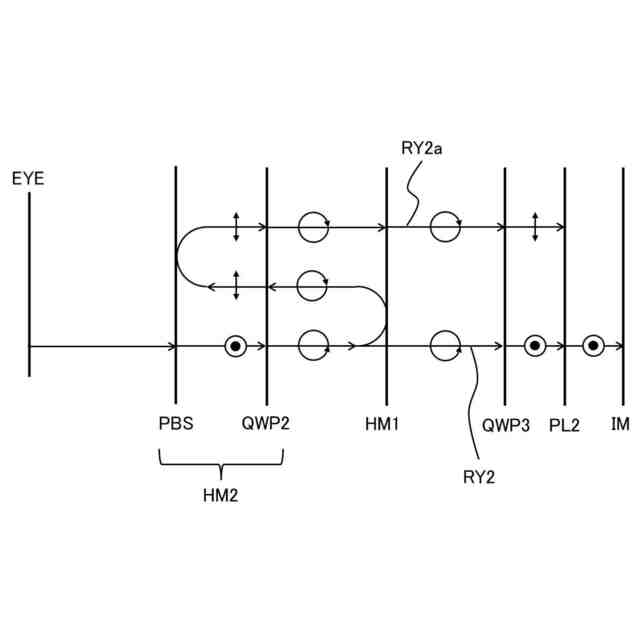
本実施形態における第2光路の説明図である。
本実施形態における第1偏光制御手段の一例である。
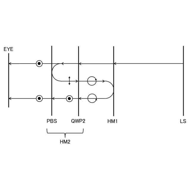
本実施形態における第3光路の説明図である。
本実施形態における第2偏光制御手段の一例である。
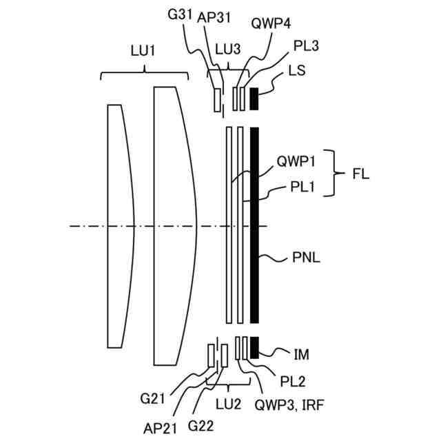
本実施形態における第2レンズユニットおよび第3レンズユニットの詳細図である。
本実施形態における観察装置の概略図である。
本実施形態における観察装置の表示部の説明図である。
【発明を実施するための形態】
【0010】
以下、本発明の実施形態について、図面を参照しながら詳細に説明する。なお、各図面は、便宜的に実際とは異なる縮尺で描かれている場合がある。また、各図面において、同一の部材については同一の参照番号を付し、重複する説明を省略する。
(【0011】以降は省略されています)
この特許をJ-PlatPat(特許庁公式サイト)で参照する
関連特許
キヤノン株式会社
容器
1か月前
キヤノン株式会社
容器
1か月前
キヤノン株式会社
トナー
1か月前
キヤノン株式会社
トナー
1か月前
キヤノン株式会社
発光装置
12日前
キヤノン株式会社
撮像装置
20日前
キヤノン株式会社
記録装置
1か月前
キヤノン株式会社
電子機器
1か月前
キヤノン株式会社
二次電池
7日前
キヤノン株式会社
記録装置
1か月前
キヤノン株式会社
現像装置
2か月前
キヤノン株式会社
現像容器
2か月前
キヤノン株式会社
現像装置
2か月前
キヤノン株式会社
撮像装置
20日前
キヤノン株式会社
雲台装置
1か月前
キヤノン株式会社
撮像装置
1か月前
キヤノン株式会社
記録装置
6日前
キヤノン株式会社
現像容器
2か月前
キヤノン株式会社
撮像装置
5日前
キヤノン株式会社
撮像装置
5日前
キヤノン株式会社
撮像装置
5日前
キヤノン株式会社
撮像装置
5日前
キヤノン株式会社
撮像装置
5日前
キヤノン株式会社
表示装置
5日前
キヤノン株式会社
記録装置
6日前
キヤノン株式会社
記録装置
1か月前
キヤノン株式会社
撮像装置
1か月前
キヤノン株式会社
測距装置
1か月前
キヤノン株式会社
定着装置
20日前
キヤノン株式会社
現像装置
1か月前
キヤノン株式会社
定着装置
20日前
キヤノン株式会社
定着装置
26日前
キヤノン株式会社
撮像装置
14日前
キヤノン株式会社
定着装置
26日前
キヤノン株式会社
記録装置
26日前
キヤノン株式会社
定着装置
26日前
続きを見る
他の特許を見る