TOP
|
特許
|
意匠
|
商標
特許ウォッチ
Twitter
他の特許を見る
10個以上の画像は省略されています。
公開番号
2025153273
公報種別
公開特許公報(A)
公開日
2025-10-10
出願番号
2024055660
出願日
2024-03-29
発明の名称
照明装置
出願人
日東電工株式会社
代理人
個人
,
個人
主分類
F21S
2/00 20160101AFI20251002BHJP(照明)
要約
【課題】輝度ムラを低減する。
【解決手段】本照明装置は、内部にキャビティが設けられた導光体と、前記導光体の端面に向けて光を出射する光源と、前記端面と光源との間に配置され、前記光源からの光を拡散透過させる光拡散部材と、を有し、前記光拡散部材は、入射角度0°の光を入射して測定した双方向透過率分布関数の少なくとも1つの断面における半値角が50°以上である。
【選択図】図4
特許請求の範囲
【請求項1】
内部にキャビティが設けられた導光体と、
前記導光体の端面に向けて光を出射する光源と、
前記端面と光源との間に配置され、前記光源からの光を拡散透過させる光拡散部材と、を有し、
前記光拡散部材は、入射角度0°の光を入射して測定した双方向透過率分布関数の少なくとも1つの断面における半値角が50°以上である、照明装置。
続きを表示(約 420 文字)
【請求項2】
前記光源は、所定の並列方向に並ぶ複数の光源を含み、
前記双方向透過率分布関数の少なくとも1つの断面は、前記光拡散部材の中心軸を含み、前記並列方向と直交する断面であり、
前記光拡散部材の中心軸は、前記光拡散部材の中心を通り、前記光拡散部材の法線と平行な軸である、請求項1に記載の照明装置。
【請求項3】
前記光拡散部材は、入射角度0°の光を入射して測定した双方向透過率分布関数の少なくとも1つの断面における半値角が70°以上である、請求項1に記載の照明装置。
【請求項4】
前記光源から前記光拡散部材までの距離が、1mm以上である、請求項3に記載の照明装置。
【請求項5】
前記光源から前記光拡散部材までの距離が、5mm以上である、請求項4に記載の照明装置。
【請求項6】
前記導光体は、賦形フィルムと、導光層と、を含む、請求項1に記載の照明装置。
発明の詳細な説明
【技術分野】
【0001】
本発明は、照明装置に関する。
続きを表示(約 1,700 文字)
【背景技術】
【0002】
例えば、特許文献1には、光源と導光板との間に、直角に相互交差する第1プリズムパターンと第2プリズムパターンを備える照明装置が開示されている。また、特許文献2には、光源からの光を入射させる導光板の入光面に、モスアイパターンと突起部とを有する照明装置が開示されている。
【先行技術文献】
【特許文献】
【0003】
特許第4691543号公報
特許第6068747号公報
【発明の概要】
【発明が解決しようとする課題】
【0004】
本発明は、輝度ムラを低減することを目的とする。
【課題を解決するための手段】
【0005】
本発明の一態様に係る照明装置は、内部にキャビティが設けられた導光体と、前記導光体の端面に向けて光を出射する光源と、前記端面と光源との間に配置され、前記光源からの光を拡散透過させる光拡散部材と、を有し、前記光拡散部材は、入射角度0°の光を入射して測定した双方向透過率分布関数の少なくとも1つの断面における半値角が50°以上である。
【発明の効果】
【0006】
本発明によれば、輝度ムラを低減することができる。
【図面の簡単な説明】
【0007】
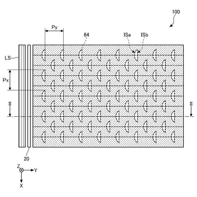
実施形態に係る照明装置の第1例を示す模式的平面図である。
図1におけるII-II線の模式的断面図である。
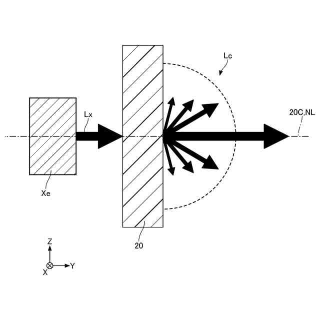
実施形態に係る照明装置が備える光拡散部材による拡散光を示す図である。
実施形態に係る照明装置が備える光拡散部材による拡散光の双方向透過率分布関数の測定方法を示す図である。
実施形態に係る照明装置が備える光拡散部材による拡散光の双方向透過率分布関数の半値角を説明する図である。
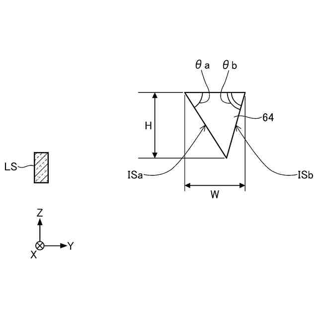
実施形態に係る照明装置が備えるキャビティの模式的断面図である。
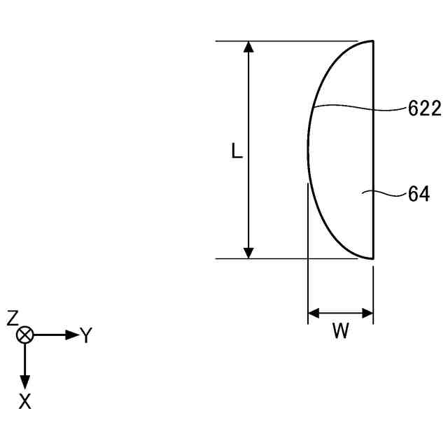
実施形態に係る照明装置が備えるキャビティの第1例を示す模式的平面図である。
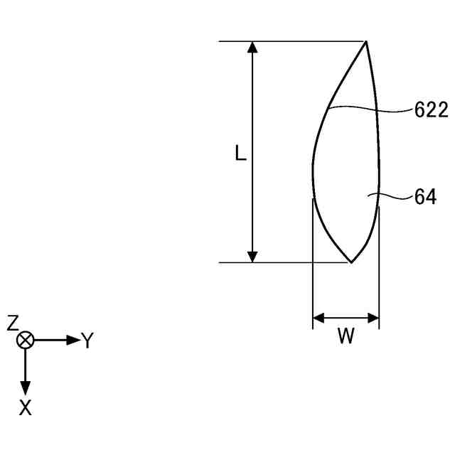
実施形態に係る照明装置が備えるキャビティの第2例を示す模式的平面図である。
実施例及び比較例に係る照明装置の輝度ムラ評価方法を説明する図である。
実施例及び比較例に係る照明装置の輝度ムラ評価領域を示す図である。
輝度分布の測定結果の一例を示す図である。
比較例4に係る照明装置における出射光の画像を示す図である。
実施例4に係る照明装置における出射光の画像を示す図である。
実施形態に係る照明装置の第2例を示す模式的断面図である。
【発明を実施するための形態】
【0008】
以下、図面を参照して本発明の実施形態について詳細に説明する。各図面において、同一構成要素には同一符号を付与し、重複した説明を適宜省略する。
【0009】
以下に示す実施形態は、本発明の技術思想を具体化するための照明装置を例示するものであって、本発明を以下に示す実施形態に限定するものではない。以下に記載されている構成部品の寸法、材質、形状、その相対的配置等は、特定の形態のみに限定する旨の記載がない限り、本発明の範囲をそれのみに限定する趣旨ではなく、例示することを意図したものである。また図面が示す部材の大きさや位置関係等は、説明を明確にするため、誇張している場合がある。
【0010】
以下に示す図面において、方向表現として、X軸、Y軸及びZ軸を有する直交座標を用いる。X軸、Y軸及びZ軸は、互いに略直交する。X軸を表す矢印が向く方向を+X方向又は+X側、+X方向とは反対方向を-X方向又は-X側と表記する。Y軸を表す矢印が向く方向を+Y方向又は+Y側、+Y方向とは反対方向を-Y方向又は-Y側と表記する。Z軸を表す矢印が向く方向を+Z方向又は+Z側、+Z方向とは反対方向を-Z方向又は-Z側と表記する。X方向は、実施形態に係る照明装置が備える複数の光源が並ぶ「並列方向」に対応し、また、実施形態に係る照明装置が備える導光体の端面の「長手方向」に対応する。
(【0011】以降は省略されています)
この特許をJ-PlatPat(特許庁公式サイト)で参照する
関連特許
日東電工株式会社
積層体
1か月前
日東電工株式会社
シート体
1か月前
日東電工株式会社
照明装置
1か月前
日東電工株式会社
導光部材
19日前
日東電工株式会社
粘着シート
1か月前
日東電工株式会社
粘着シート
1か月前
日東電工株式会社
粘着シート
6日前
日東電工株式会社
粘着シート
1か月前
日東電工株式会社
光学積層体
21日前
日東電工株式会社
粘着シート
1か月前
日東電工株式会社
配線回路基板
1か月前
日東電工株式会社
調光フィルム
1か月前
日東電工株式会社
配線回路基板
19日前
日東電工株式会社
スイッチ装置
1か月前
日東電工株式会社
表面保護シート
1か月前
日東電工株式会社
ロール体の製造方法
6日前
日東電工株式会社
導光体、及び照明装置
1か月前
日東電工株式会社
多孔質ポリマーシート
6日前
日東電工株式会社
レンズ及び内視鏡用部材
1か月前
日東電工株式会社
分離機能層、及び分離膜
1か月前
日東電工株式会社
分離機能層、及び分離膜
1か月前
日東電工株式会社
配線回路基板の製造方法
1か月前
日東電工株式会社
高分子分散型液晶フィルム
1か月前
日東電工株式会社
フレキシブル多層回路基板
6日前
日東電工株式会社
積層光学部材及び光学装置
1か月前
日東電工株式会社
光半導体素子封止用シート
1か月前
日東電工株式会社
ポリマー粒子およびその利用
1か月前
日東電工株式会社
粘着シートおよび光半導体装置
6日前
日東電工株式会社
情報カードおよびその製造方法
19日前
日東電工株式会社
反射防止フィルム及びその製造方法
14日前
日東電工株式会社
積層光学フィルムおよび画像表示装置
1か月前
日東電工株式会社
積層光学フィルムおよび画像表示装置
1か月前
日東電工株式会社
粘着シートおよびフレキシブルデバイス
1か月前
日東電工株式会社
架橋ポリマー、分離機能層、及び分離膜
1か月前
日東電工株式会社
生体信号取得用粘着性電極及び生体センサ
14日前
日東電工株式会社
配線回路基板、及び配線回路基板の製造方法
1か月前
続きを見る
他の特許を見る