TOP
|
特許
|
意匠
|
商標
特許ウォッチ
Twitter
他の特許を見る
公開番号
2025143935
公報種別
公開特許公報(A)
公開日
2025-10-02
出願番号
2024043459
出願日
2024-03-19
発明の名称
マルチフェーズ電源回路
出願人
株式会社デンソー
代理人
名古屋国際弁理士法人
主分類
H02M
3/00 20060101AFI20250925BHJP(電力の発電,変換,配電)
要約
【課題】複数のDC/DCコンバータの何れかが故障した場合でも、所望の出力を継続できるマルチフェーズ電源回路を提供する。
【解決手段】マルチフェーズ電源回路は、複数のDCDCコンバータと、制御部と、を備える。制御部は、複数のDCDCコンバータの動作期間が互いにずれるように、複数のDCDCコンバータの各々を所定のスイッチング周期で所定の動作時間ずつ動作させるように構成される。また、制御部は、複数のDCDCコンバータの何れかの故障が検出された場合に、故障したDCDCコンバータの出力を補うように、残りのDCDCコンバータの所定のスイッチング周期又は所定の動作時間を変更する、ように構成されている。
【選択図】図3
特許請求の範囲
【請求項1】
複数のDCDCコンバータ(10,20,30,40,210,220,230)と、
前記複数のDCDCコンバータの動作期間が互いにずれるように、前記複数のDCDCコンバータの各々を所定のスイッチング周期で所定の動作時間ずつ動作させるように構成された制御部(11,290)と、を備え、
前記制御部は、
前記複数のDCDCコンバータの何れかの故障が検出された場合に、故障したDCDCコンバータの出力を補うように、残りのDCDCコンバータの前記所定のスイッチング周期又は前記所定の動作時間を変更する、ように構成されている、
マルチフェーズ電源回路
続きを表示(約 1,300 文字)
【請求項2】
前記複数のDCDCコンバータ(10,20,30,40)をバス方式で接続する第1配線(50)と、
前記複数のDCDCコンバータをデージーチェーン方式で接続する第2配線(61~64)と、を更に備え、
前記複数のDCDCコンバータの各々は、
前記1配線を介して互いに第1信号を送受信し、
前記第1配線を介して受信された前記第1信号に基づいて、互いの動作を確認する、
ように構成されており、
前記制御部(11)は、
前記第1配線及び前記第2配線に接続されており、
前記複数のDCDCコンバータの各々へ、前記第2配線を介して順に第2信号を送信することにより、前記複数のDCDCコンバータの各々のスイッチングタイミングを制御し、
前記複数のDCDCコンバータの各々から送信される前記第1信号の何れかが異常になった場合に、前記複数のDCDCコンバータの何れかの故障を検出するとともに、前記故障したDCDCコンバータを特定して、前記残りのDCDCコンバータの前記所定の動作時間を変更する、
ように構成されている、
請求項1に記載のマルチフェーズ電源回路。
【請求項3】
前記制御部(11)は、前記第2信号が途絶した場合に、前記複数のDCDCコンバータ(10,20,30,40)の各々へ、前記第1配線(50)を介して前記第2信号を送信する、ように構成されている、
請求項2に記載のマルチフェーズ電源回路。
【請求項4】
前記複数のDCDCコンバータ(10,20,30,40)をバス方式で接続するバス配線(50)を更に備え、
前記複数のDCDCコンバータの各々は
前記バス配線を介して互いに第1信号を送受信し、
前記バス配線を介して受信された前記第1信号に基づいて、互いの動作を確認する、
ように構成されており、
前記制御部(11)は、
前記バス配線に接続されており、
前第1信号と異なる第2信号を前記バス配線へ送信することにより、前記複数のDCDCコンバータの各々の動作タイミングを制御し、
前記複数のDCDCコンバータの各々から送信される前記第1信号の何れかが異常になった場合に、前記複数のDCDCコンバータの何れかの故障を検出するとともに、前記故障したDCDCコンバータを特定して、前記所定の動作時間を変更する、
請求項1に記載のマルチフェーズ電源回路。
【請求項5】
前記複数のDCDCコンバータ(210,220,230)の各々に接続され、前記複数のDCDCコンバータの各々の動作を検出するように構成された動作検出回路(280)を更に備え、
前記制御部(290)は、前記動作検出回路の出力に基づいて、前記複数のDCDCコンバータの何れかの故障を検出するとともに、前記故障したDCDCコンバータを特定して、前記所定の動作時間を変更する、ように構成されている、
請求項1に記載のマルチフェーズ電源回路。
発明の詳細な説明
【技術分野】
【0001】
本開示は、マルチフェーズ電源回路に関する。
続きを表示(約 1,700 文字)
【背景技術】
【0002】
特許文献1に記載のマルチフェーズ型DC/DCコンバータは、並列接続された複数のDC/DCコンバータの出力位相を互いにずらして動作して、各出力を足し合わせることで、入力電圧から所望の出力電圧を生成する。
【先行技術文献】
【特許文献】
【0003】
特許第5210806号公報
【発明の概要】
【発明が解決しようとする課題】
【0004】
上記マルチフェーズ型DC/DCコンバータは、複数のDC/DCコンバータの何れかが故障した場合に、所望の出力電圧を出力し続けることができない。ひいては、マルチフェーズ型DC/DCコンバータの出力を受けて動作するシステムが急に停止する可能性がある。
【0005】
本開示の1つの局面は、複数のDC/DCコンバータの何れかが故障した場合でも、所望の出力を継続できるマルチフェーズ電源回路を提供する。
【課題を解決するための手段】
【0006】
本開示の1つの局面のマルチフェーズ電源回路は、複数のDCDCコンバータ(10,20,30,40,210,220,230)と、制御部(11,290)と、を備える。制御部は、複数のDCDCコンバータの動作期間が互いにずれるように、複数のDCDCコンバータの各々を所定のスイッチング周期で所定の動作時間ずつ動作させるように構成される。また、制御部は、複数のDCDCコンバータの何れかの故障が検出された場合に、故障したDCDCコンバータの出力を補うように、残りのDCDCコンバータの所定のスイッチング周期又は所定の動作時間を変更する、ように構成されている。
【0007】
本開示の1つの局面のマルチフェーズ電源回路によれば、何れかのDCDCコンバータの故障が判定された場合に、残りのDCDCコンバータのスイッチング周期又は動作時間が変更され、故障したDCDCコンバータの出力が補われる。したがって、上記マルチフェーズ電源回路は、何れかのDCDCコンバータが故障した場合でも、所望の出力を継続することができる。
【図面の簡単な説明】
【0008】
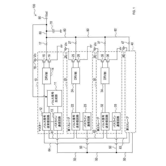
第1実施形態に係るマルチフェーズ電源回路の概略構成を示す図である。
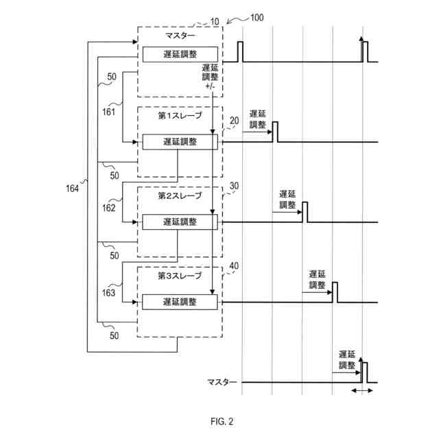
第1実施形態に係るマルチフェーズ電源回路のDCDCコンバータ各々のスイッチングタイミングを示す図である。
第1実施形態に係るマルチフェーズ電源回路のスレーブが故障した場合におけるDCDCコンバータ各々の出力、応答信号及びSW指示信号を示す図である。
第1実施形態に係るマルチフェーズ電源回路のデージーチェーンが途絶した場合におけるDCDCコンバータ各々の出力、応答信号及びSW指示信号を示す図である。
第2実施形態に係るマルチフェーズ電源回路のDCDCコンバータ各々へのSW指示信号及び応答信号を示す図である。
第2実施形態に係るマルチフェーズ電源回路のDCDCコンバータ各々の動作のタイムチャートである。
第3実施形態に係るマルチフェーズ電源回路の概略構成を示す図である。
【発明を実施するための形態】
【0009】
(1.第1実施形態)
<1-1.構成>
図1を参照して、第1実施形態に係るマルチフェーズ電源回路100の構成について説明する。本実施形態では、マルチフェーズ電源回路100は、車両に配置され、車載機器に電源を供給することを想定している。別の実施形態では、マルチフェーズ電源回路100は、車両以外に配置され、種々の電気機器に電源を供給してもよい。
【0010】
マルチフェーズ電源回路100は、マスター10と、第1スレーブ20と、第2スレーブ30と、第3スレーブ40と、バスライン50と、デージーチェーンライン61,62,63,64と、第1抵抗器17と、第2抵抗器27と、第3抵抗器37と、第4抵抗器47と、第1電源18と、第2電源28と、第3電源38と、第4電源48と、平滑コンデンサ70と、出力ライン80と、出力端子90と、を備える。
(【0011】以降は省略されています)
この特許をJ-PlatPat(特許庁公式サイト)で参照する
関連特許
個人
単極モータ
2日前
株式会社アイシン
ロータ
2日前
株式会社アイシン
ロータ
6日前
日本精機株式会社
サージ保護回路
9日前
西部電機株式会社
充電装置
9日前
西部電機株式会社
充電装置
9日前
トヨタ自動車株式会社
固定子
7日前
トヨタ自動車株式会社
回転子
13日前
トヨタ自動車株式会社
製造装置
7日前
株式会社デンソー
回転機
今日
個人
連続ガウス加速器形磁力増幅装置
9日前
株式会社ミツバ
ブラシレスモータ
8日前
株式会社ダイヘン
充電装置
6日前
東京瓦斯株式会社
通信装置
8日前
株式会社アイシン
ステータ
6日前
株式会社アイシン
ステータ
6日前
個人
太陽エネルギー収集システム
7日前
株式会社ダイヘン
充電装置
6日前
株式会社アイシン
ステータ
6日前
株式会社ダイヘン
充電装置
6日前
株式会社アイシン
ステータ
6日前
カヤバ株式会社
筒型リニアモータ
8日前
株式会社ダイヘン
充電装置
6日前
トヨタ自動車株式会社
被膜形成装置
7日前
日産自動車株式会社
ステータ
14日前
ニチコン株式会社
AC入力検出回路
13日前
トヨタ自動車株式会社
ロータ
15日前
株式会社kaisei
発電システム
2日前
株式会社大林組
可搬式充電設備
14日前
株式会社ダイヘン
電力変換装置
9日前
株式会社ミツバ
回転電機
6日前
株式会社ダイヘン
電力システム
9日前
株式会社デンソー
電力変換装置
13日前
株式会社デンソー
電力変換装置
1日前
東京瓦斯株式会社
給電システム
8日前
ASTI株式会社
電力変換装置
7日前
続きを見る
他の特許を見る