TOP
|
特許
|
意匠
|
商標
特許ウォッチ
Twitter
他の特許を見る
10個以上の画像は省略されています。
公開番号
2025140675
公報種別
公開特許公報(A)
公開日
2025-09-29
出願番号
2024040209
出願日
2024-03-14
発明の名称
エージング装置及びエージング方法
出願人
本田技研工業株式会社
代理人
弁理士法人桐朋
主分類
H01M
8/04 20160101AFI20250919BHJP(基本的電気素子)
要約
【課題】燃料電池スタック組み立て後に所望の発電性能を引き出すためのエージング方法を提供する。
【解決手段】エージング部38は、燃料電池スタックに対して非発電エージングと性能評価とを行い、プロトン抵抗取得部98は、非発電エージングが行われているときに対象セルの第1プロトン抵抗を取得し、性能評価後に対象セルの第2プロトン抵抗を取得し、対象セルの第1プロトン抵抗と、対象セルの第2プロトン抵抗との差分に応じた値である第3プロトン抵抗を取得する。
【選択図】図4
特許請求の範囲
【請求項1】
複数のセルを有する燃料電池スタックに対してエージングを行うエージング装置であって、
前記燃料電池スタックにアノードガスとカソードガスとを供給して前記エージングを行うエージング部と、
前記燃料電池スタックの少なくとも1つの前記セルである対象セルのプロトン抵抗を取得するプロトン抵抗取得部と、
を有し、
前記エージング部は、
前記アノードガスとして水素ガスを供給し、前記カソードガスとして不活性ガスを供給することにより、前記燃料電池スタックが発電していない状態である非発電状態での前記エージングである非発電エージングを前記燃料電池スタックに対して行う非発電処理と、
前記非発電処理後に、前記アノードガスとして前記水素ガスを供給し、前記カソードガスとして酸素含有ガスを供給することにより、前記燃料電池スタックに発電を行わせる発電処理と、
前記発電処理後に、前記カソードガスとして前記不活性ガスを供給することにより、前記燃料電池スタックを発電停止状態にする発電停止処理と、
を実行可能であり、
前記プロトン抵抗取得部は、
前記燃料電池スタックに対して前記非発電エージングが行われているときの前記対象セルの前記プロトン抵抗を第1プロトン抵抗として取得する第1プロトン抵抗取得処理と、
前記燃料電池スタックが前記発電停止状態であるときの前記対象セルの前記プロトン抵抗を第2プロトン抵抗として取得する第2プロトン抵抗取得処理と、
前記対象セルの前記第1プロトン抵抗と、前記対象セルの前記第2プロトン抵抗との差分に応じた値である第3プロトン抵抗を取得する第3プロトン抵抗取得処理と、
を実行可能である、エージング装置。
続きを表示(約 1,400 文字)
【請求項2】
請求項1に記載のエージング装置において、
前記エージング部は、前記対象セルの前記第3プロトン抵抗が所定抵抗値以下となるまで、少なくとも前記非発電処理を繰り返し実行する、エージング装置。
【請求項3】
請求項1に記載のエージング装置において、
前記燃料電池スタックによって発電が行われているときに前記対象セルにおいて生成された水分の量である生成水量を、前記対象セルの前記第3プロトン抵抗に基づいて取得する生成水量取得部を更に備え、
前記エージング部は、前記生成水量が所定水量となるまで、少なくとも前記非発電処理を繰り返し実行する、エージング装置。
【請求項4】
請求項1に記載のエージング装置において、
前記エージング部は、前記非発電エージングとして、前記燃料電池スタックに印加される電圧の掃引が繰り返し行われるサイクリックボルタンメトリエージングを少なくとも行い、
前記エージング部が、前記非発電エージングとして前記サイクリックボルタンメトリエージングを行う場合、前記燃料電池スタックに印加される交流電圧の掃引の周波数は、所定範囲の周波数に設定される、エージング装置。
【請求項5】
請求項1に記載のエージング装置において、
前記エージング部は、前記非発電エージングとして、前記燃料電池スタックに印加される電圧の掃引が繰り返し行われるサイクリックボルタンメトリエージングを少なくとも行い、
前記エージング部が、前記非発電エージングとして前記サイクリックボルタンメトリエージングを行う場合、前記燃料電池スタックに印加される電圧が所定電圧であるときに、前記プロトン抵抗取得部は、前記対象セルの前記第1プロトン抵抗を取得する、エージング装置。
【請求項6】
複数のセルを有する燃料電池スタックに対してエージングを行うエージング方法であって、
アノードガスとして水素ガスを供給し、カソードガスとして不活性ガスを供給することにより前記燃料電池スタックが発電していない状態である非発電状態での前記エージングである非発電エージングを前記燃料電池スタックに対して行う非発電ステップと、
前記燃料電池スタックに対して前記非発電エージングが行われているときに、前記燃料電池スタックの少なくとも1つの前記セルである対象セルのプロトン抵抗を第1プロトン抵抗として取得する第1プロトン抵抗取得ステップと、
前記第1プロトン抵抗取得ステップの後に、前記アノードガスとして前記水素ガスを供給し、前記カソードガスとして酸素含有ガスを供給することにより、前記燃料電池スタックに発電を行わせる発電ステップと、
前記発電ステップの後に、前記カソードガスとして前記不活性ガスを供給することにより、前記燃料電池スタックを発電停止状態にする発電停止ステップと、
前記燃料電池スタックが前記発電停止状態であるときの前記対象セルの前記プロトン抵抗を第2プロトン抵抗として取得する第2プロトン抵抗取得ステップと、
前記対象セルの前記第1プロトン抵抗と、前記対象セルの前記第2プロトン抵抗との差分に応じた値である第3プロトン抵抗を取得する第3プロトン抵抗取得部と、
を有する、エージング方法。
発明の詳細な説明
【技術分野】
【0001】
本開示は、エージング装置及びエージング方法に関する。
続きを表示(約 2,800 文字)
【背景技術】
【0002】
近年、より多くの人々が手ごろで信頼でき、持続可能かつ先進的なエネルギーへのアクセスを確保できるようにするため、エネルギーの効率化に貢献する燃料電池に関する研究開発が行われている。
【先行技術文献】
【特許文献】
【0003】
特開2022-069754号公報
【発明の概要】
【発明が解決しようとする課題】
【0004】
ところで、燃料電池に関する技術においては、複数のセルを積層して燃料電池スタックを組み立てた後に、所望の発電性能を引き出すために燃料電池スタックに対してエージングが行われる。しかし、燃料電池スタックのエージングには改善の余地があった。
【0005】
本発明は、上述した課題を解決することを目的とする。
【課題を解決するための手段】
【0006】
本開示の第1の態様は、複数のセルを有する固体高分子型の燃料電池スタックに対してエージングを行うエージング装置であって、前記燃料電池スタックにアノードガスとカソードガスとを供給して前記エージングを行うエージング部と、前記燃料電池スタックの少なくとも1つの前記セルである対象セルのプロトン抵抗を取得するプロトン抵抗取得部と、を有し、前記エージング部は、前記アノードガスとして水素ガスを供給し、前記カソードガスとして不活性ガスを供給することにより、前記燃料電池スタックが発電していない状態である非発電状態での前記エージングである非発電エージングを前記燃料電池スタックに対して行う非発電処理と、前記非発電処理後に、前記アノードガスとして前記水素ガスを供給し、前記カソードガスとして酸素含有ガスを供給することにより、前記燃料電池スタックに発電を行わせる発電処理と、前記発電処理後に、前記カソードガスとして前記不活性ガスを供給することにより、前記燃料電池スタックを発電停止状態にする発電停止処理と、を実行可能であり、前記プロトン抵抗取得部は、前記燃料電池スタックに対して前記非発電エージングが行われているときの前記対象セルの前記プロトン抵抗を第1プロトン抵抗として取得する第1プロトン抵抗取得処理と、前記燃料電池スタックが前記発電停止状態であるときの前記対象セルの前記プロトン抵抗を第2プロトン抵抗として取得する第2プロトン抵抗取得処理と、前記対象セルの前記第1プロトン抵抗と、前記対象セルの前記第2プロトン抵抗との差分に応じた値である第3プロトン抵抗を取得する第3プロトン抵抗取得処理と、を実行可能である、エージング装置である。
【0007】
本開示の第2の態様は、複数のセルを有する固体高分子型の燃料電池スタックに対してエージングを行うエージング方法であって、アノードガスとして水素ガスを供給し、カソードガスとして不活性ガスを供給することにより前記燃料電池スタックが発電していない状態である非発電状態での前記エージングである非発電エージングを前記燃料電池スタックに対して行う非発電ステップと、前記燃料電池スタックに対して前記非発電エージングが行われているときに、前記燃料電池スタックの少なくとも1つの前記セルである対象セルのプロトン抵抗を第1プロトン抵抗として取得する第1プロトン抵抗取得ステップと、前記第1プロトン抵抗取得ステップの後に、前記アノードガスとして前記水素ガスを供給し、前記カソードガスとして酸素含有ガスを供給することにより、前記燃料電池スタックに発電を行わせる発電ステップと、前記発電ステップの後に、前記カソードガスとして前記不活性ガスを供給することにより、前記燃料電池スタックを発電停止状態にする発電停止ステップと、前記燃料電池スタックが前記発電停止状態であるときの前記対象セルの前記プロトン抵抗を第2プロトン抵抗として取得する第2プロトン抵抗取得ステップと、前記対象セルの前記第1プロトン抵抗と、前記対象セルの前記第2プロトン抵抗との差分に応じた値である第3プロトン抵抗を取得する第3プロトン抵抗取得部と、を有する、エージング方法である。
【発明の効果】
【0008】
本発明により、よりよいエージング装置及びエージング方法を提供できる。
【図面の簡単な説明】
【0009】
図1は、第1の実施形態における燃料電池スタックの模式図である。
図2は、第1の実施形態におけるセルの模式図である。
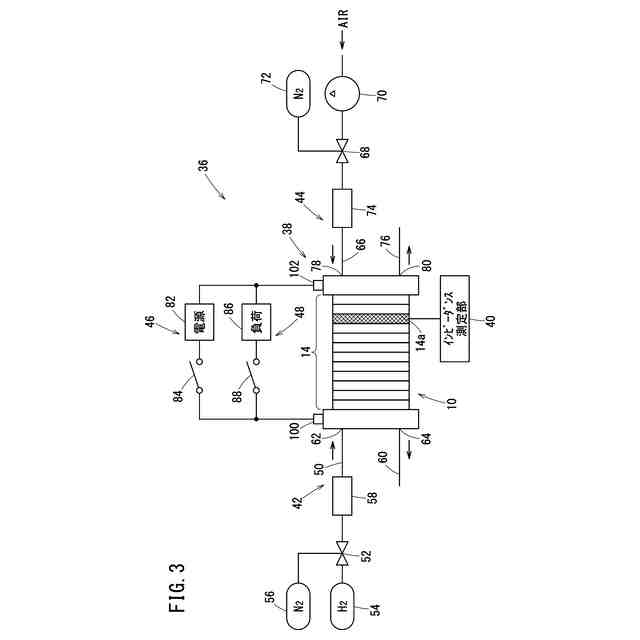
図3は、第1の実施形態におけるエージング装置の模式図である。
図4は、第1の実施形態におけるエージング装置の制御ブロック図である。
図5は、第1の実施形態におけるセルの等価回路を示す図である。
図6は、等価回路から得られるセルのインピーダンスを示すナイキストプロットである。
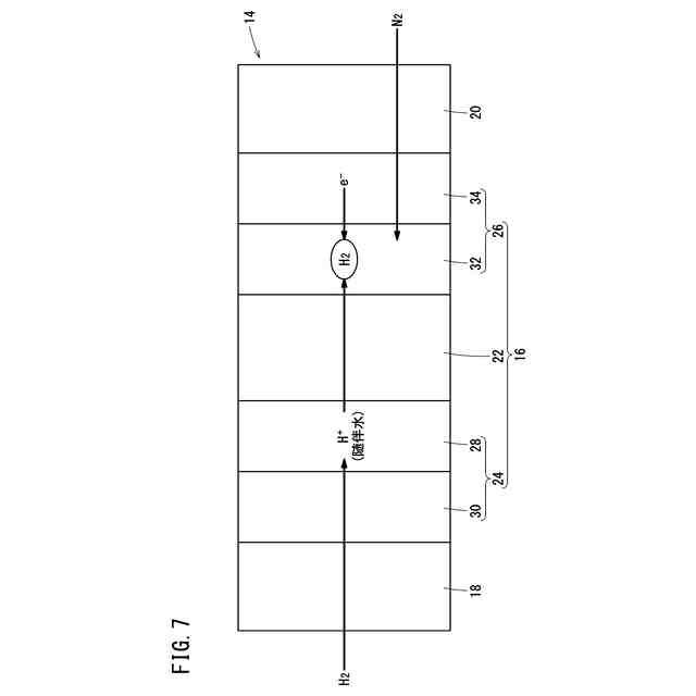
図7は、燃料電池スタックに対してCVエージングが行われているときのセルのイメージ図である。
図8は、燃料電池スタックに対して性能評価が行われているときのセルのイメージ図である。
図9は、燃料電池スタックに対するエージングによる対象セルのプロトン抵抗の変化を示すタイムチャートである。
図10は、サイクリックボルタモグラムである。
図11は、第1の実施形態における制御部において実行されるエージング処理のフローチャートである。
図12は、燃料電池スタックに対するエージングによるセルのプロトン抵抗の変化を示すタイムチャートである。
図13は、第2の実施形態における制御部において実行されるエージング処理のフローチャートである。
図14は、第3の実施形態におけるエージング装置の制御ブロック図である。
図15は、第3の実施形態におけるセルのプロトン抵抗からセルの生成水量を求めるためのマップである。
図16は、第3の実施形態におけるエージングによる生成水量の変化を示すタイムチャートである。
図17は、第3の実施形態における制御部において実行されるエージング処理のフローチャートである。
図18は、第4の実施形態におけるエージング処理のフローチャートである。
図19は、第4の実施形態におけるエージングによるプロトン抵抗の変化を示すタイムチャートである。
【発明を実施するための形態】
【0010】
複数のセルを積層して燃料電池スタックを組み立てた後に、所望の発電性能を引き出すために燃料電池スタックに対してエージングが行われる。燃料電池スタックに対してエージングが行われることにより、各セルの電極触媒層の触媒(白金)が活性化される。
(【0011】以降は省略されています)
この特許をJ-PlatPat(特許庁公式サイト)で参照する
関連特許
本田技研工業株式会社
車両
4日前
本田技研工業株式会社
車両
4日前
本田技研工業株式会社
車両
5日前
本田技研工業株式会社
車両
5日前
本田技研工業株式会社
飛行体
5日前
本田技研工業株式会社
二次電池
今日
本田技研工業株式会社
内燃機関
4日前
本田技研工業株式会社
排気装置
4日前
本田技研工業株式会社
除草装置
4日前
本田技研工業株式会社
制御装置
4日前
本田技研工業株式会社
内燃機関
5日前
本田技研工業株式会社
固体電池
今日
本田技研工業株式会社
収容装置
5日前
本田技研工業株式会社
清掃装置
5日前
本田技研工業株式会社
触媒装置
今日
本田技研工業株式会社
電気部品
5日前
本田技研工業株式会社
固体電池
4日前
本田技研工業株式会社
エンジン
5日前
本田技研工業株式会社
排気装置
4日前
本田技研工業株式会社
発電セル
4日前
本田技研工業株式会社
排気装置
4日前
本田技研工業株式会社
電気機器
5日前
本田技研工業株式会社
電気機器
5日前
本田技研工業株式会社
電極積層体
4日前
本田技研工業株式会社
電動船外機
今日
本田技研工業株式会社
鞍乗型車両
4日前
本田技研工業株式会社
鞍乗型車両
4日前
本田技研工業株式会社
リアクトル
4日前
本田技研工業株式会社
全固体電池
今日
本田技研工業株式会社
鞍乗型車両
4日前
本田技研工業株式会社
全固体電池
今日
本田技研工業株式会社
樹脂成型品
5日前
本田技研工業株式会社
始動制御装置
4日前
本田技研工業株式会社
燃料電池構造
4日前
本田技研工業株式会社
燃料電池装置
4日前
本田技研工業株式会社
始動制御装置
4日前
続きを見る
他の特許を見る