TOP
|
特許
|
意匠
|
商標
特許ウォッチ
Twitter
他の特許を見る
公開番号
2025035502
公報種別
公開特許公報(A)
公開日
2025-03-13
出願番号
2023142584
出願日
2023-09-01
発明の名称
異常検出システム
出願人
ポリプラスチックス株式会社
代理人
個人
,
個人
,
個人
主分類
B29C
45/84 20060101AFI20250306BHJP(プラスチックの加工;可塑状態の物質の加工一般)
要約
【課題】射出成形機の異常を容易に検出することができる、異常検出システムを提供する。
【解決手段】射出成形機9内の所定の位置に設置され、当該所定の位置で発生する前記射出成形の異常を検出するためのセンシングデータを測定するセンサー1と、前記センシングデータを取得し、当該センシングデータを用いて、前記所定の位置で発生する前記射出成形の異常を検出する処理装置3と、を備える。
【選択図】図1
特許請求の範囲
【請求項1】
射出成形機内の所定の位置に設置され、当該所定の位置で発生する前記射出成形機の異常を検出するためのセンシングデータを測定するセンサーと、
前記センシングデータを取得し、当該センシングデータを用いて、前記所定の位置で発生する前記射出成形機の異常を検出する処理装置と、を備える
異常検出システム。
続きを表示(約 1,100 文字)
【請求項2】
前記センサーは、前記射出成形機の金型に設置された3軸加速度センサーであって、重力加速度を測定し、
前記処理装置は、前記重力加速度の振幅を用いて、前記金型の油切れまたは前記金型の取り付け異常を検出する
請求項1に記載の異常検出システム。
【請求項3】
前記センサーは、前記射出成形機の金型に設置された気圧センサーであって、金型内の気圧を測定し、
前記処理装置は、前記気圧センサーが測定した、射出開始時の気圧のピーク値を用いて、前記金型のガスベントの詰まりを検出する
請求項1に記載の異常検出システム。
【請求項4】
前記センサーは、前記射出成形機の金型のロッキングブロック内に設置された、ひずみゲージを埋め込んだ軸力ボルトであって、前記ロッキングブロックのひずみ量を測定し、
前記処理装置は、射出成形時の前記軸力ボルトのひずみ量を用いて、前記ロッキングブロックの異常を検出する
請求項1に記載の異常検出システム。
【請求項5】
前記センサーは、前記射出ユニットのスクリューに設置されたピエゾピックアップと、前記ピエゾピックアップと接続されるステレオ超音波検出器とを備え、
前記ピエゾピックアップは、前記スクリューの振動を超音波の電気信号に変換し、
前記ステレオ超音波検出器は、前記超音波の電気信号を可聴域の電気信号に変換し、変換した電気信号のスペクトログラムを生成し、
前記処理装置は、前記スペクトログラムを学習済みモデルに入力して、前記射出ユニットの異常を検出する
請求項1に記載の異常検出システム。
【請求項6】
前記センサーは、前記射出ユニットのホッパーに設置されたガス濃度検出センサーであって、前記ホッパー内の揮発性有機化合物ガスおよび二酸化炭素の少なくとも1つの濃度を測定し、
前記処理装置は、前記ガス濃度検出センサーが測定した濃度を用いて、前記ホッパーに投入された成形材料の予備乾燥異常を検出する
請求項1に記載の異常検出システム。
【請求項7】
前記処理装置は、マイコンを介して少なくとも1つの前記センサーから前記センシングデータを取得する
請求項1に記載の異常検出システム。
【請求項8】
前記処理装置は、前記センシングデータを用いて、前記所定の位置で発生する前記射出成形機の異常を検出すると、前記センシングデータの異常に対応する制御指示を前記射出成形機へ送信する
請求項1に記載の異常検出システム。
発明の詳細な説明
【技術分野】
【0001】
本発明は、射出成形の異常検出システムに関する。
続きを表示(約 1,500 文字)
【背景技術】
【0002】
熱可塑性樹脂を用いた射出成形は、複雑な形状の部品を大量に生産できる製造方法として幅広い分野で採用されている。射出成形機の異常を検知するための技術が研究されている(特許文献1、2)。また、射出成形機で成形される成形品の不良を判定する技術も研究されている(特許文献3、4)。
【先行技術文献】
【特許文献】
【0003】
特開2021-122955号公報
国際公開2019/188665号公報
特開2023-68058号公報
特許第7250072号公報
【発明の概要】
【発明が解決しようとする課題】
【0004】
従来、熟練技術者が、長年の経験、勘または知識に基づいて、射出成形の異常を検出している。具体的には、熟練技術者は、射出成形機が出力する音や振動、射出成形機の部品の状態を目視するなどにより射出成形機の異常を検出する。
【0005】
しかしながら、経験の浅い技術者の場合、射出成形の異常を検出することは難しく、また、異常の検出に長い時間を要する。異常が発生している射出成形機で成形された成形品には、バリやショートショットなどの成形不良が生じる可能性が高い。
【0006】
本発明は、上記課題を鑑みてなされたものであり、本発明の目的は、射出成形を実行する際に成形不良が生じる要因となる異常を容易に検出することにある。
【課題を解決するための手段】
【0007】
上記目的を達成するため、本発明の一態様は、異常検出システムであって、射出成形機内の所定の位置に設置され、当該所定の位置で発生する前記射出成形機の異常を検出するためのセンシングデータを測定するセンサーと、前記センシングデータを取得し、当該センシングデータを用いて、前記所定の位置で発生する前記射出成形の異常を検出する処理装置と、を備える。
【発明の効果】
【0008】
本発明によれば、射出成形の異常を容易に検出することができる。
【図面の簡単な説明】
【0009】
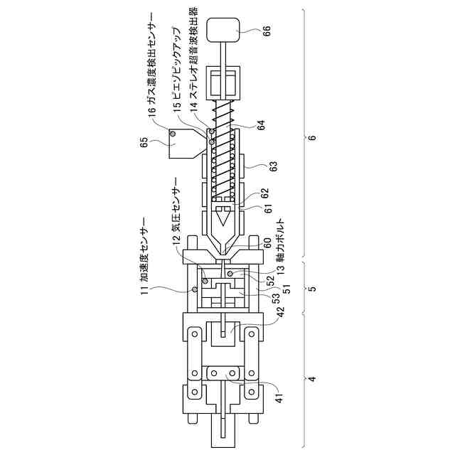
図1は、実施形態に係る異常検知システムの概略構成図である。
図2は、射出成形機の概要を示す模式図である。
図3Aは、3軸の加速度センサーを模式的に示す図である。
図3Bは、3軸の加速度センサーの3軸を説明するための図である。
図4は、金型に異常がない場合のX軸の重力加速度データである。
図5は、金型に異常がない場合の重力加速度データである。
図6は、金型が油切れしている場合の重力加速度データである。
図7は、金型の取り付け異常がある場合の重力加速度データである。
図8は、気圧センサーとガス抜きユニットの模式図である。
図9は、気圧センサーが測定した気圧データである。
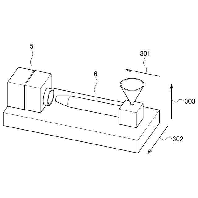
図10は、ロッキングブロックに設置される軸力ボルトを模式的に示す図である。
図11は、軸力ボルトが測定したひずみデータである。
図12は、ステレオ超音波検出器が測定したスペクトログラムである。
図13は、異常と射出成形機への制御指示とを対応付けたテーブルである。
図14は、ハードウェア構成例である。
【発明を実施するための形態】
【0010】
以下、本発明の実施の形態について、図面を参照して説明する。
(【0011】以降は省略されています)
この特許をJ-PlatPat(特許庁公式サイト)で参照する
関連特許
個人
気泡緩衝材減容装置
1か月前
東レ株式会社
吹出しノズル
11か月前
豊田鉄工株式会社
金型
2か月前
CKD株式会社
型用台車
10か月前
シーメット株式会社
光造形装置
10か月前
グンゼ株式会社
ピン
10か月前
東レ株式会社
フィルムの製造方法
3か月前
東レ株式会社
フィルムの製造方法
3か月前
東レ株式会社
フィルムの製造方法
7か月前
個人
樹脂可塑化方法及び装置
9か月前
株式会社FTS
ロッド
9か月前
日機装株式会社
加圧システム
6か月前
東レ株式会社
フィルムの製造方法。
3か月前
株式会社カワタ
計量混合装置
5か月前
東レ株式会社
複合成形体の製造方法
13日前
株式会社FTS
成形装置
10か月前
東レ株式会社
樹脂フィルムの製造方法
5か月前
株式会社漆原
シートの成形方法
5か月前
株式会社シロハチ
真空チャンバ
12か月前
トヨタ自動車株式会社
射出装置
7か月前
NOK株式会社
樹脂ゴム複合体
1か月前
株式会社FTS
セパレータ
9か月前
株式会社不二越
射出成形機
5か月前
株式会社不二越
射出成形機
6か月前
株式会社コスメック
射出成形装置
5か月前
株式会社不二越
射出成形機
6か月前
株式会社不二越
射出成形機
6か月前
株式会社不二越
射出成形機
2か月前
株式会社神戸製鋼所
混練機
8か月前
株式会社リコー
画像形成システム
10か月前
東レ株式会社
炭素繊維シートの製造方法
6か月前
コイト電工株式会社
フレーム成形品
1か月前
東レ株式会社
溶融押出装置および押出方法
9か月前
株式会社バルカー
シートガスケット
28日前
東レ株式会社
繊維強化プラスチック構造体
2か月前
トヨタ自動車株式会社
3Dプリンタ
10か月前
続きを見る
他の特許を見る