TOP
|
特許
|
意匠
|
商標
特許ウォッチ
Twitter
他の特許を見る
公開番号
2025170607
公報種別
公開特許公報(A)
公開日
2025-11-19
出願番号
2024075336
出願日
2024-05-07
発明の名称
熱媒体組み合わせ最適化装置、熱媒体組み合わせ最適化方法、および、熱媒体組み合わせ最適化プログラム
出願人
本田技研工業株式会社
代理人
弁理士法人磯野国際特許商標事務所
主分類
G05D
23/13 20060101AFI20251112BHJP(制御;調整)
要約
【課題】加熱すべき設備に供給される熱量が最大になるように各設備間で最適な熱交換の組み合わせを設定する。
【解決手段】熱媒体組み合わせ最適化装置1は、複数の供給側設備との間でそれぞれ熱交換した複数の第1熱媒体をそれぞれ複数の対象物のうち何れかに供給し、この対象物をそれぞれの目標温度になるように制御する温度制御部13と、これら複数の対象物に供給する熱量の総和が最大となるように、各供給側設備で熱交換した第1熱媒体の量と前記対象物との組み合わせを最適化する最適化部11とを備える。
【選択図】図1
特許請求の範囲
【請求項1】
複数の供給側設備との間でそれぞれ熱交換した複数の第1熱媒体をそれぞれ複数の対象物のうち何れかに供給し、前記対象物をそれぞれの目標温度になるように制御する温度制御部と、
前記複数の対象物に供給する熱量の総和が最大となるように、各前記供給側設備で熱交換した第1熱媒体の量と前記対象物との組み合わせを最適化する最適化部と、
を備えることを特徴とする熱媒体組み合わせ最適化装置。
続きを表示(約 1,500 文字)
【請求項2】
前記温度制御部は、前記供給側設備との間でそれぞれ熱交換した複数の第1熱媒体を用いて、前記複数の対象物を各対象物の目標温度の降順で熱交換する処理を、各前記供給側設備との間でそれぞれ熱交換した複数の第1熱媒体を、各供給側設備の温度の昇順で選択して繰り返す、
ことを特徴とする請求項1に記載の熱媒体組み合わせ最適化装置。
【請求項3】
各前記対象物は、複数の前記供給側設備との間でそれぞれ熱交換する複数の第1熱媒体と熱交換器を介してそれぞれ熱交換する複数の第2熱媒体によって加熱され、
前記最適化部は、前記第1熱媒体の物性データと前記第2熱媒体の物性データに基づき、所定量の前記第1熱媒体を同種類の前記第2熱媒体と熱交換させ、その後に残りの前記第1熱媒体を異種類の前記第2熱媒体と熱交換させる、
ことを特徴とする請求項1に記載の熱媒体組み合わせ最適化装置。
【請求項4】
前記第1熱媒体及び/又は前記第2熱媒体が流れる配管の長さに応じて、各前記供給側設備の熱量を各前記対象物に供給するまでの放熱量を算出する放熱量算出部を更に備え、
前記最適化部は、前記放熱量算出部が算出した放熱量を用いて、各前記供給側設備で熱交換した第1熱媒体の量と前記対象物との組み合わせを最適化する、
ことを特徴とする請求項3に記載の熱媒体組み合わせ最適化装置。
【請求項5】
前記最適化部は、前記対象物が運用される環境情報に応じて、前記対象物に供給する第1熱媒体の種類と量を変更する、
ことを特徴とする請求項2に記載の熱媒体組み合わせ最適化装置。
【請求項6】
前記温度制御部は、前記最適化部が前記対象物に供給する第1熱媒体の種類と量を変更した場合、前記第1熱媒体を供給する経路を切り替える、
ことを特徴とする請求項5に記載の熱媒体組み合わせ最適化装置。
【請求項7】
前記環境情報は、日時情報、天気情報、気圧情報、及び温湿度情報のうち何れかを含む、
ことを特徴とする請求項5に記載の熱媒体組み合わせ最適化装置。
【請求項8】
前記第1熱媒体の熱量を蓄熱できる蓄熱手段を備え、
前記環境情報は、日時情報を含み、
前記温度制御部は、前記第1熱媒体を加熱する供給側設備の停止の後、所定時間以上が経過した後に前記第1熱媒体によって加熱される対象物が稼働を開始するとき、前記蓄熱手段に熱を蓄えさせる、
ことを特徴とする請求項7に記載の熱媒体組み合わせ最適化装置。
【請求項9】
供給側設備の停止時刻と対象物の稼働開始時刻までの間に、前記対象物が必要とする熱量を前記蓄熱手段が蓄熱できない場合、前記温度制御部は、前記供給側設備の停止時刻から前記対象物の稼働開始時刻までの間の何れかのタイミングで、前記供給側設備との間で熱交換した第1熱媒体による前記蓄熱手段の熱交換から、前記蓄熱手段との間で熱交換した熱媒体による前記対象物の熱交換に切り替える、
ことを特徴とする請求項8に記載の熱媒体組み合わせ最適化装置。
【請求項10】
最適化部が、複数の対象物に供給する熱量の総和が最大となるように、各供給側設備で熱交換した第1熱媒体の量と前記対象物との組み合わせを最適化するステップと、
温度制御部が、複数の供給側設備との間でそれぞれ熱交換した複数の第1熱媒体をそれぞれ複数の対象物のうち何れかに供給し、前記対象物をそれぞれの目標温度になるように制御するステップと、
を備えることを特徴とする熱媒体組み合わせ最適化方法。
(【請求項11】以降は省略されています)
発明の詳細な説明
【技術分野】
【0001】
本発明は、熱媒体組み合わせ最適化装置、熱媒体組み合わせ最適化方法、および、熱媒体組み合わせ最適化プログラムに関し、特に、各設備の間で好適な熱交換の組み合わせを設定することに関する。
続きを表示(約 2,500 文字)
【背景技術】
【0002】
特許文献1には、エネルギシステム計画の支援装置が記載されている。特許文献1に記載の発明の目的は、コストと容量以外にも、機器の耐久年数、メンテナンス、省スペースの要素を考慮した設備構成を自動的に生成することにある。
【先行技術文献】
【特許文献】
【0003】
特開平4-90043号公報
【発明の概要】
【発明が解決しようとする課題】
【0004】
しかしながら、特許文献1に記載の技術は、設備の経済性を評価することを目的としており、設備間の熱交換効率については考慮されていなかった。
ところで、二酸化炭素の排出量低減においては、排熱の有効活用が課題である。排熱を有効に活用するため、高温の設備で熱せられた熱媒体を、より低温の他の設備に供給し、他の設備を加熱するとよい。しかし、これら設備間で最適な熱交換の組み合わせを設定することは検討されていなかった。
【0005】
本願は上記課題の解決のため、加熱すべき設備に供給される熱量が最大になるように、各設備間の最適な熱交換の組み合わせを設定することが可能な、熱媒体組み合わせ最適化装置、熱媒体組み合わせ最適化方法、および、熱媒体組み合わせ最適化プログラムを提供することを目的としたものである。そして、延いては気候変動の緩和または影響軽減に寄与するものである。
【課題を解決するための手段】
【0006】
請求項1に記載の発明は、熱媒体組み合わせ最適化装置であって、複数の供給側設備との間でそれぞれ熱交換した複数の第1熱媒体をそれぞれ複数の対象物のうち何れかに供給し、前記対象物をそれぞれの目標温度になるように制御する温度制御部と、前記複数の対象物に供給する熱量の総和が最大となるように、各前記供給側設備で熱交換した第1熱媒体の量と前記対象物との組み合わせを最適化する最適化部と、を備えることを特徴とするものである。
この発明によれば、加熱すべき設備に供給される熱量が最大になるように、各設備間の最適な熱交換の組み合わせを設定することが可能な、熱媒体組み合わせ最適化装置を提供することができる。
【発明の効果】
【0007】
本発明によれば、加熱すべき設備に供給される熱量が最大になるように各設備間で最適な熱交換の組み合わせを設定することが可能な、熱媒体組み合わせ最適化装置、熱媒体組み合わせ最適化方法、および、熱媒体組み合わせ最適化プログラムを提供することができる。
【図面の簡単な説明】
【0008】
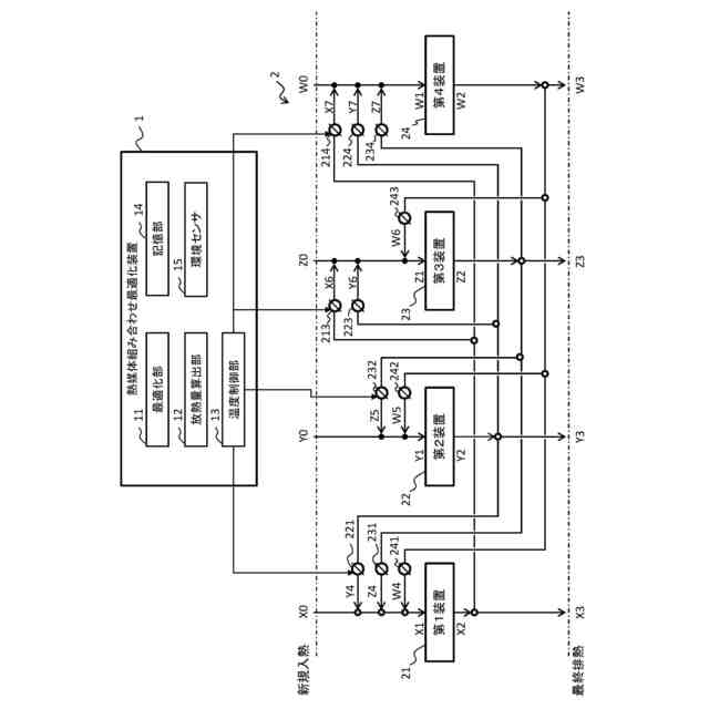
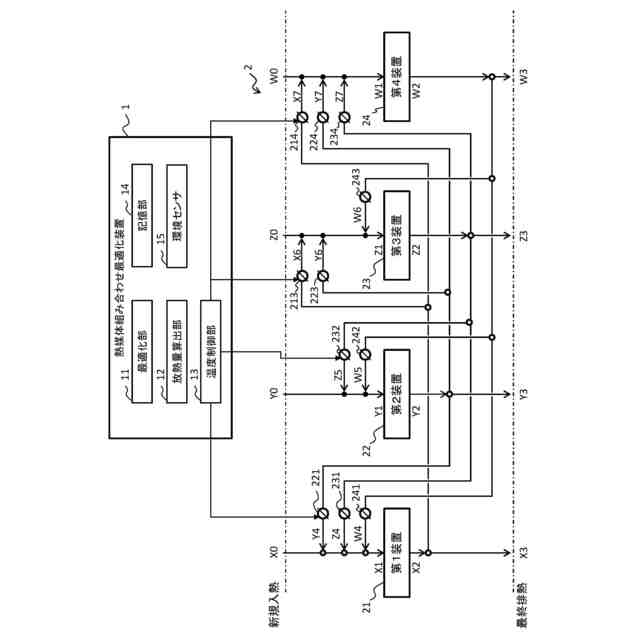
本発明の一実施形態に係る熱媒体組み合わせ最適化装置のブロック図である。
温熱および冷熱における価値のある熱量を示すグラフである。
温熱における質の高い熱量を説明するグラフである。
第1ケースにおける排熱を示すグラフである。
第1ケースでの排熱需要と割当量と余りの温度条件を示すグラフである。
第1ケースでの排熱需要と割当量と余りの中間過程での熱量条件を示すグラフである。
第1ケースでの排熱需要と割当量と余りの仮想最終過程での熱量条件を示すグラフである。
第2ケースにおける排熱を示すグラフである。
第2ケースでの排熱需要と割当量と余りの温度条件を示すグラフである。
第2ケースでの排熱需要と割当量と余りの中間過程での熱量条件を示すグラフである。
第2ケースでの排熱需要と割当量と余りの仮想最終過程での熱量条件を示すグラフである。
第3ケースにおける排熱を示すグラフである。
第3ケースでの排熱需要と割当量と余りの温度条件を示すグラフである。
第3ケースでの排熱需要と割当量と余りの中間過程での熱量条件を示すグラフである。
第3ケースでの排熱需要と割当量と余りの仮想最終過程での熱量条件を示すグラフである。
第4ケースにおける排熱を示すグラフである。
第4ケースでの排熱需要と割当量と余りの温度条件を示すグラフである。
第4ケースでの排熱需要と割当量と余りの中間過程での熱量条件を示すグラフである。
第4ケースでの排熱需要と割当量と余りの仮想最終過程での熱量条件を示すグラフである。
供給側設備の熱媒体を対象物に供給する処理を説明するフローチャートである。
複数種類の熱媒体を用いる処理のフローチャートである。
配管の放熱を考慮したときの複数種類の熱媒体を用いる処理のフローチャートである。
第3装置の先行立ち上げ時のプラントの動作を説明する図である。
全設備立ち上げ時のプラントの動作を説明する図である。
定常時のプラントの動作を説明する図である。
昼空時のプラントの動作を説明する図である。
立ち下げ時のプラントの動作を説明する図である。
第1装置と第2装置が停止した後の立ち下げ時のプラントの動作を説明する図である。
配管の放熱量を算出するプロセスレイヤを示す図である。
蓄熱手段に対する蓄熱と放熱の動作パターンAを示すグラフである。
蓄熱手段に対する蓄熱と放熱の動作パターンBを示すグラフである。
【発明を実施するための形態】
【0009】
以下、本発明の実施形態について添付図面を参照して説明する。
なお、図面中の各要素は、発明の理解を容易にするために、適宜拡大、縮小又は簡略化されて描かれることがある。
【0010】
図1は、本発明の一実施形態に係る熱媒体組み合わせ最適化装置1のブロック図である。
図1に示す熱媒体組み合わせ最適化装置1は、最適化部11と、放熱量算出部12と、温度制御部13と、記憶部14と、環境センサ15を含んで構成される。熱媒体組み合わせ最適化装置1は、プラント2の各設備間で最適な熱交換の組み合わせを設定し、この設定に従って各設備の排熱を有効活用する。
(【0011】以降は省略されています)
この特許をJ-PlatPat(特許庁公式サイト)で参照する
関連特許
株式会社豊田自動織機
自動走行車
1日前
株式会社熊谷組
障害物の検出方法
2か月前
株式会社クボタ
作業車
14日前
新電元工業株式会社
作業用ロボット
3日前
株式会社クボタ
作業車
1か月前
新電元工業株式会社
作業用ロボット
2か月前
ローム株式会社
半導体集積回路
15日前
ローム株式会社
半導体集積回路
1日前
豊田合成株式会社
機器制御装置
2か月前
清水建設株式会社
制振装置
1日前
株式会社アサヒエンタープライズ
調整弁
1か月前
株式会社ダイフク
物品搬送設備
22日前
エイブリック株式会社
電流補償回路及び半導体装置
1か月前
株式会社ダイフク
物品搬送設備
1か月前
株式会社日立製作所
工程設計装置
2日前
村田機械株式会社
搬送車システム
2か月前
株式会社エヌデーデー
三次元飛行経路作成方法
2日前
RFルーカス株式会社
自動棚卸ロボット
9日前
株式会社アマダ
工作機械制御装置
2か月前
日野自動車株式会社
自動運転装置
2か月前
オムロン株式会社
システム及び方法
1か月前
株式会社明電舎
負荷制御装置
1か月前
株式会社明電舎
負荷制御装置
1か月前
株式会社明電舎
負荷制御装置
1か月前
浦登有限公司
電源回路
7日前
株式会社カーメイト
アクセルペダルカバー
2か月前
株式会社計数技研
移動体、及びプログラム
22日前
オムロン株式会社
システム及び方法
1か月前
ローム株式会社
電源装置
2か月前
多摩川精機株式会社
レバー装置
1か月前
日清紡マイクロデバイス株式会社
定電圧回路
1か月前
アズビル株式会社
情報処理装置および情報処理方法
14日前
トヨタ自動車株式会社
管理システム、及び管理方法
1か月前
トヨタ自動車株式会社
管理システム、及び管理方法
14日前
ローム株式会社
半導体装置
1か月前
ローム株式会社
半導体装置
1か月前
続きを見る
他の特許を見る