TOP
|
特許
|
意匠
|
商標
特許ウォッチ
Twitter
他の特許を見る
10個以上の画像は省略されています。
公開番号
2025159607
公報種別
公開特許公報(A)
公開日
2025-10-21
出願番号
2024062312
出願日
2024-04-08
発明の名称
蓄電情報処理方法、コンピュータプログラム及び蓄電情報処理装置
出願人
株式会社GSユアサ
代理人
個人
,
個人
主分類
H02J
7/00 20060101AFI20251014BHJP(電力の発電,変換,配電)
要約
【課題】蓄電素子の内部状態に応じた、劣化を抑制できる充電能力又は放電能力を把握できる技術を提供する。
【解決手段】蓄電情報処理方法は、蓄電素子の内部状態量を取得し、取得した前記内部状態量と、前記蓄電素子に要求する充電又は放電の継続時間とに基づいて、前記蓄電素子が前記継続時間にわたり充電又は放電可能な電力量又は電力及び温度を推定し、推定した前記電力量又は電力及び温度を出力する処理をコンピュータが実行する。
【選択図】図9
特許請求の範囲
【請求項1】
蓄電素子の内部状態量を取得し、
取得した前記内部状態量と、前記蓄電素子に要求する充電又は放電の継続時間とに基づいて、前記蓄電素子が前記継続時間にわたり充電又は放電可能な電力量又は電力及び温度を推定し、
推定した前記電力量又は電力及び温度を出力する
処理をコンピュータが実行する蓄電情報処理方法。
続きを表示(約 1,000 文字)
【請求項2】
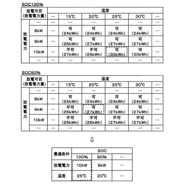
複数の電力及び温度条件下で、所定の内部状態量を示す蓄電素子を充電又は放電させた場合における、前記継続時間にわたる充電又は放電の可否と、充電又は放電可能な電力量とを取得し、
各条件における前記充電又は放電の可否及び前記電力量の比較に基づいて、充電又は放電が可能であり、電力量を最大化する及び温度を最小化する条件の前記電力量又は電力及び温度を推定する
請求項1に記載の蓄電情報処理方法。
【請求項3】
前記蓄電素子が前記継続時間にわたり充電又は放電可能な電力量又は電力と温度との対応関係を内部状態量毎に示す対応情報を記憶しておき、
記憶する前記対応情報に基づいて、前記内部状態量及び前記継続時間に対応する前記電力量又は電力及び温度を推定する
請求項2に記載の蓄電情報処理方法。
【請求項4】
所定の内部状態量を示す蓄電素子を用いた充放電試験を行うことによって、前記継続時間にわたる充電又は放電の可否と、充電又は放電可能な電力量とを求める
請求項2に記載の蓄電情報処理方法。
【請求項5】
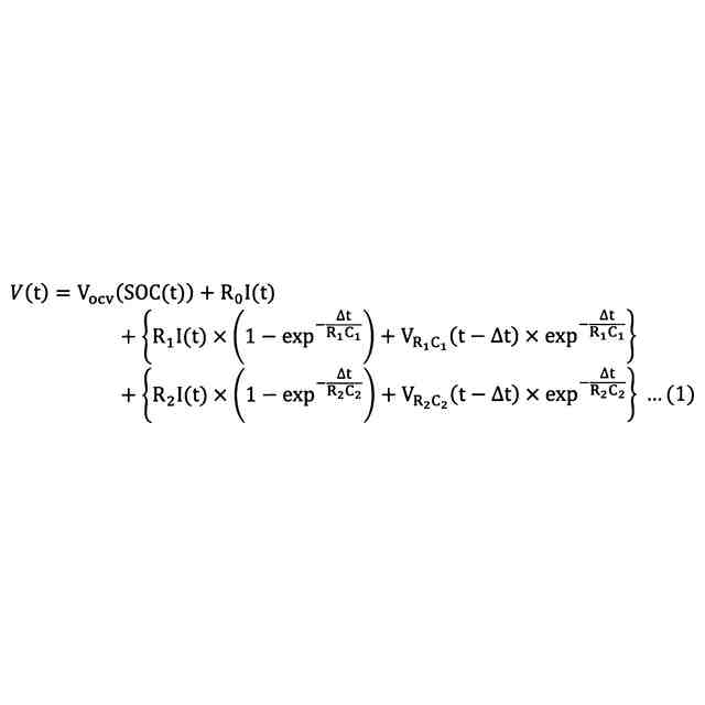
蓄電素子の挙動を模擬する蓄電素子モデルに前記内部状態量と、電力及び温度条件とを与えることによって、前記継続時間にわたる充電又は放電の可否と、充電又は放電可能な電力量とを取得する
請求項2に記載の蓄電情報処理方法。
【請求項6】
前記継続時間は、需給調整市場における商品の継続時間又はデマンドレスポンスの対象時間である
請求項1に記載の蓄電情報処理方法。
【請求項7】
蓄電素子の内部状態量を取得し、
取得した前記内部状態量と、前記蓄電素子に要求する充電又は放電の継続時間とに基づいて、前記蓄電素子が前記継続時間にわたり充電又は放電可能な電力量又は電力及び温度を推定し、
推定した前記電力量又は電力及び温度を出力する
処理をコンピュータに実行させるコンピュータプログラム。
【請求項8】
蓄電素子の内部状態量を取得し、
取得した前記内部状態量と、前記蓄電素子に要求する充電又は放電の継続時間とに基づいて、前記蓄電素子が前記継続時間にわたり充電又は放電可能な電力量又は電力及び温度を推定し、
推定した前記電力量又は電力及び温度を出力する
処理を実行する制御部を備える
蓄電情報処理装置。
発明の詳細な説明
【技術分野】
【0001】
本発明は、蓄電情報処理方法、コンピュータプログラム及び蓄電情報処理装置に関する。
続きを表示(約 1,200 文字)
【背景技術】
【0002】
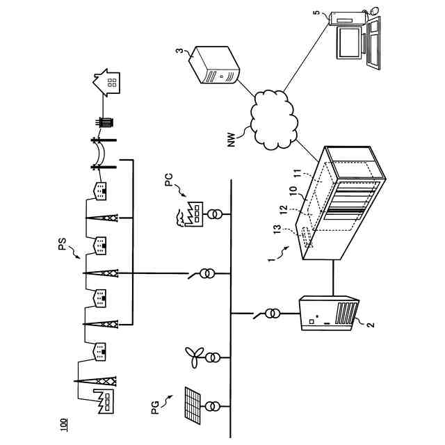
太陽光発電設備や風力発電設備などの発電設備にて発電された電力の安定化や有効活用のために、蓄電素子の利用が拡大している。蓄電素子を安定的に動作させるために、蓄電素子の性能を把握することが重要である。
【0003】
特許文献1には、負荷の消費電力推移の履歴からバッテリへの要求電力を予測し、バッテリの推定温度に基づいて、バッテリから出力可能な出力可能電力を演算するバッテリ制御装置が開示されている。
【先行技術文献】
【特許文献】
【0004】
特許第6047929号公報
【発明の概要】
【発明が解決しようとする課題】
【0005】
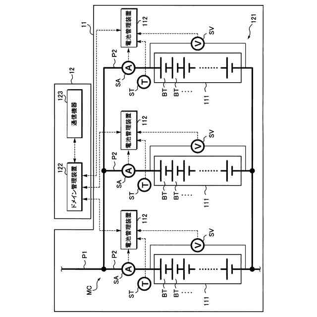
蓄電素子の内部状態は使用に応じて変化する。そのような蓄電素子をある程度の時間連続して使用する場面においては、蓄電素子の内部状態や通電の継続時間を考慮した蓄電素子の充電能力又は放電能力を把握したいというニーズがある。また、蓄電素子の運用において蓄電素子の劣化を抑制したいというニーズがある。
【0006】
本開示の一側面における目的は、蓄電素子の内部状態に応じた、劣化を抑制できる充電能力又は放電能力を把握できる技術を提供することにある。
【課題を解決するための手段】
【0007】
本開示の一側面に係る蓄電情報処理方法は、蓄電素子の内部状態量を取得し、取得した前記内部状態量と、前記蓄電素子に要求する充電又は放電の継続時間とに基づいて、前記蓄電素子が前記継続時間にわたり充電又は放電可能な電力量又は電力及び温度を推定し、推定した前記電力量又は電力及び温度を出力する処理をコンピュータが実行する。
【0008】
本開示の一側面に係るコンピュータプログラムは、蓄電素子の内部状態量を取得し、取得した前記内部状態量と、前記蓄電素子に要求する充電又は放電の継続時間とに基づいて、前記蓄電素子が前記継続時間にわたり充電又は放電可能な電力量又は電力及び温度を推定し、推定した前記電力量又は電力及び温度を出力する処理をコンピュータに実行させる。
【0009】
本開示の一側面に係る蓄電情報処理装置は、蓄電素子の内部状態量を取得し、取得した前記内部状態量と、前記蓄電素子に要求する充電又は放電の継続時間とに基づいて、前記蓄電素子が前記継続時間にわたり充電又は放電可能な電力量又は電力及び温度を推定し、推定した前記電力量又は電力及び温度を出力する処理を実行する制御部を備える。
【発明の効果】
【0010】
本開示の一側面によれば、蓄電素子の内部状態に応じた、劣化を抑制できる充電能力又は放電能力を把握できる。
【図面の簡単な説明】
(【0011】以降は省略されています)
この特許をJ-PlatPat(特許庁公式サイト)で参照する
関連特許
株式会社GSユアサ
蓄電装置
13日前
株式会社GSユアサ
蓄電装置
7日前
株式会社GSユアサ
蓄電装置
21日前
株式会社GSユアサ
蓄電装置
21日前
株式会社GSユアサ
蓄電装置
27日前
株式会社GSユアサ
蓄電バンクの監視システム
12日前
株式会社GSユアサ
非水電解質蓄電素子及びその使用方法
今日
株式会社GSユアサ
非水電解質蓄電素子及びその製造方法
14日前
株式会社GSユアサ
デバイス装置、エネルギー貯蔵システム
12日前
株式会社GSユアサ
蓄電システム
1日前
株式会社GSユアサ
硫化物固体電解質及び全固体電池
22日前
株式会社GSユアサ
制御方法、制御装置、及びコンピュータプログラム
20日前
株式会社GSユアサ
情報処理装置、情報処理システム、情報処理方法及びコンピュータプログラム
22日前
株式会社GSユアサ
硫化物固体電解質の製造方法、硫化物固体電解質、全固体電池、及び硫化物固体電解質の製造に用いる原料化合物の選択方法
7日前
個人
単極モータ
1か月前
個人
高圧電気機器の開閉器
今日
個人
電気を重力で発電装置
13日前
キヤノン電子株式会社
モータ
20日前
キヤノン電子株式会社
モータ
12日前
株式会社アイシン
ロータ
1か月前
株式会社アイシン
ロータ
1か月前
コーセル株式会社
電源装置
21日前
日星電気株式会社
ケーブル組立体
28日前
トヨタ自動車株式会社
モータ
12日前
トヨタ自動車株式会社
固定子
1か月前
株式会社アイドゥス企画
減反モータ
今日
株式会社デンソー
回転機
1か月前
株式会社ダイヘン
充電装置
1か月前
株式会社アイシン
ステータ
1か月前
株式会社アイシン
ステータ
1か月前
株式会社アイシン
ステータ
1か月前
株式会社アイシン
ステータ
1か月前
株式会社ダイヘン
充電装置
1か月前
株式会社ダイヘン
充電装置
1か月前
株式会社ダイヘン
充電装置
1か月前
株式会社kaisei
発電システム
1か月前
続きを見る
他の特許を見る