TOP
|
特許
|
意匠
|
商標
特許ウォッチ
Twitter
他の特許を見る
10個以上の画像は省略されています。
公開番号
2025158633
公報種別
公開特許公報(A)
公開日
2025-10-17
出願番号
2024061373
出願日
2024-04-05
発明の名称
圧電アクチュエータ及び圧電アクチュエータの駆動方法
出願人
ローム株式会社
代理人
個人
,
個人
,
個人
,
個人
主分類
H02N
2/04 20060101AFI20251009BHJP(電力の発電,変換,配電)
要約
【課題】共振時における振動膜1の変位量及び応力を低減する。
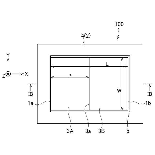
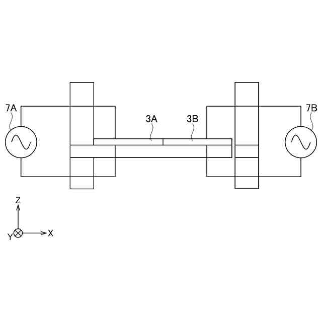
【解決手段】圧電アクチュエータ100は、固定端1aと自由端1bを有し、固定端1a側の第1領域(3A)と自由端1b側の第2領域(3B)に分割された主面(第1主面1A)を有する振動膜1と、振動膜1の固定端1aが連結された膜支持部2と、振動膜1の主面1Aの第1領域(3A)に配置された第1圧電素子3Aと、振動膜1の主面1Aの第2領域(3B)に配置された第2圧電素子3Bと、第1圧電素子3Aと第2圧電素子3Bに逆位相の交流電圧を印加する駆動部7A、7Bと、を有する。固定端1aから自由端1bまでの振動膜1の長さLに対する固定端1aから第1領域(3A)と第2領域(3B)の境界3aまでの長さbの割合(b/L)は、圧電アクチュエータ100に固有な共振モードに応じて設定されている。
【選択図】図1A
特許請求の範囲
【請求項1】
カンチレバー構造を有する圧電アクチュエータであって、
固定端と自由端を有し、固定端側の第1領域と自由端側の第2領域に分割された主面を有する振動膜と、
前記振動膜の固定端が連結された膜支持部と、
前記振動膜の主面の前記第1領域に配置された第1圧電素子と、
前記振動膜の主面の前記第2領域に配置された第2圧電素子と、
前記第1圧電素子と第2圧電素子に逆位相の交流電圧を印加する駆動部と、
を有し、
前記固定端から前記自由端までの前記振動膜の長さに対する前記固定端から前記第1領域と前記第2領域の境界までの長さの割合は、前記圧電アクチュエータに固有な共振モードに応じて設定されている、
圧電アクチュエータ。
続きを表示(約 1,200 文字)
【請求項2】
前記固有な共振モードには、前記固定端と前記自由端の間に腹が形成されない曲げ一次モードが含まれ、
前記割合は、前記曲げ一次モードに対して0.1以上0.38以下に設定されている、請求項1記載の圧電アクチュエータ。
【請求項3】
前記固有な共振モードには、前記固定端と前記自由端の間に腹が形成されない曲げ一次モードが含まれ、
前記割合は、前記曲げ一次モードに対して0.16以上0.3以下に設定されている、請求項1記載の圧電アクチュエータ。
【請求項4】
前記固有な共振モードには、前記固定端と前記自由端の間に1つの腹が形成される曲げ二次モードが含まれ、
前記割合は、前記曲げ二次モードに対して0.56以上0.71以下に設定されている、請求項1記載の圧電アクチュエータ。
【請求項5】
前記固有な共振モードには、前記固定端と前記自由端の間に1つの腹が形成される曲げ二次モードが含まれ、
前記割合は、前記曲げ二次モードに対して0.59以上0.67以下に設定されている、請求項1記載の圧電アクチュエータ。
【請求項6】
前記固有な共振モードには、前記固定端と前記自由端の間に2つの腹が形成される曲げ三次モードが含まれ、
前記割合は、前記曲げ三次モードに対して0.06以上0.22以下、又は0.7以上0.82以下に設定されている、請求項1記載の圧電アクチュエータ。
【請求項7】
前記固有な共振モードには、前記固定端と前記自由端の間に2つの腹が形成される曲げ三次モードが含まれ、
前記割合は、前記曲げ三次モードに対して0.73以上0.79以下に設定されている、請求項1記載の圧電アクチュエータ。
【請求項8】
前記固有な共振モードには、前記固定端と前記自由端の間に3つの腹が形成される曲げ四次モードが含まれ、
前記割合は、前記曲げ四次モードに対して0.24以上0.46以下、又は0.81以上0.88以下に設定されている、請求項1記載の圧電アクチュエータ。
【請求項9】
前記固有な共振モードには、前記固定端と前記自由端の間に3つの腹が形成される曲げ四次モードが含まれ、
前記割合は、前記曲げ四次モードに対して0.27以上0.32以下、0.38以上0.44以下、又は0.83以上0.85以下に設定されている、請求項1記載の圧電アクチュエータ。
【請求項10】
前記固有な共振モードには、前記固定端と前記自由端とを繋ぐ方向に交差する方向への変位形状に特徴を有する振動モードが含まれ、
前記割合は、前記振動モードに対して0.44以上0.84以下に設定されている、請求項1記載の圧電アクチュエータ。
(【請求項11】以降は省略されています)
発明の詳細な説明
【技術分野】
【0001】
本開示は、圧電アクチュエータ及び圧電アクチュエータの駆動方法に関する。
続きを表示(約 2,200 文字)
【背景技術】
【0002】
従来、音波又は超音波の送信又は受信を行うトランスデューサが知られている(特許文献1参照)。音波を送信するスピーカとして利用可能なカンチレバー型の圧電アクチュエータは、印加される電圧に対して最大の出力(振動膜の変位)を得るために、固定端から自由端に至る振動膜の主面の可能な限り広い領域に圧電体を配置している。
【先行技術文献】
【特許文献】
【0003】
特開2021-52305号公報
【0004】
[概要]
圧電アクチュエータの動作周波数帯に、圧電アクチュエータに固有な共振周波数が含まれると、共振時に振動膜が大きく変位して大きな応力が加わる。
【0005】
本開示の目的は、共振時における振動膜の変位量及び応力が低減された圧電アクチュエータ及びその駆動方法を提供することにある。
【0006】
上述した課題を解決するために、本開示の一態様は、カンチレバー構造を有する圧電アクチュエータである。圧電アクチュエータは、固定端と自由端を有し、固定端側の第1領域と自由端側の第2領域に分割された主面を有する振動膜と、振動膜の固定端が連結された膜支持部と、振動膜の主面の第1領域に配置された第1圧電素子と、振動膜の主面の第2領域に配置された第2圧電素子と、第1圧電素子と第2圧電素子に逆位相の交流電圧を印加する駆動部と、を有する。固定端から自由端までの振動膜の長さに対する固定端から第1領域と第2領域の境界までの長さの割合は、圧電アクチュエータに固有な共振モードに応じて設定されている。
【0007】
本開示の他の一態様は、上記した圧電アクチュエータの駆動方法である。駆動方法は、第1圧電素子と第2圧電素子に逆位相の交流電圧を印加することを含む。
【図面の簡単な説明】
【0008】
図1Aは、第1実施形態に係る圧電アクチュエータ100の構成を示す平面図である。
図1Bは、図1AのIB―IB切断面に沿った圧電アクチュエータ100の構成を示す断面図である。
図2は、圧電アクチュエータ100の第1圧電素子3A及び第2圧電素子3Bに交流電圧をそれぞれ印加する駆動部7A、7Bを示す模式図である。
図3は、駆動部7A、7Bが印加する交流電圧の一例を示すグラフである。
図4は、図1A及び図1Bの圧電アクチュエータ100において、割合(b/L)を変化させて、振動膜1に生じる応力の最大値を計算した結果を示すグラフである。
図5は、図1A及び図1Bの圧電アクチュエータ100において、割合(b/L)を変化させて、振動膜1の変位量の最大値を計算した結果を示すグラフである。
図6Aは、第2実施形態に係る圧電アクチュエータ101の構成を示す平面図である。
図6Bは、図6AのVIB―VIB切断面に沿った圧電アクチュエータ101の構成を示す断面図である。
図6Cは、図6AのVIC―VIC切断面に沿った圧電アクチュエータ101の構成を示す断面図である。
図7Aは、第3実施形態に係る圧電アクチュエータ102の構成を示す平面図である。
図7Bは、図7AのVIIB―VIIB切断面に沿った圧電アクチュエータ102の構成を示す断面図である。
図7Cは、図7AのVIIC―VIIC切断面に沿った圧電アクチュエータ102の構成を示す断面図である。
図8は、振動周波数を変化させたときの振動膜1の先端の変位量の変化を示すグラフである。
図9は、圧電アクチュエータ100が有する複数の共振モードで共振している時の振動膜1の変位形状を示すグラフである。
図10は、複数の共振モードの一例であるバタフライモードBFで共振している時の振動膜1の変位形状を示すコンター図である。
【0009】
[詳細な説明]
以下、複数の実施形態に係わる圧電アクチュエータ及び圧電アクチュエータの駆動方法について、図面を参照しながら詳細に説明する。なお、以下で説明する実施形態は、包括的または具体的な例を示すものである。以下の実施形態で示される数値、形状、材料、構成要素、構成要素の設置位置及び接続形態は、一例であり、本開示に限定する主旨ではない。また、以下の実施形態における構成要素のうち、最上位概念を示す独立請求項に記載されていない構成要素については、任意の構成要素として説明される。さらに、図面の寸法比率は説明の都合上誇張されており、実際の比率と異なる場合がある。また、以下の実施形態及びその変形例には、同様の構成要素が含まれている場合があり、同様の構成要素には共通の符号を付与し、重複する説明を省略する。
【0010】
(第1実施形態)
図1Aは、第1実施形態に係る圧電アクチュエータ100の構成を示す平面図である。図1Bは、図1AのIB―IB切断面に沿った圧電アクチュエータ100の構成を示す断面図である。図2は、圧電アクチュエータ100の第1圧電素子3A及び第2圧電素子3Bに交流電圧をそれぞれ印加する駆動部7A、7Bを示す模式図である。
(【0011】以降は省略されています)
この特許をJ-PlatPat(特許庁公式サイト)で参照する
関連特許
ローム株式会社
半導体装置
9日前
ローム株式会社
半導体装置
17日前
ローム株式会社
半導体装置
9日前
ローム株式会社
半導体装置
9日前
ローム株式会社
半導体装置
2日前
ローム株式会社
定電圧生成回路
9日前
ローム株式会社
半導体集積回路
9日前
ローム株式会社
半導体集積回路
10日前
ローム株式会社
定電圧生成回路
9日前
ローム株式会社
半導体モジュール
18日前
ローム株式会社
比較回路、半導体装置
9日前
ローム株式会社
逐次比較型AD変換回路
17日前
ローム株式会社
サーマルプリントヘッド
9日前
ローム株式会社
電源制御装置及び電源装置
2日前
ローム株式会社
半導体装置およびシステム
17日前
ローム株式会社
監視回路及びレジスタ制御装置
9日前
ローム株式会社
電源制御装置、スイッチング電源
2日前
ローム株式会社
昇圧型スイッチングレギュレータ
11日前
ローム株式会社
モータドライバ回路および駆動方法
10日前
ローム株式会社
電圧調整装置及び電荷蓄積システム
11日前
ローム株式会社
半導体装置および半導体装置の製造方法
10日前
ローム株式会社
半導体装置、および半導体装置の製造方法
23日前
ローム株式会社
ドライバ、信号伝達装置、電子機器、車両
2日前
ローム株式会社
サーマルプリントヘッド及びその製造方法
9日前
ローム株式会社
検出回路、信号伝達装置、電子機器、車両
9日前
ローム株式会社
半導体装置、および半導体装置の製造方法
9日前
ローム株式会社
コントローラ、ターゲット、及び通信システム
9日前
ローム株式会社
電源回路、電子コントロールユニット、自動車
17日前
ローム株式会社
雨検出装置、雨検出システム、および、雨検出方法
11日前
ローム株式会社
窒化物半導体装置および窒化物半導体装置の製造方法
9日前
ローム株式会社
信号伝達装置、電子機器、車両、絶縁ゲートドライバIC
17日前
ローム株式会社
半導体装置
2日前
ローム株式会社
半導体装置
2日前
ローム株式会社
半導体装置
9日前
ローム株式会社
制御装置、力率改善回路、電子機器、およびオフセット設定方法
17日前
ローム株式会社
双方向DC/DCコンバータ、電源遮断保護回路および半導体装置
3日前
続きを見る
他の特許を見る