TOP
|
特許
|
意匠
|
商標
特許ウォッチ
Twitter
他の特許を見る
10個以上の画像は省略されています。
公開番号
2025165736
公報種別
公開特許公報(A)
公開日
2025-11-05
出願番号
2024070011
出願日
2024-04-23
発明の名称
半導体メモリ装置
出願人
ローム株式会社
代理人
弁理士法人 佐野特許事務所
主分類
G11C
16/30 20060101AFI20251028BHJP(情報記憶)
要約
【課題】回路面積を削減できる半導体メモリ装置を提供する。
【解決手段】半導体メモリ装置(10)は、メモリセル(MC)と、ライト時とリード時の少なくとも一方のときに前記メモリセルに高電圧(Vh)を印加するように構成される高電圧生成回路(4)と、前記高電圧生成回路の出力端に接続され、ターゲット電圧(Vtg)を超える前記高電圧が印加された場合に電流を流すことで前記高電圧の絶対値の上昇を抑制するように構成される素子(6)と、を備える。
【選択図】図10A
特許請求の範囲
【請求項1】
メモリセルと、
ライト時とリード時の少なくとも一方のときに前記メモリセルに高電圧を印加するように構成される高電圧生成回路と、
前記高電圧生成回路の出力端に接続され、ターゲット電圧を超える前記高電圧が印加された場合に電流を流すことで前記高電圧の絶対値の上昇を抑制するように構成される素子と、
を備える、半導体メモリ装置。
続きを表示(約 640 文字)
【請求項2】
前記素子は、カソードとアノードの一方が前記出力端に接続され、かつ前記カソードと前記アノードの他方が低電位端に接続されるダイオード素子である、請求項1に記載の半導体メモリ装置。
【請求項3】
前記ダイオード素子は、MOSトランジスタに含まれる寄生ダイオードである、請求項2に記載の半導体メモリ装置。
【請求項4】
前記MOSトランジスタは、
DeepN型ウェル領域と、
DeepN型ウェル領域の上方に横方向に並んで形成されるP型ウェル領域およびN型ウェル領域と、
前記P型ウェル領域の表層に形成される第1のN
+
型領域およびP
+
型領域と、
前記N型ウェル領域の表層に形成される第2のN
+
型領域と、
を有し、
前記DeepN型ウェル領域は、前記N型ウェル領域よりもN型不純物濃度が低く、
前記P型ウェル領域と前記N型ウェル領域の間には、横方向にスペースが設けられ、
前記スペースには、前記DeepN型ウェル領域が設けられる、請求項3に記載の半導体メモリ装置。
【請求項5】
前記ダイオード素子の素子耐圧を可変に選択可能に構成される選択部を備える、請求項2に記載の半導体メモリ装置。
【請求項6】
前記高電圧生成回路は、昇圧回路を有する、請求項1に記載の半導体メモリ装置。
発明の詳細な説明
【技術分野】
【0001】
本開示は、半導体メモリ装置に関する。
続きを表示(約 1,800 文字)
【背景技術】
【0002】
従来、メモリセルを有する半導体メモリ装置が知られている。メモリセルは、メモリ素子を含む。メモリ素子には、例えば、コントロールゲートおよびフローティングゲートを有し、上記フローティングゲートに隣接した酸化膜に高電圧を印加することでフローティングゲートに対して電子の注入・引き抜きを行い、消去(イレース)・書き込み(プログラム)を行うものがある(例えば特許文献1)。
【先行技術文献】
【特許文献】
【0003】
特開2017-174485号公報
【0004】
[概要]
半導体メモリ装置においては、回路面積の削減が要望されている。
【0005】
上記状況に鑑み、本開示は、回路面積を削減できる半導体メモリ装置を提供することを目的とする。
【0006】
本開示の一態様に係る半導体メモリ装置は、
メモリセルと、
ライト時とリード時の少なくとも一方のときに前記メモリセルに高電圧を印加するように構成される高電圧生成回路と、
前記高電圧生成回路の出力端に接続され、ターゲット電圧を超える前記高電圧が印加された場合に電流を流すことで前記高電圧の絶対値の上昇を抑制するように構成される素子と、
を備える構成としている。
【図面の簡単な説明】
【0007】
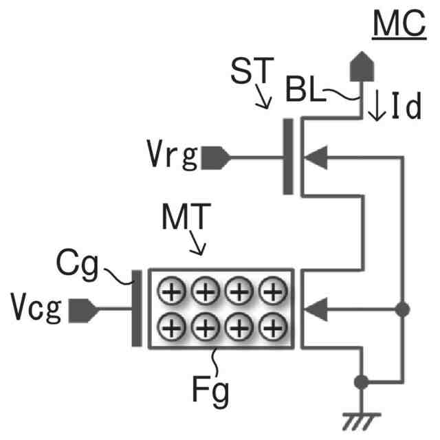
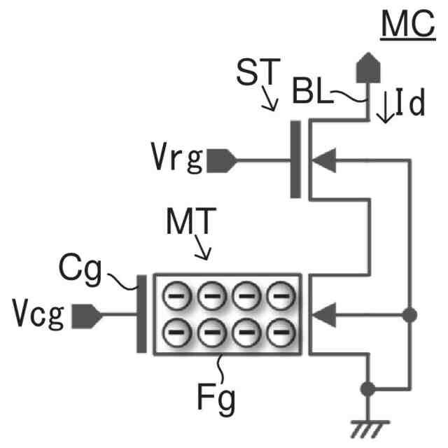
図1は、メモリセルの構成を示す図である。
図2は、メモリ素子の縦構造を示す図である。
図3は、メモリ素子に付随されるプログラム/イレース用の回路を示す図である。
図4Aは、プログラム状態(書き込み状態)としたメモリ素子を含むメモリセルを示す図である。
図4Bは、イレース状態(消去状態)としたメモリ素子を含むメモリセルを示す図である。
図5は、プログラム状態とイレース状態におけるゲート電圧とドレイン電流との関係の一例を示す図である。
図6は、相補型セルを示す図である。
図7は、相補型セルのデータ状態(記憶状態)と、各データ状態に対応するゲート電圧Vcg-ドレイン電流Idの特性を示す図である。
図8は、メモリセルに高電圧を印加するための比較例に係る構成を示す図である。
図9は、比較例における高電圧の挙動を模式的に示す波形図である。
図10Aは、メモリセルに高電圧(正電圧)を印加するための本開示の実施形態に係る構成を示す図である。
図10Bは、メモリセルに高電圧(負電圧)を印加するための本開示の実施形態に係る構成を示す図である。
図11は、本開示の実施形態における高電圧の挙動を模式的に示す波形図である。
図12は、MOSトランジスタの一例を示す縦構造図である。
図13は、メモリセルに高電圧を印加するための本開示の変形例に係る構成を示す図である。
【0008】
[詳細な説明]
以下、本開示の例示的な実施形態について、図面を参照して説明する。
【0009】
<1.相補型セル>
図1は、メモリセルMCの構成を示す図である。メモリセルMCは、メモリ素子MTと、選択トランジスタSTと、を有する。メモリ素子MTは、NMOSトランジスタ(NチャネルMOSFET(metal-oxide-semiconductor field-effect transistor))により構成され、データを記憶するための素子である。メモリ素子MTは、コントロールゲートCgと、フローティングゲートFgと、を有する。
【0010】
選択トランジスタSTは、NMOSトランジスタにより構成され、メモリ素子MTを選択するための素子である。メモリ素子MTのソースは、グランド電位の印加端に接続される。メモリ素子MTのドレインは、選択トランジスタSTのソースに接続される。選択トランジスタSTのドレインは、ビットラインBLに接続される。選択トランジスタSTは、リードゲートRgを有する。リードゲートRgに印加される電圧に応じて選択トランジスタSTのオンオフが切り替えられる。
(【0011】以降は省略されています)
この特許をJ-PlatPat(特許庁公式サイト)で参照する
関連特許
RAMXEED株式会社
記憶装置
1か月前
ローム株式会社
RAM
2か月前
株式会社東芝
磁気ヘッド、及び、磁気記録装置
1か月前
ローム株式会社
半導体メモリ装置
1か月前
株式会社JVCケンウッド
車載装置
25日前
日本発條株式会社
記録装置、カバー、及びカバーの製造方法
2か月前
ルネサスエレクトロニクス株式会社
半導体装置
1か月前
ミネベアミツミ株式会社
ハードディスク駆動装置
2か月前
株式会社レゾナック・ハードディスク
磁気記録媒体の製造方法
5日前
富士通株式会社
書き込みアシスト回路及びSRAM
11日前
株式会社半導体エネルギー研究所
半導体装置
11日前
株式会社半導体エネルギー研究所
半導体装置
1か月前
株式会社半導体エネルギー研究所
半導体装置
1か月前
株式会社半導体エネルギー研究所
半導体装置
1か月前
株式会社半導体エネルギー研究所
半導体装置
1か月前
株式会社半導体エネルギー研究所
半導体装置
19日前
株式会社半導体エネルギー研究所
半導体装置
13日前
ルネサスエレクトロニクス株式会社
半導体装置および書き込み方法
1か月前
株式会社東芝
ディスク装置
1か月前
株式会社東芝
磁気ディスク装置
6日前
キヤノン株式会社
映像処理装置、映像処理方法、および、プログラム
1か月前
株式会社東芝
磁気ディスク装置
1か月前
華邦電子股ふん有限公司
半導体積層ウェハ
11日前
ルネサスエレクトロニクス株式会社
半導体装置の製造方法および半導体装置
1か月前
株式会社東芝
磁気ディスク装置におけるヘッド浮上量の調整方法
1か月前
株式会社フジミインコーポレーテッド
研磨用組成物、基板の製造方法および研磨方法
2か月前
山口精研工業株式会社
磁気ディスク基板の研磨方法
2か月前
株式会社フジミインコーポレーテッド
研磨用組成物、基板の製造方法および研磨方法
2か月前
富士フイルム株式会社
磁気テープ、磁気テープカートリッジおよび磁気テープ装置
19日前
株式会社東芝
ランプおよび磁気ディスク装置
1か月前
株式会社東芝
磁気ディスク装置およびその制御方法
1か月前
株式会社東芝
サスペンションアセンブリ及びディスク装置
1か月前
華邦電子股ふん有限公司
半導体記憶装置及びその制御方法
1か月前
華邦電子股ふん有限公司
半導体記憶装置及びその制御方法
2か月前
株式会社東芝
ディスク装置及びヘッドジンバルアセンブリ
5日前
株式会社東芝
ディスク装置、及びディスク装置の制御方法
25日前
続きを見る
他の特許を見る