TOP
|
特許
|
意匠
|
商標
特許ウォッチ
Twitter
他の特許を見る
10個以上の画像は省略されています。
公開番号
2025160771
公報種別
公開特許公報(A)
公開日
2025-10-23
出願番号
2024063545
出願日
2024-04-10
発明の名称
半導体パッケージ
出願人
ローム株式会社
代理人
個人
,
個人
主分類
H01L
25/00 20060101AFI20251016BHJP(基本的電気素子)
要約
【課題】小型化を図ること。
【解決手段】抵抗チップ10は、第1電極41および第2電極42を含む複数の電極40が設けられた第1素子面11と、第1素子面11とは反対側の第2素子面12と、を含む。抵抗チップ10は、実装部材110の実装面111に実装される。封止樹脂160は、実装面111に実装された抵抗チップ10を封止する。抵抗チップ10は、チップ基板21と、絶縁体22と、抵抗層30と、を含む。チップ基板21は、第1基板面21S、および第1基板面21Sとは反対側にあって第2素子面12を構成する第2基板面21Rを含む。絶縁体22は、第1基板面21Sに設けられている。抵抗層30は、絶縁体22内に設けられている。抵抗層30は、第1電極41と第2電極42との間に接続されている。抵抗チップ10は、第1素子面11と実装面111とが抵抗チップ10の厚さ方向に対向した状態で実装面111に実装されている。
【選択図】図4
特許請求の範囲
【請求項1】
第1電極および第2電極を含む複数の電極が設けられた第1素子面と、前記第1素子面とは反対側の第2素子面と、を含む抵抗チップと、
前記抵抗チップが実装される実装面を含む実装部材と、
前記実装面に実装された状態の前記抵抗チップを封止している封止樹脂と、
第1外部端子および第2外部端子と、
を含み、
前記抵抗チップは、
第1基板面、および前記第1基板面とは反対側にあって前記第2素子面を構成する第2基板面を含むチップ基板と、
前記第1基板面に設けられた絶縁体と、
前記絶縁体内に設けられた抵抗層と、
を含み、
前記抵抗層は、前記第1電極と前記第2電極との間に接続されており、
前記抵抗チップは、前記第1素子面と前記実装面とが前記抵抗チップの厚さ方向に対向した状態で前記実装面に実装されている、
半導体パッケージ。
続きを表示(約 1,500 文字)
【請求項2】
前記第1素子面と前記実装面の間に設けられ、前記第1電極と前記第1外部端子とを電気的に接続するのに用いられる第1接続部材と、
前記第1素子面と前記実装面の間に設けられ、前記第2電極と前記第2外部端子とを電気的に接続するのに用いられる第2接続部材と、
を含む、
請求項1に記載の半導体パッケージ。
【請求項3】
前記複数の電極は第3電極を含み、
前記第3電極と電気的に接続されるアンプチップを含み、
前記アンプチップは、前記封止樹脂に封止されている、
請求項2に記載の半導体パッケージ。
【請求項4】
前記アンプチップは、第1素子面と、前記第1素子面と反対側の第2素子面とを含み、
前記アンプチップは、前記アンプチップの前記第1素子面と前記実装面とが前記アンプチップの厚さ方向に対向した状態で前記実装面に実装されている、
請求項3に記載の半導体パッケージ。
【請求項5】
前記実装部材は、複数のリードを含み、
前記複数のリードは、第1リードおよび第2リードを含み、
前記第1接続部材は、前記第1リードと前記第1電極とを電気的に接続し、
前記第2接続部材は、前記第2リードと前記第2電極とを電気的に接続する、
請求項3に記載の半導体パッケージ。
【請求項6】
前記第1リードは、
前記封止樹脂に埋め込まれた部分であって前記第1電極と対向する第1内部リードと、
前記封止樹脂の側面から側方に突出している部分であって前記第1外部端子を構成する第1外部リードと、
を含み、
前記第2リードは、
前記封止樹脂に埋め込まれた部分であって前記第2電極と対向する第2内部リードと、
前記封止樹脂の側面から側方に突出している部分であって前記第2外部端子を構成する第2外部リードと、
を含む、
請求項5に記載の半導体パッケージ。
【請求項7】
前記複数のリードは、前記第3電極と前記アンプチップとの間に接続された中間リードを含む、
請求項5に記載の半導体パッケージ。
【請求項8】
前記実装部材は、
前記実装面と、前記実装面と反対側の裏面と、を含む絶縁基板と、
前記絶縁基板に設けられた複数の配線部材と、
を含み、
前記複数の配線部材は、
前記第1接続部材に電気的に接続されている第1配線部材と、
前記第2接続部材に電気的に接続されている第2配線部材と、
を含み、
前記第1配線部材は、前記絶縁基板の前記裏面に設けられた前記第1外部端子を含み、
前記第2配線部材は、前記絶縁基板の前記裏面に設けられた前記第2外部端子を含む、
請求項3に記載の半導体パッケージ。
【請求項9】
前記第1配線部材および前記第2配線部材は、
前記実装面に設けられた第1配線部と、
前記裏面に設けられた第2配線部と、
前記第1配線部と前記第2配線部とを電気的に接続する貫通配線部と、
を含み、
前記第1配線部材の前記第2配線部は前記第1外部端子を構成し、
前記第2配線部材の前記第2配線部は前記第2外部端子を構成し、
請求項8に記載の半導体パッケージ。
【請求項10】
前記第1外部端子に接続された第1接合部材と、
前記第2外部端子に接続された第2接合部材と、
を含む、
請求項8に記載の半導体パッケージ。
(【請求項11】以降は省略されています)
発明の詳細な説明
【技術分野】
【0001】
本開示は、半導体パッケージに関するものである。
続きを表示(約 2,700 文字)
【背景技術】
【0002】
従来、抵抗分圧により高電圧を検出する半導体装置が知られている。たとえば、特許文献1は高圧ダイパッドに実装された抵抗素子と、低圧ダイパッドに実装された半導体素子と、を備えた半導体装置を開示する。
【先行技術文献】
【特許文献】
【0003】
国際公開第2022/176963号
【0004】
[概要]
上記のような半導体装置では、小型化が望まれている。
【0005】
本開示の一態様である半導体パッケージは、第1電極及び第2電極を含む複数の電極が設けられた第1素子面と、前記第1素子面とは反対側の第2素子面と、を有する抵抗チップと、前記抵抗チップが実装される実装面を有する実装部材と、前記実装面に実装された状態の前記抵抗チップを封止している封止樹脂と、第1外部端子及び第2外部端子と、を含み、前記抵抗チップは、第1基板面、及び前記第1基板面とは反対側にあって前記第2素子面を構成する第2基板面を有するチップ基板と、前記第1基板面に設けられた絶縁体と、前記絶縁体内に設けられた抵抗層と、を含み、前記抵抗層は、前記第1電極と前記第2電極との間に接続されており、前記抵抗チップは、前記第1素子面と前記実装面とが前記抵抗チップの厚さ方向に対向した状態で前記実装面に実装されている。
【図面の簡単な説明】
【0006】
図1は、第1実施形態に係る半導体パッケージの一例を示す概略平面図である。
図2は、図1の半導体パッケージの一例を示す概略裏面図である。
図3は、図2の半導体パッケージの概略断面図である。
図4は、図2の半導体パッケージの概略断面図である。
図5は、図1の半導体パッケージの電気的構成の一例を示す回路図である。
図6は、図1の抵抗チップの一例を示す概略平面図である。
図7は、図6の抵抗チップの概略断面図である。
図8は、変更例の半導体パッケージを示す概略断面図である。
図9は、変更例の半導体パッケージを示す概略断面図である。
図10は、第2実施形態に係る半導体パッケージの一例を示す概略平面図である。
図11は、図10の半導体パッケージの概略断面図である。
図12は、図10の半導体パッケージの概略断面図である。
図13は、第3実施形態に係る半導体パッケージの一例を示す概略平面図である。
図14は、図13の半導体パッケージの概略断面図である。
図15は、第4実施形態に係る半導体パッケージの一例を示す概略平面図である。
図16は、図15の半導体パッケージの概略断面図である。
図17は、第5実施形態に係る半導体パッケージの一例を示す概略平面図である。
図18は、図17の半導体パッケージの概略断面図である。
図19は、第6実施形態に係る半導体パッケージの一例を示す概略平面図である。
図20は、図19の半導体パッケージの概略断面図である。
図21は、図10のアンプチップおよび接続部材を示す概略平面図である。
図22は、図10の抵抗チップおよび接続部材を示す概略平面図である。
図23は、変更例の半導体パッケージを示す概略断面図である。
図24は、変更例の半導体パッケージを示す概略断面図である。
図25は、変更例の抵抗チップを示す概略断面図である。
図26は、変更例の抵抗チップを示す概略断面図である。
図27は、変更例の抵抗チップを示す概略断面図である。
図28は、変更例の抵抗チップを示す概略断面図である。
図29は、変更例の抵抗チップを示す概略断面図である。
図30は、変更例の抵抗チップを示す概略断面図である。
【0007】
[詳細な説明]
以下、添付図面を参照して本開示の半導体パッケージのいくつかの実施形態を説明する。なお、説明を簡単かつ明確にするために、図面に示される構成要素は必ずしも一定の縮尺で描かれていない。また、理解を容易にするために、断面図では、ハッチング線が省略されている場合がある。添付の図面は、本開示の実施形態を例示するに過ぎず、本開示を制限するものとみなされるべきではない。本開示における「第1」、「第2」、「第3」等の用語は、単に対象物を区別するために用いられており、対象物を順位づけするものではない。
【0008】
以下の詳細な記載は、本開示の例示的な実施形態を具体化する装置、システム、および方法を含む。この詳細な記載は本来説明のためのものに過ぎず、本開示の実施形態またはこのような実施形態の適用および使用を限定することを意図しない。
【0009】
本開示で使用される「少なくとも1つ」という表現は、所望の選択肢の「1つ以上」を意味する。一例として、本開示で使用される「少なくとも1つ」という表現は、選択肢の数が2つであれば「1つの選択肢のみ」または「2つの選択肢の双方」を意味する。他の例として、本開示で使用される「少なくとも1つ」という表現は、選択肢の数が3つ以上であれば「1つの選択肢のみ」または「2つ以上の任意の選択肢の組み合わせ」を意味する。
【0010】
(第1実施形態)
図1から図7を参照して、第1実施形態の半導体パッケージ100について説明する。
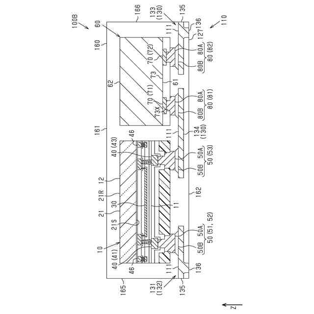
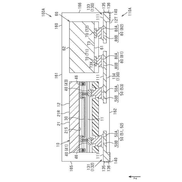
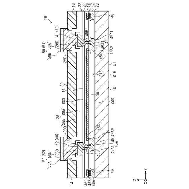
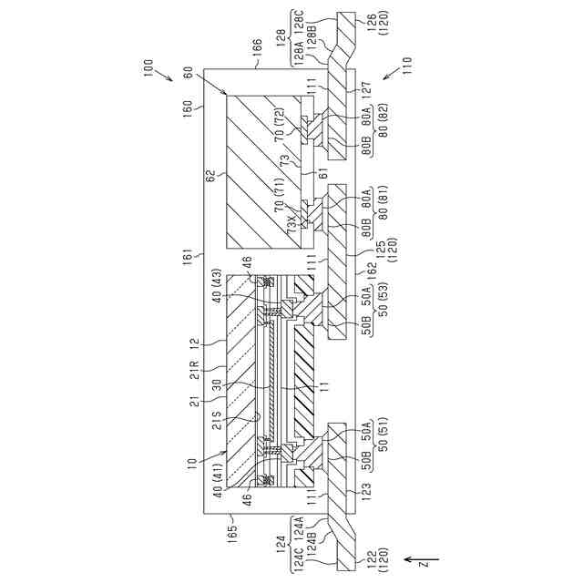
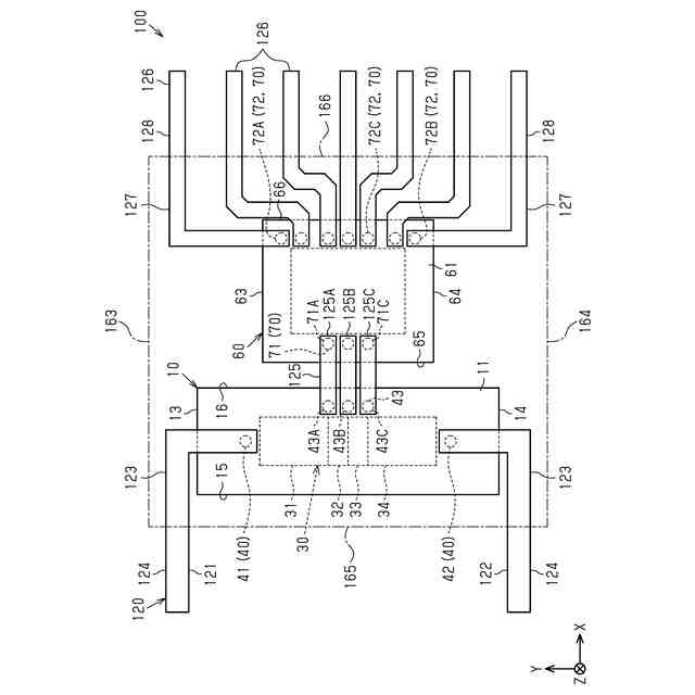
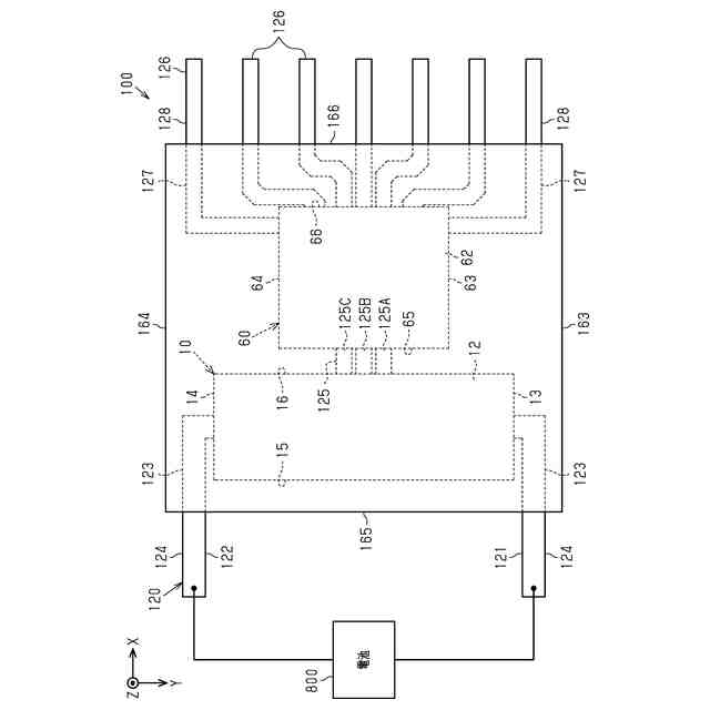
図1は、第1実施形態に係る半導体パッケージ100の平面構造の一例を示している。図2は、図1の半導体パッケージの一例を示している。図2では、封止樹脂160を透過して、抵抗チップ10、アンプチップ60、および実装部材110を示している。図3は、図2の半導体パッケージ100の断面構造の一例示し、抵抗チップ10および実装部材110を示している。図3では、抵抗層30は、第1電極41と第3電極43との間に接続された1つの部材として示されている。図4は、図2の半導体パッケージ100の断面構造の一例を示し、抵抗チップ10とアンプチップ60との接続を示している。図4では、抵抗層30は、第1電極41と第2電極42との間に接続された1つの部材として示されている。本開示において使用される「平面視」という用語は、図1に示されるXYZ軸のZ軸方向に半導体パッケージ100を視ることを言う。
(【0011】以降は省略されています)
この特許をJ-PlatPat(特許庁公式サイト)で参照する
関連特許
ローム株式会社
半導体装置
25日前
ローム株式会社
半導体装置
2日前
ローム株式会社
半導体装置
25日前
ローム株式会社
半導体装置
17日前
ローム株式会社
半導体装置
1か月前
ローム株式会社
半導体装置
1か月前
ローム株式会社
半導体装置
1か月前
ローム株式会社
半導体装置
9日前
ローム株式会社
半導体装置
9日前
ローム株式会社
半導体装置
9日前
ローム株式会社
信号伝達装置
25日前
ローム株式会社
電源制御装置
25日前
ローム株式会社
定電圧生成回路
9日前
ローム株式会社
半導体集積回路
10日前
ローム株式会社
定電圧生成回路
9日前
ローム株式会社
半導体集積回路
1か月前
ローム株式会社
半導体集積回路
9日前
ローム株式会社
半導体メモリ装置
1か月前
ローム株式会社
半導体モジュール
18日前
ローム株式会社
モータドライバ回路
25日前
ローム株式会社
比較回路、半導体装置
9日前
ローム株式会社
逐次比較型AD変換回路
17日前
ローム株式会社
サーマルプリントヘッド
9日前
ローム株式会社
電源制御装置及び電源装置
2日前
ローム株式会社
半導体装置およびシステム
17日前
ローム株式会社
半導体装置、電子機器、車両
1か月前
ローム株式会社
半導体装置、電子機器、車両
1か月前
ローム株式会社
監視回路及びレジスタ制御装置
9日前
ローム株式会社
昇圧型スイッチングレギュレータ
11日前
ローム株式会社
信号受信装置、IC及び電気機器
23日前
ローム株式会社
電源制御装置、スイッチング電源
2日前
ローム株式会社
モータドライバ回路および駆動方法
10日前
ローム株式会社
電圧調整装置及び電荷蓄積システム
11日前
ローム株式会社
電圧電流変換回路および半導体集積回路
1か月前
ローム株式会社
半導体装置および半導体装置の製造方法
1か月前
ローム株式会社
半導体装置および半導体装置の製造方法
10日前
続きを見る
他の特許を見る