TOP
|
特許
|
意匠
|
商標
特許ウォッチ
Twitter
他の特許を見る
公開番号
2025154853
公報種別
公開特許公報(A)
公開日
2025-10-10
出願番号
2024058086
出願日
2024-03-29
発明の名称
検証装置及び検証方法
出願人
ローム株式会社
代理人
弁理士法人太陽国際特許事務所
主分類
G01R
31/28 20060101AFI20251002BHJP(測定;試験)
要約
【課題】第1のチップと第2のチップとを備えた半導体装置について、第2のチップを用いずとも第1のチップに設けられた機能部に関する検証を行うことができる検証装置及び検証方法を提供する。
【解決手段】プロセッサ、及び前記プロセッサにより制御される少なくとも1つの第1の機能部が設けられた第1のチップと、前記プロセッサにより制御される少なくとも1つの第2の機能部が設けられた第2のチップとを備えた半導体装置の検証に用いられる検証装置であって、前記第1のチップに電気的に接続される接続部と、前記第1の機能部と同一の種類であり、前記プロセッサにより制御される少なくとも1つの第3の機能部と、前記第3の機能部から出力された検証結果データを外部に出力する第1の出力端子と、を備えた検証装置。
【選択図】図2
特許請求の範囲
【請求項1】
プロセッサ、及び前記プロセッサにより制御される少なくとも1つの第1の機能部が設けられた第1のチップと、前記プロセッサにより制御される少なくとも1つの第2の機能部が設けられた第2のチップとを備えた半導体装置の検証に用いられる検証装置であって、
前記第1のチップに電気的に接続される接続部と、
前記第1の機能部と同一の種類であり、前記プロセッサにより制御される少なくとも1つの第3の機能部と、
前記第3の機能部から出力された検証結果データを外部に出力する第1の出力端子と、
を備えた検証装置。
続きを表示(約 770 文字)
【請求項2】
前記第1のチップに設けることが可能であり、かつ前記プロセッサにより制御される第4の機能部と、
前記第4の機能部から出力された検証結果データを外部に出力する第2の出力端子と、
をさらに備えた
請求項1に記載の検証装置。
【請求項3】
前記第2の機能部と同一の種類であり、前記プロセッサにより制御される少なくとも1つの第5の機能部と、
前記第5の機能部から出力された検証結果データを外部に出力する第3の出力端子と、
をさらに備えた請求項1に記載の検証装置。
【請求項4】
前記第2のチップに設けることが可能であり、かつ前記プロセッサにより制御される第6の機能部と、
前記第6の機能部から出力された検証結果データを外部に出力する第4の出力端子と、
をさらに備えた
請求項3に記載の検証装置。
【請求項5】
プロセッサ、及び前記プロセッサにより制御される少なくとも1つの第1の機能部が設けられた第1のチップと、前記プロセッサにより制御される少なくとも1つの第2の機能部が設けられた第2のチップとを備えた半導体装置を、前記第1のチップに電気的に接続される接続部と、前記第1の機能部と同一の種類であり、前記プロセッサにより制御される少なくとも1つの第3の機能部と、前記第3の機能部から出力された検証結果データを外部に出力する出力端子と、を備えた検証装置により検証する検証方法であって、
前記プロセッサにより前記第1の機能部に代わり、前記第1の機能部と同一の種類である前記第3の機能部を動作させ、
前記第3の機能部から出力された検証結果データを、前記出力端子を介して外部に出力させる
検証方法。
発明の詳細な説明
【技術分野】
【0001】
本開示は、検証装置及び検証方法に関する。
続きを表示(約 1,500 文字)
【背景技術】
【0002】
複数のチップを備えた半導体装置に関して、各種のテストや検証が行われている。例えば、特許文献1には、第1部品基層と、第2部品基層とが積層された3次元集積回路の製造方法において、各機能に搭載される部品や回路の機能能力を識別するための機能テストを行う技術が記載されている。
【先行技術文献】
【特許文献】
【0003】
特開平8-213548号公報
【発明の概要】
【発明が解決しようとする課題】
【0004】
複数のチップを電気的に接続した状態にして、各チップに設けられた機能部について検証を行う従来の技術では、各チップが製造されるまで、各機能部の検証を行うのは困難であった。例えば、第1のチップと第2のチップとを備えた半導体装置について、第2のチップを用いずに第1のチップに設けられた機能部に関する検証を行えない場合があった。
【0005】
本開示は、第1のチップと第2のチップとを備えた半導体装置について、第2のチップを用いずとも第1のチップに設けられた機能部に関する検証を行うことができる検証装置及び検証方法を提供することを目的とする。
【課題を解決するための手段】
【0006】
上記目的を達成するために、本開示の検証装置は、プロセッサ、及び前記プロセッサにより制御される少なくとも1つの第1の機能部が設けられた第1のチップと、前記プロセッサにより制御される少なくとも1つの第2の機能部が設けられた第2のチップとを備えた半導体装置の検証に用いられる検証装置であって、前記第1のチップに電気的に接続される接続部と、前記第1の機能部と同一の種類であり、前記プロセッサにより制御される少なくとも1つの第3の機能部と、前記第3の機能部から出力された検証結果データを外部に出力する第1の出力端子と、を備える。
【0007】
上記目的を達成するために、本開示の検証方法は、プロセッサ、及び前記プロセッサにより制御される少なくとも1つの第1の機能部が設けられた第1のチップと、前記プロセッサにより制御される少なくとも1つの第2の機能部が設けられた第2のチップとを備えた半導体装置を、前記第1のチップに電気的に接続される接続部と、前記第1の機能部と同一の種類であり、前記プロセッサにより制御される少なくとも1つの第3の機能部と、前記第3の機能部から出力された検証結果データを外部に出力する出力端子と、を備えた検証装置により検証する検証方法であって、前記プロセッサにより前記第1の機能部に代わり、前記第1の機能部と同一の種類である前記第3の機能部を動作させ、前記第3の機能部から出力された検証結果データを、前記出力端子を介して外部に出力させる。
【発明の効果】
【0008】
本開示によれば、第1のチップと第2のチップとを備えた半導体装置について、第2のチップを用いずとも第1のチップに設けられた機能部に関する検証を行うことができる。
【図面の簡単な説明】
【0009】
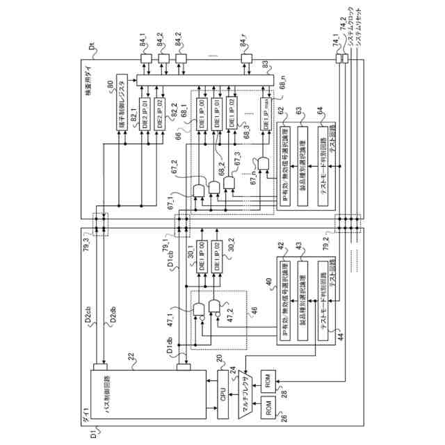
第1実施形態の半導体装置の構成の一例を示す回路図である。
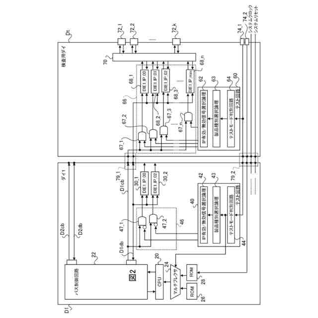
第1実施形態の検査用ダイの構成の一例を示す回路図である。
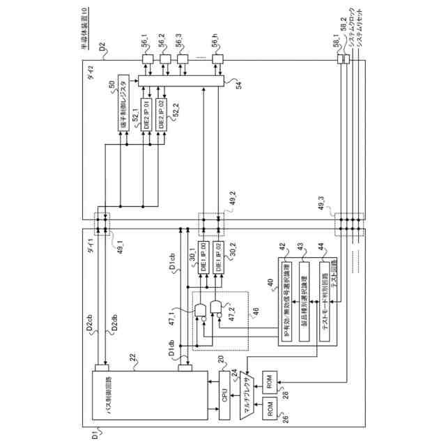
第2実施形態の検査用ダイの構成の一例を表す回路図である。
【発明を実施するための形態】
【0010】
以下、図面を参照して本開示の実施形態を詳細に説明する。なお、以下の実施形態は、本開示の技術を限定するものではない。
(【0011】以降は省略されています)
この特許をJ-PlatPat(特許庁公式サイト)で参照する
関連特許
ローム株式会社
光センサ
25日前
ローム株式会社
半導体装置
3日前
ローム株式会社
半導体装置
3日前
ローム株式会社
半導体装置
25日前
ローム株式会社
半導体装置
19日前
ローム株式会社
半導体装置
19日前
ローム株式会社
半導体装置
18日前
ローム株式会社
抵抗チップ
18日前
ローム株式会社
半導体装置
17日前
ローム株式会社
半導体装置
17日前
ローム株式会社
半導体装置
25日前
ローム株式会社
半導体装置
3日前
ローム株式会社
半導体集積回路
12日前
ローム株式会社
窒化物半導体装置
18日前
ローム株式会社
自己診断システム
20日前
ローム株式会社
半導体パッケージ
18日前
ローム株式会社
半導体メモリ装置
5日前
ローム株式会社
半導体装置、電子機器、車両
12日前
ローム株式会社
半導体装置、電子機器、車両
12日前
ローム株式会社
電圧電流変換回路および半導体集積回路
12日前
ローム株式会社
半導体装置および半導体装置の製造方法
3日前
ローム株式会社
パルス幅変調回路およびモータ駆動装置
12日前
ローム株式会社
半導体装置、および半導体装置の製造方法
3日前
ローム株式会社
力率改善回路、制御装置、および電子機器
3日前
ローム株式会社
モータドライバ回路およびハードディスク装置
20日前
ローム株式会社
電流生成回路、半導体装置、電子機器及び車両
24日前
ローム株式会社
電源制御装置、DC/DCコンバータ、および車両
13日前
ローム株式会社
三相ブラシレスモータのドライバ回路および駆動方法
5日前
ローム株式会社
圧電アクチュエータ及び圧電アクチュエータの駆動方法
24日前
ローム株式会社
半導体装置
24日前
ローム株式会社
半導体装置
11日前
ローム株式会社
半導体装置
19日前
ローム株式会社
半導体装置
13日前
ローム株式会社
テラヘルツ装置
17日前
ローム株式会社
SiC半導体装置
19日前
ローム株式会社
SiC半導体装置
5日前
続きを見る
他の特許を見る