TOP
|
特許
|
意匠
|
商標
特許ウォッチ
Twitter
他の特許を見る
10個以上の画像は省略されています。
公開番号
2025147691
公報種別
公開特許公報(A)
公開日
2025-10-07
出願番号
2024048061
出願日
2024-03-25
発明の名称
電源制御装置および電源制御システム
出願人
株式会社デンソーテン
代理人
弁理士法人酒井国際特許事務所
主分類
H02J
1/00 20060101AFI20250930BHJP(電力の発電,変換,配電)
要約
【課題】電源制御装置のマイコン異常時のフェイルセーフ制御における電源供給の遮断を防止すること。
【解決手段】実施形態に係る電源制御装置は、コントローラと、遅延回路とを備える。コントローラは、第1の電源保持信号または第2の電源保持信号を受けて複数の制御装置へ電源を供給する電源リレーに対し、上記第1の電源保持信号を出力して上記電源リレーを制御する。遅延回路は、上記コントローラの異常時にフェイルセーフ制御として上記電源リレーが外部装置から上記第2の電源保持信号を受ける際に、少なくとも上記外部装置が上記コントローラの異常を検出するまでに要する時間以上、上記第1の電源保持信号を遅延させる。
【選択図】図1
特許請求の範囲
【請求項1】
第1の電源保持信号または第2の電源保持信号を受けて複数の制御装置へ電源を供給する電源リレーに対し、前記第1の電源保持信号を出力して前記電源リレーを制御するコントローラと、
前記コントローラの異常時にフェイルセーフ制御として前記電源リレーが外部装置から前記第2の電源保持信号を受ける際に、少なくとも前記外部装置が前記コントローラの異常を検出するまでに要する時間以上、前記第1の電源保持信号を遅延させる遅延回路と
を備える電源制御装置。
続きを表示(約 1,000 文字)
【請求項2】
前記遅延回路は、
電源の電圧により充電されるコンデンサと、
前記第1の電源保持信号の出力ラインと前記コンデンサとを接続または遮断するスイッチと
を備え、
前記スイッチは、
前記コントローラの異常時に初期状態となるポートの出力によって制御され、前記ポートが初期状態になると前記コンデンサと前記出力ラインとを接続する、
請求項1に記載の電源制御装置。
【請求項3】
前記スイッチは、前記ポートが非初期状態の時は前記コンデンサと前記出力ラインとを遮断する、
請求項2に記載の電源制御装置。
【請求項4】
前記遅延回路は、
電源の供給を受けており、かつ、前記ポートが非初期状態である場合に、前記コンデンサを充電させる、
請求項2に記載の電源制御装置。
【請求項5】
前記外部装置は、前記コンデンサと前記出力ラインとが接続されて前記コンデンサから前記出力ラインへ電流が流れ、前記電源リレーを導通状態に維持できる第1時間より短い第2時間の間に前記電源リレーへ前記第2の電源保持信号を出力する、
請求項2に記載の電源制御装置。
【請求項6】
前記外部装置は、前記複数の制御装置に対応する前記電源リレーへ一斉に前記第2の電源保持信号を出力する、
請求項5に記載の電源制御装置。
【請求項7】
前記外部装置は、前記複数の制御装置のうちの一つである、
請求項1に記載の電源制御装置。
【請求項8】
電源制御装置と、第1の電源保持信号または第2の電源保持信号を受けて複数の制御装置へ電源を供給する電源リレーと、前記制御装置のうちの一つである第1の制御装置とを含み、
前記電源制御装置は、
前記電源リレーに対し、前記第1の電源保持信号を出力して前記電源リレーを制御するコントローラと、
前記コントローラの異常時にフェイルセーフ制御として前記電源リレーが前記第1の制御装置から前記第2の電源保持信号を受ける際に、少なくとも前記第1の制御装置が前記コントローラの異常を検出するまでに要する時間以上、前記第1の電源保持信号を遅延させる遅延回路と
を備え、
前記第1の制御装置は、
前記コントローラの異常を検出すると前記電源リレーへ前記第2の電源保持信号を出力する前記フェイルセーフ制御を行う、
電源制御システム。
発明の詳細な説明
【技術分野】
【0001】
開示の実施形態は、電源制御装置および電源制御システムに関する。
続きを表示(約 2,100 文字)
【背景技術】
【0002】
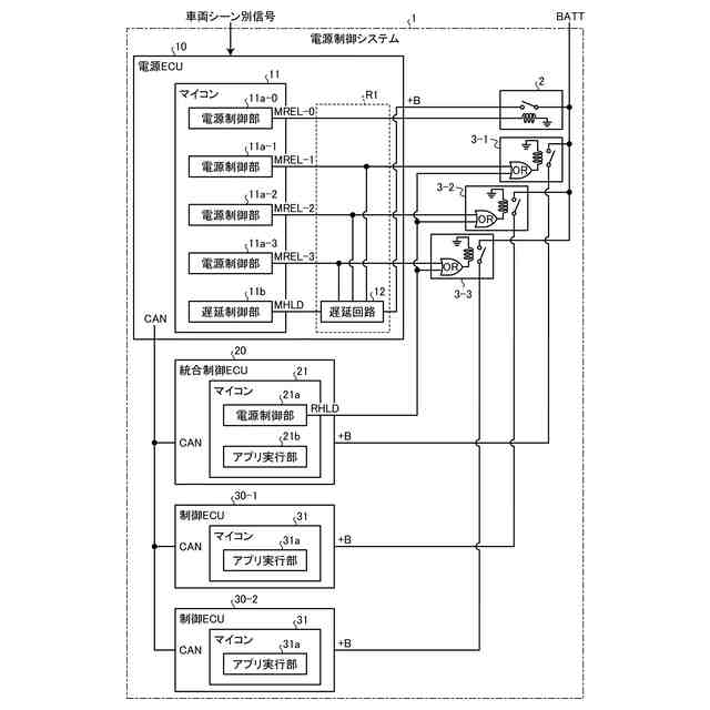
従来、車両において、電源ECU(Electronic Control Unit)に電源リレーを設け、電源ECUのマイコンが電源リレーを制御して電源ECU以外の複数の各ECUへの電源供給を制御する技術が知られている(例えば、特許文献1参照)。
【0003】
しかし、電源ECUのマイコンが故障した場合、電源リレーが遮断し、各ECUへの電源供給が途絶えてしまうという問題がある。この問題に対しては、例えば電源ECU以外の装置がこの電源ECUのマイコンの故障を検出して、電源ECUに代わり電源リレーの導通を保持することが考えられる。
【先行技術文献】
【特許文献】
【0004】
特開2009-166549号公報
【発明の概要】
【発明が解決しようとする課題】
【0005】
しかしながら、電源ECUのマイコンが故障した場合、通常は電源リレーを駆動する信号の出力ポートは初期状態となるため、マイコンが故障した時点で直ちに電源リレーが遮断されてしまう。
【0006】
これに対し、上記の電源ECU以外の装置は、マイコンが故障したことを判定してから電源リレーの導通を保持するため、電源ECU以外の装置がマイコンの故障を判定するまでの間は電源リレーが遮断状態となってしまう。
【0007】
実施形態の一態様は、上記に鑑みてなされたものであって、電源制御装置のマイコン異常時のフェイルセーフ制御における電源供給の遮断を防止することができる電源制御装置および電源制御システムを提供することを目的とする。
【課題を解決するための手段】
【0008】
実施形態の一態様に係る電源制御装置は、コントローラと、遅延回路とを備える。前記コントローラは、第1の電源保持信号または第2の電源保持信号を受けて複数の制御装置へ電源を供給する電源リレーに対し、前記第1の電源保持信号を出力して前記電源リレーを制御する。前記遅延回路は、前記コントローラの異常時にフェイルセーフ制御として前記電源リレーが外部装置から前記第2の電源保持信号を受ける際に、少なくとも前記外部装置が前記コントローラの異常を検出するまでに要する時間以上、前記第1の電源保持信号を遅延させる。
【発明の効果】
【0009】
実施形態の一態様によれば、電源制御装置のコントローラ(マイコン)が故障した場合、外部装置がコントローラに代わって電源リレーを制御して複数の制御装置へ電源を供給する。その際、コントローラから出力される第1の電源保持信号は、外部装置がコントローラの異常を検出するまでの時間以上、遅延回路により遅延される。これにより、コントローラが故障してコントローラからの第1の電源保持信号の出力が途絶えても、少なくとも第2の電源保持信号が入力されるまでの間は遅延回路により第1の電源保持信号が電源リレーへ供給されるため、電源リレーが遮断されることはない。これにより、電源制御装置のマイコン異常時のフェイルセーフ制御における電源供給の遮断を防止することができる。
【図面の簡単な説明】
【0010】
図1は、実施形態に係る電源制御システムの構成例を示す図である。
図2は、電源リレーの接続/遮断要件の説明図である。
図3は、実施形態に係る遅延回路の構成例を示す図である。
図4は、マイコンの状態別のMHLD信号および遅延SWの関係を示す図である。
図5は、RHLD信号のON/OFF要件の説明図である。
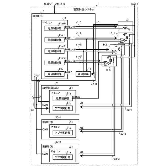
図6は、正常時における電源制御システムの動作例を示す図である。
図7は、正常時における遅延回路の動作例を示す図である。
図8は、電源ECUおよび統合制御ECUの相互の死活監視の説明図である。
図9は、電源ECUのマイコン異常時における電源制御システムの動作例を示す図(その1)である。
図10は、正常時における遅延回路の動作例を示す図(その1)である。
図11は、電源ECUのマイコン異常時における電源制御システムの動作例を示す図(その2)である。
図12は、電源ECUのマイコン異常時における電源制御システムの動作例を示す図(その3)である。
図13は、電源制御システムの動作例におけるタイミングチャートを示す図(その1)である。
図14は、電源制御システムの動作例におけるタイミングチャートを示す図(その2)である。
図15は、電源制御システムが実行する処理シーケンスを示す図である。
図16は、制御ECUが実行する状態判定処理の処理手順を示すフローチャートである。
図17は、他の実施形態に係る遅延回路を示す図である。
【発明を実施するための形態】
(【0011】以降は省略されています)
この特許をJ-PlatPat(特許庁公式サイト)で参照する
関連特許
個人
バッテリ内蔵直流電源
21日前
株式会社アイシン
ロータ
今日
株式会社FUJI
制御盤
11日前
西部電機株式会社
充電装置
3日前
オムロン株式会社
電源回路
15日前
オムロン株式会社
電源回路
15日前
西部電機株式会社
充電装置
3日前
オムロン株式会社
電源回路
15日前
日本精機株式会社
サージ保護回路
3日前
トヨタ自動車株式会社
固定子
1日前
トヨタ自動車株式会社
回転子
7日前
個人
連続ガウス加速器形磁力増幅装置
3日前
ミサワホーム株式会社
居住設備
11日前
トヨタ自動車株式会社
製造装置
1日前
東京応化工業株式会社
発電装置
15日前
株式会社ダイヘン
充電装置
今日
株式会社アイシン
ステータ
今日
株式会社アイシン
ステータ
今日
株式会社アイシン
ステータ
今日
株式会社ダイヘン
充電装置
今日
株式会社ダイヘン
充電装置
今日
個人
太陽エネルギー収集システム
1日前
カヤバ株式会社
筒型リニアモータ
2日前
株式会社ミツバ
ブラシレスモータ
2日前
東京瓦斯株式会社
通信装置
2日前
株式会社アイシン
ステータ
今日
株式会社ダイヘン
充電装置
今日
株式会社リコー
拡張アンテナ装置
14日前
トヨタ自動車株式会社
被膜形成装置
1日前
ニチコン株式会社
AC入力検出回路
7日前
トヨタ自動車株式会社
ロータ
9日前
ユタカ電業株式会社
ケーブルダクト
11日前
日産自動車株式会社
ステータ
8日前
株式会社正興電機製作所
地絡確認装置
14日前
株式会社ダイヘン
電力システム
3日前
株式会社ミツバ
巻線装置
14日前
続きを見る
他の特許を見る