TOP
|
特許
|
意匠
|
商標
特許ウォッチ
Twitter
他の特許を見る
公開番号
2025147402
公報種別
公開特許公報(A)
公開日
2025-10-07
出願番号
2024047637
出願日
2024-03-25
発明の名称
地盤改良方法
出願人
株式会社熊谷組
代理人
個人
,
個人
主分類
E02D
3/12 20060101AFI20250930BHJP(水工;基礎;土砂の移送)
要約
【課題】各杭が負担する応力をコントロールすることができる地盤改良方法を提供する。
【解決手段】地盤改良方法は、杭基礎と組み合わせて使用される。地盤改良方法では、地盤改良エリアを複数の区画及び/又は層に分けて地盤性状を調査するステップと、区画毎及び/又は層毎に地盤性状を考慮して改良材の添加量を決定するステップと、区画毎及び/又は層毎に分けて地盤改良エリアを目標深度まで掘削するステップと、区画毎及び/又は層毎に掘削土に対して改良材を添加して混合撹拌するステップと、掘削土に改良材が添加されて埋め戻された改良土を1層ずつ締め固めるステップと、が実施される。
【選択図】図7
特許請求の範囲
【請求項1】
杭基礎と組み合わせて使用される地盤改良方法であって、
地盤改良エリアを複数の区画及び/又は層に分けて地盤性状を調査するステップと、
区画毎及び/又は層毎に地盤性状を考慮して改良材の添加量を決定するステップと、
区画毎及び/又は層毎に分けて地盤改良エリアを目標深度まで掘削するステップと、
区画毎及び/又は層毎に掘削土に対して改良材を添加して混合撹拌するステップと、
掘削土に改良材が添加されて埋め戻された改良土を1層ずつ締め固めるステップと、を備えていることを特徴とする地盤改良方法。
続きを表示(約 580 文字)
【請求項2】
混合撹拌するステップでは、1層の半分の掘削土を埋め戻して改良材を散布し、1層の残りの半分の掘削土を埋め戻して混合撹拌し、
混合撹拌するステップ及び締め固めるステップが目標の層数分だけ繰り返されることを特徴とする請求項1に記載の地盤改良方法。
【請求項3】
改良材の添加量を決定するステップでは、硬い区画及び/又は層には改良材の添加量を減らし、軟らかい区画及び/又は層には改良材の添加量を増やしていることを特徴とする請求項1又は請求項2に記載の地盤改良方法。
【請求項4】
改良材の添加量を決定するステップでは、他の杭よりも杭径の大きな特定の杭が形成される区画では、他の杭が形成される区画よりも改良材の添加量を減らしていることを特徴とする請求項1又は請求項2に記載の地盤改良方法。
【請求項5】
改良材の添加量を決定するステップでは、他の杭よりも耐力が高い特定の杭が形成される区画では、他の杭が形成される区画よりも改良材の添加量を増やしていることを特徴とする請求項1又は請求項2に記載の地盤改良方法。
【請求項6】
改良材の添加量を決定するステップでは、杭頭高さの層では下層よりも改良材の添加量を増やしていることを特徴とする請求項1又は請求項2に記載の地盤改良方法。
発明の詳細な説明
【技術分野】
【0001】
本発明は、地盤改良方法に関する。
続きを表示(約 1,800 文字)
【背景技術】
【0002】
軟弱地盤の地盤改良方法として、セメント系固化材を使用して固める方法が知られている(例えば、特許文献1参照)。特許文献1に記載の地盤改良方法では、バックホウで地表が掘削されて掘削場所の周囲に掘削土が仮置きされ、掘削底面に改良材が散布されると共にバックホウで所定量の掘削土が埋め戻される。バックホウ等によって掘削土と改良材が混合撹拌されて、振動ローラ等によって改良土が締め固められて所定厚の改良地盤が形成される。掘削土の埋め戻し、掘削土と改良材の混合撹拌、改良土の締め固めが繰り返されることで地盤が強化される。
【先行技術文献】
【特許文献】
【0003】
特開平6-313314号公報
【発明の概要】
【発明が解決しようとする課題】
【0004】
しかしながら、特許文献1に記載の地盤改良方法では、地盤が同じ強度の単一層であるとして改良材の添加量を同一にして地盤改良され、地盤性状の違いによって改良地盤の強度にバラツキが生じるという問題がある。このため、杭基礎と地盤改良が併用される場合には、地震等で水平力を受けたときに各杭に対して適切な応力を負担させることが難しい。
【0005】
本発明はかかる点に鑑みてなされたものであり、杭が負担する応力をコントロールすることができる地盤改良方法を提供することを目的とする。
【課題を解決するための手段】
【0006】
本発明の一態様の地盤改良方法は、杭基礎と組み合わせて使用される地盤改良方法であって、地盤改良エリアを複数の区画及び/又は層に分けて地盤性状を調査するステップと、区画毎及び/又は層毎に地盤性状を考慮して改良材の添加量を決定するステップと、区画毎及び/又は層毎に分けて地盤改良エリアを目標深度まで掘削するステップと、区画毎及び/又は層毎に掘削土に対して改良材を添加して混合撹拌するステップと、掘削土に改良材が添加されて埋め戻された改良土を1層ずつ締め固めるステップと、を備えている。
【発明の効果】
【0007】
本発明の一態様の地盤改良方法は、区画毎及び/又は層毎に地盤性状に応じて改良材が添加されることで、改良地盤の強度が水平方向及び/又は深度方向に任意に設定されて、各杭が負担する水平力がコントロールされる。地震等で水平力を受けたときに、杭基礎の各杭に対して適切な水平力を負担させることができる。また、改良材の過剰な添加を抑えて改良材の無駄を抑えることができる。
【図面の簡単な説明】
【0008】
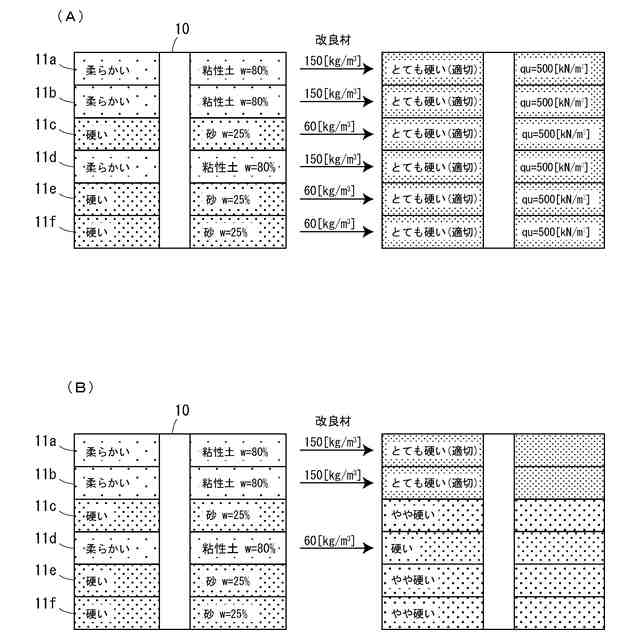
比較例の地盤改良方法で地盤改良した場合の一例を示す平面図である。
比較例の地盤改良方法で地盤改良した場合の一例を示す断面図である。
本実施形態の地盤改良方法で地盤改良した場合の一例を示す平面図である。
本実施形態の地盤改良方法で地盤改良した場合の一例を示す断面図である。
地盤改良前の液状化の影響を考慮した地震時の地盤の変形による杭の応力解析の結果を示す図である。
地盤改良後の地震時の地盤の変形による杭の応力解析の結果を示す図である。
本実施形態の地盤改良方法のフローチャートを示す図である。
【発明を実施するための形態】
【0009】
図1及び図2を参照して、本実施形態の地盤改良方法について説明する前に、比較例の地盤改良方法について説明する。図1は比較例の地盤改良方法で地盤改良した場合の一例を示す平面図である。図2は比較例の地盤改良方法で地盤改良した場合の一例を示す断面図である。
【0010】
図1に示すように、地盤改良前の地盤改良エリアの大部分は含水比150%の有機質土等から成る軟らかい地盤で構成され、地盤改良エリアの一部は含水比40%の粘性土等から成る相対的に硬い地盤で構成されている。比較例の地盤改良方法では、地盤改良エリアの全域に改良材230[kg/m
3
]が添加されて一様に地盤改良される。このため、軟らかい地盤であった場所では一軸圧縮強度が750[kN/m
2
]に高められ、相対的に硬い地盤であった場所では一軸圧縮強度が3000[kN/m
2
]に高められて改良地盤にバラツキが生じている。
(【0011】以降は省略されています)
この特許をJ-PlatPat(特許庁公式サイト)で参照する
関連特許
株式会社熊谷組
床版
1か月前
株式会社熊谷組
床版
1か月前
株式会社熊谷組
長机
1か月前
株式会社熊谷組
吊り治具
1か月前
株式会社熊谷組
床構成材
1か月前
株式会社熊谷組
密度計測方法
1か月前
株式会社熊谷組
床版接合構造
1か月前
株式会社熊谷組
木材接合部材
1か月前
株式会社熊谷組
山留壁用親杭
1か月前
株式会社熊谷組
RI計測装置
1か月前
株式会社熊谷組
地盤改良方法
1か月前
株式会社熊谷組
床版接合構造
13日前
株式会社熊谷組
障害物の検出方法
1か月前
株式会社熊谷組
アクアポニックスシステム
1か月前
株式会社熊谷組
床版継手装置、及び、床版
1か月前
株式会社熊谷組
建物構造体の変位抑制装置
1か月前
株式会社熊谷組
杭頭処理構造、杭頭処理方法
1か月前
株式会社熊谷組
吊り下げ物の防振構造改良方法
1か月前
株式会社熊谷組
非接触給電用コイルの埋設構造
13日前
株式会社熊谷組
壁体構築方法およびアンカー部材
1か月前
株式会社熊谷組
耐火構造、及び、耐火構造の施工方法
1か月前
国立大学法人東北大学
重金属の不溶化方法
1か月前
岐阜工業株式会社
コンクリート用流量調整弁
1か月前
ベルテクス株式会社
コンクリート部材の継手構造
1か月前
ベルテクス株式会社
コンクリート部材の取付構造とその成型に用いる抜き型
1か月前
株式会社ホルツストラ一級建築士事務所
下地材付き軸材、及び、耐火被覆構造体
1か月前
個人
バケット
21日前
個人
建物の不同沈下の修正方法
28日前
鹿島建設株式会社
接続方法
1日前
株式会社富田製作所
継手部構造
21日前
株式会社大林組
操縦装置
24日前
千代田工営株式会社
回転貫入杭
1か月前
株式会社熊谷組
山留壁用親杭
1か月前
株式会社郷土開発
傾斜地の切土工法
今日
日立建機株式会社
作業車両
1か月前
日本車輌製造株式会社
建設機械
1か月前
続きを見る
他の特許を見る