TOP
|
特許
|
意匠
|
商標
特許ウォッチ
Twitter
他の特許を見る
公開番号
2025146166
公報種別
公開特許公報(A)
公開日
2025-10-03
出願番号
2024046803
出願日
2024-03-22
発明の名称
農作業機
出願人
井関農機株式会社
代理人
弁理士法人新大阪国際特許事務所
主分類
A01C
21/00 20060101AFI20250926BHJP(農業;林業;畜産;狩猟;捕獲;漁業)
要約
【課題】肥沃度センサにて圃場の肥沃度を検出して圃場区画毎の肥沃度に合わせた施肥量調節が行なえる施肥作業機がある。1個/0.2秒で取得した瞬間的な点データを使用して施肥量調節をしており、走行状態によっては、肥沃度の検出データにバラツキが生じて適切な施肥量調節が行なえない場合がある。そこで、肥沃度の検出データの信頼度を判定する農作業機を提供する。
【解決手段】走行車体に肥沃度センサ75が検出する圃場の肥沃度データにより施肥量が調節される施肥装置を装着した農作業機において、所定区間内の肥沃度データの標準偏差を算出し、標準偏差が所定よりも大きい場合、肥沃度データのばらつきが大きいと判定し信頼度を小さい値とする。
【選択図】図2
特許請求の範囲
【請求項1】
走行車体(2)に肥沃度センサ(75)が検出する圃場の肥沃度データにより施肥量が調節される施肥装置(60)を装着した農作業機において、所定区間内の肥沃度データの標準偏差を算出し、標準偏差が所定よりも大きい場合、肥沃度データのばらつきが大きいと判定し信頼度を所定の小さい値とすることを特徴とする農作業機。
続きを表示(約 320 文字)
【請求項2】
肥沃度センサ(75)と圃場の温度を検出する温度センサ(77)の検出値により肥沃度データを算出することを特徴とする請求項1記載の農作業機。
【請求項3】
走行車体(2)に肥沃度センサ(75)が検出する圃場の肥沃度データにより施肥量が調節される施肥装置(60)を装着した農作業機において、所定区間内の肥沃度データの分散を算出し、分散が所定よりも大きい場合、肥沃度データのばらつきが大きいと判定し信頼度を所定の小さい値とすることを特徴とする農作業機。
【請求項4】
信頼度が所定よりも小さい場合、肥沃度センサ(75)の検出頻度を増やすことを特徴とする請求項1~請求項3の何れか1項に記載の農作業機。
発明の詳細な説明
【技術分野】
【0001】
本発明は、走行車体に施肥装置を装着した農作業機に関する。
続きを表示(約 1,100 文字)
【背景技術】
【0002】
肥沃度センサにて圃場の肥沃度を検出して圃場区画毎の肥沃度に合わせた施肥量調節が行なえる施肥作業機がある(例えば、特許文献1参照)。
【先行技術文献】
【特許文献】
【0003】
特開2013-146219号公報
【発明の概要】
【発明が解決しようとする課題】
【0004】
1個/0.2秒で取得した瞬間的な点データを使用して施肥量調節をしており、走行状態によっては、肥沃度の検出データにバラツキが生じて適切な施肥量調節が行なえない場合がある。
【0005】
本発明は、上記に鑑みてなされたものであって、肥沃度の検出データの信頼度を判定する農作業機を提供することを目的とする。
【課題を解決するための手段】
【0006】
請求項1記載の発明は、走行車体2に肥沃度センサ75が検出する圃場の肥沃度データにより施肥量が調節される施肥装置60を装着した農作業機において、所定区間内の肥沃度データの標準偏差を算出し、標準偏差が所定よりも大きい場合、肥沃度データのばらつきが大きいと判定し信頼度を所定の小さい値とする農作業機である。
【0007】
請求項2記載の発明は、肥沃度センサ75と圃場の温度を検出する温度センサ77の検出値により肥沃度データを算出する請求項1記載の農作業機である。
【0008】
請求項3記載の発明は、走行車体2に肥沃度センサ75が検出する圃場の肥沃度データにより施肥量が調節される施肥装置60を装着した農作業機において、所定区間内の肥沃度データの分散を算出し、分散が所定よりも大きい場合、肥沃度データのばらつきが大きいと判定し信頼度を所定の小さい値とする農作業機である。
【0009】
請求項4記載の発明は、信頼度が所定よりも小さい場合、肥沃度センサ75の検出頻度を増やす請求項1~請求項3の何れか1項に記載の農作業機である。
【図面の簡単な説明】
【0010】
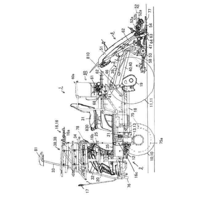
本発明における実施の形態を示す乗用型田植機の側面図である。
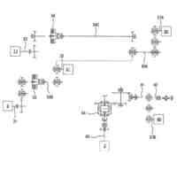
本発明における実施の形態を示す乗用型田植機の制御ブロック図である。
本発明における他の実施形態を示す乗用型田植機の平面図である。
本発明における他の実施形態を示す乗用型田植機の施肥装置の平面図である。
本発明における他の実施形態を示す乗用型田植機の施肥ホースの平面図である。
【発明を実施するための形態】
(【0011】以降は省略されています)
この特許をJ-PlatPat(特許庁公式サイト)で参照する
関連特許
井関農機株式会社
田植機
2か月前
井関農機株式会社
作業車両
今日
井関農機株式会社
作業車両
1か月前
井関農機株式会社
作業車両
1か月前
井関農機株式会社
苗移植機
今日
井関農機株式会社
作業車両
1か月前
井関農機株式会社
作業車両
1か月前
井関農機株式会社
作業車両
1か月前
井関農機株式会社
作業車両
1か月前
井関農機株式会社
作業車両
1か月前
井関農機株式会社
作業車両
2か月前
井関農機株式会社
作業車両
1か月前
井関農機株式会社
作業車両
1か月前
井関農機株式会社
作業車両
2か月前
井関農機株式会社
作業車両
2か月前
井関農機株式会社
作業車両
2か月前
井関農機株式会社
作業車両
2か月前
井関農機株式会社
作業車両
2か月前
井関農機株式会社
農作業機
2か月前
井関農機株式会社
作業車両
2か月前
井関農機株式会社
作業車両
1か月前
井関農機株式会社
作業車両
1か月前
井関農機株式会社
エンジン
19日前
井関農機株式会社
作業車両
27日前
井関農機株式会社
農作業機
11日前
井関農機株式会社
作業車両
12日前
井関農機株式会社
作業車両
27日前
井関農機株式会社
苗移植機
19日前
井関農機株式会社
作業車両
19日前
井関農機株式会社
作業車両
19日前
井関農機株式会社
作業車両
19日前
井関農機株式会社
作業車両
19日前
井関農機株式会社
コンバイン
2か月前
井関農機株式会社
乗用芝刈機
2か月前
井関農機株式会社
圃場作業機
4日前
井関農機株式会社
野菜収穫機
11日前
続きを見る
他の特許を見る