TOP
|
特許
|
意匠
|
商標
特許ウォッチ
Twitter
他の特許を見る
公開番号
2025159960
公報種別
公開特許公報(A)
公開日
2025-10-22
出願番号
2024062858
出願日
2024-04-09
発明の名称
作業車両
出願人
井関農機株式会社
代理人
弁理士法人新大阪国際特許事務所
主分類
A01B
69/00 20060101AFI20251015BHJP(農業;林業;畜産;狩猟;捕獲;漁業)
要約
【課題】所定の条件によって圃場モードから路上モード状態に自動切替することによって安全性を確保できる作業車両を提供する。
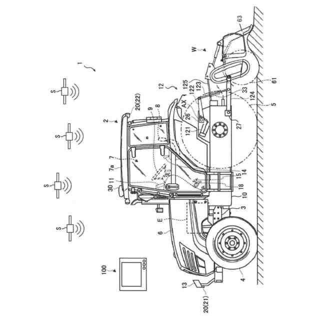
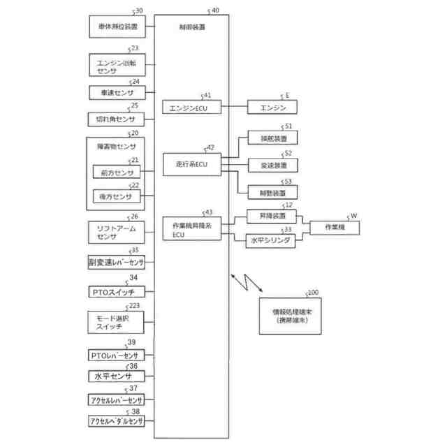
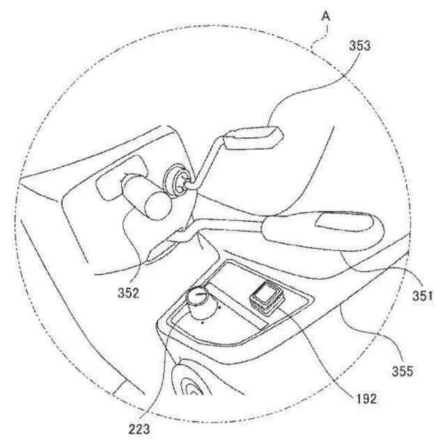
【解決手段】 圃場を走行する圃場モードと路上を走行する路上モードとを手動で切り替えるモード選択スイッチ223を備える作業車両において、ステアリングハンドル9による旋回角度θが所定角度β内で、PTO軸16の回転がない状態でかつ一定距離の間を走行していることを検知する走行車体2の傾きを検出する水平センサ36を設け、車体の傾きが一定時間検知されない状態で、アクセルレバー351が中立でかつアクセルペダル19の操作が行われた場合には、自動的に圃場モードから路上モードに切り替わる構成とした。
【選択図】 図8
特許請求の範囲
【請求項1】
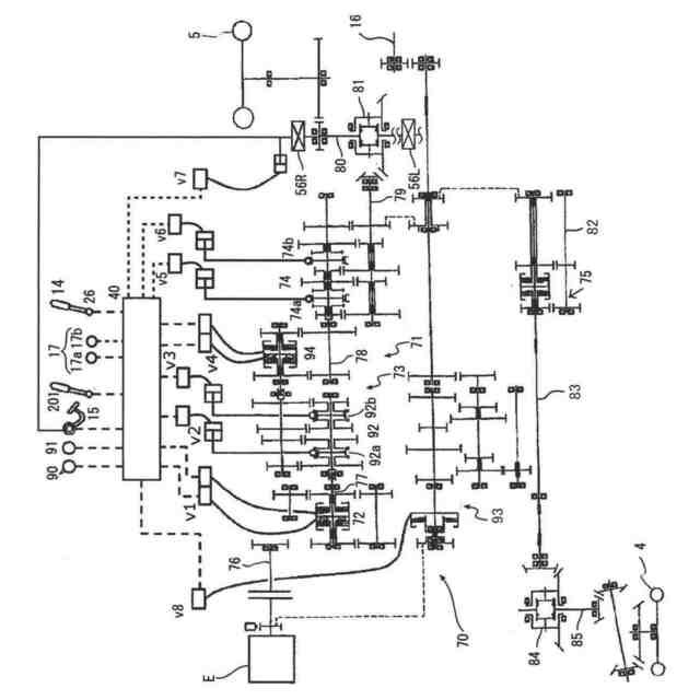
圃場を走行する圃場モードと路上を走行する路上モードとを手動で切り替えるモード選択スイッチ(223)を備える作業車両において、ステアリングハンドル(9)による旋回角度(θ)が所定角度(β)内で、PTO軸(16)の回転がない状態でかつ一定距離の間を走行していることを検知した場合には、自動的に圃場モードから路上モードに切り替わる構成としたことを特徴とする作業車両。
続きを表示(約 410 文字)
【請求項2】
走行車体2の傾きを検出する水平センサ(36)を設け、車体の傾きが一定時間検知されない状態である場合に、自動的に圃場モードから路上モードに切り替わる構成とする請求項1に記載の作業車両。
【請求項3】
PTO駆動部(93)に介在するクラッチ部をON、OFFできるPTOスイッチ(34)がクラッチON側に操作された場合、あるいはPTOレバーセンサ(39)によるPTO変速レバー(354)が中立以外の所定の変速段に在ることを検出する場合には路上モードから圃場モードに復帰する構成とした請求項1に記載の作業車両。
【請求項4】
自動的に圃場モードから路上モードに切り替わった状態において、圃場モードに選択されている走行モード選択スイッチ(223)を一旦路上モードに選択した後、再度圃場モード選択された場合に、優先して圃場モードとなるよう構成した請求項1に記載の作業車両。
発明の詳細な説明
【技術分野】
【0001】
本発明は、作業車両に関する。
続きを表示(約 1,200 文字)
【背景技術】
【0002】
従来、操舵装置の操作量に応じてブレーキが作動する圃場モード制御と、操舵装置を操作してもブレーキが作動しない路上モード制御とを備えた技術が公知である(特許文献1)。
【先行技術文献】
【特許文献】
【0003】
特開2020-96863号公報
【発明の概要】
【発明が解決しようとする課題】
【0004】
特許文献1の構成によると、圃場走行においては、操舵装置の旋回操作に応じて旋回内側のブレーキが作動して旋回半径を小さくして作業を効率的に行える。しかしながら、圃場から路上に出るときに路上モードに移行する制御は行われないため、圃場モードの条件を維持したままで路上に移動することがあると、操舵装置の操作量に応じてブレーキが作動するため危険である。
【0005】
この発明は、所定の条件によって圃場モードから路上モード状態に自動切替することによって安全性を確保できる作業車両を提供することを目的とする。
【課題を解決するための手段】
【0006】
この発明は、上記課題を解決すべく次のような技術的手段を講じた。
【0007】
請求項1に記載の発明は、圃場を走行する圃場モードと路上を走行する路上モードとを手動で切り替えるモード選択スイッチ223を備える作業車両において、ステアリングハンドル9による旋回角度θが所定角度β内で、PTO軸16の回転がない状態でかつ一定距離の間を走行していることを検知する場合には、自動的に圃場モードから路上モードに切り替わる構成としたことを特徴とする。
【0008】
請求項2に記載の発明は、請求項1に記載の発明において、さらに走行車体2の傾きを検出する水平センサ36を設け、車体の傾きが一定時間検知されない状態である場合に、自動的に圃場モードから路上モードに切り替わる構成とする。
【0009】
請求項3に記載の発明は、請求項1記載の発明において、PTO駆動部93に介在するクラッチ部をON、OFFできるPTOスイッチ34がクラッチON側に操作された場合、あるいはPTOレバーセンサ39によるPTO変速レバー354が中立以外の所定の変速段に在ることを検出する場合には路上モードから圃場モードに復帰する構成とした。
【0010】
請求項4に記載の発明は、請求項1に記載の発明において、自動的に圃場モードから路上モードに切り替わった状態において、圃場モードに選択されている走行モード選択スイッチ223を一旦路上モードに選択した後、再度圃場モード選択された場合に、優先して圃場モードとなるよう構成する。
【発明の効果】
(【0011】以降は省略されています)
この特許をJ-PlatPat(特許庁公式サイト)で参照する
関連特許
井関農機株式会社
作業車両
1か月前
井関農機株式会社
作業車両
1か月前
井関農機株式会社
作業車両
4日前
井関農機株式会社
作業車両
26日前
井関農機株式会社
作業車両
26日前
井関農機株式会社
作業車両
26日前
井関農機株式会社
作業車両
25日前
井関農機株式会社
作業車両
25日前
井関農機株式会社
作業車両
25日前
井関農機株式会社
作業車両
24日前
井関農機株式会社
作業車両
1か月前
井関農機株式会社
作業車両
1か月前
井関農機株式会社
作業車両
1か月前
井関農機株式会社
作業車両
1か月前
井関農機株式会社
作業車両
17日前
井関農機株式会社
作業車両
17日前
井関農機株式会社
作業車両
1か月前
井関農機株式会社
作業車両
1か月前
井関農機株式会社
農作業機
1か月前
井関農機株式会社
作業車両
1か月前
井関農機株式会社
作業車両
4日前
井関農機株式会社
コンバイン
1か月前
井関農機株式会社
屋外作業車
2日前
井関農機株式会社
乗用芝刈機
1か月前
井関農機株式会社
水田作業機
19日前
井関農機株式会社
圃場作業機
9日前
井関農機株式会社
根菜類収穫機
20日前
井関農機株式会社
歩行型耕運機
1か月前
井関農機株式会社
乗用型苗植機
18日前
井関農機株式会社
乗用型苗植機
9日前
井関農機株式会社
乗用型苗移植機
1か月前
井関農機株式会社
穀稈の刈取作業方法
1か月前
井関農機株式会社
自動精米洗米炊飯機
9日前
井関農機株式会社
電動式移植作業車両
1か月前
井関農機株式会社
農産物の管理システム
1か月前
井関農機株式会社
乗用作業車の操縦装置
9日前
続きを見る
他の特許を見る