TOP
|
特許
|
意匠
|
商標
特許ウォッチ
Twitter
他の特許を見る
10個以上の画像は省略されています。
公開番号
2025178909
公報種別
公開特許公報(A)
公開日
2025-12-09
出願番号
2024085784
出願日
2024-05-27
発明の名称
作業車両
出願人
井関農機株式会社
代理人
弁理士法人永井国際特許事務所
主分類
A01D
34/68 20060101AFI20251202BHJP(農業;林業;畜産;狩猟;捕獲;漁業)
要約
【課題】油圧ポンプを駆動する電動機を別途設けことなく、作業用の電動機で油圧ポンプを駆動することができる作業車両を提供する。
【解決手段】集草容器(7)の下側に、作業装置(4)を駆動する第1電動機(30)と、前輪(2)を駆動する第2電動機(40)を設け、第1電動機(30)と第2電動機(40)の前側に、第1電動機(30)と第2電動機(40)の出力回転を増減速するギヤケース(50)を設け、作業装置(4)が連結されるギヤケース(50)の第1出力軸(31)よりも伝動経路の上流側に第2出力軸(33)を設け、第2出力軸(33)に油圧ポンプ(51)を連結した。
【選択図】図9
特許請求の範囲
【請求項1】
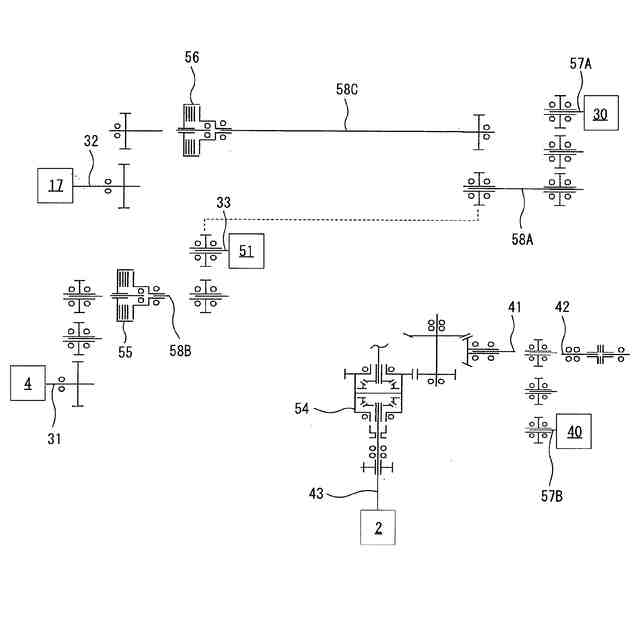
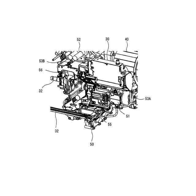
機体フレーム(1)の下側に左右一対の前輪(2)と後輪(3)を設け、該機体フレーム(1)の前側に芝草を刈取る作業装置(4)を設け、該作業装置(4)の後側に作業者が搭乗する操縦部(5)を設け、該操縦部(5)の後側に芝草を収容する集草容器(7)を設けた作業車両において、
前記集草容器(7)の下側に、前記作業装置(4)を駆動する第1電動機(30)と、前記前輪(2)を駆動する第2電動機(40)を設け、
前記第1電動機(30)と第2電動機(40)の前側に、前記第1電動機(30)と第2電動機(40)の出力回転を増減速するギヤケース(50)を設け、
前記作業装置(4)が連結されるギヤケース(50)の第1出力軸(31)よりも伝動経路の上流側に第2出力軸(33)を設け、
該第2出力軸(33)に油圧ポンプ(51)を連結したことを特徴とする作業車両。
続きを表示(約 540 文字)
【請求項2】
前記第1出力軸(31)と第2出力軸(33)の伝動経路の間に、伝動経路の接続と接続を解除するクラッチ(55)を設けた請求項1記載の作業車両。
【請求項3】
前記第1出力軸(31)はギヤケース(50)から前方に延在させ、前記第2出力軸(33)はギヤケース(50)から後方に延在させた請求項1又は2記載の作業車両。
【請求項4】
背面視において、前記油圧ポンプ(51)を第1電動機(30)と第2電動機(40)よりも下方に配置した請求項3記載の作業車両。
【請求項5】
前記ギヤケース(50)の上部に、前記クラッチ(55)を制動するバルブ(52)を設け、前記油圧ポンプ(51)とバルブ(52)を配管(53A)で接続し、該配管(53A)を、前記第1電動機(30)と第2電動機(40)の間に配策した請求項4記載の作業車両。
【請求項6】
前記ギヤケース(50)の上部に形成された循環口(50B)を形成し、前記バルブ(52)と循環口(50B)を配管(53B)で接続し、
前記クラッチ(55)からバルブ(52)に送油されてきたオイルを配管(53B)を介してギヤケース(50)に送油する請求項5記載の作業車両。
発明の詳細な説明
【技術分野】
【0001】
本発明は、芝草を刈取る作業車両に関するものである。
続きを表示(約 1,300 文字)
【背景技術】
【0002】
従来、機体フレームの前側に設けられた芝草を刈取る作業装置を駆動する作業用の電動機と、前輪等を駆動する走行用の電動機を備えた作業車両が知られている。(特許文献1)
【先行技術文献】
【特許文献】
【0003】
特開2023-27497号公報
【発明の概要】
【発明が解決しようとする課題】
【0004】
しかし、特許文献1の手段では、作業装置を昇降させる油圧シリンダや補助作業装置のオイルを圧送する油圧ポンプを駆動するための電動機を別途設けなければならないという問題があった。
【0005】
そこで、本発明は、油圧ポンプを駆動する電動機を別途設けことなく、作業用の電動機で油圧ポンプを駆動することができる作業車両を提供することにある。
【課題を解決するための手段】
【0006】
上記課題を解決した本発明は次のとおりである。
すなわち、請求項1記載の発明は、機体フレーム(1)の下側に左右一対の前輪(2)と後輪(3)を設け、該機体フレーム(1)の前側に芝草を刈取る作業装置(4)を設け、該作業装置(4)の後側に作業者が搭乗する操縦部(5)を設け、該操縦部(5)の後側に芝草を収容する集草容器(7)を設けた作業車両において、
前記集草容器(7)の下側に、前記作業装置(4)を駆動する第1電動機(30)と、前記前輪(2)を駆動する第2電動機(40)を設け、前記第1電動機(30)と第2電動機(40)の前側に、前記第1電動機(30)と第2電動機(40)の出力回転を増減速するギヤケース(50)を設け、前記作業装置(4)が連結されるギヤケース(50)の第1出力軸(31)よりも伝動経路の上流側に第2出力軸(33)を設け、該第2出力軸(33)に油圧ポンプ(51)を連結したことを特徴とする作業車両である。
【0007】
請求項2記載の発明は、前記第1出力軸(31)と第2出力軸(33)の伝動経路の間に、伝動経路の接続と接続を解除するクラッチ(55)を設けた請求項1記載の作業車両である。
【0008】
請求項3記載の発明は、前記第1出力軸(31)はギヤケース(50)から前方に延在させ、前記第2出力軸(33)はギヤケース(50)から後方に延在させた請求項1又は2記載の作業車両である。
【0009】
請求項4記載の発明は、背面視において、前記油圧ポンプ(51)を第1電動機(30)と第2電動機(40)よりも下方に配置した請求項3記載の作業車両である。
【0010】
請求項5記載の発明は、前記ギヤケース(50)の上部に、前記クラッチ(55)を制動するバルブ(52)を設け、前記油圧ポンプ(51)とバルブ(52)を配管(53A)で接続し、該配管(53A)を、前記第1電動機(30)と第2電動機(40)の間に配策した請求項4記載の作業車両である。
(【0011】以降は省略されています)
この特許をJ-PlatPat(特許庁公式サイト)で参照する
関連特許
個人
産卵床
11日前
個人
釣り用錘
29日前
個人
平板植栽
12日前
個人
果実袋
11日前
個人
噴霧器ノズル
27日前
個人
養殖器具
11日前
個人
移動体草刈り機
11日前
個人
水田排水量調整器具
11日前
個人
可動リップ付きルアー
1か月前
株式会社剛樹
釣り竿
25日前
井関農機株式会社
圃場作業機
4日前
個人
ブルーカーボンシステム
1か月前
井関農機株式会社
圃場作業機
1か月前
有限会社信英精密
括り罠
19日前
積水樹脂株式会社
シート止め具
11日前
個人
網口高さのベクトル底引き網
11日前
株式会社サワエ
害虫捕獲器
4日前
個人
粘着板で挟むネズミ捕り装置
11日前
松山株式会社
収穫機
1か月前
井関農機株式会社
苗移植機
19日前
松山株式会社
収穫機
1か月前
株式会社アテックス
芝草の刈取装置
18日前
株式会社中村工務店
潅水装置
12日前
三恵技研工業株式会社
ルアー
11日前
個人
自閉式「洗濯バサミ型」虫捕獲器
19日前
個人
つる状多肉植物の製造方法
8日前
個人
ロータリー耕うん装置
今日
株式会社シマノ
釣糸ガイド
1か月前
株式会社シマノ
釣糸ガイド
1か月前
新・産業洗浄株式会社
陸上養殖装置
11日前
株式会社クボタ
作業車
27日前
株式会社エヌエスシー
鳥害防止装置
19日前
個人
ルアーに可動式の顎を設けた疑似餌。
4日前
大王製紙株式会社
ペット用吸収性物品
4日前
星和電機株式会社
防爆形捕虫器
11日前
株式会社クボタ
農業機械
11日前
続きを見る
他の特許を見る