TOP
|
特許
|
意匠
|
商標
特許ウォッチ
Twitter
他の特許を見る
10個以上の画像は省略されています。
公開番号
2025145455
公報種別
公開特許公報(A)
公開日
2025-10-03
出願番号
2024045638
出願日
2024-03-21
発明の名称
立体架構
出願人
株式会社竹中工務店
代理人
弁理士法人太陽国際特許事務所
主分類
E04B
1/19 20060101AFI20250926BHJP(建築物)
要約
【課題】製材を用いた立体架構を提供する。
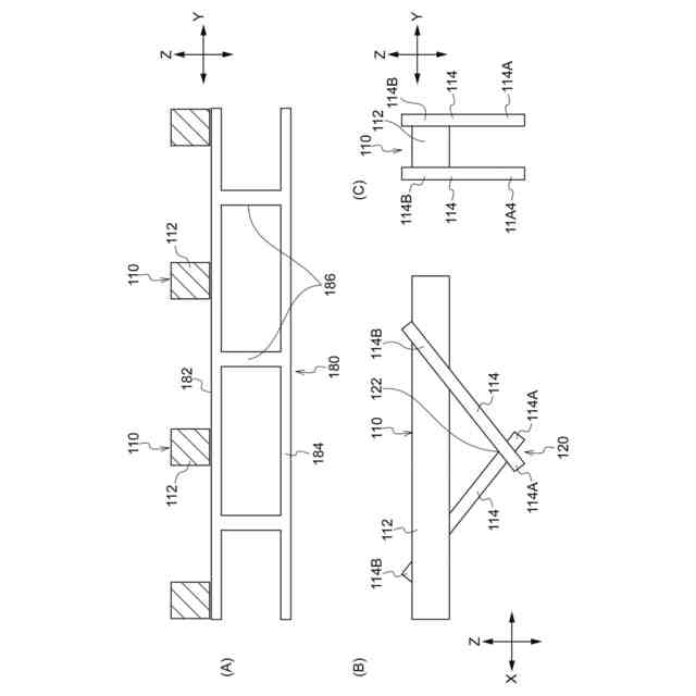
【解決手段】立体架構100は、製材50が材軸方向に接合された弦材112と弦材112に接合された製材の斜材で形成され材軸方向に並ぶ下側凸の複数の三角形部120とを有し三角形部120が互い違いになるように並列に並べられた複数の梁材110と、製材の上材182と下材184と束材186とで梯子状に構成され三角形部120に挿通され上材182が弦材112に接合され下材114が三角形部120の下側の角部122に接合された複数の連結部材180と、を備えている。
【選択図】図4
特許請求の範囲
【請求項1】
製材が材軸方向に接合された弦材と、前記弦材に接合された製材の斜材で形成され前記材軸方向に並ぶ下側凸の複数の三角形部と、を有し、前記三角形部が互い違いになるように並列に並べられた複数の梁材と、
製材の上材と下材と束材とで梯子状に構成され、前記三角形部内に挿通され、前記上材が前記弦材に接合され、前記下材が前記三角形部内の下側の角部に接合された複数の連結部材と、
を備えた立体架構。
続きを表示(約 67 文字)
【請求項2】
前記連結部材の前記束材は、前記梁材と前記梁材との中間部に位置する、
請求項1に記載の立体架構。
発明の詳細な説明
【技術分野】
【0001】
本発明は、立体架構に関する。
続きを表示(約 1,400 文字)
【背景技術】
【0002】
特許文献1には、建築および土木の構造体、機械の構造体、その他の荷重や力を受けるスパンや空間を確保する構造体に関する技術が開示されている。この先行技術では、立体構造は、節点をAとBという異なる2層の面に分布させ、A層の節点同士およびA層とB層の節点を棒状部材でつなぎ、B層の節点同士を部材で連結しない方法で出来ている。
【0003】
特許文献2には、構造用要素が相互依存的に連結することによって形成するドーム型の構造体に関する技術が開示されている。この先行技術では、第一工程では、平行四辺形の面を構成要素とする凸型のゾーン多面体Aを核とする。第二工程では、該核の外殻に規則的に立体状構成要素Dを配置し、該立体状構成要素を抽出することでゾーン多軸体Eを形成する。この第一及び第二工程で目的とする構造体が幾何学的構造の原理を内包することになる。第三工程では、立体状構成要素が互いに交差する箇所を保持する上で、その外方延長部を任意の箇所にて切断して取り除き、残る内方側の立体状構成要素を構造用要素Jへと転換する。そして該構造用要素が互いに交差する箇所を接続することを可能とする手段を有することで中空状構造体Kを形成する。最終工程では、該中空状構造体の主要な構造用要素によってドーム型構造体Lを形成する。
【先行技術文献】
【特許文献】
【0004】
特開2012-52347号公報
特開2010-7289号公報
【発明の概要】
【発明が解決しようとする課題】
【0005】
間伐材等から得られる製材は細くて短いため、そのままでは建物の構造材、特に大スパンの構造材に使用することは困難である。
【0006】
本発明は、製材を用いた立体架構を提供することが目的である。
【課題を解決するための手段】
【0007】
第一態様は、製材が材軸方向に接合された弦材と、前記弦材に接合された製材の斜材で形成され前記材軸方向に並ぶ下側凸の複数の三角形部と、を有し、前記三角形部が互い違いになるように並列に並べられた複数の梁材と、製材の上材と下材と束材とで梯子状に構成され、前記三角形部内に挿通され、前記上材が前記弦材に接合され、前記下材が前記三角形部内の下側の角部に接合された複数の連結部材と、を備えた立体架構である。
【0008】
第一態様の立体架構では、製材で構成された梁材は、トラス梁と違い下弦材に相当する部材がないので、そのままでは鉛直方向の荷重によって三角形部の下側の角部と三角形部の下側の角部との軸方向の間隔が開くように撓みが生じるが、連結部材によって隣り合う梁材同士が突っ張り合う又は引っ張り合うことにより開きによる撓みが防止又は抑制される。
【0009】
第二態様は、前記連結部材の前記束材は、前記梁材と前記梁材との中間部に位置する、第一態様に記載の立体架構である。
【0010】
第二態様の立体架構では、連結部材の束材は梁材と梁材との中間部に位置するので、束材が三角形部に位置する場合と比較し、意匠性が向上する。また、連結部材と梁材との接合部の施工性が向上する。
【発明の効果】
(【0011】以降は省略されています)
この特許をJ-PlatPat(特許庁公式サイト)で参照する
関連特許
株式会社竹中工務店
複合壁
28日前
株式会社竹中工務店
構造物
1か月前
株式会社竹中工務店
建物構造
1か月前
株式会社竹中工務店
免震構造
1か月前
株式会社竹中工務店
免震建物
1か月前
株式会社竹中工務店
建物構造
1か月前
株式会社竹中工務店
発電システム
21日前
株式会社竹中工務店
跳ね出し架構
1か月前
株式会社竹中工務店
煙突改修方法
1か月前
株式会社竹中工務店
水素供給システム
9日前
株式会社竹中工務店
帯状木質材巻付体
1か月前
株式会社竹中工務店
配管ユニット構造
28日前
株式会社竹中工務店
排水処理システム
今日
株式会社竹中工務店
塗装方法及び積層材料
7日前
株式会社竹中工務店
水平打ち継ぎ部補強構造
今日
株式会社竹中工務店
ラチス構造材の補強構造
16日前
株式会社竹中工務店
人流推定装置及び人流推定方法
1か月前
株式会社竹中工務店
荷重支持構造及び荷重支持方法
1か月前
株式会社竹中工務店
被覆基材及び被覆基材の製造方法
7日前
株式会社竹中工務店
天井構造及び天井構造の固定方法
15日前
株式会社竹中工務店
場所打ちコンクリート杭の施工方法
1か月前
株式会社竹中工務店
ノイズ除去方法及びノイズ除去プログラム
1か月前
株式会社竹中工務店
構真柱の施工方法、及び構真柱の支持構造
15日前
株式会社竹中工務店
制御装置、制御方法、及び制御プログラム
1日前
株式会社竹中工務店
鉄筋コンクリート躯体と鉄骨柱との接合構造
1か月前
株式会社竹中工務店
CaCO3量推定方法及び炭酸化度判定方法
今日
株式会社竹中工務店
ジオポリマー組成物及びジオポリマー硬化体
1か月前
株式会社竹中工務店
パラメータ探索装置及びパラメータ探索方法
今日
株式会社竹中工務店
輝度分布推定装置及び輝度分布推定プログラム
1か月前
株式会社竹中工務店
信号処理装置、信号処理方法、及び信号処理プログラム
8日前
株式会社竹中工務店
熱中症リスク評価支援装置及び熱中症リスク評価支援プログラム
1か月前
日本製鉄株式会社
セメント硬化体補強用鋼繊維及びセメント組成物
1か月前
株式会社竹中工務店
木質柱仕口部材接合構造、プレキャスト仕口部材の施工方法、及びプレキャスト仕口部材
1か月前
個人
接合構造
2か月前
個人
屋台
2か月前
個人
タッチミー
1か月前
続きを見る
他の特許を見る