TOP
|
特許
|
意匠
|
商標
特許ウォッチ
Twitter
他の特許を見る
公開番号
2025165241
公報種別
公開特許公報(A)
公開日
2025-11-04
出願番号
2024069234
出願日
2024-04-22
発明の名称
建物構造
出願人
株式会社竹中工務店
代理人
弁理士法人太陽国際特許事務所
主分類
E04B
1/19 20060101AFI20251027BHJP(建築物)
要約
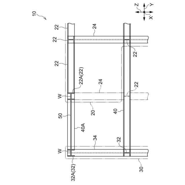
【課題】主架構と外殻架構との間にスラブやブレースを配置しなくても、主架構と外殻架構との間で水平力を伝達できる建物構造を提供する。
【解決手段】建物構造は、建物10の主架構20と、主架構20と離間して配置され、建10の少なくとも一部の外周面を形成する外殻架構30と、主架構20と外殻架構30とを繋ぐ繋ぎ梁40と、を備え、最上部に配置された繋ぎ梁40Aは、外殻架構30の上端部に配置された外側上端梁32A、及び、主架構20において外側上端梁32Aと対向する内側上端梁22Aにそれぞれ剛接合され、強軸方向が水平面に沿う。
【選択図】図1
特許請求の範囲
【請求項1】
建物の主架構と、
前記主架構と離間して配置され、前記建物の少なくとも一部の外周面を形成する外殻架構と、
前記主架構と前記外殻架構とを繋ぐ繋ぎ梁と、
を備え、
最上部に配置された前記繋ぎ梁は、
前記外殻架構の上端部に配置された外側上端梁、及び、前記主架構において前記外側上端梁と対向する内側上端梁にそれぞれ剛接合され、強軸方向が水平面に沿う、
建物構造。
続きを表示(約 270 文字)
【請求項2】
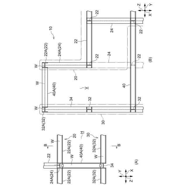
前記外側上端梁及び前記内側上端梁の双方の強軸方向が水平面に沿い、
最上部に配置された前記繋ぎ梁、前記外側上端梁及び前記内側上端梁によって格子状フレームが形成されている、
請求項1に記載の建物構造。
【請求項3】
前記主架構において前記外殻架構と対向する上端部には上方へ突出した立ち上げ材が配置され、
前記内側上端梁は前記立ち上げ材の上端部に剛接合され、
最上部に配置された前記繋ぎ梁の下方には吹き抜け空間が形成されている、
請求項1又は2に記載の建物構造。
発明の詳細な説明
【技術分野】
【0001】
本発明は、建物構造に関する。
続きを表示(約 1,300 文字)
【背景技術】
【0002】
下記特許文献1には、外周チューブ架構と内周チューブ架構とを連結梁によって連結した構成が示されている。
【先行技術文献】
【特許文献】
【0003】
特開2006-169741号公報
【発明の概要】
【発明が解決しようとする課題】
【0004】
上記特許文献1に示されたような内側の主架構と外側の外殻架構とを備えた建物においては、例えば地震時に、主架構と外殻架構との間で水平力を伝達する必要がある。このため、2つの架構間には、スラブやブレースを配置して剛性を高めることがある。しかしながら、例えば建物の上端部では、開放性を高めたり採光したりするために、スラブやブレースを配置したくない場合がある。このため、スラブやブレースを用いずに主架構と外殻架構との間で水平力を伝達することが求められる。
【0005】
本発明は、上記事実を考慮し、主架構と外殻架構との間にスラブやブレースを配置しなくても、主架構と外殻架構との間で水平力を伝達できる建物構造を提供することを目的とする。
【課題を解決するための手段】
【0006】
請求項1の建物構造は、建物の主架構と、前記主架構と離間して配置され、前記建物の少なくとも一部の外周面を形成する外殻架構と、前記主架構と前記外殻架構とを繋ぐ繋ぎ梁と、を備え、最上部に配置された前記繋ぎ梁は、前記外殻架構の上端部に配置された外側上端梁、及び、前記主架構において前記外側上端梁と対向する内側上端梁にそれぞれ剛接合され、強軸方向が水平面に沿う。
【0007】
請求項1の建物構造では、建物の主架構と外殻架構との間に繋ぎ梁が架け渡されている。このうち、最上部に配置された繋ぎ梁は強軸方向が水平面に沿うため、水平面に沿わない場合と比較して主架構と外殻架構との間の水平剛性が高い。これにより、主架構と外殻架構との間にスラブやブレースを配置しなくても、主架構と外殻架構との間で水平力を伝達できる。これにより、スラブやブレースに代えて、吹き抜けやトップライトを配置して建物の外周部の開放性を高められる。
【0008】
請求項2の建物構造は、請求項1に記載の建物構造において、前記外側上端梁及び前記内側上端梁の双方の強軸方向が水平面に沿い、最上部に配置された前記繋ぎ梁、前記外側上端梁及び前記内側上端梁によって格子状フレームが形成されている。
【0009】
請求項2の建物構造によると、外側上端梁及び内側上端梁の強軸方向が水平面に沿わない場合と比較して、主架構と外殻架構との間の水平剛性を高められる。
【0010】
請求項3の建物構造は、請求項1又は2に記載の建物構造において、前記主架構において前記外殻架構と対向する上端部には上方へ突出した立ち上げ材が配置され、前記内側上端梁は前記立ち上げ材の上端部に剛接合され、最上部に配置された前記繋ぎ梁の下方には吹き抜け空間が形成されている。
(【0011】以降は省略されています)
この特許をJ-PlatPat(特許庁公式サイト)で参照する
関連特許
株式会社竹中工務店
複合壁
29日前
株式会社竹中工務店
構造物
1か月前
株式会社竹中工務店
免震建物
1か月前
株式会社竹中工務店
建物構造
1か月前
株式会社竹中工務店
建物構造
1か月前
株式会社竹中工務店
免震構造
1か月前
株式会社竹中工務店
発電システム
22日前
株式会社竹中工務店
水硬性組成物
1か月前
株式会社竹中工務店
跳ね出し架構
1か月前
株式会社竹中工務店
煙突改修方法
1か月前
株式会社竹中工務店
帯状木質材巻付体
1か月前
株式会社竹中工務店
排水処理システム
1日前
株式会社竹中工務店
配管ユニット構造
29日前
株式会社竹中工務店
水素供給システム
10日前
株式会社竹中工務店
塗装方法及び積層材料
8日前
株式会社竹中工務店
ラチス構造材の補強構造
17日前
株式会社竹中工務店
水平打ち継ぎ部補強構造
1日前
株式会社竹中工務店
荷重支持構造及び荷重支持方法
1か月前
株式会社竹中工務店
人流推定装置及び人流推定方法
1か月前
株式会社竹中工務店
天井構造及び天井構造の固定方法
16日前
株式会社竹中工務店
被覆基材及び被覆基材の製造方法
8日前
株式会社竹中工務店
場所打ちコンクリート杭の施工方法
1か月前
株式会社竹中工務店
構真柱の施工方法、及び構真柱の支持構造
16日前
株式会社竹中工務店
制御装置、制御方法、及び制御プログラム
2日前
株式会社竹中工務店
ノイズ除去方法及びノイズ除去プログラム
1か月前
株式会社竹中工務店
鉄筋コンクリート躯体と鉄骨柱との接合構造
1か月前
株式会社竹中工務店
CaCO3量推定方法及び炭酸化度判定方法
1日前
株式会社竹中工務店
ジオポリマー組成物及びジオポリマー硬化体
1か月前
株式会社竹中工務店
パラメータ探索装置及びパラメータ探索方法
1日前
株式会社竹中工務店
輝度分布推定装置及び輝度分布推定プログラム
1か月前
株式会社竹中工務店
水硬性組成物及び水硬性組成物硬化体の製造方法
1か月前
株式会社竹中工務店
信号処理装置、信号処理方法、及び信号処理プログラム
9日前
株式会社竹中工務店
熱中症リスク評価支援装置及び熱中症リスク評価支援プログラム
1か月前
日本製鉄株式会社
セメント硬化体補強用鋼繊維及びセメント組成物
1か月前
株式会社竹中工務店
地盤改良用セメントスラリー組成物及びソイルセメントスラリーの調製方法
1か月前
株式会社竹中工務店
木質柱仕口部材接合構造、プレキャスト仕口部材の施工方法、及びプレキャスト仕口部材
1か月前
続きを見る
他の特許を見る