TOP
|
特許
|
意匠
|
商標
特許ウォッチ
Twitter
他の特許を見る
10個以上の画像は省略されています。
公開番号
2025142609
公報種別
公開特許公報(A)
公開日
2025-10-01
出願番号
2024042058
出願日
2024-03-18
発明の名称
モータ制御装置およびモータ制御方法
出願人
株式会社富士通ゼネラル
代理人
弁理士法人酒井国際特許事務所
主分類
H02P
27/08 20060101AFI20250924BHJP(電力の発電,変換,配電)
要約
【課題】モータの空転状態を少ない演算量で推定する。
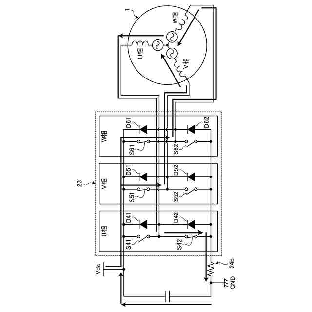
【解決手段】実施形態のモータ制御装置は、ファンを回転させる3相モータを駆動するモータ制御装置であって、PWM信号を生成するPWM信号生成部と、3相に対応する上アームと下アームのスイッチング素子を有し、生成されたPWM信号に基づくスイッチング制御により、直流電源から供給された直流電力を3相の交流電力に変換して3相モータヘ供給するインバータ部と、3相モータの起動前に、3相のうち少なくとも1相の上アームのスイッチング素子と少なくとも1相の下アームのスイッチング素子をオンにする複数のスイッチングパターンを1周期とするようにPWM信号生成部が生成した相補PWM信号に基づくスイッチング制御時におけるインバータ部の電流を検出する電流検出部と、検出された電流に基づき、3相モータの空転方向または空転の回転数の少なくとも一方を推定する空転推定部とを有する。
【選択図】図1
特許請求の範囲
【請求項1】
ファンを回転させる3相モータを駆動するモータ制御装置であって、
PWM信号を生成するPWM信号生成部と、
3相に対応する上アームと下アームのスイッチング素子を有し、生成された前記PWM信号に基づくスイッチング制御により、直流電源から供給された直流電力を3相の交流電力に変換して前記3相モータヘ供給するインバータ部と、
前記3相モータの起動前に、3相のうち少なくとも1相の前記上アームのスイッチング素子と少なくとも1相の前記下アームのスイッチング素子をオンにする複数のスイッチングパターンを1周期とするように前記PWM信号生成部が生成した相補PWM信号に基づくスイッチング制御時における前記インバータ部の電流を検出する電流検出部と、
前記3相モータの起動前に検出された前記電流に基づき、前記3相モータの空転方向または空転の回転数の少なくとも一方を推定する空転推定部と、
を有することを特徴とするモータ制御装置。
続きを表示(約 840 文字)
【請求項2】
前記PWM信号生成部は、前記1周期の間に、前記インバータ部が3相のうち少なくとも1相をオンにするオン期間と、前記3相のすべてをオフとする所定のオフ期間とを設けた前記相補PWM信号を生成する、
ことを特徴とする請求項1に記載のモータ制御装置。
【請求項3】
前記PWM信号生成部は、前記1周期の間の前記オン期間において、直近でオフとした相を次のパターンでオンとする前記相補PWM信号を生成する、
ことを特徴とする請求項2に記載のモータ制御装置。
【請求項4】
前記オフ期間は、検出可能な最大の空転回転数に基づいて設定される、
ことを特徴とする請求項2に記載のモータ制御装置。
【請求項5】
推定した前記空転方向または前記空転の回転数の少なくとも一方に基づき、複数の起動パターンの中から1つの起動パターンを選択して前記3相モータを起動する起動処理部をさらに有する、
ことを特徴とする請求項1に記載のモータ制御装置。
【請求項6】
前記空転推定部は、前記3相モータの起動前に検出された前記電流に基づき推定した空転の回転数にさらに補正をかけて前記回転数を推定するためのテーブルを有する、
ことを特徴とする請求項1に記載のモータ制御装置。
【請求項7】
ファンを回転させる3相モータの駆動を制御するモータ制御方法であって、
前記3相モータの起動前に、3相のうち少なくとも1相の上アームのスイッチング素子と少なくとも1相の下アームのスイッチング素子をオンにする複数のスイッチングパターンを1周期とするように生成した相補PWM信号に基づくスイッチング制御時におけるインバータ部の電流を検出し、
前記3相モータの起動前に検出された前記電流に基づき、前記3相モータの空転方向または空転の回転数の少なくとも一方を推定する、
モータ制御方法。
発明の詳細な説明
【技術分野】
【0001】
本開示は、モータ制御装置およびモータ制御方法に関する。
続きを表示(約 1,400 文字)
【背景技術】
【0002】
空気調和機の室外機は、熱交換器と、ファン(以下では「室外機ファン」と呼ぶことがある)と、室外機ファンを回転させるモータ(以下では「ファンモータ」と呼ぶことがある)とを有する。
【0003】
空気調和機の運転が開始されると、室外機ファンがファンモータにより回転させられ、室外から吸い込まれて熱交換器で熱交換された室外空気が外部に吹出される。しかし、例えば、室外機ファンは、ファンモータによる回転が停止中であっても、風などの外力を受けて回転(空転)することがある。
【0004】
ファンモータ起動時において、外力で室外機ファンと共にロータが空転している場合は、事前にファンモータの空転方向やロータの回転数等(以下、「空転状態」と呼ぶことがある)を検出することができれば、ファンモータを速やかに起動することができる。
【0005】
ファンモータの空転状態の検出方法としては、磁気式エンコーダ(例えばホール素子)などの検出センサを用いてロータの回転数や位置等の情報を取得する方法がある。一方、検出センサを搭載しないファンモータの場合には、検出センサを用いずに(センサレス)空転状態を推定する方法も提案されている。
【0006】
センサレスでファンモータの空転状態を推定する従来技術としては、1シャント方式により空転中のファンモータの相電流を検出するため、ゼロベクトルに対応する3相のPWM信号パターンを生成し、さらに少なくとも2つのPWMパルスのオンタイミングをシフトさせる(パルスシフトと呼ぶ)ことで、空転方向および回転数を推定するものがある(特許文献1)。
【先行技術文献】
【特許文献】
【0007】
特許第6718356号公報
【発明の概要】
【発明が解決しようとする課題】
【0008】
しかしながら、上記の従来技術では、空転状態の推定にかかるマイコンの演算量が大きいという問題がある。例えば、ゼロベクトルに対応するパターンを出力する方法では、パルスシフトが必須となるが、パルスシフトは処理が重く、時間がかかったり、負荷が重くなったりする。
【0009】
本開示では、モータの空転状態を少ない演算量で推定できる技術を提案する。
【課題を解決するための手段】
【0010】
本開示のモータ制御装置は、ファンを回転させる3相モータを駆動するモータ制御装置であって、PWM信号を生成するPWM信号生成部と、3相に対応する上アームと下アームのスイッチング素子を有し、生成されたPWM信号に基づくスイッチング制御により、直流電源から供給された直流電力を3相の交流電力に変換して3相モータヘ供給するインバータ部と、3相モータの起動前に、3相のうち少なくとも1相の上アームのスイッチング素子と少なくとも1相の下アームのスイッチング素子をオンにする複数のスイッチングパターンを1周期とするようにPWM信号生成部が生成した相補PWM信号に基づくスイッチング制御時におけるインバータ部の電流を検出する電流検出部と、3相モータの起動前に検出された電流に基づき、3相モータの空転方向または空転の回転数の少なくとも一方を推定する空転推定部と、を有する。
【発明の効果】
(【0011】以降は省略されています)
この特許をJ-PlatPat(特許庁公式サイト)で参照する
関連特許
個人
単極モータ
1日前
株式会社アイシン
ロータ
5日前
株式会社アイシン
ロータ
1日前
日本精機株式会社
サージ保護回路
8日前
トヨタ自動車株式会社
固定子
6日前
トヨタ自動車株式会社
製造装置
6日前
個人
連続ガウス加速器形磁力増幅装置
8日前
株式会社アイシン
ステータ
5日前
株式会社ダイヘン
充電装置
5日前
株式会社ダイヘン
充電装置
5日前
株式会社アイシン
ステータ
5日前
カヤバ株式会社
筒型リニアモータ
7日前
株式会社ミツバ
ブラシレスモータ
7日前
株式会社アイシン
ステータ
5日前
株式会社ダイヘン
充電装置
5日前
東京瓦斯株式会社
通信装置
7日前
株式会社アイシン
ステータ
5日前
個人
太陽エネルギー収集システム
6日前
株式会社ダイヘン
充電装置
5日前
株式会社kaisei
発電システム
1日前
トヨタ自動車株式会社
被膜形成装置
6日前
ASTI株式会社
電力変換装置
6日前
株式会社ミツバ
回転電機
5日前
株式会社デンソー
電力変換装置
今日
東京瓦斯株式会社
給電システム
7日前
株式会社ダイヘン
電力システム
8日前
株式会社ダイヘン
電力変換装置
8日前
株式会社アイシン
駆動装置
6日前
株式会社アイシン
回転電機
8日前
シャープ株式会社
表示装置
6日前
キヤノン株式会社
無線電力伝送システム
6日前
株式会社アイシン
保護装置
6日前
大和ハウス工業株式会社
システム
7日前
株式会社アイシン
回転電機
8日前
株式会社ダイヘン
インバータ装置
今日
矢崎総業株式会社
ワイヤーハーネス
1日前
続きを見る
他の特許を見る