TOP
|
特許
|
意匠
|
商標
特許ウォッチ
Twitter
他の特許を見る
公開番号
2025139725
公報種別
公開特許公報(A)
公開日
2025-09-29
出願番号
2024038715
出願日
2024-03-13
発明の名称
電源システム及び電源システムの制御方法
出願人
日新電機株式会社
代理人
個人
,
個人
,
個人
,
個人
,
個人
,
個人
主分類
H02J
9/06 20060101AFI20250919BHJP(電力の発電,変換,配電)
要約
【課題】電力系統と負荷との間に介在する変圧器の磁束飽和を防ぐことによって、電力変換器が過電流により停止することを防ぐ電源システム及びその制御方法を提供する。
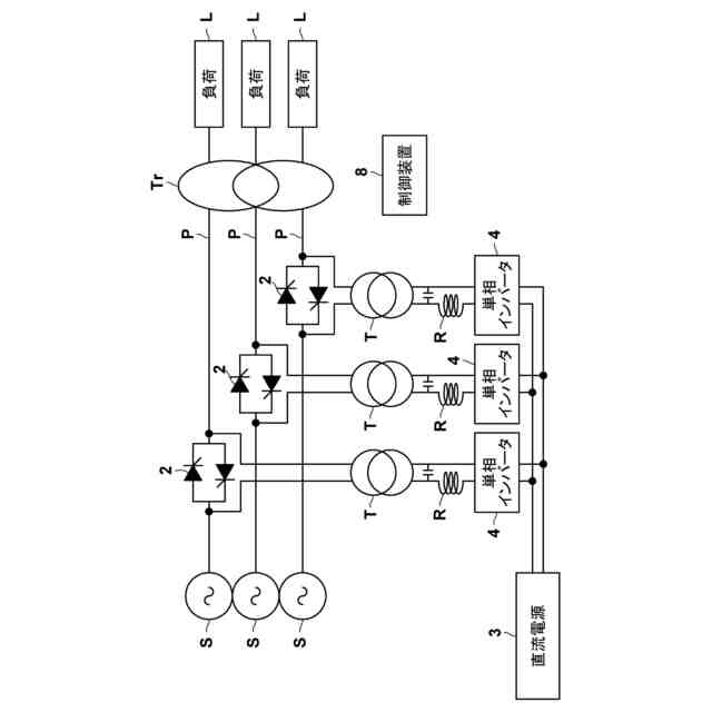
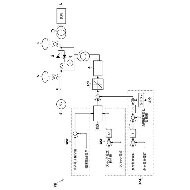
【解決手段】電力系統の正常時に前記電力系統から変圧器を介して負荷に給電し、電力系統の異常時に電力系統から負荷への給電を遮断するとともに、直流電源から変圧器を介して負荷に給電する電源システムであって、電力系統Sから負荷Lに給電するための電力線Pに設けられ、電力線を開閉するスイッチSと、電力線に接続され、直流電源からの直流電力を交流電力に変換する電力変換器4と、電力系統の異常時に電力変換器が出力する電圧を制御する電力変換器制御部85と、を備え、電力変換器制御部は、電力系統の異常時にスイッチの開放が完了した場合に、負荷の電圧を補償する補償電圧を電力変換器に出力させる制御である電圧補償制御を行う電圧補償制御部852を備える。
【選択図】図3
特許請求の範囲
【請求項1】
電力系統の正常時に前記電力系統から変圧器を介して負荷に給電し、前記電力系統の異常時に前記電力系統から前記負荷への給電を遮断するとともに、直流電源から前記変圧器を介して前記負荷に給電する電源システムであって、
前記電力系統から前記負荷に給電するための電力線に設けられ、前記電力線を開閉するスイッチと、
前記電力線に接続され、前記直流電源からの直流電力を交流電力に変換する電力変換器と、
前記電力系統の異常時に前記電力変換器が出力する電圧を制御する電力変換器制御部とを備え、
前記電力変換器制御部は、
前記電力系統の異常時に前記スイッチの開放が完了した場合に、前記負荷の電圧を補償する補償電圧を前記電力変換器に出力させる制御である電圧補償制御を行う電圧補償制御部と、
前記電圧補償制御部が前記電圧補償制御を行う場合に、前記電力系統の異常発生から前記スイッチの開放完了までの前記負荷の磁束の変化を示す負荷磁束変化が所定以下となるように前記負荷磁束変化を補正する補正電圧を前記電力変換器に出力させる磁束変化補正部とを備える、電源システム。
続きを表示(約 1,100 文字)
【請求項2】
前記磁束変化補正部は、前記負荷磁束変化が0よりも大きく、かつ、前記負荷の磁束が前記負荷の飽和磁束よりも小さくなるように前記補正電圧を算出する、請求項1に記載の電源システム。
【請求項3】
前記電力変換器制御部は、前記電力系統の異常時に前記電力系統から前記負荷を遮断する制御である電流遮断制御を行う電流遮断制御部と、
前記電流遮断制御の完了後に前記電圧補償制御を切り替える制御切替部とをさらに備え、
前記磁束変化補正部は、前記制御切替部が前記電流遮断制御から前記電圧補償制御に切り替えるのと同時に、前記補正電圧を前記電力変換器に出力させる、請求項1に記載の電源システム。
【請求項4】
前記負荷の電圧を測定する負荷電圧測定部をさらに備え、
前記磁束変化補正部は、
前記電力系統が正常であると仮定した場合における前記負荷の電圧と前記負荷電圧測定部により測定された前記負荷の電圧との差に基づいて前記負荷磁束変化を算出する、請求項1に記載の電源システム。
【請求項5】
前記補償電圧及び前記補正電圧を加算した電圧である前記電力変換器の出力電圧を所定の範囲内に制限する電圧制限部をさらに備える、請求項1乃至4の何れか一項に記載の電源システム。
【請求項6】
前記電圧制限部における上限値は、前記電力変換器の定格電圧の1.1倍の値であり、前記電圧制限部における下限値は前記電力変換器の定格電圧の-1.1倍の値である、請求項5に記載の電源システム。
【請求項7】
電力系統の正常時に前記電力系統から変圧器を介して負荷に給電し、前記電力系統の異常時に前記電力系統から前記負荷への給電を遮断するとともに、直流電源から前記変圧器を介して前記負荷に給電する電源システムの制御方法であって、
前記電源システムは、
前記電力系統から前記負荷に給電するための電力線に設けられ、前記電力線を開閉するスイッチと、
前記電力線に接続され、前記直流電源からの直流電力を交流電力に変換する電力変換器とを備え、
前記電源システムの制御方法は、
前記電力系統の異常時に前記スイッチの開放が完了した場合に、前記負荷の電圧を補償する補償電圧を前記電力変換器に出力させる制御である電圧補償制御を行い、
前記電圧補償制御を行う場合に、前記電力系統の異常発生から前記スイッチの開放完了までの前記負荷の磁束の変化を示す負荷磁束変化が所定以下となるように前記負荷磁束変化を補正する補正電圧を前記電力変換器に出力させる、電源システムの制御方法。
発明の詳細な説明
【技術分野】
【0001】
本発明は、電源システム及び電源システムの制御方法に関するものである。
続きを表示(約 1,700 文字)
【背景技術】
【0002】
従来の電源システムは、例えば特許文献1に示すように、電力系統から負荷に給電するための電力線に設けられた遮断器と、遮断器よりも負荷側に接続され、エネルギー貯蔵部のエネルギーを交流電力に変換する電力変換器とを備えている。
【0003】
この電源システムは、電力系統の正常時には、遮断器が投入されており、電力系統から変圧器を介して負荷に給電し、電力変換器は停止されている。一方、電力系統の異常時には、遮断器を開放して電力系統から負荷への給電を遮断する。遮断器の開放に伴い負荷の電圧が低下するので、遮断器が開放された後に、電力変換器がエネルギー貯蔵部からの直流電力を交流電力に変換して、その交流電力を負荷に給電する。これにより、上記の電源システムは、電力系統の異常時に負荷の電圧を補償している。
【0004】
ここで、上記の電源システムでは、電力系統の異常発生から遮断器の開放完了までに、負荷の電圧が低下することに伴い、変圧器の磁束に偏りが発生する。変圧器の磁束に偏りがある状態で負荷の電圧を補償すると、変圧器の磁束飽和が発生して励磁電流が流れる。これにより、電力変換器が過電流により停止してしまう恐れがある。
【先行技術文献】
【特許文献】
【0005】
特許第6677916号公報
【発明の概要】
【発明が解決しようとする課題】
【0006】
そこで、本発明は上記問題に鑑みてなされたものであり、スイッチの開放完了後に負荷の電圧を補償する場合に、電力系統と負荷との間に介在する変圧器の磁束飽和を防ぐことによって、電力変換器が過電流により停止することを防ぐことを主たる課題とするものである。
【課題を解決するための手段】
【0007】
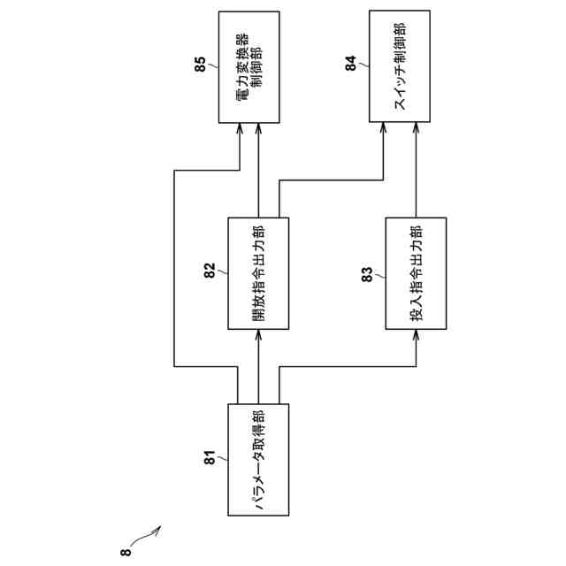
すなわち本発明に係る電源システムは、電力系統の正常時に前記電力系統から変圧器を介して負荷に給電し、前記電力系統の異常時に前記電力系統から前記負荷への給電を遮断するとともに、直流電源から前記変圧器を介して前記負荷に給電する電源システムであって、前記電力系統から前記負荷に給電するための電力線に設けられ、前記電力線を開閉するスイッチと、前記電力線に接続され、前記直流電源からの直流電力を交流電力に変換する電力変換器と、前記電力系統の異常時に前記電力変換器が出力する電圧を制御する電力変換器制御部とを備え、前記電力変換器制御部は、前記電力系統の異常時に前記スイッチの開放が完了した場合に、前記負荷の電圧を補償する補償電圧を前記電力変換器に出力させる制御である電圧補償制御を行う電圧補償制御部と、前記電圧補償部が前記電圧補償制御を行う場合に、前記電力系統の異常発生から前記スイッチの開放完了までの前記負荷の磁束の変化を示す負荷磁束変化が所定以下となるように前記負荷磁束変化を補正する補正電圧を前記電力変換器に出力させる磁束変化補正部とを備えることを特徴とする。
【0008】
このような電源システムであれば、磁束変化補正部が、負荷磁束変化が所定以下となるように負荷磁束変化を補正する補正電圧を電力変換器に出力させるので、電力系統と負荷との間に介在する変圧器の磁束飽和を防ぐことができる。その結果、励磁電流の発生を防ぐことができるので、電力変換器が過電流により停止することを防ぐことができる。
【0009】
負荷磁束変化を0にする補正電圧を出力すると、負荷トランスの磁束飽和を防ぐことができる一方、負荷磁束変化を0以外にする補正電圧と比較して、補正電圧が大きくなり、電力変換器から過電圧が出力される恐れがある。
そこで、前記磁束変化補正部は、前記負荷磁束変化が0よりも大きく、かつ、前記負荷の磁束が前記負荷の飽和磁束よりも小さくなるように前記負荷磁束変化を補正するものが好ましい。
【0010】
このような構成であれば、負荷の磁束飽和を防ぎ、かつ、電力変換器から負荷に過電圧が出力されるのを防ぐことができる。
(【0011】以降は省略されています)
この特許をJ-PlatPat(特許庁公式サイト)で参照する
関連特許
日新電機株式会社
ベッセル
17日前
日新電機株式会社
電子除湿器
11日前
日新電機株式会社
化学蓄熱反応器
27日前
日新電機株式会社
プラズマ処理装置
17日前
日新電機株式会社
欠陥検出方法および真空遮断器
25日前
日新電機株式会社
刃先保護部材及び被膜除去方法
16日前
日新電機株式会社
異常判定装置及び異常判定方法
1か月前
日新電機株式会社
真空漏れ検出器および真空装置
25日前
日新電機株式会社
真空処理装置、および、ベッセル
1か月前
日新電機株式会社
プラズマ処理装置及びプラズマ処理方法
17日前
日新電機株式会社
表示装置、表示方法、およびプログラム
9日前
日新電機株式会社
電源システム及び電源システムの制御方法
27日前
日新電機株式会社
電源システム及び電源システムの制御方法
27日前
日新電機株式会社
配電システム、および、クラスタの制御方法
4日前
日新電機株式会社
検出装置、電力供給システム、および検出方法
2日前
日新電機株式会社
汚泥処理制御システムおよび汚泥処理制御方法
2日前
日新電機株式会社
制御装置、直流配電システム、および制御方法
1か月前
日新電機株式会社
通信ユニット、サーバ、通信システムおよび通信方法
23日前
日新電機株式会社
加工方法、治具及び勾配面加工用3軸マシニングセンタ
11日前
日新電機株式会社
高調波フィルタ設備及び高調波フィルタ設備の設定方法
1か月前
日新電機株式会社
油入電気機器用の電気絶縁油基油、これを含有する電気絶縁油及び油入電気機器
2日前
国立大学法人神戸大学
サーマルサーキットシステム
1か月前
個人
単極モータ
12日前
株式会社アイシン
ロータ
12日前
株式会社アイシン
ロータ
16日前
西部電機株式会社
充電装置
19日前
西部電機株式会社
充電装置
19日前
日本精機株式会社
サージ保護回路
19日前
日星電気株式会社
ケーブル組立体
4日前
トヨタ自動車株式会社
固定子
17日前
株式会社デンソー
回転機
10日前
個人
連続ガウス加速器形磁力増幅装置
19日前
トヨタ自動車株式会社
製造装置
17日前
株式会社アイシン
ステータ
16日前
株式会社ダイヘン
充電装置
16日前
個人
太陽エネルギー収集システム
17日前
続きを見る
他の特許を見る