TOP
|
特許
|
意匠
|
商標
特許ウォッチ
Twitter
他の特許を見る
公開番号
2025134428
公報種別
公開特許公報(A)
公開日
2025-09-17
出願番号
2024032318
出願日
2024-03-04
発明の名称
エンジンシステムの診断装置
出願人
トヨタ自動車株式会社
代理人
個人
主分類
F02M
25/08 20060101AFI20250909BHJP(燃焼機関;熱ガスまたは燃焼生成物を利用する機関設備)
要約
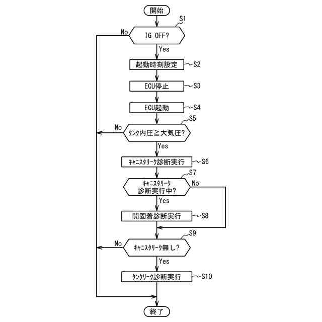
【課題】燃料タンクのリーク診断の精度が向上したエンジンシステムの診断装置を提供する。
【解決手段】ベーパ通路を開閉する封鎖弁、パージ弁、キャニスタ内圧センサ、タンク内圧センサ、及びキャニスタ内圧を低減させる減圧ポンプ、を有し、燃料を貯留し前記タンク内圧センサが設けられたタンク本体部、燃料導入パイプ、及び逆止弁、を含み、エンジンが停止し前記封鎖弁に閉弁指令が出された状態でのタンク内圧が大気圧以上か否かを判定する判定部と、前記判定部で肯定判定の場合に前記キャニスタのリーク診断を行うキャニスタリーク診断部と、前記キャニスタにリークは無いと診断された場合に、前記パージ弁に閉弁指令が出され前記封鎖弁に開弁指令が出された状態で前記減圧ポンプの作動を開始してからのキャニスタ内圧及びタンク内圧の少なくとも一方に基づいて、前記燃料タンクのリーク診断を行うタンクリーク診断部とを備えた診断装置。
【選択図】図3
特許請求の範囲
【請求項1】
エンジン、前記エンジンの燃料を貯留した燃料タンク、前記燃料タンクで発生した蒸発燃料を吸着するキャニスタ、前記燃料タンクと前記キャニスタとを連通したベーパ通路、前記エンジンの吸気通路と前記キャニスタとを連通したパージ通路、前記ベーパ通路を開閉する封鎖弁、前記パージ通路を開閉するパージ弁、前記キャニスタの内圧であるキャニスタ内圧を検出するキャニスタ内圧センサ、前記燃料タンクの内圧であるタンク内圧を検出するタンク内圧センサ、及び前記キャニスタ内圧を大気圧よりも低減させる減圧ポンプ、を有したエンジンシステムの診断装置であって、
前記燃料タンクは、燃料を貯留し前記タンク内圧センサが設けられたタンク本体部、前記タンク本体部に連通した燃料導入パイプ、及び前記燃料導入パイプから前記タンク本体部への燃料の導入は許容するが前記タンク本体部から前記燃料導入パイプへの燃料の逆流は規制する逆止弁、を含み、
前記エンジンが停止し前記封鎖弁に閉弁指令が出された状態での前記タンク内圧が大気圧以上か否かを判定する判定部と、
前記判定部で肯定判定の場合に前記キャニスタのリーク診断を行うキャニスタリーク診断部と、
前記キャニスタにリークは無いと診断された場合に、前記パージ弁に閉弁指令が出され前記封鎖弁に開弁指令が出された状態で前記減圧ポンプの作動を開始してからの前記キャニスタ内圧及びタンク内圧の少なくとも一方に基づいて、前記燃料タンクのリーク診断を行うタンクリーク診断部とを備えた、エンジンシステムの診断装置。
続きを表示(約 700 文字)
【請求項2】
前記エンジンシステムは、前記封鎖弁をバイパスして前記ベーパ通路に接続されたリリーフ通路、及び前記タンク内圧が前記キャニスタ内圧よりも高く前記タンク内圧と前記キャニスタ内圧との差圧が所定の開弁圧以上の場合に前記リリーフ通路を開く正圧リリーフ弁、を有し、
前記判定部で肯定判定の場合、前記パージ弁及び前記封鎖弁に閉弁指令が出された状態で前記減圧ポンプの作動を開始して前記キャニスタ内圧を大気圧から所定の減圧量だけ低下させた場合での前記タンク内圧の低下量が判定値以上の場合に、前記封鎖弁は開固着しているものと診断する開固着診断を実行する開固着診断部と、
前記減圧ポンプの作動の開始前の前記タンク内圧である開始前圧力が、前記開弁圧から前記減圧量を減算した閾値未満の場合、第1値に前記判定値を設定し、前記開始前圧力が前記閾値以上の場合、前記開始前圧力が高いほど高くなる第2値に前記判定値を設定する設定部とを備えた、請求項1のエンジンシステムの診断装置。
【請求項3】
前記キャニスタリーク診断部は、前記パージ弁及び前記封鎖弁に閉弁指令が出された状態で前記減圧ポンプの作動を開始してからの前記キャニスタ内圧に基づいて前記キャニスタのリーク診断を実行し、
前記開固着診断部は、前記キャニスタのリーク診断の実行中に前記開固着診断を実行する、請求項2のエンジンシステムの診断装置。
【請求項4】
前記第2値は、前記開始前圧力から前記閾値を減算した値に前記第1値を加算した値である、請求項2又は3の何れかのエンジンシステムの診断装置。
発明の詳細な説明
【技術分野】
【0001】
本発明は、エンジンシステムの診断装置に関する。
続きを表示(約 1,900 文字)
【背景技術】
【0002】
エンジンシステムに設けられた燃料タンクの内圧が大気圧以上の場合、燃料タンクにはリークは無いものと診断される場合がある(例えば特許文献1参照)。
【先行技術文献】
【特許文献】
【0003】
特開2013-137035号公報
【発明の概要】
【発明が解決しようとする課題】
【0004】
燃料タンクは、燃料を貯留するタンク本体部と、タンク本体部に連通した燃料導入パイプとを備える。ここで、燃料導入パイプからタンク本体部への燃料の導入は許容するがタンク本体部から燃料導入パイプへの燃料の逆流は規制する逆止弁を設けることが考えられる。この場合、タンク本体部の内圧が大気圧以上であると、逆止弁が燃料導入パイプを閉じた状態に維持されるおそれがある。この場合、燃料導入パイプにリークが有ったとしても、タンク本体部の内圧が大気圧以上の場合には、燃料タンクにリークは無いものと誤診断されるおそれがある。
【0005】
そこで本発明は、燃料タンクのリーク診断の精度が向上したエンジンシステムの診断装置を提供することを目的とする。
【課題を解決するための手段】
【0006】
上記目的は、エンジン、前記エンジンの燃料を貯留した燃料タンク、前記燃料タンクで発生した蒸発燃料を吸着するキャニスタ、前記燃料タンクと前記キャニスタとを連通したベーパ通路、前記エンジンの吸気通路と前記キャニスタとを連通したパージ通路、前記ベーパ通路を開閉する封鎖弁、前記パージ通路を開閉するパージ弁、前記キャニスタの内圧であるキャニスタ内圧を検出するキャニスタ内圧センサ、前記燃料タンクの内圧であるタンク内圧を検出するタンク内圧センサ、及び前記キャニスタ内圧を大気圧よりも低減させる減圧ポンプ、を有したエンジンシステムの診断装置であって、前記燃料タンクは、燃料を貯留し前記タンク内圧センサが設けられたタンク本体部、前記タンク本体部に連通した燃料導入パイプ、及び前記燃料導入パイプから前記タンク本体部への燃料の導入は許容するが前記タンク本体部から前記燃料導入パイプへの燃料の逆流は規制する逆止弁、を含み、前記エンジンが停止し前記封鎖弁に閉弁指令が出された状態での前記タンク内圧が大気圧以上か否かを判定する判定部と、前記判定部で肯定判定の場合に前記キャニスタのリーク診断を行うキャニスタリーク診断部と、前記キャニスタにリークは無いと診断された場合に、前記パージ弁に閉弁指令が出され前記封鎖弁に開弁指令が出された状態で前記減圧ポンプの作動を開始してからの前記キャニスタ内圧及びタンク内圧の少なくとも一方に基づいて、前記燃料タンクのリーク診断を行うタンクリーク診断部とを備えた、エンジンシステムの診断装置によって達成できる。
【0007】
前記エンジンシステムは、前記封鎖弁をバイパスして前記ベーパ通路に接続されたリリーフ通路、及び前記タンク内圧が前記キャニスタ内圧よりも高く前記タンク内圧と前記キャニスタ内圧との差圧が所定の開弁圧以上の場合に前記リリーフ通路を開く正圧リリーフ弁、を有し、前記判定部で肯定判定の場合、前記パージ弁及び前記封鎖弁に閉弁指令が出された状態で前記減圧ポンプの作動を開始して前記キャニスタ内圧を大気圧から所定の減圧量だけ低下させた場合での前記タンク内圧の低下量が判定値以上の場合に、前記封鎖弁は開固着しているものと診断する開固着診断を実行する開固着診断部と、前記減圧ポンプの作動の開始前の前記タンク内圧である開始前圧力が、前記開弁圧から前記減圧量を減算した閾値未満の場合、第1値に前記判定値を設定し、前記開始前圧力が前記閾値以上の場合、前記開始前圧力が高いほど高くなる第2値に前記判定値を設定する設定部とを備えてもよい。
【0008】
前記キャニスタリーク診断部は、前記パージ弁及び前記封鎖弁に閉弁指令が出された状態で前記減圧ポンプの作動を開始してからの前記キャニスタ内圧に基づいて前記キャニスタのリーク診断を実行し、前記開固着診断部は、前記キャニスタのリーク診断の実行中に前記開固着診断を実行してもよい。
【0009】
前記第2値は、前記開始前圧力から前記閾値を減算した値に前記第1値を加算した値であってもよい。
【発明の効果】
【0010】
本発明によれば、燃料タンクのリーク診断の精度が向上したエンジンシステムの診断装置を提供できる。
【図面の簡単な説明】
(【0011】以降は省略されています)
この特許をJ-PlatPat(特許庁公式サイト)で参照する
関連特許
本田技研工業株式会社
車両
1日前
本田技研工業株式会社
車両
1日前
株式会社クボタ
作業車両
2日前
本田技研工業株式会社
内燃機関
2日前
本田技研工業株式会社
内燃機関
1日前
本田技研工業株式会社
始動制御装置
1日前
本田技研工業株式会社
始動制御装置
1日前
本田技研工業株式会社
可変ファンネル装置
1日前
大阪瓦斯株式会社
エンジンシステム
1日前
本田技研工業株式会社
内燃機関の吸気構造
2日前
マツダ株式会社
エンジン
2日前
本田技研工業株式会社
内燃機関の制御装置
2日前
本田技研工業株式会社
内燃機関の制御装置
2日前
愛三工業株式会社
燃料供給装置
2日前
マツダ株式会社
エンジンの制御装置
2日前
三菱自動車工業株式会社
内燃機関
2日前
三菱自動車工業株式会社
内燃機関
2日前
三菱自動車工業株式会社
内燃機関
2日前
株式会社SUBARU
燃料タンク処理装置
4日前
株式会社SUBARU
燃料タンク処理装置
4日前
本田技研工業株式会社
エンジン
2日前
マツダ株式会社
エンジンの燃焼室構造
2日前
マツダ株式会社
エンジンの燃焼室構造
2日前
本田技研工業株式会社
V型エンジン
2日前
スズキ株式会社
エンジンの排気ポート構造
1日前
三菱自動車工業株式会社
内燃機関システム
2日前
三菱自動車工業株式会社
内燃機関システム
2日前
三菱自動車工業株式会社
内燃機関システム
2日前
三菱自動車工業株式会社
内燃機関の制御装置
1日前
三菱自動車工業株式会社
内燃機関の吸気通路構造
1日前
三菱自動車工業株式会社
副室式内燃機関
2日前
三菱自動車工業株式会社
副室式内燃機関
2日前
三菱自動車工業株式会社
副室式内燃機関の制御システム
2日前
三菱自動車工業株式会社
副室式内燃機関の制御システム
2日前
大阪瓦斯株式会社
エンジンシステム、及びそれを備えたコージェネレーション設備
1日前
三菱重工業株式会社
制御装置、ガスタービン、制御方法及びプログラム
4日前
続きを見る
他の特許を見る