TOP
|
特許
|
意匠
|
商標
特許ウォッチ
Twitter
他の特許を見る
10個以上の画像は省略されています。
公開番号
2025178571
公報種別
公開特許公報(A)
公開日
2025-12-09
出願番号
2024085237
出願日
2024-05-27
発明の名称
移動体制御装置及び移動体制御方法
出願人
アズビル株式会社
代理人
弁理士法人山王内外特許事務所
主分類
G05D
1/244 20240101AFI20251202BHJP(制御;調整)
要約
【課題】建物の内部においても移動体の移動を制御することができる移動体制御装置及び移動体制御方法を提供する。
【解決手段】移動体制御装置(100、200)は、RFIDタグ(T1、T2、・・・、TN)から送信された電波を受信する受信部(20)と、受信部(20)によって受信された電波に基づいて、RFIDタグ(T1、T2、・・・、TN)との間の通信電波の受信強度を示す強度情報を取得する強度情報取得部(30)と、強度情報取得部(30)によって取得された強度情報に基づいて、受信部(20)を有する移動体(D1、D2)の位置を算出する位置算出部(61、62)と、位置算出部(61、62)によって算出された移動体(D1、D2)の位置に基づいて移動体(D1、D2)の移動を制御する移動制御部(71、72)と、を備えた。
【選択図】図2
特許請求の範囲
【請求項1】
RFIDタグから送信された電波を受信する受信部と、
前記受信部によって受信された電波に基づいて、前記RFIDタグとの間の通信電波の受信強度を示す強度情報を取得する強度情報取得部と、
前記強度情報取得部によって取得された強度情報に基づいて、前記受信部を有する移動体の位置を算出する位置算出部と、
前記位置算出部によって算出された前記移動体の位置に基づいて前記移動体の移動を制御する移動制御部と、を備えた
ことを特徴とする移動体制御装置。
続きを表示(約 990 文字)
【請求項2】
前記強度情報取得部は、前記RFIDタグとの通信電波の強度を示す強度情報として、前記RFIDタグからの電波に含まれるRSSI値を取得する
ことを特徴とする請求項1記載の移動体制御装置。
【請求項3】
前記位置算出部は、前記強度情報取得部によって取得された複数の前記RFIDタグとの間の通信電波の受信強度を示す強度情報に基づいて、前記移動体の位置を算出する
ことを特徴とする請求項1記載の移動体制御装置。
【請求項4】
前記RFIDタグの位置を示す位置情報を取得する位置情報取得部を備え、
前記位置算出部は、前記強度情報取得部によって取得された強度情報と、前記位置情報取得部によって取得された位置情報と、に基づいて、前記移動体の位置を算出する
ことを特徴とする請求項1記載の移動体制御装置。
【請求項5】
前記移動体が有する慣性センサから、前記移動体が受けた慣性力を示す慣性情報を取得する慣性情報取得部を備え、
前記移動制御部は、前記強度情報取得部によって取得された強度情報と、前記慣性情報取得部によって取得された慣性情報と、に基づいて、前記移動体の移動を制御する
ことを特徴とする請求項1記載の移動体制御装置。
【請求項6】
前記移動制御部は、飛行する前記移動体の3次元空間における移動を制御する
ことを特徴とする請求項1から4のいずれか1項記載の移動体制御装置。
【請求項7】
受信部と、強度情報取得部と、位置算出部と、移動制御部と、を備えた装置が行う移動体制御方法であって、
前記受信部が、RFIDタグから送信された電波を受信するステップと、
前記強度情報取得部が、前記受信部によって受信された電波に基づいて、前記RFIDタグとの間の通信電波の受信強度を示す強度情報を取得するステップと、
前記位置算出部が、前記強度情報取得部によって取得された強度情報に基づいて、前記受信部を有する移動体の位置を算出するステップと、
前記移動制御部が、前記位置算出部によって算出された前記移動体の位置に基づいて前記移動体の移動を制御するステップと、を備えた
ことを特徴とする移動体制御方法。
発明の詳細な説明
【技術分野】
【0001】
本開示は、移動体制御装置及び移動体制御方法に関する。
続きを表示(約 1,900 文字)
【背景技術】
【0002】
従来、宅配用の入れ物を有し、その入れ物への荷物の積み下ろしを自動で行うドローンの飛行を制御する情報処理装置が開示されている(例えば、特許文献1参照)。特許文献1に記載された情報処理装置は、GPS(Global Positioning System)受信機の位置情報に基づいて、ドローンを制御して、設定した目的地付近まで移動させる。
【先行技術文献】
【特許文献】
【0003】
国際公開第2018/078859号
【発明の概要】
【発明が解決しようとする課題】
【0004】
しかしながら、建物の内部においてドローン等の移動体を制御する場合、建物の構造によってはGPS衛星からの電波を受信することが難しい場合があるという課題がある。
【0005】
本開示は、上記課題の認識を契機としてなされたものであって、建物の内部においても移動体の移動を制御することができる移動体制御装置及び移動体制御方法を提供することを目的とする。
【課題を解決するための手段】
【0006】
本開示に係る移動体制御装置は、RFIDタグから送信された電波を受信する受信部と、受信部によって受信された電波に基づいて、RFIDタグとの間の通信電波の受信強度を示す強度情報を取得する強度情報取得部と、強度情報取得部によって取得された強度情報に基づいて、受信部を有する移動体の位置を算出する位置算出部を備え、位置算出部によって算出された移動体の位置に基づいて移動体の移動を制御する移動制御部と、を備えたことを特徴とする。
【発明の効果】
【0007】
本開示によれば、建物の内部においても移動体の移動を制御することができる。
【図面の簡単な説明】
【0008】
実施の形態1に係る移動体制御システムの構成を示す模式図である。
実施の形態1に係る移動体制御システムの概略構成を示すブロック図である。
実施の形態1に係る移動体制御装置のハードウェア構成の一例を示す図である。
実施の形態1に係る移動体制御装置のハードウェア構成の一例を示す図である。
実施の形態1に係る移動体制御装置が行う処理を示すフローチャートである。
実施の形態1に係る移動体とRFIDタグとの位置関係を模式的に示す正面図である。
実施の形態1に係る移動体とRFIDタグとの位置関係を模式的に示す平面図である。
実施の形態1に係る移動体とRFIDタグとの位置関係を模式的に示す側面図である。
実施の形態1に係る移動体とRFIDタグとの位置関係を模式的に示す平面図である。
実施の形態1に係る移動体の移動経路を模式的に示す平面図である。
実施の形態2に係る移動体制御システムの概略構成を示すブロック図である。
実施の形態2に係る移動体制御装置が行う処理を示すフローチャートである。
【発明を実施するための形態】
【0009】
以下、本開示に係る実施の形態について図面を参照しながら詳細に説明する。
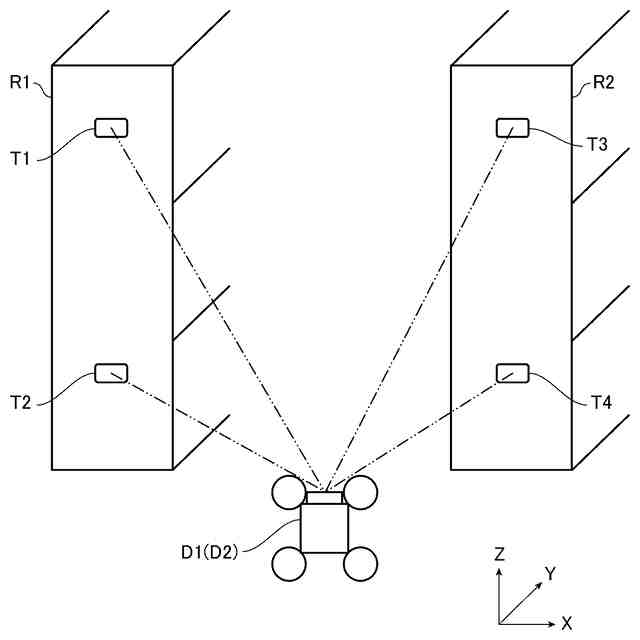
実施の形態1.
まず、図1及び図2を参照して、実施の形態1に係る移動体制御システムの構成について説明する。図1は、実施の形態1に係る移動体制御システムの構成を示す模式図であり、図2は、実施の形態1に係る移動体制御システムの概略構成を示すブロック図である。実施の形態1に係る移動体制御システムは、特定の平面上又は空間内を移動する移動体D1の移動を制御するためのシステムである。図1及び図2に示すように、実施の形態1に係る移動体制御システムは、移動体D1と、複数のRFID(Radio Frequency Identification)タグであるRFIDタグT1、T2、・・・、TNと、を備えている。なお、実施の形態1において、Nは、4以上の整数である。
【0010】
RFIDタグT1、T2、・・・、TNは、例えば、建物の内部において、互いに異なる位置に配置されている。具体的には、RFIDタグT1、T2、・・・、TNは、倉庫の内部に配置されている1つ又は複数の棚のそれぞれに保持されている。より具体的には、倉庫の内部に配置されている複数の棚のそれぞれに、1つ又は複数のRFIDタグが、互いに異なる位置に保持されている。例えば、図1に示すように、RFIDタグT1及びRFIDタグT2が、棚R1に保持されており、RFIDタグT3及びRFIDタグT4が、棚R2に保持されている。
(【0011】以降は省略されています)
この特許をJ-PlatPat(特許庁公式サイト)で参照する
関連特許
アズビル株式会社
回転弁
2か月前
アズビル株式会社
連結装置
1日前
アズビル株式会社
連結装置
1日前
アズビル株式会社
圧力センサ
2か月前
アズビル株式会社
電磁流量計
1か月前
アズビル株式会社
無線式開度計
2か月前
アズビル株式会社
ケージ調整弁
1日前
アズビル株式会社
間欠動作制御回路
1か月前
アズビル株式会社
動粘度測定システム
2か月前
アズビル株式会社
電磁流量計の励磁回路
今日
アズビル株式会社
タービン式流量制御装置
今日
アズビル株式会社
位置計測装置および方法
1か月前
アズビル株式会社
制御装置および制御方法
1か月前
アズビル株式会社
熱式流量計および補正方法
2か月前
アズビル株式会社
制御装置、および、制御方法
5日前
アズビル株式会社
情報処理システムおよび方法
2か月前
アズビル株式会社
処理装置及び物理量検出装置
2か月前
アズビル株式会社
情報処理装置及び情報処理方法
今日
アズビル株式会社
換気制御装置及び換気制御方法
2か月前
アズビル株式会社
流量演算装置及び超音波流量計
3か月前
アズビル株式会社
空調制御装置及び空調制御方法
1か月前
アズビル株式会社
情報処理装置及び情報処理方法
1日前
アズビル株式会社
情報処理装置および情報処理方法
12日前
アズビル株式会社
パイロットリレー及びポジショナ
3か月前
アズビル株式会社
ビル管理装置、及び、プログラム
1か月前
アズビル株式会社
移動体制御装置及び移動体制御方法
1日前
アズビル株式会社
制御装置、制御方法及び制御システム
12日前
アズビル株式会社
データダイオードおよび送信制御方法
3か月前
アズビル株式会社
ディスパッチ計画作成装置および方法
1か月前
アズビル株式会社
連結装置、及び、連結装置の製造方法
1日前
アズビル株式会社
移動速度演算装置及び移動速度演算方法
1日前
アズビル株式会社
処理装置、処理方法、及び、プログラム
2か月前
アズビル株式会社
データダイオードおよびパルス制御方法
3か月前
アズビル株式会社
超音波トランスデューサ及び超音波流量計
1日前
アズビル株式会社
分割装置、分割方法、および分割プログラム
2か月前
アズビル株式会社
検索装置、検索方法、および検索プログラム
2か月前
続きを見る
他の特許を見る